| Номер на схеме | Каталожный номер | Название | Количество | Детали | |||
|---|---|---|---|---|---|---|---|
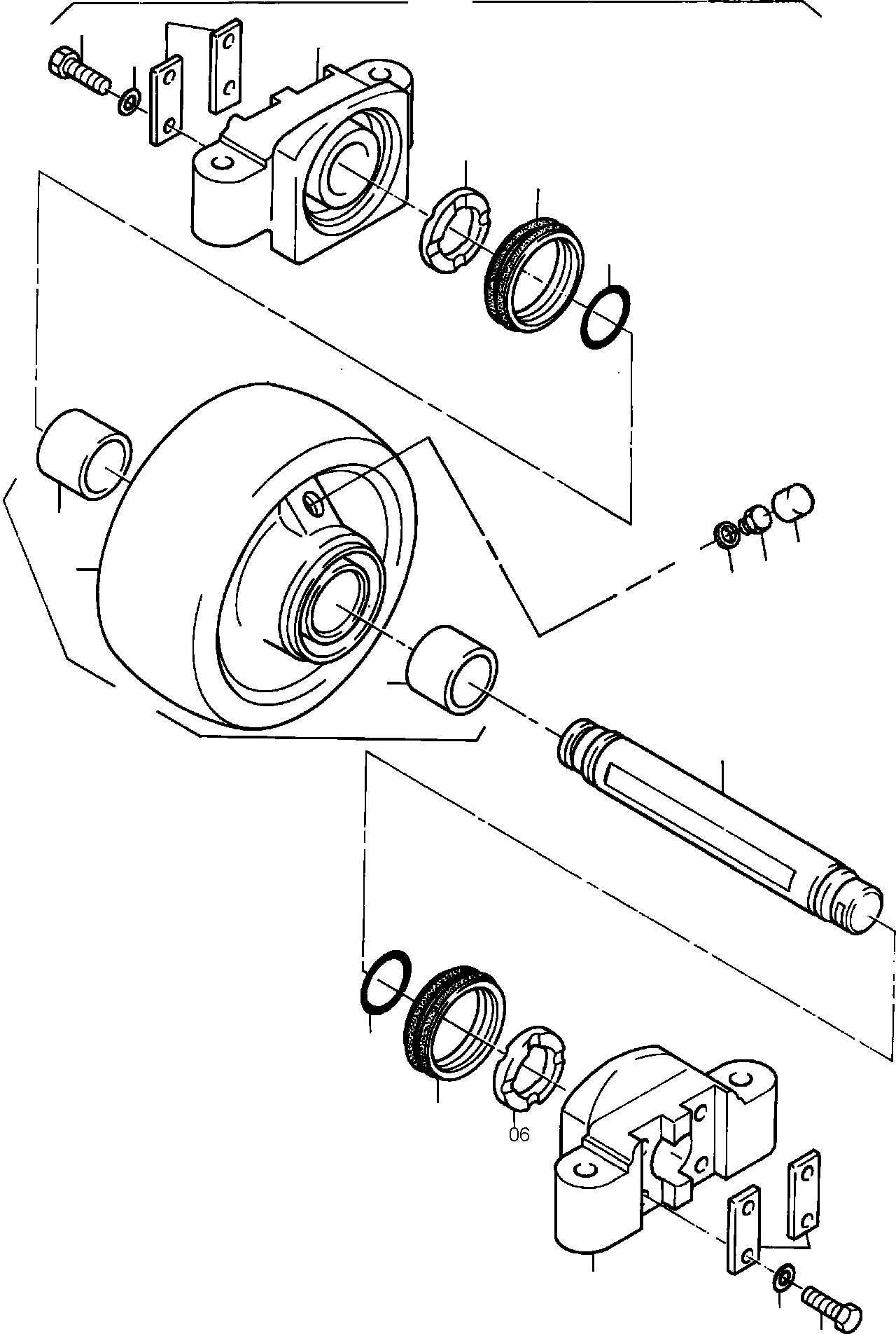
| ? | 938 795 40 | Top roller, assy. | 1 | EnglischBem: DeutschBem: DeutschDesc: Tragrolle, kpl. InternBDB: InternKon: SerienBem: Zwhead_Deu: Zwhead_Eng: |
|||
| ? | 307 587 99 | Bolt | 8 | EnglischBem: DeutschBem: DeutschDesc: Schraube InternBDB: InternKon: SerienBem: Zwhead_Deu: Zwhead_Eng: |
|||
| ? | 340 467 99 | Washer | 8 | EnglischBem: DeutschBem: DeutschDesc: Scheibe InternBDB: InternKon: SerienBem: Zwhead_Deu: Zwhead_Eng: |
|||
| ? | 313 337 40 | Axle stirrup | 4 | EnglischBem: DeutschBem: DeutschDesc: Achshalter InternBDB: InternKon: SerienBem: Zwhead_Deu: Zwhead_Eng: |
|||
| ? | 313 333 40 | Roller bearing | 2 | EnglischBem: DeutschBem: DeutschDesc: Rollenlager InternBDB: InternKon: SerienBem: Zwhead_Deu: Zwhead_Eng: |
|||
| ? | 313 335 40 | Stop washer | 2 | EnglischBem: DeutschBem: DeutschDesc: Anlaufscheibe InternBDB: InternKon: SerienBem: Zwhead_Deu: Zwhead_Eng: |
|||
| ? | 324 067 40 | Lifetime seal | 2 | EnglischBem: DeutschBem: DeutschDesc: Gleitringdichtung InternBDB: InternKon: SerienBem: Zwhead_Deu: Zwhead_Eng: |
|||
| ? | 502 869 98 | O-ring | 2 | EnglischBem: DeutschBem: DeutschDesc: O-Ring InternBDB: InternKon: SerienBem: Zwhead_Deu: Zwhead_Eng: |
|||
| ? | 938 794 40 | Top roller body with bush | 1 | EnglischBem: DeutschBem: DeutschDesc: Tragrollenkцrper mit Buchse InternBDB: InternKon: SerienBem: Zwhead_Deu: Zwhead_Eng: |
|||
| ? | 938 793 40 | Top roller body | 1 | EnglischBem: DeutschBem: DeutschDesc: Tragrollenkцrper InternBDB: InternKon: SerienBem: Zwhead_Deu: Zwhead_Eng: |
|||
| ? | 313 336 40 | Freeze-in bush | 2 | EnglischBem: DeutschBem: DeutschDesc: Frierbuchse InternBDB: InternKon: SerienBem: Zwhead_Deu: Zwhead_Eng: |
|||
| ? | 339 918 99 | Seal ring | 1 | EnglischBem: DeutschBem: DeutschDesc: Dichtring InternBDB: InternKon: SerienBem: Zwhead_Deu: Zwhead_Eng: |
|||
| ? | 349 989 99 | Plug | 1 | EnglischBem: DeutschBem: DeutschDesc: VerschluЯschraube InternBDB: InternKon: SerienBem: Zwhead_Deu: Zwhead_Eng: |
|||
| ? | 313 334 40 | Pin | 1 | EnglischBem: DeutschBem: DeutschDesc: Bolzen InternBDB: InternKon: SerienBem: Zwhead_Deu: Zwhead_Eng: |
|||
| ? | 323 806 40 | Plug | 1 | EnglischBem: DeutschBem: DeutschDesc: VerschluЯstopfen InternBDB: InternKon: SerienBem: Zwhead_Deu: Zwhead_Eng: |
|||
| ? | 694 484 | Seal kit fig-nos: 07,08,12 and 13 | 1 | EnglischBem: DeutschBem: DeutschDesc: Dichtsatz Bild-Nr. 07,08,12 u. 13 InternBDB: InternKon: SerienBem: Zwhead_Deu: Zwhead_Eng: |
|||
| ? | 002 018 99 | Top roller is filled with oil | A/R | EnglischBem: DeutschBem: DeutschDesc: Tragrolle ist цlgefьllt InternBDB: InternKon: SerienBem: Zwhead_Deu: Zwhead_Eng: |