k-part
Номер на схеме Каталожный номер Название Количество Детали
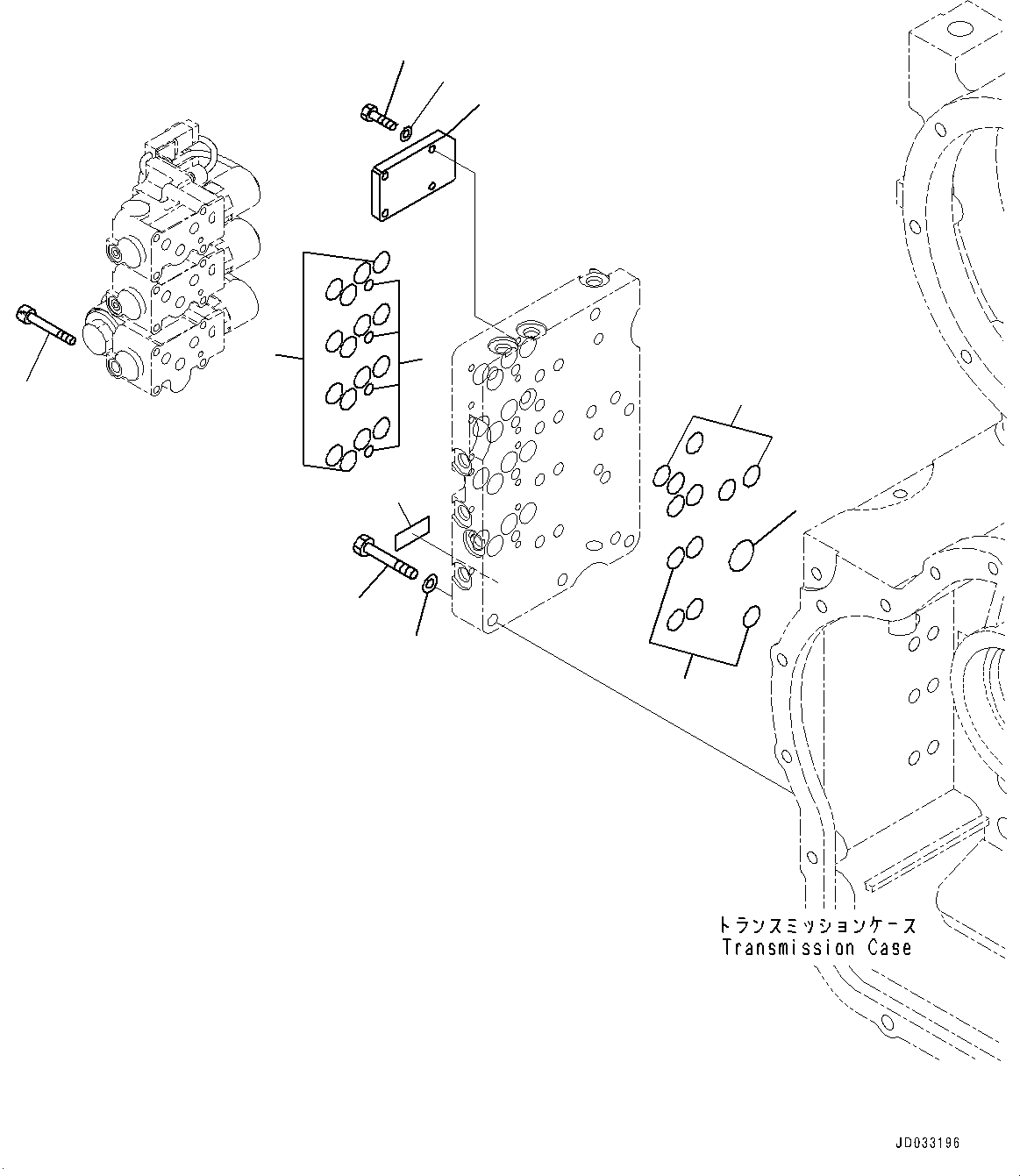
? 714-07-40002 Transmission Assembly 1
SN: 91576-
KIT-FLAG: _-
SCC:
SERIALNO: 91576-
? 714-07-40001 Transmission Assembly 1
SN: 90784-91575
KIT-FLAG: _-
SCC: A2
SERIALNO: 90784-91575
? 714-07-45201 • Valve Assembly 1
SN: (102086-
KIT-FLAG: _-
SCC:
SERIALNO: (102086)-
? 714-07-45200 • Valve Assembly 1
SN: 90216-(102085
KIT-FLAG: _-
SCC: A2
SERIALNO: 90216-(102085)
? 01252-A0650 • • Bolt, Hexagon Socket Head 12
SN: (102086-
KIT-FLAG: _-
SCC:
SERIALNO: (102086)-
? 01252-70650 • • Bolt, Hexagon Socket Head 12
SN: 90216-(102085
KIT-FLAG: _-
SCC: A2
SERIALNO: 90216-(102085)
? 714-07-45160 • • Cover 1
SN: 90216-
KIT-FLAG: _-
SCC:
SERIALNO: 90216-
? 01010-80620 • • Bolt 4
SN: 90216-
KIT-FLAG: _-
SCC:
SERIALNO: 90216-
? 01643-30623 • • Washer 4
SN: 90216-
KIT-FLAG: _-
SCC:
SERIALNO: 90216-
? 07000-72015 • • O-ring, (Kit : K04) 16
SN: 90216-
KIT-FLAG: _-
SCC:
SERIALNO: 90216-
? 07000-71007 • • O-ring, (Kit : K04) 4
SN: 90216-
KIT-FLAG: _-
SCC:
SERIALNO: 90216-
? (700-11-31980) • • Plate, Name (Limited Supply) 1
SN: 90216-
KIT-FLAG: _-
SCC: C2
SERIALNO: 90216-
? 07000-72015 • O-ring, (Kit : K04) 12
SN: 90216-
KIT-FLAG: _-
SCC:
SERIALNO: 90216-
? 07000-73022 • O-ring, (Kit : K04) 1
SN: 90216-
KIT-FLAG: _-
SCC:
SERIALNO: 90216-
? 01010-81055 • Bolt 6
SN: 90216-
KIT-FLAG: _-
SCC:
SERIALNO: 90216-
? 01643-31032 • Washer 6
SN: 90216-
KIT-FLAG: _-
SCC:
SERIALNO: 90216-

Wheel Loaders Komatsu / WA470-6 S/N 90216-UP(0000530c) / Torque Converter and Transmission, Control Valve (7/7) (#90216-)(F006017 : F4300-009013)
?
?
?
?
?
?
?
?
?
?
?
?