| Номер на схеме | Каталожный номер | Название | Количество | Детали | |||
|---|---|---|---|---|---|---|---|
| ? | 714-07-40002 | Transmission Assembly | 1 | SN: 91576- KIT-FLAG: _- SCC: SERIALNO: 91576- |
|||
| ? | 714-07-40001 | Transmission Assembly | 1 | SN: 90784-91575 KIT-FLAG: _- SCC: A2 SERIALNO: 90784-91575 |
|||
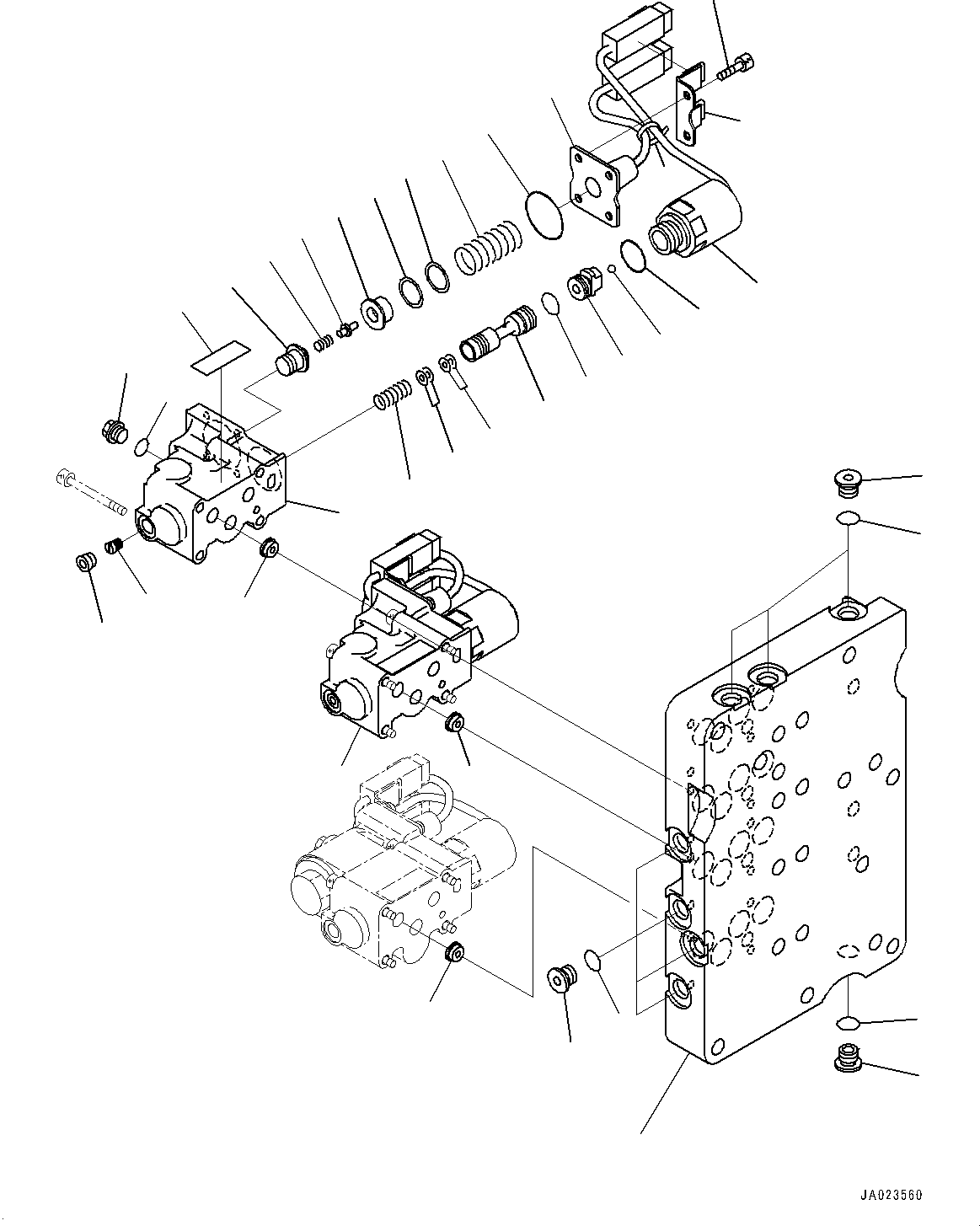
| ? | 714-07-45201 | • Valve Assembly | 1 | SN: (102086- KIT-FLAG: _- SCC: SERIALNO: (102086)- |
|||
| ? | 714-07-45121 | • • Seat, Valve | 1 | SN: 90216- KIT-FLAG: _- SCC: SERIALNO: 90216- |
|||
| ? | 708-7R-11220 | • • Plug | 8 | SN: 90216- KIT-FLAG: _- SCC: SERIALNO: 90216- |
|||
| ? | 07002-61223 | • • O-ring, (Kit : K04) | 8 | SN: 90216- KIT-FLAG: _- SCC: SERIALNO: 90216- |
|||
| ? | 714-07-35180 | • • Orifice | 3 | SN: 90216- KIT-FLAG: _- SCC: SERIALNO: 90216- |
|||
| ? | 56D-15-35702 | • • ECMV Assembly | 2 | SN: (102086- KIT-FLAG: _- SCC: SERIALNO: (102086)- |
|||
| ? | • • • Body | 1 | SN: 90216- KIT-FLAG: _- SCC: C1 SERIALNO: 90216- |
||||
| ? | • • • Solenoid Assembly | 1 | SN: 90901- KIT-FLAG: _- SCC: C1 SERIALNO: 90901- |
||||
| ? | • • • Valve | 1 | SN: 90216- KIT-FLAG: _- SCC: C1 SERIALNO: 90216- |
||||
| ? | • • • Ball | 1 | SN: 90216- KIT-FLAG: _- SCC: C1 SERIALNO: 90216- |
||||
| ? | • • • O-ring | 1 | SN: 90216- KIT-FLAG: _- SCC: C1 SERIALNO: 90216- |
||||
| ? | • • • O-ring | 1 | SN: 90216- KIT-FLAG: _- SCC: C1 SERIALNO: 90216- |
||||
| ? | • • • Spool | 1 | SN: 90216- KIT-FLAG: _- SCC: C1 SERIALNO: 90216- |
||||
| ? | • • • Spring, L=24.5mm | 1 | SN: 90216- KIT-FLAG: _- SCC: C1 SERIALNO: 90216- |
||||
| ? | • • • Shim, T=0.50mm | 3 | SN: 90216- KIT-FLAG: _- SCC: C1 SERIALNO: 90216- |
||||
| ? | • • • Shim, T=0.20mm | 3 | SN: 90216- KIT-FLAG: _- SCC: C1 SERIALNO: 90216- |
||||
| ? | • • • Plug | 1 | SN: 90216- KIT-FLAG: _- SCC: C1 SERIALNO: 90216- |
||||
| ? | • • • Switch Assembly, Clutch Oil Fill | 1 | SN: 90216- KIT-FLAG: _- SCC: C1 SERIALNO: 90216- |
||||
| ? | • • • Spring | 1 | SN: 90216- KIT-FLAG: _- SCC: C1 SERIALNO: 90216- |
||||
| ? | • • • Shim, T=0.50mm | 2 | SN: 90216- KIT-FLAG: _- SCC: C1 SERIALNO: 90216- |
||||
| ? | • • • Shim, T=0.20mm | 1 | SN: 90216- KIT-FLAG: _- SCC: C1 SERIALNO: 90216- |
||||
| ? | • • • Seat, Spring | 1 | SN: 90216- KIT-FLAG: _- SCC: C1 SERIALNO: 90216- |
||||
| ? | • • • Pin | 1 | SN: (102086- KIT-FLAG: _- SCC: C1 SERIALNO: (102086)- |
||||
| ? | • • • Spring, L=18.0mm | 1 | SN: (102086- KIT-FLAG: _- SCC: C1 SERIALNO: (102086)- |
||||
| ? | • • • Sleeve | 1 | SN: (102086- KIT-FLAG: _- SCC: C1 SERIALNO: (102086)- |
||||
| ? | 01252-90510 | • • • Bolt, Hexagon Socket Head | 4 | SN: 90901- KIT-FLAG: _- SCC: SERIALNO: 90901- |
|||
| ? | 714-23-15690 | • • • Bracket | 1 | SN: 90216- KIT-FLAG: _- SCC: SERIALNO: 90216- |
|||
| ? | • • • O-ring | 1 | SN: 90216- KIT-FLAG: _- SCC: C1 SERIALNO: 90216- |
||||
| ? | • • • Plug, Taper | 1 | SN: 90216- KIT-FLAG: _- SCC: C1 SERIALNO: 90216- |
||||
| ? | 708-8E-16150 | • • • Plug | 1 | SN: 90216- KIT-FLAG: _- SCC: SERIALNO: 90216- |
|||
| ? | 07002-61023 | • • • O-ring, (Kit : K04) | 1 | SN: 90216- KIT-FLAG: _- SCC: SERIALNO: 90216- |
|||
| ? | (700-11-31940) | • • • Plate, Name (Limited Supply) | 1 | SN: 90216- KIT-FLAG: _- SCC: C2 SERIALNO: 90216- |
|||
| ? | 08034-00310 | • • • Band, White | 1 | SN: 90216- KIT-FLAG: _- SCC: SERIALNO: 90216- |