k-part
Номер на схеме Каталожный номер Название Количество Детали
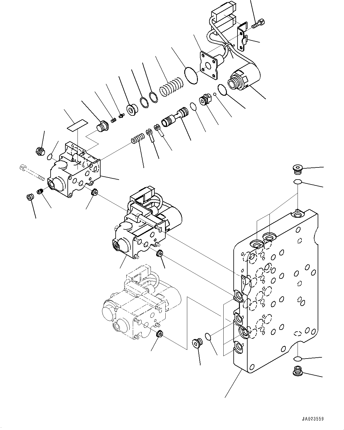
? 714-07-45201 Valve Assembly 1
SN: (102086-@
KIT-FLAG: _-
SCC:
SERIALNO: (102086)-@
? 714-07-45200 Valve Assembly 1
SN: 90216-(102085
KIT-FLAG: _-
SCC: A2
SERIALNO: 90216-(102085)
? 714-07-45121 • Seat, Valve 1
SN: 90216-@
KIT-FLAG: _-
SCC:
SERIALNO: 90216-@
? 708-7R-11220 • Plug 8
SN: 90216-@
KIT-FLAG: _-
SCC:
SERIALNO: 90216-@
? 07002-61223 • O-ring, (Kit : K04) 8
SN: 90216-@
KIT-FLAG: _-
SCC:
SERIALNO: 90216-@
? 714-07-35180 • Orifice 3
SN: 90216-@
KIT-FLAG: _-
SCC:
SERIALNO: 90216-@
? 56D-15-35702 • ECMV Assembly 2
SN: (102086-@
KIT-FLAG: _-
SCC:
SERIALNO: (102086)-@
? 56D-15-35701 • ECMV Assembly 2
SN: 91049-(102085
KIT-FLAG: _-
SCC: A2
SERIALNO: 91049-(102085)
? • • Body 1
SN: 90216-@
KIT-FLAG: _-
SCC: C1
SERIALNO: 90216-@
? • • Solenoid Assembly 1
SN: 90901-@
KIT-FLAG: _-
SCC: C1
SERIALNO: 90901-@
? • • Valve 1
SN: 90216-@
KIT-FLAG: _-
SCC: C1
SERIALNO: 90216-@
? • • Ball 1
SN: 90216-@
KIT-FLAG: _-
SCC: C1
SERIALNO: 90216-@
? • • O-ring 1
SN: 90216-@
KIT-FLAG: _-
SCC: C1
SERIALNO: 90216-@
? • • O-ring 1
SN: 90216-@
KIT-FLAG: _-
SCC: C1
SERIALNO: 90216-@
? • • Spool 1
SN: 90216-@
KIT-FLAG: _-
SCC: C1
SERIALNO: 90216-@
? • • Spring, L=24.5mm 1
SN: 90216-@
KIT-FLAG: _-
SCC: C1
SERIALNO: 90216-@
? • • Shim, T=0.50mm 3
SN: 90216-@
KIT-FLAG: _-
SCC: C1
SERIALNO: 90216-@
? • • Shim, T=0.20mm 3
SN: 90216-@
KIT-FLAG: _-
SCC: C1
SERIALNO: 90216-@
? • • Plug 1
SN: 90216-@
KIT-FLAG: _-
SCC: C1
SERIALNO: 90216-@
? • • Switch Assembly, Clutch Oil Fill 1
SN: 90216-@
KIT-FLAG: _-
SCC: C1
SERIALNO: 90216-@
? • • Spring 1
SN: 90216-@
KIT-FLAG: _-
SCC: C1
SERIALNO: 90216-@
? • • Shim, T=0.50mm 2
SN: 90216-@
KIT-FLAG: _-
SCC: C1
SERIALNO: 90216-@
? • • Shim, T=0.20mm 1
SN: 90216-@
KIT-FLAG: _-
SCC: C1
SERIALNO: 90216-@
? • • Seat, Spring 1
SN: 90216-@
KIT-FLAG: _-
SCC: C1
SERIALNO: 90216-@
? • • Pin 1
SN: 90216-(102085
KIT-FLAG: _-
SCC: C1
SERIALNO: 90216-(102085)
? • • Spring, L=18.0mm 1
SN: 90216-(102085
KIT-FLAG: _-
SCC: C1
SERIALNO: 90216-(102085)
? • • Sleeve 1
SN: 90216-(102085
KIT-FLAG: _-
SCC: C1
SERIALNO: 90216-(102085)
? 01252-90510 • • Bolt, Hexagon Socket Head 4
SN: 90901-@
KIT-FLAG: _-
SCC:
SERIALNO: 90901-@
? 714-23-15690 • • Bracket 1
SN: 90216-@
KIT-FLAG: _-
SCC:
SERIALNO: 90216-@
? • • O-ring 1
SN: 90216-@
KIT-FLAG: _-
SCC: C1
SERIALNO: 90216-@
? • • Plug, Taper 1
SN: 90216-@
KIT-FLAG: _-
SCC: C1
SERIALNO: 90216-@
? 708-8E-16150 • • Plug 1
SN: 90216-@
KIT-FLAG: _-
SCC:
SERIALNO: 90216-@
? 07002-61023 • • O-ring, (Kit : K04) 1
SN: 90216-@
KIT-FLAG: _-
SCC:
SERIALNO: 90216-@
? (700-11-31940) • • Plate, Name (Limited Supply) 1
SN: 90216-@
KIT-FLAG: _-
SCC: C2
SERIALNO: 90216-@
? • • Band, White 1
SN: 90216-@
KIT-FLAG: _-
SCC: C1
SERIALNO: 90216-@

Wheel Loaders Komatsu / WA470-6 S/N 90216-UP(0000530c) / Torque Converter and Transmission, Control Valve (5/7) (#90216-90783)(F006013 : F4300-009011)
?
?
?
?
?
?
?
?
?
?
?
?
?
?
?
?
?
?
?
?
?
?
?
?
?
?
?
?
?
?
?
?
?
?
?
?
?
?