| Номер на схеме | Каталожный номер | Название | Количество | Детали | |||
|---|---|---|---|---|---|---|---|
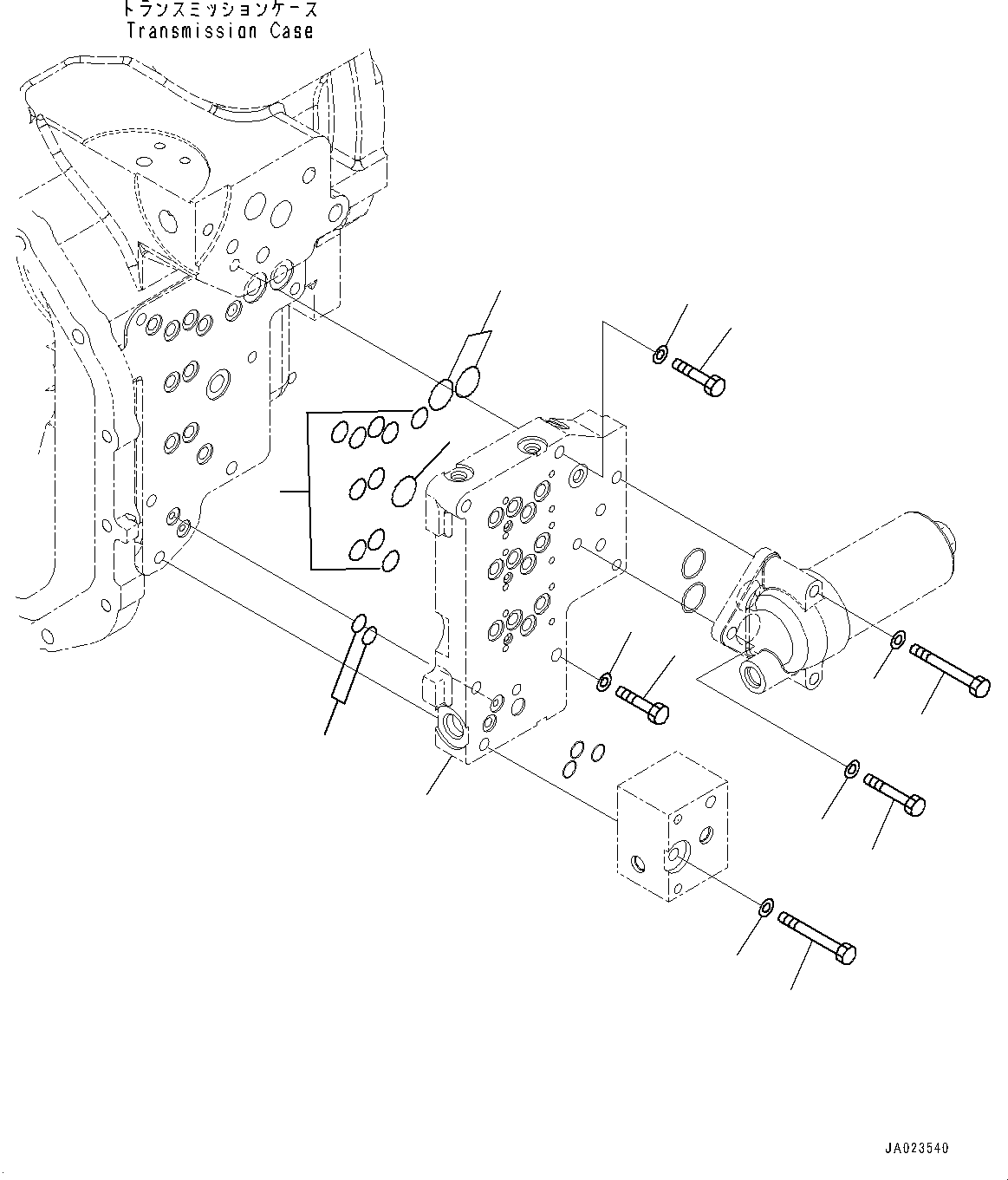
| ? | 714-07-40002 | Transmission Assembly | 1 | SN: 91576- KIT-FLAG: _- SCC: SERIALNO: 91576- |
|||
| ? | 714-07-40001 | Transmission Assembly | 1 | SN: 90784-91575 KIT-FLAG: _- SCC: A2 SERIALNO: 90784-91575 |
|||
| ? | 07000-72012 | • O-ring, (Kit : K04) | 2 | SN: 90216- KIT-FLAG: _- SCC: SERIALNO: 90216- |
|||
| ? | 07000-72015 | • O-ring, (Kit : K04) | 10 | SN: 90216- KIT-FLAG: _- SCC: SERIALNO: 90216- |
|||
| ? | 07000-73022 | • O-ring, (Kit : K04) | 3 | SN: 90216- KIT-FLAG: _- SCC: SERIALNO: 90216- |
|||
| ? | 01010-81055 | • Bolt | 4 | SN: 90216- KIT-FLAG: _- SCC: SERIALNO: 90216- |
|||
| ? | 01643-31032 | • Washer | 4 | SN: 90216- KIT-FLAG: _- SCC: SERIALNO: 90216- |
|||
| ? | 01010-81065 | • Bolt | 1 | SN: 90216- KIT-FLAG: _- SCC: SERIALNO: 90216- |
|||
| ? | 01643-31032 | • Washer | 1 | SN: 90216- KIT-FLAG: _- SCC: SERIALNO: 90216- |
|||
| ? | 01011-81020 | • Bolt | 1 | SN: 90216- KIT-FLAG: _- SCC: SERIALNO: 90216- |
|||
| ? | 01011-81010 | • Bolt | 1 | SN: 90216- KIT-FLAG: _- SCC: SERIALNO: 90216- |
|||
| ? | 01643-31032 | • Washer | 2 | SN: 90216- KIT-FLAG: _- SCC: SERIALNO: 90216- |
|||
| ? | (714-07-45112) | Seat, Valve | SN: - KIT-FLAG: _- SCC: SERIALNO: |
F4300-009007A |