| Наименование | Страница | Код страницы |
|---|---|---|
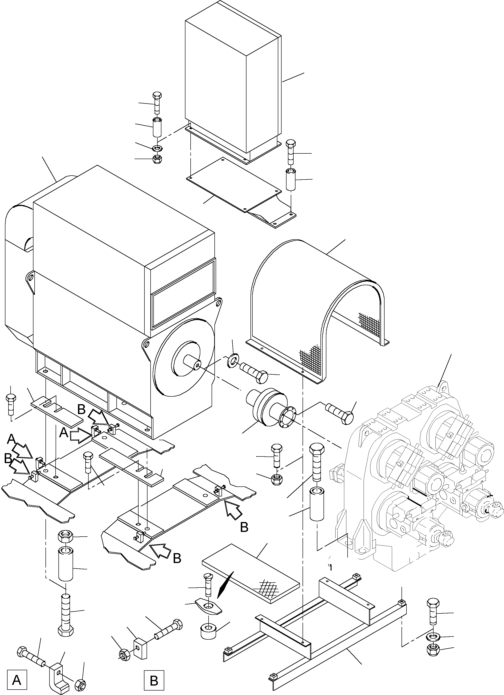
| Pump Distributor Gear | 991-0242b | 991-0242b |
| Coupling | 991-0427 | 991-0427 |
| Electric Motor | 991-0852 | 991-0852 |
| Номер на схеме | Каталожный номер | Название | Количество | Детали | |||
|---|---|---|---|---|---|---|---|
| ? | 924 374 40 | Washer | 2 | EnglischBem: DeutschBem: DeutschDesc: Scheibe InternBDB: InternKon: SerienBem: Zwhead_Deu: Zwhead_Eng: |
|||
| ? | 307 924 99 | Bolt | 2 | EnglischBem: DeutschBem: DeutschDesc: Schraube InternBDB: InternKon: SerienBem: Zwhead_Deu: Zwhead_Eng: |
|||
| ? | 917 912 40 | Air outlet | 2 | EnglischBem: DeutschBem: DeutschDesc: Ablufthutze InternBDB: InternKon: SerienBem: Zwhead_Deu: Zwhead_Eng: |
|||
| ? | 903 799 40 | Intake assy. | 2 | EnglischBem: DeutschBem: DeutschDesc: Ansaughutze kpl. InternBDB: InternKon: SerienBem: Zwhead_Deu: Zwhead_Eng: |
|||
| ? | 899 192 40 | Console | 2 | EnglischBem: DeutschBem: DeutschDesc: Konsole InternBDB: InternKon: SerienBem: Zwhead_Deu: Zwhead_Eng: |
|||
| ? | 937 880 40 | Protection casing | 2 | EnglischBem: DeutschBem: DeutschDesc: Schutzkasten InternBDB: InternKon: SerienBem: Zwhead_Deu: Zwhead_Eng: |
|||
| ? | 942 303 40 | Frame | 2 | EnglischBem: DeutschBem: DeutschDesc: Rahmen InternBDB: InternKon: SerienBem: Zwhead_Deu: Zwhead_Eng: |
|||
| ? | 902 272 40 | Shackle | 6 | EnglischBem: DeutschBem: DeutschDesc: Lasche InternBDB: InternKon: SerienBem: Zwhead_Deu: Zwhead_Eng: |
|||
| ? | 307 804 99 | Bolt | 104 | EnglischBem: DeutschBem: DeutschDesc: Schraube InternBDB: InternKon: SerienBem: Zwhead_Deu: Zwhead_Eng: |
|||
| ? | 334 600 99 | Nut | 128 | EnglischBem: DeutschBem: DeutschDesc: Mutter InternBDB: InternKon: SerienBem: Zwhead_Deu: Zwhead_Eng: |
|||
| ? | 903 781 40 | Plate | 4 | EnglischBem: DeutschBem: DeutschDesc: Platte InternBDB: InternKon: SerienBem: Zwhead_Deu: Zwhead_Eng: |
|||
| ? | 903 780 40 | Plate | 4 | EnglischBem: DeutschBem: DeutschDesc: Platte InternBDB: InternKon: SerienBem: Zwhead_Deu: Zwhead_Eng: |
|||
| ? | 903 779 40 | Spanner | 8 | EnglischBem: DeutschBem: DeutschDesc: Spannstьck InternBDB: InternKon: SerienBem: Zwhead_Deu: Zwhead_Eng: |
|||
| ? | 936 811 40 | Spanner | 4 | EnglischBem: DeutschBem: DeutschDesc: Spannstьck InternBDB: InternKon: SerienBem: Zwhead_Deu: Zwhead_Eng: |
|||
| ? | 501 688 98 | Bolt | 8 | EnglischBem: DeutschBem: DeutschDesc: Schraube InternBDB: InternKon: SerienBem: Zwhead_Deu: Zwhead_Eng: |
|||
| ? | 504 859 98 | Bolt | 12 | EnglischBem: DeutschBem: DeutschDesc: Schraube InternBDB: InternKon: SerienBem: Zwhead_Deu: Zwhead_Eng: |
|||
| ? | 510 749 98 | Bolt | 16 | EnglischBem: DeutschBem: DeutschDesc: Schraube InternBDB: InternKon: SerienBem: Zwhead_Deu: Zwhead_Eng: |
|||
| ? | 308 610 99 | Bolt | 8 | EnglischBem: DeutschBem: DeutschDesc: Schraube InternBDB: InternKon: SerienBem: Zwhead_Deu: Zwhead_Eng: |
|||
| ? | 502 879 98 | Bolt | 24 | EnglischBem: DeutschBem: DeutschDesc: Schraube InternBDB: InternKon: SerienBem: Zwhead_Deu: Zwhead_Eng: |
|||
| ? | 511 766 98 | Resilient sleeve 37/65x90 | 8 | EnglischBem: DeutschBem: DeutschDesc: Dehnhьlse 37/65x90 InternBDB: InternKon: SerienBem: Zwhead_Deu: Zwhead_Eng: |
|||
| ? | 510 733 98 | Resilient sleeve 17/30x50 | 8 | EnglischBem: DeutschBem: DeutschDesc: Dehnhьlse 17/30x50 InternBDB: InternKon: SerienBem: Zwhead_Deu: Zwhead_Eng: |
|||
| ? | 510 745 98 | Resilient sleeve 13/25x40 | 8 | EnglischBem: DeutschBem: DeutschDesc: Dehnhьlse 13/25x40 InternBDB: InternKon: SerienBem: Zwhead_Deu: Zwhead_Eng: |
|||
| ? | 332 369 99 | Nut | 8 | EnglischBem: DeutschBem: DeutschDesc: Mutter InternBDB: InternKon: SerienBem: Zwhead_Deu: Zwhead_Eng: |
|||
| ? | 332 338 99 | Nut | 12 | EnglischBem: DeutschBem: DeutschDesc: Mutter InternBDB: InternKon: SerienBem: Zwhead_Deu: Zwhead_Eng: |
|||
| ? | 334 601 99 | Nut | 8 | EnglischBem: DeutschBem: DeutschDesc: Mutter InternBDB: InternKon: SerienBem: Zwhead_Deu: Zwhead_Eng: |
|||
| ? | 332 334 99 | Nut | 8 | EnglischBem: DeutschBem: DeutschDesc: Mutter InternBDB: InternKon: SerienBem: Zwhead_Deu: Zwhead_Eng: |
|||
| ? | 340 510 99 | Washer | 8 | EnglischBem: DeutschBem: DeutschDesc: Scheibe InternBDB: InternKon: SerienBem: Zwhead_Deu: Zwhead_Eng: |
|||
| ? | 316 216 99 | Washer | 8 | EnglischBem: DeutschBem: DeutschDesc: Scheibe InternBDB: InternKon: SerienBem: Zwhead_Deu: Zwhead_Eng: |
|||
| ? | 506 129 98 | Washer | 24 | EnglischBem: DeutschBem: DeutschDesc: Scheibe InternBDB: InternKon: SerienBem: Zwhead_Deu: Zwhead_Eng: |
|||
| ? | 307 582 99 | Bolt | 8 | EnglischBem: DeutschBem: DeutschDesc: Schraube InternBDB: InternKon: SerienBem: Zwhead_Deu: Zwhead_Eng: |
|||
| ? | 283 222 40 | Moulding material 40x1900 | 2 | EnglischBem: DeutschBem: DeutschDesc: Zellkautschuk 40x1900 InternBDB: InternKon: SerienBem: Zwhead_Deu: Zwhead_Eng: |
|||
| ? | 607 619 40 | Moudling material 40x2200 | 2 | EnglischBem: DeutschBem: DeutschDesc: Zellkautschuk 40x2200 InternBDB: InternKon: SerienBem: Zwhead_Deu: Zwhead_Eng: |
|||
| ? | 623 505 40 | Moulding material 40x635 | 4 | EnglischBem: DeutschBem: DeutschDesc: Zellkautschuk 40x635 InternBDB: InternKon: SerienBem: Zwhead_Deu: Zwhead_Eng: |
|||
| ? | 903 777 40 | Grating | 2 | EnglischBem: DeutschBem: DeutschDesc: Gitterrost InternBDB: InternKon: SerienBem: Zwhead_Deu: Zwhead_Eng: |
|||
| ? | 270 187 40 | Grating 40x480x1500 | 4 | EnglischBem: DeutschBem: DeutschDesc: Gitterrost 40x480x1500 InternBDB: InternKon: SerienBem: Zwhead_Deu: Zwhead_Eng: |
|||
| ? | 324 541 40 | Grating 40x360x840 | 4 | EnglischBem: DeutschBem: DeutschDesc: Gitterrost 40x360x840 InternBDB: InternKon: SerienBem: Zwhead_Deu: Zwhead_Eng: |
|||
| ? | 317 312 40 | Grating 40x300x660 | 2 | EnglischBem: DeutschBem: DeutschDesc: Gitterrost 40x300x660 InternBDB: InternKon: SerienBem: Zwhead_Deu: Zwhead_Eng: |
|||
| ? | 502 354 98 | Bolt | 24 | EnglischBem: DeutschBem: DeutschDesc: Schraube InternBDB: InternKon: SerienBem: Zwhead_Deu: Zwhead_Eng: |
|||
| ? | 307 576 99 | Bolt | 12 | EnglischBem: DeutschBem: DeutschDesc: Schraube InternBDB: InternKon: SerienBem: Zwhead_Deu: Zwhead_Eng: |
|||
| ? | 317 318 40 | Wing nut, plastic | 24 | EnglischBem: DeutschBem: DeutschDesc: Kunststoffolive InternBDB: InternKon: SerienBem: Zwhead_Deu: Zwhead_Eng: |
|||
| ? | 317 319 40 | Threaded block | 24 | EnglischBem: DeutschBem: DeutschDesc: Gewindeklotz InternBDB: InternKon: SerienBem: Zwhead_Deu: Zwhead_Eng: |
|||
| ? | 903 797 40 | Intake | 1 | EnglischBem: DeutschBem: DeutschDesc: Ansaughutze InternBDB: InternKon: SerienBem: Zwhead_Deu: Zwhead_Eng: |
|||
| ? | 903 798 40 | Bore plate | 1 | EnglischBem: DeutschBem: DeutschDesc: Lochplatte InternBDB: InternKon: SerienBem: Zwhead_Deu: Zwhead_Eng: |
|||
| ? | 507 488 98 | Thread pin | 8 | EnglischBem: DeutschBem: DeutschDesc: Gewindebolzen InternBDB: InternKon: SerienBem: Zwhead_Deu: Zwhead_Eng: |
|||
| ? | 341 337 99 | Washer | 8 | EnglischBem: DeutschBem: DeutschDesc: Scheibe InternBDB: InternKon: SerienBem: Zwhead_Deu: Zwhead_Eng: |
|||
| ? | 507 037 98 | Nut | 8 | EnglischBem: DeutschBem: DeutschDesc: Mutter InternBDB: InternKon: SerienBem: Zwhead_Deu: Zwhead_Eng: |
|||
| ? | 501 130 98 | Bolt | 12 | EnglischBem: DeutschBem: DeutschDesc: Schraube InternBDB: InternKon: SerienBem: Zwhead_Deu: Zwhead_Eng: |
|||
| ? | 510 726 98 | Resilient sleeve 31/60x75 | 12 | EnglischBem: DeutschBem: DeutschDesc: Dehnhьlse 31/60x75 InternBDB: InternKon: SerienBem: Zwhead_Deu: Zwhead_Eng: |
|||
| ? | 334 599 99 | Nut | 12 | EnglischBem: DeutschBem: DeutschDesc: Mutter InternBDB: InternKon: SerienBem: Zwhead_Deu: Zwhead_Eng: |
|||
| ? | 340 654 99 | Washer | 12 | EnglischBem: DeutschBem: DeutschDesc: Scheibe InternBDB: InternKon: SerienBem: Zwhead_Deu: Zwhead_Eng: |
|||
| ? | 534 058 99 | Bolt | A/R | EnglischBem: DeutschBem: DeutschDesc: Schraube InternBDB: InternKon: SerienBem: Zwhead_Deu: Zwhead_Eng: |
|||
| ? | 346 516 40 | Grating 40x180x510 | 2 | EnglischBem: DeutschBem: DeutschDesc: Gitterrost 40x180x510 InternBDB: InternKon: SerienBem: Zwhead_Deu: Zwhead_Eng: |
|||
| ? | 905 444 40 | Grating | 1 | EnglischBem: DeutschBem: DeutschDesc: Gitterrost InternBDB: InternKon: SerienBem: Zwhead_Deu: Zwhead_Eng: |
|||
| ? | 905 445 40 | Grating | 1 | EnglischBem: DeutschBem: DeutschDesc: Gitterrost InternBDB: InternKon: SerienBem: Zwhead_Deu: Zwhead_Eng: |
|||
| ? | 321 803 99 | Nut | 16 | EnglischBem: DeutschBem: DeutschDesc: Mutter InternBDB: InternKon: SerienBem: Zwhead_Deu: Zwhead_Eng: |