| Номер на схеме | Каталожный номер | Название | Количество | Детали | |||
|---|---|---|---|---|---|---|---|
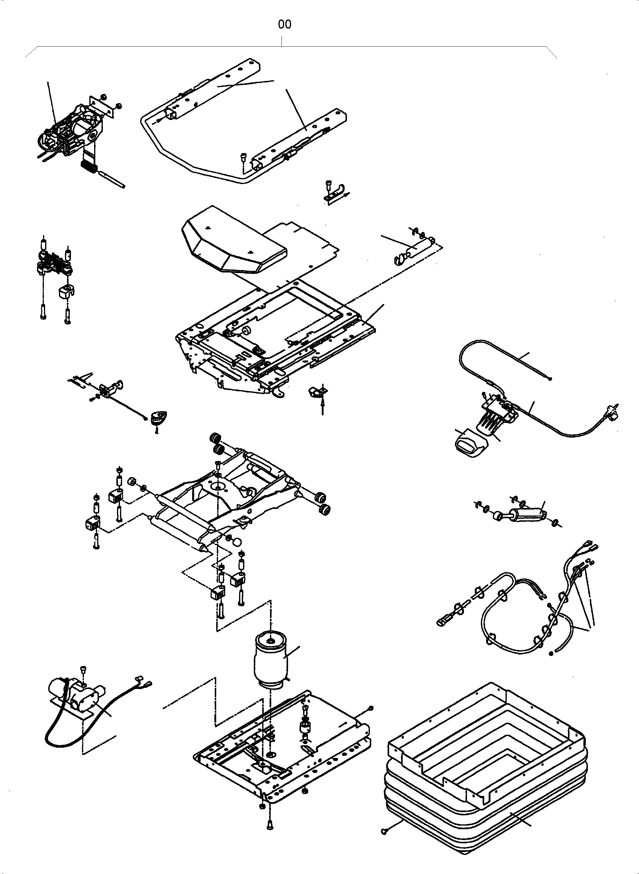
| ? | 795 513 73 | Air Suspension assy. | 1 | EnglischBem: DeutschBem: DeutschDesc: Luftfederung kpl. InternBDB: 140769 InternKon: SerienBem: Zwhead_Deu: Zwhead_Eng: |
|||
| ? | 768 681 73 | Level control assy. | 1 | EnglischBem: DeutschBem: DeutschDesc: Niveausteuerung kpl. InternBDB: 134 963 InternKon: 991-0330 / 1 SerienBem: Zwhead_Deu: Zwhead_Eng: |
|||
| ? | 780 697 73 | Shock absorber assy. | 1 | EnglischBem: DeutschBem: DeutschDesc: StoЯdдmpfer kpl. InternBDB: 130 600 InternKon: 991-0330 / 6 SerienBem: Zwhead_Deu: Zwhead_Eng: |
|||
| ? | 768 682 73 | Suspension, upper section | 1 | EnglischBem: DeutschBem: DeutschDesc: Federungs-Oberteil kpl. InternBDB: 139 617 InternKon: 991-0330 / 8 SerienBem: Zwhead_Deu: Zwhead_Eng: |
|||
| ? | 780 702 73 | Bowden cable | 1 | EnglischBem: DeutschBem: DeutschDesc: Bowdenzug InternBDB: 132 931 InternKon: 991-0330 / 26 SerienBem: Zwhead_Deu: Zwhead_Eng: |
|||
| ? | 780 703 73 | Bowden cable | 1 | EnglischBem: DeutschBem: DeutschDesc: Bowdenzug InternBDB: 132 932 InternKon: 991-0330 / 27 SerienBem: Zwhead_Deu: Zwhead_Eng: |
|||
| ? | 780 704 73 | Control assy. for height adjustment | 1 | EnglischBem: DeutschBem: DeutschDesc: Betдtigung fьr Hцhenver- stellung kpl. InternBDB: 131 834 InternKon: 991-0330 / 29 SerienBem: Zwhead_Deu: Zwhead_Eng: |
|||
| ? | 768 683 73 | Cap | 1 | EnglischBem: DeutschBem: DeutschDesc: Kappe InternBDB: 138 628 InternKon: 991-0330 / 30 SerienBem: Zwhead_Deu: Zwhead_Eng: |
|||
| ? | 769 503 73 | Pneumatic spring assy. | 1 | EnglischBem: DeutschBem: DeutschDesc: Luftfeder kpl. InternBDB: 138 900 InternKon: 991-0330 / 52 SerienBem: Zwhead_Deu: Zwhead_Eng: |
|||
| ? | 780 714 73 | Compressor assy. 24 V | 1 | EnglischBem: DeutschBem: DeutschDesc: Kompressor kpl. 24 V InternBDB: 132 933 InternKon: 991-0330 / 56 SerienBem: Zwhead_Deu: Zwhead_Eng: |
|||
| ? | 780 716 73 | Air hose | 1 | EnglischBem: DeutschBem: DeutschDesc: Luftschlauch kpl. InternBDB: 130 593 InternKon: 991-0330 / 60 SerienBem: Zwhead_Deu: Zwhead_Eng: |
|||
| ? | 768 684 73 | Bellow | 1 | EnglischBem: DeutschBem: DeutschDesc: Faltenbalg kpl. InternBDB: 134 093 InternKon: 991-0330 / 69 SerienBem: Zwhead_Deu: Zwhead_Eng: |
|||
| ? | 769 203 73 | Shock absorber assy. | 1 | EnglischBem: DeutschBem: DeutschDesc: StoЯdдmpfer kpl. InternBDB: 132 708 InternKon: 991-0330 / 17 SerienBem: Zwhead_Deu: Zwhead_Eng: |
|||
| ? | 769 504 73 | Adjusting rail set | 1 | EnglischBem: DeutschBem: DeutschDesc: Verstellschienensatz InternBDB: 140 991 InternKon: 991-0330 / 9 SerienBem: Zwhead_Deu: Zwhead_Eng: |