| Наименование | Страница | Код страницы |
|---|---|---|
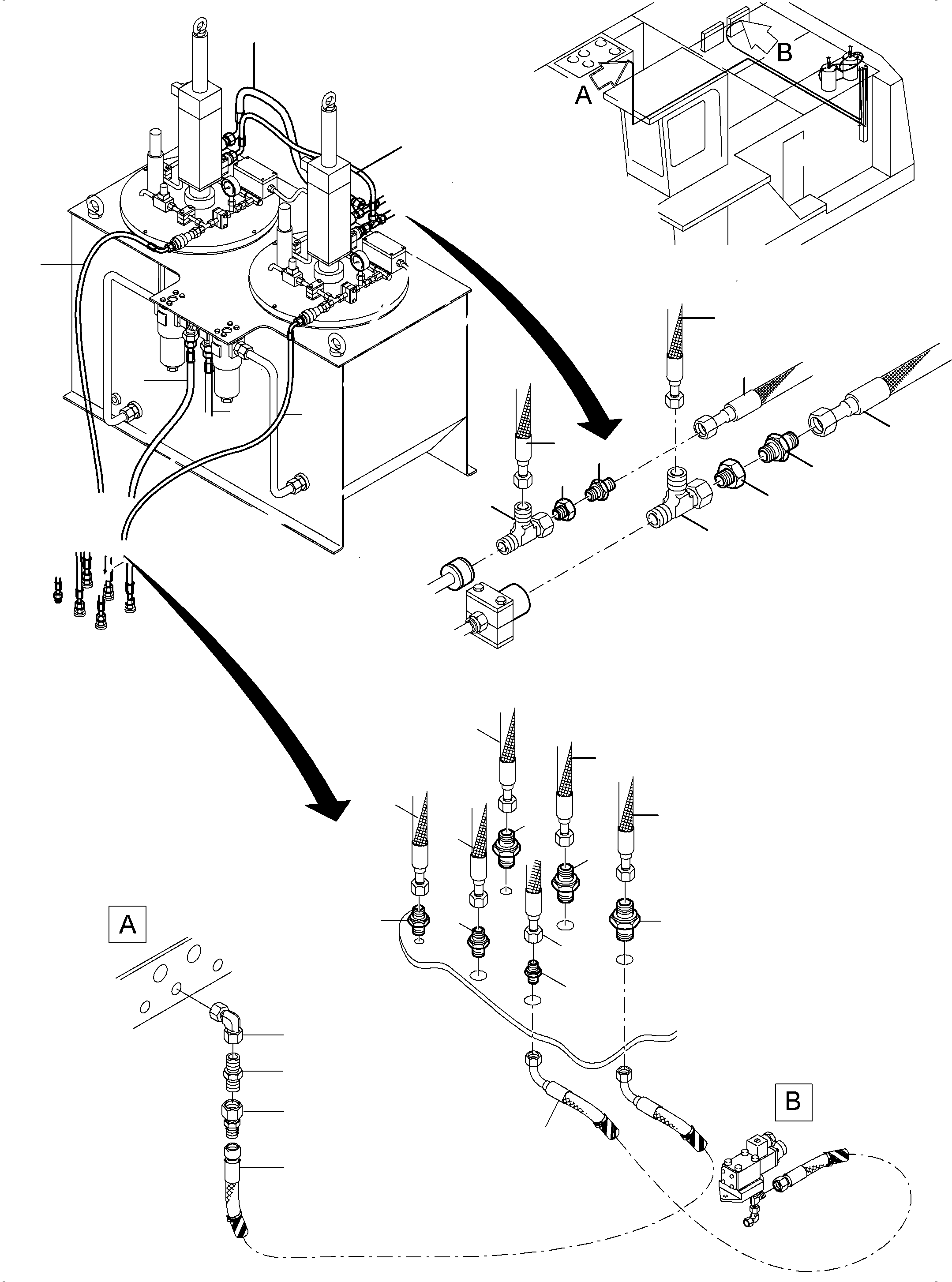
| Pressure Filter | 090-3139 | 090-3139 |
| Lube Pump Station | 991-0553e | 991-0553e |
| Номер на схеме | Каталожный номер | Название | Количество | Детали | |||
|---|---|---|---|---|---|---|---|
| ? | 915 680 40 | Grease barrel | 1 | EnglischBem: DeutschBem: DeutschDesc: Fettbehдlter InternBDB: InternKon: 915 682 40 / 1 SerienBem: Zwhead_Deu: Zwhead_Eng: |
|||
| ? | 516 322 98 | Non-return valve | 2 | EnglischBem: DeutschBem: DeutschDesc: Rьckschlagventil InternBDB: RHV 18-PLR-ED InternKon: 915 682 40 / 4 SerienBem: Zwhead_Deu: Zwhead_Eng: |
|||
| ? | 308 578 99 | Bolt | 8 | EnglischBem: DeutschBem: DeutschDesc: Schraube InternBDB: M10x55 /931 InternKon: 915 682 40 / 9 SerienBem: Zwhead_Deu: Zwhead_Eng: |
|||
| ? | 510 746 98 | Resilient sleeve | 8 | EnglischBem: DeutschBem: DeutschDesc: Dehnhьlse InternBDB: InternKon: 915 682 40 / 10 SerienBem: Zwhead_Deu: Zwhead_Eng: |
|||
| ? | 307 757 99 | Bolt | 8 | EnglischBem: DeutschBem: DeutschDesc: Schraube InternBDB: M8x35 /933 InternKon: 915 682 40 / 11 SerienBem: Zwhead_Deu: Zwhead_Eng: |
|||
| ? | 340 464 99 | Washer | 8 | EnglischBem: DeutschBem: DeutschDesc: Scheibe InternBDB: 8,4 /125 InternKon: 915 682 40 / 12 SerienBem: Zwhead_Deu: Zwhead_Eng: |
|||
| ? | 374 412 99 | Socket | 2 | EnglischBem: DeutschBem: DeutschDesc: Stutzen InternBDB: S 30 E-G 1 1/4 InternKon: 915 682 40 / 13 SerienBem: Zwhead_Deu: Zwhead_Eng: |
|||
| ? | 371 265 99 | Union | 4 | EnglischBem: DeutschBem: DeutschDesc: Ueberwurf InternBDB: AS 30 /3870 InternKon: 915 682 40 / 14 SerienBem: Zwhead_Deu: Zwhead_Eng: |
|||
| ? | 906 352 40 | Olive | 4 | EnglischBem: DeutschBem: DeutschDesc: Schneidring InternBDB: ES-4 S 30 InternKon: 915 682 40 / 15 SerienBem: Zwhead_Deu: Zwhead_Eng: |
|||
| ? | 374 410 99 | Socket | 2 | EnglischBem: DeutschBem: DeutschDesc: Stutzen InternBDB: S 30 E-M /3901 InternKon: 915 682 40 / 16 SerienBem: Zwhead_Deu: Zwhead_Eng: |
|||
| ? | 928 707 40 | Pipe Ш 30 | 1 | EnglischBem: DeutschBem: DeutschDesc: Rohrleitung Ш 30 InternBDB: 30x4/2391 InternKon: 915 682 40 / 17 SerienBem: Zwhead_Deu: Zwhead_Eng: |
|||
| ? | 928 708 40 | Pipe Ш 30 | 1 | EnglischBem: DeutschBem: DeutschDesc: Rohrleitung Ш 30 InternBDB: 30x4/2391 InternKon: 915 682 40 / 18 SerienBem: Zwhead_Deu: Zwhead_Eng: |
|||
| ? | 308 321 99 | Bolt | 8 | EnglischBem: DeutschBem: DeutschDesc: Schraube InternBDB: M16x90 /931 10.9 InternKon: 918 816 40 / 4 SerienBem: Zwhead_Deu: Zwhead_Eng: |
|||
| ? | 510 729 98 | Resilient sleeve | 8 | EnglischBem: DeutschBem: DeutschDesc: Dehnhьlse InternBDB: InternKon: 918 816 40 / 5 SerienBem: Zwhead_Deu: Zwhead_Eng: |
|||
| ? | 332 355 99 | Nut | 8 | EnglischBem: DeutschBem: DeutschDesc: Mutter InternBDB: M 16 /934 InternKon: 918 816 40 / 6 SerienBem: Zwhead_Deu: Zwhead_Eng: |
|||
| ? | 516 616 98 | Socket | 2 | EnglischBem: DeutschBem: DeutschDesc: Stutzen InternBDB: RI E 1 1/4 A x 3/4 InternKon: 918 816 40 / 12 SerienBem: Zwhead_Deu: Zwhead_Eng: |
|||
| ? | 907 051 40 | Union | 2 | EnglischBem: DeutschBem: DeutschDesc: Verschraubung InternBDB: Voss 22-LR /OMD InternKon: 918 816 40 / 13 SerienBem: Zwhead_Deu: Zwhead_Eng: |
|||
| ? | 513 495 98 | Hose assy. DN 20x1630 | 2 | EnglischBem: DeutschBem: DeutschDesc: Schlauchleitung DN 20x1630 InternBDB: DOL 22 /DOL 22 InternKon: 918 816 40 / 7 SerienBem: Zwhead_Deu: Zwhead_Eng: |
|||
| ? | 512 715 98 | Hose assy. DN 08x1200 | 1 | EnglischBem: DeutschBem: DeutschDesc: Schlauchleitung DN 08x1200 InternBDB: DOL 10 /DOL 10-90 InternKon: 915 682 40 / 5 SerienBem: Zwhead_Deu: Zwhead_Eng: |
|||
| ? | 512 938 98 | Hose assy. DN 12x1200 | 1 | EnglischBem: DeutschBem: DeutschDesc: Schlauchleitung DN 12x1200 InternBDB: DOL 15 /DOL 15-90 InternKon: 915 682 40 / 6 SerienBem: Zwhead_Deu: Zwhead_Eng: |
|||
| ? | 516 173 98 | Socket | 1 | EnglischBem: DeutschBem: DeutschDesc: Stutzen InternBDB: L 10 /3944 InternKon: 915 682 40 / 7 SerienBem: Zwhead_Deu: Zwhead_Eng: |
|||
| ? | 516 175 98 | Socket | 1 | EnglischBem: DeutschBem: DeutschDesc: Stutzen InternBDB: SWRT-L15iso 08434 InternKon: 915 682 40 / 8 SerienBem: Zwhead_Deu: Zwhead_Eng: |
|||
| ? | 515 765 98 | Socket | 1 | EnglischBem: DeutschBem: DeutschDesc: Stutzen InternBDB: GZR 12/10-PL InternKon: 918 816 40 / 14 SerienBem: Zwhead_Deu: Zwhead_Eng: |
|||
| ? | 510 537 98 | Socket | 1 | EnglischBem: DeutschBem: DeutschDesc: Stutzen InternBDB: L 12 /3905 InternKon: 918 816 40 / 15 SerienBem: Zwhead_Deu: Zwhead_Eng: |
|||
| ? | 515 862 98 | Socket | 1 | EnglischBem: DeutschBem: DeutschDesc: Stutzen InternBDB: GZR 22/15-PL InternKon: 918 816 40 / 17 SerienBem: Zwhead_Deu: Zwhead_Eng: |
|||
| ? | 516 824 98 | Union | 1 | EnglischBem: DeutschBem: DeutschDesc: Verschraubung InternBDB: E-L 22 /ISO 8434 InternKon: 918 816 40 / 16 SerienBem: Zwhead_Deu: Zwhead_Eng: |
|||
| ? | 515 570 98 | Hose assy. DN 10x2500 | 1 | EnglischBem: DeutschBem: DeutschDesc: Schlauchleitung DN 10x2500 InternBDB: DOL 12 /DOL 12 InternKon: 918 816 40 / 8 SerienBem: Zwhead_Deu: Zwhead_Eng: |
|||
| ? | 168 491 40 | Hose assy. DN 20x2500 | 1 | EnglischBem: DeutschBem: DeutschDesc: Schlauchleitung DN 20x2500 InternBDB: DOL 22 /DOL 22 InternKon: 918 816 40 / 11 SerienBem: Zwhead_Deu: Zwhead_Eng: |
|||
| ? | 255 400 40 | Hose assy. DN 20x1500 | 1 | EnglischBem: DeutschBem: DeutschDesc: Schlauchleitung DN 20x1500 InternBDB: DOS 25 /DOS 25 InternKon: 918 816 40 / 9 SerienBem: Zwhead_Deu: Zwhead_Eng: |
|||
| ? | 641 482 40 | Hose assy. DN 20x2230 | 1 | EnglischBem: DeutschBem: DeutschDesc: Schlauchleitung DN 20x2230 InternBDB: DOS 25 /DOS 25 InternKon: 918 816 40 / 10 SerienBem: Zwhead_Deu: Zwhead_Eng: |
|||
| ? | 518 206 98 | Hose assy., with fire protection coating DN 20x13300 | 1 | EnglischBem: DeutschBem: DeutschDesc: Schlauchleitung, mit Feuerschutzmantel DN 20x13300 InternBDB: DOL 22 /DOL 22-90 InternKon: 912 736 40 / 2 SerienBem: Zwhead_Deu: Zwhead_Eng: |
|||
| ? | 518 239 98 | Hose assy., with fire protection coating DN 10x 9000 | 1 | EnglischBem: DeutschBem: DeutschDesc: Schlauchleitung, mit Feuerschutzmantel DN 10x 9000 InternBDB: DOL 12 /DOL 12-90 InternKon: 912 736 40 / 1 SerienBem: Zwhead_Deu: Zwhead_Eng: |
|||
| ? | 516 161 98 | Socket | 1 | EnglischBem: DeutschBem: DeutschDesc: Stutzen InternBDB: L28/3942 InternKon: 912 736 40 / 20 SerienBem: Zwhead_Deu: Zwhead_Eng: |
|||
| ? | 374 431 99 | Socket | 1 | EnglischBem: DeutschBem: DeutschDesc: Stutzen InternBDB: L28E-M/3901 InternKon: 912 736 40 / 18 SerienBem: Zwhead_Deu: Zwhead_Eng: |
|||
| ? | 551 345 40 | Union | 1 | EnglischBem: DeutschBem: DeutschDesc: Verschraubung InternBDB: Red 28/22-PL/OMD InternKon: 912 736 40 / 19 SerienBem: Zwhead_Deu: Zwhead_Eng: |
|||
| ? | 516 618 98 | Union | 3 | EnglischBem: DeutschBem: DeutschDesc: Verschraubung InternBDB: BH-L 22 ISO 8434 InternKon: 918 816 40 / 18 SerienBem: Zwhead_Deu: Zwhead_Eng: |
|||
| ? | 506 954 98 | Nut | 3 | EnglischBem: DeutschBem: DeutschDesc: Mutter InternBDB: M30x2 /80705 InternKon: 918 816 40 / 19 SerienBem: Zwhead_Deu: Zwhead_Eng: |
|||
| ? | 513 144 98 | Socket | 1 | EnglischBem: DeutschBem: DeutschDesc: Stutzen InternBDB: L 12 /3910 InternKon: 918 816 40 / 20 SerienBem: Zwhead_Deu: Zwhead_Eng: |
|||
| ? | 509 267 98 | Nut | 1 | EnglischBem: DeutschBem: DeutschDesc: Mutter InternBDB: M18x1,5 /80705 InternKon: 918 816 40 / 21 SerienBem: Zwhead_Deu: Zwhead_Eng: |
|||
| ? | 516 615 98 | Union | 2 | EnglischBem: DeutschBem: DeutschDesc: Verschraubung InternBDB: BH-S 25 ISO 8434 InternKon: 918 816 40 / 22 SerienBem: Zwhead_Deu: Zwhead_Eng: |
|||
| ? | 509 272 98 | Nut | 2 | EnglischBem: DeutschBem: DeutschDesc: Mutter InternBDB: M36x2 /80705 InternKon: 918 816 40 / 23 SerienBem: Zwhead_Deu: Zwhead_Eng: |
|||
| ? | 516 181 99 | Socket | 2 | EnglischBem: DeutschBem: DeutschDesc: Stutzen InternBDB: SWRT-S30 ISO 08434 InternKon: 915 682 40 / 23 SerienBem: Zwhead_Deu: Zwhead_Eng: |
|||
| ? | 515 224 98 | Union | 2 | EnglischBem: DeutschBem: DeutschDesc: Verschraubung InternBDB: Red30/20-PS InternKon: 915 682 40 / 24 SerienBem: Zwhead_Deu: Zwhead_Eng: |
|||
| ? | 518 262 98 | Hose assy. DN 16x430 | 1 | EnglischBem: DeutschBem: DeutschDesc: Schlauchleitung DN 16x430 InternBDB: DOS 20 /DOS 20-90 InternKon: 915 682 40 / 21 SerienBem: Zwhead_Deu: Zwhead_Eng: |
|||
| ? | 518 263 98 | Hose assy. DN 16x550 | 1 | EnglischBem: DeutschBem: DeutschDesc: Schlauchleitung DN 16x550 InternBDB: DOS 20 /DOS 20-90 InternKon: 915 682 40 / 22 SerienBem: Zwhead_Deu: Zwhead_Eng: |
|||
| ? | 936 869 40 | Retainer | 1 | EnglischBem: DeutschBem: DeutschDesc: Halter InternBDB: InternKon: 936 851 40 / 1 SerienBem: Zwhead_Deu: Zwhead_Eng: |
|||
| ? | 509 060 98 | Clamp set | 5 | EnglischBem: DeutschBem: DeutschDesc: Klemmpaar InternBDB: L-5-G-32 PA DIN 03015 InternKon: 936 851 40 / 2 SerienBem: Zwhead_Deu: Zwhead_Eng: |
|||
| ? | 319 136 99 | Screw | 6 | EnglischBem: DeutschBem: DeutschDesc: Schraube InternBDB: M 6X 50 /DIN 00912 InternKon: 936 851 40 / 3 SerienBem: Zwhead_Deu: Zwhead_Eng: |
|||
| ? | 515 669 98 | Clamp set | 7 | EnglischBem: DeutschBem: DeutschDesc: Klemmpaar InternBDB: L-4-G-26,9 PA /DIN 03015 InternKon: 936 851 40 / 4 SerienBem: Zwhead_Deu: Zwhead_Eng: |
|||
| ? | 319 417 99 | Screw | 10 | EnglischBem: DeutschBem: DeutschDesc: Schraube InternBDB: M 6X 35 /DIN 00912 InternKon: 936 851 40 / 5 SerienBem: Zwhead_Deu: Zwhead_Eng: |
|||
| ? | 502 631 98 | Clamp set | 5 | EnglischBem: DeutschBem: DeutschDesc: Klemmpaar InternBDB: L-2-G-16 PP /DIN 03015 InternKon: 936 851 40 / 6 SerienBem: Zwhead_Deu: Zwhead_Eng: |
|||
| ? | 319 132 99 | Screw | 10 | EnglischBem: DeutschBem: DeutschDesc: Schraube InternBDB: M 6X25 /DIN 00912 InternKon: 936 851 40 / 7 SerienBem: Zwhead_Deu: Zwhead_Eng: |
|||
| ? | 936 871 40 | Retainer | 1 | EnglischBem: DeutschBem: DeutschDesc: Halter InternBDB: InternKon: 936 852 40 / 1 SerienBem: Zwhead_Deu: Zwhead_Eng: |
|||
| ? | 509 057 98 | Clamp set | 1 | EnglischBem: DeutschBem: DeutschDesc: Klemmpaar InternBDB: L-3-G-20 PA /DIN 03015 InternKon: 936 852 40 / 6 SerienBem: Zwhead_Deu: Zwhead_Eng: |
|||
| ? | 319 133 99 | Screw | 2 | EnglischBem: DeutschBem: DeutschDesc: Schraube InternBDB: M 6X30 /DIN 00912 InternKon: 936 852 40 / 7 SerienBem: Zwhead_Deu: Zwhead_Eng: |
|||
| ? | 936 874 40 | Retainer | 1 | EnglischBem: DeutschBem: DeutschDesc: Halter InternBDB: InternKon: 936 858 40 / 1 SerienBem: Zwhead_Deu: Zwhead_Eng: |
|||
| ? | 504 201 98 | Clamp | 2 | EnglischBem: DeutschBem: DeutschDesc: Schelle InternBDB: S-3-G-30 PA /DIN 03015 InternKon: 936 858 40 / 4 SerienBem: Zwhead_Deu: Zwhead_Eng: |
|||
| ? | 308 581 99 | Bolt | 4 | EnglischBem: DeutschBem: DeutschDesc: Schraube InternBDB: M10X70 /DIN 00931 InternKon: 936 858 40 / 5 SerienBem: Zwhead_Deu: Zwhead_Eng: |
|||
| ? | 534 004 99 | Cover plate | 2 | EnglischBem: DeutschBem: DeutschDesc: Deckplatte InternBDB: S-DP-A-3 W1 /DIN 03015 InternKon: 936 858 40 / 6 SerienBem: Zwhead_Deu: Zwhead_Eng: |
|||
| ? | 936 875 40 | Retainer | 1 | EnglischBem: DeutschBem: DeutschDesc: Halter InternBDB: InternKon: 936 860 40 / 1 SerienBem: Zwhead_Deu: Zwhead_Eng: |
|||
| ? | 511 858 98 | Cover plate | 1 | EnglischBem: DeutschBem: DeutschDesc: Deckplatte InternBDB: L-5 W1 /DIN 03015 InternKon: 936 860 40 / 3 SerienBem: Zwhead_Deu: Zwhead_Eng: |
|||
| ? | 320 025 99 | Screw | 2 | EnglischBem: DeutschBem: DeutschDesc: Schraube InternBDB: M 6X110 /DIN 00912 InternKon: 936 860 40 / 5 SerienBem: Zwhead_Deu: Zwhead_Eng: |
|||
| ? | 511 857 98 | Cover plate | 2 | EnglischBem: DeutschBem: DeutschDesc: Deckplatte InternBDB: L-4 W1 /DIN 03015 InternKon: 936 860 40 / 9 SerienBem: Zwhead_Deu: Zwhead_Eng: |
|||
| ? | 502 206 98 | Bolt | 2 | EnglischBem: DeutschBem: DeutschDesc: Schraube InternBDB: M 6X90 /DIN 00931 InternKon: 936 860 40 / 10 SerienBem: Zwhead_Deu: Zwhead_Eng: |
|||
| ? | 936 862 40 | Retainer | 1 | EnglischBem: DeutschBem: DeutschDesc: Halter InternBDB: InternKon: 936 863 40 / 1 SerienBem: Zwhead_Deu: Zwhead_Eng: |
|||
| ? | 936 895 40 | Retainer | 2 | EnglischBem: DeutschBem: DeutschDesc: Halter InternBDB: InternKon: 936 896 40 / 1 SerienBem: Zwhead_Deu: Zwhead_Eng: |
|||
| ? | 533 989 99 | Weld on plate | 2 | EnglischBem: DeutschBem: DeutschDesc: AnschweiЯplatte InternBDB: L-AP-K-2 /DIN 03015 InternKon: SerienBem: Zwhead_Deu: Zwhead_Eng: |