k-part
Номер на схеме Каталожный номер Название Количество Детали
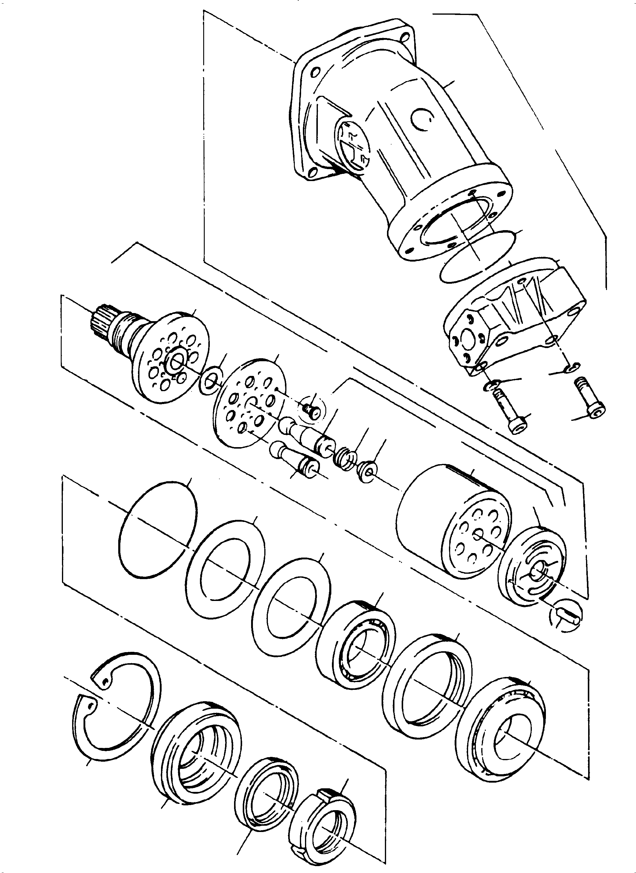
? 358 666 40 Hydraulic-motor, assy. 1
EnglischBem:
DeutschBem:
DeutschDesc: Hydraulik-Motor, kpl.
InternBDB: Hydromatik A2F M90/61 W-PAB 02 408 464 AT-Nr. 668 952
InternKon:
SerienBem:
Zwhead_Deu:
Zwhead_Eng:
? Housing 1
EnglischBem:
DeutschBem:
DeutschDesc: Gehдuse
InternBDB: 416 938
InternKon: 211.20.25.42 / 03
SerienBem:
Zwhead_Deu:
Zwhead_Eng:
? 319 156 99 Screw 2
EnglischBem:
DeutschBem:
DeutschDesc: Schraube
InternBDB: M12x30 /912
InternKon: 211.20.25.42 / 10
SerienBem:
Zwhead_Deu:
Zwhead_Eng:
? 343 856 99 Lock washer 6
EnglischBem:
DeutschBem:
DeutschDesc: Federring
InternBDB: 12 /7980
InternKon: 211.20.25.42 / 08
SerienBem:
Zwhead_Deu:
Zwhead_Eng:
? 319 438 99 Screw 4
EnglischBem:
DeutschBem:
DeutschDesc: Schraube
InternBDB: M12x70 /912
InternKon: 211.20.25.42 / 07
SerienBem:
Zwhead_Deu:
Zwhead_Eng:
? 753 651 Connection plate 1
EnglischBem:
DeutschBem:
DeutschDesc: AnschluЯplatte
InternBDB: 409 944
InternKon: 211.20.25.42 / 04
SerienBem:
Zwhead_Deu:
Zwhead_Eng:
? 950 365 O-ring 1
EnglischBem:
DeutschBem:
DeutschDesc: O-Ring
InternBDB: 88,5x3,53 238-7507
InternKon: 211.20.25.42 / 06
SerienBem:
Zwhead_Deu:
Zwhead_Eng:
? 344 791 99 Pin 1
EnglischBem:
DeutschBem:
DeutschDesc: Stift
InternBDB: 6 M6x12 /7-ST
InternKon: 211.20.25.42 / 05
SerienBem:
Zwhead_Deu:
Zwhead_Eng:
? 754 684 Transmission, assy. fig-nos: 10,17-30 1
EnglischBem:
DeutschBem:
DeutschDesc: Triebwerk, kpl. Bild-Nr. 10,17-30
InternBDB: 480 455
InternKon: 211.20.25.42 / 01
SerienBem:
Zwhead_Deu:
Zwhead_Eng:
? 754 685 Transmission, hydr. part, assy. fig-nos: 11-16 1
EnglischBem:
DeutschBem:
DeutschDesc: Triebwerk, hydr. Teil, kpl. Bild-Nr. 11-16
InternBDB: 418 926
InternKon:
SerienBem:
Zwhead_Deu:
Zwhead_Eng:
? 754 686 Control plate 1
EnglischBem:
DeutschBem:
DeutschDesc: Steuerplatte
InternBDB: 408 460
InternKon: 201.20.07.92 / 02
SerienBem:
Zwhead_Deu:
Zwhead_Eng:
? 754 687 Cylinder 1
EnglischBem:
DeutschBem:
DeutschDesc: Zylinder
InternBDB: 421 308
InternKon: 201.20.07.92 / 01
SerienBem:
Zwhead_Deu:
Zwhead_Eng:
? 754 688 Spring plate 1
EnglischBem:
DeutschBem:
DeutschDesc: Federteller
InternBDB: 416 976
InternKon: 201.20.07.92 / 06
SerienBem:
Zwhead_Deu:
Zwhead_Eng:
? 753 659 Cup spring 4
EnglischBem:
DeutschBem:
DeutschDesc: Tellerfeder
InternBDB: 081 511
InternKon: 201.20.07.92 / 07
SerienBem:
Zwhead_Deu:
Zwhead_Eng:
? 753 660 Trunnion 1
EnglischBem:
DeutschBem:
DeutschDesc: Mittelzapfen
InternBDB: 408 461
InternKon: 201.20.07.92 / 03
SerienBem:
Zwhead_Deu:
Zwhead_Eng:
? 754 689 Piston with piston ring 7
EnglischBem:
DeutschBem:
DeutschDesc: Kolben mit Kolbenringen
InternBDB: 426 816 + 2x 156 203
InternKon: 201.20.07.92 / 04
SerienBem:
Zwhead_Deu:
Zwhead_Eng:
? 753 662 Screw, burnished 7
EnglischBem:
DeutschBem:
DeutschDesc: Schraube, brьniert
InternBDB: 154 803 M6x16 /7985
InternKon: 201.20.07.10 / 20
SerienBem:
Zwhead_Deu:
Zwhead_Eng:
? 754 690 Withdrawal plate 1
EnglischBem:
DeutschBem:
DeutschDesc: Rьckzugplatte
InternBDB: 417 702
InternKon: 201.20.07.10 / 07
SerienBem:
Zwhead_Deu:
Zwhead_Eng:
? 753 666 Disk 1
EnglischBem:
DeutschBem:
DeutschDesc: Scheibe
InternBDB: 408 492
InternKon: 201.20.07.10 / 05
SerienBem:
Zwhead_Deu:
Zwhead_Eng:
? 754 691 Drive shaft with bearing set with fig-nos: 21-23,27 1
EnglischBem:
DeutschBem:
DeutschDesc: Triebwelle mit Lagersatz mit Bild-Nr. 21-23,27
InternBDB: 419 769
InternKon: 201.20.07.10 / 02
SerienBem:
Zwhead_Deu:
Zwhead_Eng:
? Roller bearing 1
EnglischBem:
DeutschBem:
DeutschDesc: Rollenlager
InternBDB: 154 398 T 7 FC 055 DIN/ISO 355
InternKon: 201.20.07.10 / 10
SerienBem:
Zwhead_Deu:
Zwhead_Eng:
? Race 1
EnglischBem:
DeutschBem:
DeutschDesc: Lagerring
InternBDB: 408 457
InternKon: 201.20.07.10 / 03
SerienBem:
Zwhead_Deu:
Zwhead_Eng:
? Roller bearing 1
EnglischBem:
DeutschBem:
DeutschDesc: Rollenlager
InternBDB: 33110 /720
InternKon: 201.20.07.10 / 11
SerienBem:
Zwhead_Deu:
Zwhead_Eng:
? 754 692 Shim ring 95x115x0,1 2
EnglischBem:
DeutschBem:
DeutschDesc: PaЯscheibe 95x115x0,1
InternBDB: nach DIN 988 156 275
InternKon: 201.20.07.10 / 17
SerienBem:
Zwhead_Deu:
Zwhead_Eng:
? 754 693 Shim ring 95x115x0,3 1
EnglischBem:
DeutschBem:
DeutschDesc: PaЯscheibe 95x115x0,3
InternBDB: nach DIN 988 156 276
InternKon: 201.20.07.10 / 18
SerienBem:
Zwhead_Deu:
Zwhead_Eng:
? 971 124 O-ring 1
EnglischBem:
DeutschBem:
DeutschDesc: O-Ring
InternBDB: 107,55x3,53 244-7507
InternKon: 201.20.07.10 / 15
SerienBem:
Zwhead_Deu:
Zwhead_Eng:
? Groove nut 1
EnglischBem:
DeutschBem:
DeutschDesc: Nutmutter
InternBDB: 156 019
InternKon: 201.20.07.10 / 09
SerienBem:
Zwhead_Deu:
Zwhead_Eng:
? 504 035 98 Shaft seal 1
EnglischBem:
DeutschBem:
DeutschDesc: Wellendichtring
InternBDB: 45x62x7 BASL 0,5
InternKon: 201.20.07.10 / 14
SerienBem:
Zwhead_Deu:
Zwhead_Eng:
? 753 550 Cover 1
EnglischBem:
DeutschBem:
DeutschDesc: VerschluЯring
InternBDB: 409 976
InternKon: 201.20.07.10 / 04
SerienBem:
Zwhead_Deu:
Zwhead_Eng:
? 342 673 99 Circlip 1
EnglischBem:
DeutschBem:
DeutschDesc: Sicherungsring
InternBDB: 115x4 /472
InternKon: 201.20.07.10 / 12
SerienBem:
Zwhead_Deu:
Zwhead_Eng:
? 753 669 Cover, assy. with fig-no: 28 1
EnglischBem:
DeutschBem:
DeutschDesc: VerschluЯring, kpl. mit Bild-Nr. 28
InternBDB: 409 976 + 086 116
InternKon:
SerienBem:
Zwhead_Deu:
Zwhead_Eng:
? 999 062 Seal kit, assy. fig-nos: 07,26,28 A/R
EnglischBem:
DeutschBem:
DeutschDesc: Dichtsatz, kpl. Bild-Nr. 07,26,28
InternBDB: E-ST
InternKon:
SerienBem:
Zwhead_Deu:
Zwhead_Eng:
? 973 125 Fluid sealing 50 ml to fig-no: 17 A/R
EnglischBem:
DeutschBem:
DeutschDesc: Flьssigdichtung 50 ml zu Bild-Nr. 17
InternBDB: Loctite 241
InternKon:
SerienBem:
Zwhead_Deu:
Zwhead_Eng:
? 989 946 Fluid sealing 50 ml (pipe thread) A/R
EnglischBem:
DeutschBem:
DeutschDesc: Flьssigdichtung 50 ml (Rohrgewinde)
InternBDB: Loctite 572
InternKon:
SerienBem:
Zwhead_Deu:
Zwhead_Eng:

Excavators Mining Komatsu / PC5500-6 S/N 15061(G15061) / Hydraulic-Motor(090-1368 : 090-1368)
?
?
?
?
?
?
?
?
?
?
?
?
?
?
?
?
?
?
?
?
?
?
?
?
?
?
?
?
?
?
?