| Наименование | Страница | Код страницы |
|---|---|---|
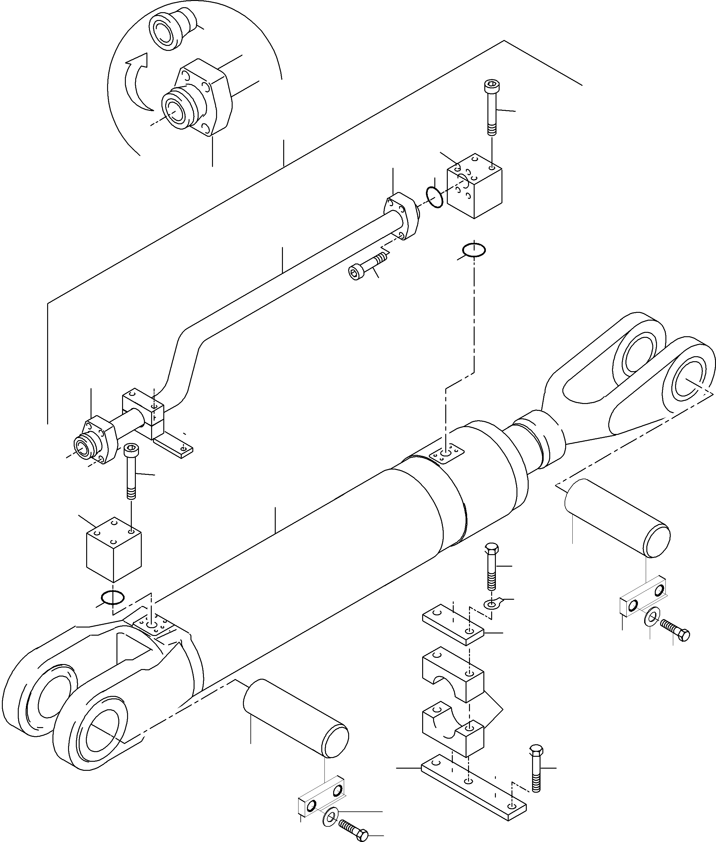
| Stick Cylinder | 355-4175e | 355-4175e |
| Номер на схеме | Каталожный номер | Название | Количество | Детали | |||
|---|---|---|---|---|---|---|---|
| ? | 902 721 40 | Piping, assy. | 1 | EnglischBem: DeutschBem: DeutschDesc: Verrohrung kpl. InternBDB: InternKon: SerienBem: Zwhead_Deu: Zwhead_Eng: |
|||
| ? | 513 302 98 | Connecting block | 1 | EnglischBem: DeutschBem: DeutschDesc: AnschluЯklotz InternBDB: InternKon: SerienBem: Zwhead_Deu: Zwhead_Eng: |
|||
| ? | 769 916 73 | Pipe assy.Ш 50 | 1 | EnglischBem: DeutschBem: DeutschDesc: Rohrleitung Ш 50 kpl. InternBDB: InternKon: SerienBem: Zwhead_Deu: Zwhead_Eng: |
|||
| ? | 502 977 98 | Clamp set | 1 | EnglischBem: DeutschBem: DeutschDesc: Klemmpaar InternBDB: InternKon: SerienBem: Zwhead_Deu: Zwhead_Eng: |
|||
| ? | 534 008 99 | Cover plate | 1 | EnglischBem: DeutschBem: DeutschDesc: Deckplatte InternBDB: InternKon: SerienBem: Zwhead_Deu: Zwhead_Eng: |
|||
| ? | 500 127 98 | Flange | 2 | EnglischBem: DeutschBem: DeutschDesc: Flansch InternBDB: InternKon: SerienBem: Zwhead_Deu: Zwhead_Eng: |
|||
| ? | 500 203 98 | Collar ring | 1 | EnglischBem: DeutschBem: DeutschDesc: Kragenring InternBDB: InternKon: SerienBem: Zwhead_Deu: Zwhead_Eng: |
|||
| ? | 501 898 98 | Collar ring | 1 | EnglischBem: DeutschBem: DeutschDesc: Kragenring InternBDB: InternKon: SerienBem: Zwhead_Deu: Zwhead_Eng: |
|||
| ? | 385 243 40 | Flange seal | 1 | EnglischBem: DeutschBem: DeutschDesc: Flanschdichtung InternBDB: InternKon: SerienBem: Zwhead_Deu: Zwhead_Eng: |
|||
| ? | 356 209 40 | Flange seal | 2 | EnglischBem: DeutschBem: DeutschDesc: Flanschdichtung InternBDB: InternKon: SerienBem: Zwhead_Deu: Zwhead_Eng: |
|||
| ? | 308 459 99 | Bolt | 2 | EnglischBem: DeutschBem: DeutschDesc: Schraube InternBDB: InternKon: SerienBem: Zwhead_Deu: Zwhead_Eng: |
|||
| ? | 319 289 99 | Bolt | 4 | EnglischBem: DeutschBem: DeutschDesc: Schraube InternBDB: InternKon: SerienBem: Zwhead_Deu: Zwhead_Eng: |
|||
| ? | 308 424 99 | Bolt | 4 | EnglischBem: DeutschBem: DeutschDesc: Schraube InternBDB: InternKon: SerienBem: Zwhead_Deu: Zwhead_Eng: |
|||
| ? | 343 006 99 | Washer | 2 | EnglischBem: DeutschBem: DeutschDesc: Scheibe InternBDB: InternKon: SerienBem: Zwhead_Deu: Zwhead_Eng: |
|||
| ? | 430 793 40 | Plate | 1 | EnglischBem: DeutschBem: DeutschDesc: Blech InternBDB: InternKon: SerienBem: Zwhead_Deu: Zwhead_Eng: |
|||
| ? | 500 333 98 | Bolt | 2 | EnglischBem: DeutschBem: DeutschDesc: Schraube InternBDB: InternKon: SerienBem: Zwhead_Deu: Zwhead_Eng: |
|||
| ? | 308 414 99 | Bolt | 4 | EnglischBem: DeutschBem: DeutschDesc: Schraube InternBDB: InternKon: SerienBem: Zwhead_Deu: Zwhead_Eng: |
|||
| ? | 513 303 98 | Connecting block | 1 | EnglischBem: DeutschBem: DeutschDesc: AnschluЯklotz InternBDB: InternKon: SerienBem: Zwhead_Deu: Zwhead_Eng: |
|||
| ? | 912 656 40 | Pin | 1 | EnglischBem: DeutschBem: DeutschDesc: Bolzen InternBDB: InternKon: SerienBem: Zwhead_Deu: Zwhead_Eng: |
|||
| ? | 650 426 40 | Achsel stirrup | 2 | EnglischBem: DeutschBem: DeutschDesc: Achshalter InternBDB: InternKon: SerienBem: Zwhead_Deu: Zwhead_Eng: |
|||
| ? | 308 407 99 | Bolt | 4 | EnglischBem: DeutschBem: DeutschDesc: Schraube InternBDB: InternKon: SerienBem: Zwhead_Deu: Zwhead_Eng: |
|||
| ? | 915 899 40 | Pin | 1 | EnglischBem: DeutschBem: DeutschDesc: Bolzen InternBDB: InternKon: SerienBem: Zwhead_Deu: Zwhead_Eng: |
|||
| ? | 340 471 99 | Washer | 4 | EnglischBem: DeutschBem: DeutschDesc: Scheibe InternBDB: InternKon: SerienBem: Zwhead_Deu: Zwhead_Eng: |