k-part
Номер на схеме Каталожный номер Название Количество Детали
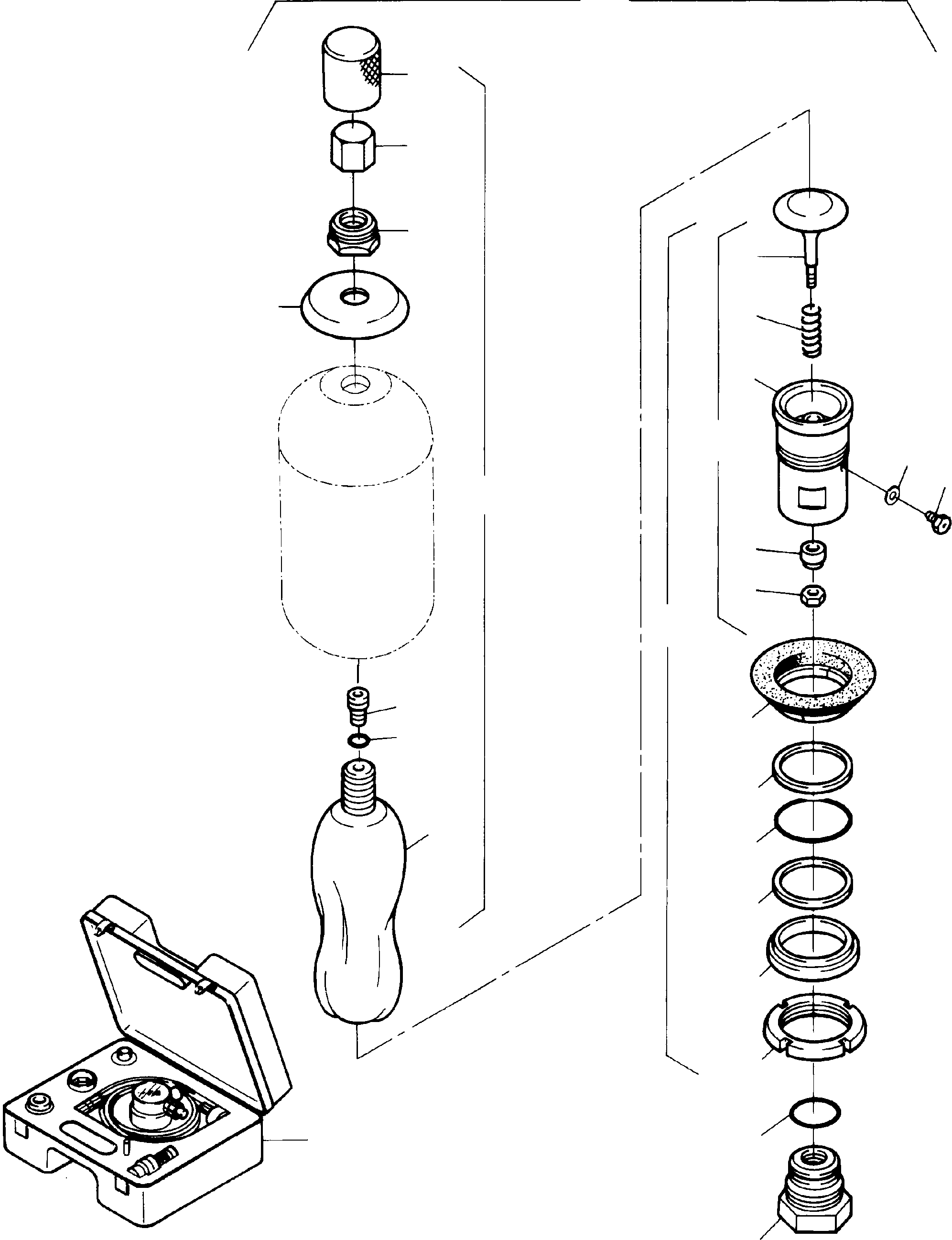
? 239 441 40 Pressure Accumulator assy 1
EnglischBem:
DeutschBem:
DeutschDesc: Blasen-Druckspeicher (Std.) kpl.
InternBDB:
InternKon:
SerienBem:
Zwhead_Deu:
Zwhead_Eng:
? 269 067 40 Pressure Accumulator (TT) assy. 1
EnglischBem:
DeutschBem:
DeutschDesc: Blasen-Druckspeicher (TT) kpl.
InternBDB:
InternKon:
SerienBem:
Zwhead_Deu:
Zwhead_Eng:
? 999 645 Blase, assy. 1
EnglischBem:
DeutschBem:
DeutschDesc: Blase kpl.
InternBDB:
InternKon:
SerienBem:
Zwhead_Deu:
Zwhead_Eng:
? 999 642 Cap 1
EnglischBem:
DeutschBem:
DeutschDesc: AbschluЯkappe
InternBDB:
InternKon:
SerienBem:
Zwhead_Deu:
Zwhead_Eng:
? 999 643 Cap nut 1
EnglischBem:
DeutschBem:
DeutschDesc: Hutmutter
InternBDB:
InternKon:
SerienBem:
Zwhead_Deu:
Zwhead_Eng:
? 999 644 Nut 1
EnglischBem:
DeutschBem:
DeutschDesc: Haltemutter
InternBDB:
InternKon:
SerienBem:
Zwhead_Deu:
Zwhead_Eng:
? 999 549 Valve cartridge 1
EnglischBem:
DeutschBem:
DeutschDesc: Gasventileinsatz
InternBDB:
InternKon:
SerienBem:
Zwhead_Deu:
Zwhead_Eng:
? 502 185 98 O-ring 1
EnglischBem:
DeutschBem:
DeutschDesc: O-Ring
InternBDB:
InternKon:
SerienBem:
Zwhead_Deu:
Zwhead_Eng:
? Blase These parts are not sold separately 1
EnglischBem:
DeutschBem:
DeutschDesc: Blase Diese Teile sind einzeln nicht lieferbar
InternBDB:
InternKon:
SerienBem:
Zwhead_Deu:
Zwhead_Eng:
? 999 646 Typeplate 1
EnglischBem:
DeutschBem:
DeutschDesc: Firmenschild
InternBDB:
InternKon:
SerienBem:
Zwhead_Deu:
Zwhead_Eng:
? 999 541 Oil valve body complete 1
EnglischBem:
DeutschBem:
DeutschDesc: Цlventilkцrper kpl.
InternBDB:
InternKon:
SerienBem:
Zwhead_Deu:
Zwhead_Eng:
? 999 542 Valve disc assy 1
EnglischBem:
DeutschBem:
DeutschDesc: Ventilteller kpl.
InternBDB:
InternKon:
SerienBem:
Zwhead_Deu:
Zwhead_Eng:
? 999 647 Valve disc 1
EnglischBem:
DeutschBem:
DeutschDesc: Ventilteller
InternBDB:
InternKon:
SerienBem:
Zwhead_Deu:
Zwhead_Eng:
? 999 648 Valve spring 1
EnglischBem:
DeutschBem:
DeutschDesc: Ventilfeder
InternBDB:
InternKon:
SerienBem:
Zwhead_Deu:
Zwhead_Eng:
? 999 649 Oil valve body 1
EnglischBem:
DeutschBem:
DeutschDesc: Цlventilkцrper
InternBDB:
InternKon:
SerienBem:
Zwhead_Deu:
Zwhead_Eng:
? 999 650 Resilient bush 1
EnglischBem:
DeutschBem:
DeutschDesc: Dдmpfungsbuchse
InternBDB:
InternKon:
SerienBem:
Zwhead_Deu:
Zwhead_Eng:
? 999 651 Securing nut 1
EnglischBem:
DeutschBem:
DeutschDesc: Sicherungsmutter
InternBDB:
InternKon:
SerienBem:
Zwhead_Deu:
Zwhead_Eng:
? 339 884 99 Seal 1
EnglischBem:
DeutschBem:
DeutschDesc: Dichtring
InternBDB:
InternKon:
SerienBem:
Zwhead_Deu:
Zwhead_Eng:
? 999 652 Breather screw 1
EnglischBem:
DeutschBem:
DeutschDesc: Entlьftungsschraube
InternBDB:
InternKon:
SerienBem:
Zwhead_Deu:
Zwhead_Eng:
? 999 543 Ring 1
EnglischBem:
DeutschBem:
DeutschDesc: Ring
InternBDB:
InternKon:
SerienBem:
Zwhead_Deu:
Zwhead_Eng:
? 999 546 Chamber ring 1
EnglischBem:
DeutschBem:
DeutschDesc: Kammerungsring
InternBDB:
InternKon:
SerienBem:
Zwhead_Deu:
Zwhead_Eng:
? 367 123 99 O-ring 1
EnglischBem:
DeutschBem:
DeutschDesc: O-Ring
InternBDB:
InternKon:
SerienBem:
Zwhead_Deu:
Zwhead_Eng:
? 999 653 Spacer 1
EnglischBem:
DeutschBem:
DeutschDesc: Distanzring
InternBDB:
InternKon:
SerienBem:
Zwhead_Deu:
Zwhead_Eng:
? 999 654 Grooved nut 1
EnglischBem:
DeutschBem:
DeutschDesc: Nutmutter
InternBDB:
InternKon:
SerienBem:
Zwhead_Deu:
Zwhead_Eng:
? 502 186 98 O-ring 1
EnglischBem:
DeutschBem:
DeutschDesc: O-Ring
InternBDB:
InternKon:
SerienBem:
Zwhead_Deu:
Zwhead_Eng:
? 999 544 Adapter 1
EnglischBem:
DeutschBem:
DeutschDesc: Reduzierstьck
InternBDB:
InternKon:
SerienBem:
Zwhead_Deu:
Zwhead_Eng:
? 692 063 Filler and test equipment 1
EnglischBem:
DeutschBem:
DeutschDesc: Fьll- und Prьfvorrichtung
InternBDB:
InternKon:
SerienBem:
Zwhead_Deu:
Zwhead_Eng:
? 792 482 73 Support ring 1
EnglischBem:
DeutschBem:
DeutschDesc: Stьtzring
InternBDB:
InternKon:
SerienBem:
Zwhead_Deu:
Zwhead_Eng:
? 999 545 Seal kit fig-no: 07,17,20,21,24, 27 A/R
EnglischBem:
DeutschBem:
DeutschDesc: Dichtungssatz Bild-Nr. 07,17,20,21,24, 27
InternBDB:
InternKon:
SerienBem:
Zwhead_Deu:
Zwhead_Eng:
? 692 062 Repair kit consist. of fig-nos. 02,19 and seal kit A/R
EnglischBem:
DeutschBem:
DeutschDesc: Rep.-Satz best. aus Bild-Nr. 02,19 und Dichtungssatz
InternBDB:
InternKon:
SerienBem:
Zwhead_Deu:
Zwhead_Eng:

Excavators Mining Komatsu / PC8000-6E S/N 12042(g12042) / Pressure Accumulator(090-0270 : 090-0270)
?
?
?
?
?
?
?
?
?
?
?
?
?
?
?
?
?
?
?
?
?
?
?
?
?
?
?