| Наименование | Страница | Код страницы |
|---|---|---|
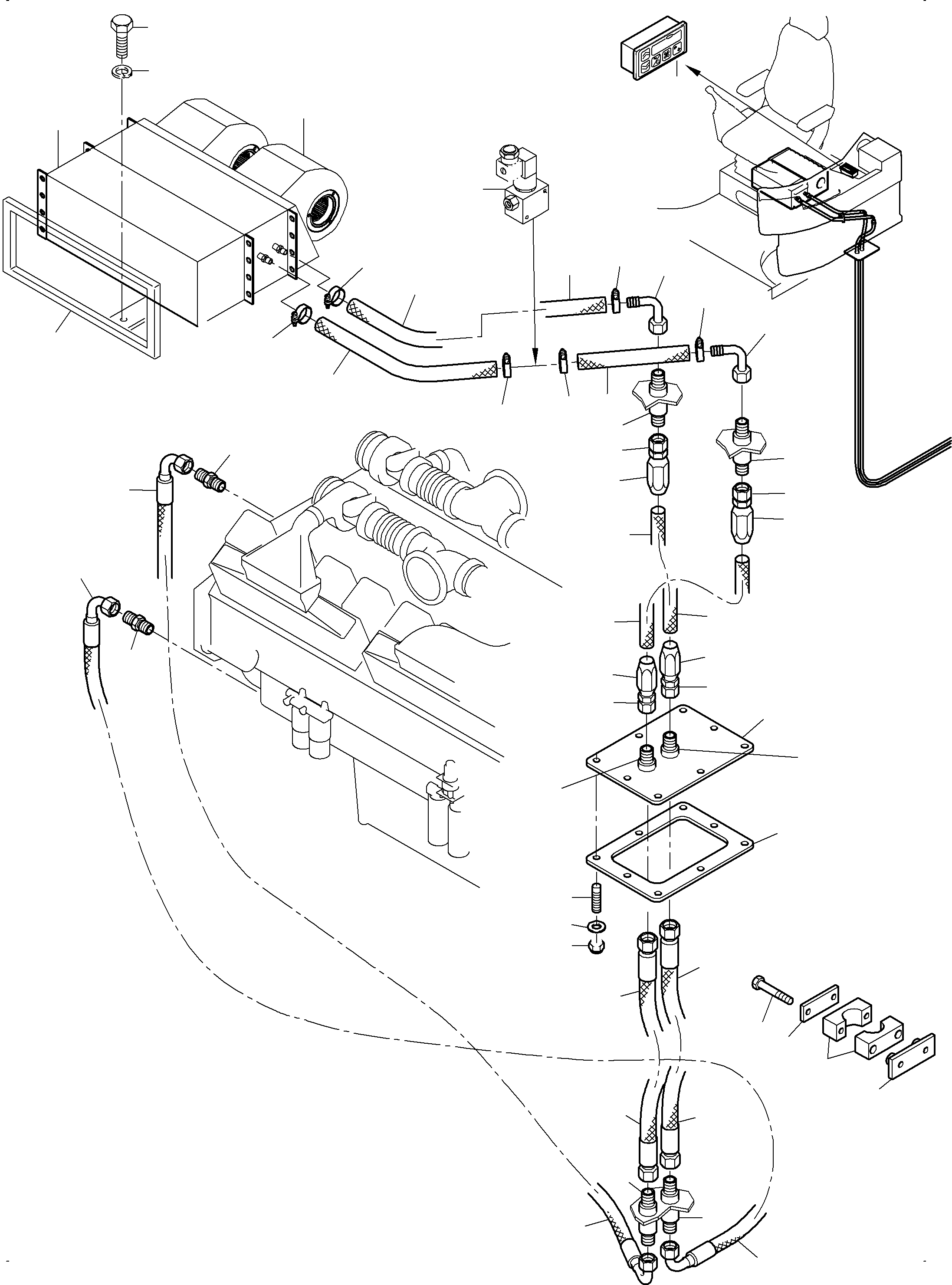
| Electric Heater (collectorless) | 991-0882 | 991-0882 |
| Номер на схеме | Каталожный номер | Название | Количество | Детали | |||
|---|---|---|---|---|---|---|---|
| ? | 795 954 73 | Control unit | 1 | EnglischBem: DeutschBem: DeutschDesc: Bedienelement InternBDB: InternKon: SerienBem: Zwhead_Deu: Zwhead_Eng: |
|||
| ? | 794 715 73 | Valve | 1 | EnglischBem: DeutschBem: DeutschDesc: Ventil InternBDB: InternKon: SerienBem: Zwhead_Deu: Zwhead_Eng: |
|||
| ? | 372 366 99 | Union | 6 | EnglischBem: DeutschBem: DeutschDesc: Verschraubung InternBDB: InternKon: SerienBem: Zwhead_Deu: Zwhead_Eng: |
|||
| ? | 255 898 40 | Hose fittings 90° | 2 | EnglischBem: DeutschBem: DeutschDesc: Schlaucharmatur 90° InternBDB: InternKon: SerienBem: Zwhead_Deu: Zwhead_Eng: |
|||
| ? | 908 047 40 | Cover assy. | 1 | EnglischBem: DeutschBem: DeutschDesc: Deckel kpl. InternBDB: InternKon: SerienBem: Zwhead_Deu: Zwhead_Eng: |
|||
| ? | 902 183 40 | Seal | 1 | EnglischBem: DeutschBem: DeutschDesc: Dichtung InternBDB: InternKon: SerienBem: Zwhead_Deu: Zwhead_Eng: |
|||
| ? | 256 626 40 | Hose DN 16 | A/R | EnglischBem: DeutschBem: DeutschDesc: Schlauchleitung DN 16 InternBDB: InternKon: SerienBem: Zwhead_Deu: Zwhead_Eng: |
|||
| ? | 500 078 98 | Hose clip | 6 | EnglischBem: DeutschBem: DeutschDesc: Schlauchschelle InternBDB: InternKon: SerienBem: Zwhead_Deu: Zwhead_Eng: |
|||
| ? | 509 875 98 | Thread pin | 8 | EnglischBem: DeutschBem: DeutschDesc: Gewindebolzen InternBDB: InternKon: SerienBem: Zwhead_Deu: Zwhead_Eng: |
|||
| ? | 340 507 99 | Washer | 8 | EnglischBem: DeutschBem: DeutschDesc: Scheibe InternBDB: InternKon: SerienBem: Zwhead_Deu: Zwhead_Eng: |
|||
| ? | 334 599 99 | Nut | 8 | EnglischBem: DeutschBem: DeutschDesc: Mutter InternBDB: InternKon: SerienBem: Zwhead_Deu: Zwhead_Eng: |
|||
| ? | 516 542 98 | Hose assy. DN 16x10200 | 1 | EnglischBem: DeutschBem: DeutschDesc: Schlauchleitung DN 16x10200 InternBDB: InternKon: SerienBem: Zwhead_Deu: Zwhead_Eng: |
|||
| ? | 516 543 98 | Hose assy. DN 16x7700 | 1 | EnglischBem: DeutschBem: DeutschDesc: Schlauchleitung DN 16x7700 InternBDB: InternKon: SerienBem: Zwhead_Deu: Zwhead_Eng: |
|||
| ? | 516 544 98 | Hose assy. DN 16x2700 | 1 | EnglischBem: DeutschBem: DeutschDesc: Schlauchleitung DN 16x2700 InternBDB: InternKon: SerienBem: Zwhead_Deu: Zwhead_Eng: |
|||
| ? | 516 544 98 | Hose assy. DN 16x2700 | 1 | EnglischBem: DeutschBem: DeutschDesc: Schlauchleitung DN 16x2700 InternBDB: InternKon: SerienBem: Zwhead_Deu: Zwhead_Eng: |
|||
| ? | 896 789 40 | Hose assy. DN 16 | A/R | EnglischBem: DeutschBem: DeutschDesc: Schlauchleitung DN 16 InternBDB: InternKon: SerienBem: Zwhead_Deu: Zwhead_Eng: |
|||
| ? | 270 730 40 | Nipple | 4 | EnglischBem: DeutschBem: DeutschDesc: Nippel InternBDB: InternKon: SerienBem: Zwhead_Deu: Zwhead_Eng: |
|||
| ? | 270 729 40 | Socket | 4 | EnglischBem: DeutschBem: DeutschDesc: Fassung InternBDB: InternKon: SerienBem: Zwhead_Deu: Zwhead_Eng: |
|||
| ? | 374 413 99 | Socket | 2 | EnglischBem: DeutschBem: DeutschDesc: Stutzen InternBDB: InternKon: SerienBem: Zwhead_Deu: Zwhead_Eng: |
|||
| ? | 502 682 98 | Half clamp | 10 | EnglischBem: DeutschBem: DeutschDesc: Schellenhдlfte InternBDB: InternKon: SerienBem: Zwhead_Deu: Zwhead_Eng: |
|||
| ? | 534 002 99 | Weld on plate | 5 | EnglischBem: DeutschBem: DeutschDesc: AnschweiЯplatte InternBDB: InternKon: SerienBem: Zwhead_Deu: Zwhead_Eng: |
|||
| ? | 534 001 99 | Cover plate | 5 | EnglischBem: DeutschBem: DeutschDesc: Deckplatte InternBDB: InternKon: SerienBem: Zwhead_Deu: Zwhead_Eng: |
|||
| ? | 308 579 99 | Bolt | 10 | EnglischBem: DeutschBem: DeutschDesc: Schraube InternBDB: InternKon: SerienBem: Zwhead_Deu: Zwhead_Eng: |
|||
| ? | 307 422 99 | Bolt | 4 | EnglischBem: DeutschBem: DeutschDesc: Schraube InternBDB: InternKon: SerienBem: Zwhead_Deu: Zwhead_Eng: |
|||
| ? | 343 108 99 | Washer | 4 | EnglischBem: DeutschBem: DeutschDesc: Federring InternBDB: InternKon: SerienBem: Zwhead_Deu: Zwhead_Eng: |
|||
| ? | Air box | 1 | EnglischBem: DeutschBem: DeutschDesc: Luftkasten InternBDB: InternKon: SerienBem: Zwhead_Deu: Zwhead_Eng: |
||||
| ? | 372 378 40 | Seal | 1 | EnglischBem: DeutschBem: DeutschDesc: Dichtung InternBDB: InternKon: SerienBem: Zwhead_Deu: Zwhead_Eng: |