k-part
Наименование Страница Код страницы
Metering Valve 991-0091 991-0091
Metering Valve 991-0091 991-0091

Номер на схеме Каталожный номер Название Количество Детали
? 898 052 40 Mounting plate 1
EnglischBem:
DeutschBem:
DeutschDesc: Montageplatte
InternBDB:
InternKon:
SerienBem:
Zwhead_Deu:
Zwhead_Eng:
? 371 259 99 Union nut 11
EnglischBem:
DeutschBem:
DeutschDesc: Ьberwurfmutter
InternBDB:
InternKon:
SerienBem:
Zwhead_Deu:
Zwhead_Eng:
? 516 636 98 Socket 1
EnglischBem:
DeutschBem:
DeutschDesc: Stutzen
InternBDB:
InternKon:
SerienBem:
Zwhead_Deu:
Zwhead_Eng:
? 515 832 98 Socket 1
EnglischBem:
DeutschBem:
DeutschDesc: Stutzen
InternBDB:
InternKon:
SerienBem:
Zwhead_Deu:
Zwhead_Eng:
? 906 984 40 Union 10
EnglischBem:
DeutschBem:
DeutschDesc: Verschraubung
InternBDB:
InternKon:
SerienBem:
Zwhead_Deu:
Zwhead_Eng:
? 324 672 40 Plug 2
EnglischBem:
DeutschBem:
DeutschDesc: VerschluЯstopfen
InternBDB:
InternKon:
SerienBem:
Zwhead_Deu:
Zwhead_Eng:
? 334 599 99 Nut 12
EnglischBem:
DeutschBem:
DeutschDesc: Mutter
InternBDB:
InternKon:
SerienBem:
Zwhead_Deu:
Zwhead_Eng:
? 308 556 99 Screw 12
EnglischBem:
DeutschBem:
DeutschDesc: Schraube
InternBDB:
InternKon:
SerienBem:
Zwhead_Deu:
Zwhead_Eng:
? 373 692 99 Union 1
EnglischBem:
DeutschBem:
DeutschDesc: Verschraubung
InternBDB:
InternKon:
SerienBem:
Zwhead_Deu:
Zwhead_Eng:
? 215 424 99 Pipe Ш 12 Bulk ware, state length required A/R
EnglischBem:
DeutschBem:
DeutschDesc: Rohrleitung Ш 12 Meterware, bei Bestellung Lдnge angeben
InternBDB:
InternKon:
SerienBem:
Zwhead_Deu:
Zwhead_Eng:
? 515 029 40 Hose connection 90 54
EnglischBem:
DeutschBem:
DeutschDesc: Schlauchstutzen 90
InternBDB:
InternKon:
SerienBem:
Zwhead_Deu:
Zwhead_Eng:
? 515 028 40 Collet 56
EnglischBem:
DeutschBem:
DeutschDesc: Schraubhьlse
InternBDB:
InternKon:
SerienBem:
Zwhead_Deu:
Zwhead_Eng:
? 502 371 98 Half clamp 4
EnglischBem:
DeutschBem:
DeutschDesc: Schellenhдlfte
InternBDB:
InternKon:
SerienBem:
Zwhead_Deu:
Zwhead_Eng:
? 516 422 98 Hose assy. DN 20x4550 1
EnglischBem:
DeutschBem:
DeutschDesc: Schlauchleitung DN 20x4550
InternBDB:
InternKon:
SerienBem:
Zwhead_Deu:
Zwhead_Eng:
? 516 834 98 Union 1
EnglischBem:
DeutschBem:
DeutschDesc: Verschraubung
InternBDB:
InternKon:
SerienBem:
Zwhead_Deu:
Zwhead_Eng:
? 006 301 98 Clamp 24
EnglischBem:
DeutschBem:
DeutschDesc: Schelle
InternBDB:
InternKon:
SerienBem:
Zwhead_Deu:
Zwhead_Eng:
? 534 000 99 Half clamp 8
EnglischBem:
DeutschBem:
DeutschDesc: Schellenhдlfte
InternBDB:
InternKon:
SerienBem:
Zwhead_Deu:
Zwhead_Eng:
? 534 001 99 Plate 4
EnglischBem:
DeutschBem:
DeutschDesc: Platte
InternBDB:
InternKon:
SerienBem:
Zwhead_Deu:
Zwhead_Eng:
? 308 579 99 Bolt 8
EnglischBem:
DeutschBem:
DeutschDesc: Schraube
InternBDB:
InternKon:
SerienBem:
Zwhead_Deu:
Zwhead_Eng:
? 307 804 99 Bolt 4
EnglischBem:
DeutschBem:
DeutschDesc: Schraube
InternBDB:
InternKon:
SerienBem:
Zwhead_Deu:
Zwhead_Eng:
? 334 600 99 Nut 4
EnglischBem:
DeutschBem:
DeutschDesc: Mutter
InternBDB:
InternKon:
SerienBem:
Zwhead_Deu:
Zwhead_Eng:
? 906 981 40 Union 26
EnglischBem:
DeutschBem:
DeutschDesc: Verschraubung
InternBDB:
InternKon:
SerienBem:
Zwhead_Deu:
Zwhead_Eng:
? 374 428 99 Socket 28
EnglischBem:
DeutschBem:
DeutschDesc: Stutzen
InternBDB:
InternKon:
SerienBem:
Zwhead_Deu:
Zwhead_Eng:
? 323 945 40 Tread pin 24
EnglischBem:
DeutschBem:
DeutschDesc: Gewindebolzen
InternBDB:
InternKon:
SerienBem:
Zwhead_Deu:
Zwhead_Eng:
? 534 002 99 Weld on plate 4
EnglischBem:
DeutschBem:
DeutschDesc: Anschweissplatte
InternBDB:
InternKon:
SerienBem:
Zwhead_Deu:
Zwhead_Eng:
? 576 160 40 Plastic pipe DN 4 Bulk ware, state length required A/R
EnglischBem:
DeutschBem:
DeutschDesc: Kunststoffschlauchleitung DN 4 Meterware, bei Bestellung Lдnge a
InternBDB:
InternKon:
SerienBem:
Zwhead_Deu:
Zwhead_Eng:
? 898 050 40 Pipe Ш 25 1
EnglischBem:
DeutschBem:
DeutschDesc: Rohrleitung Ш 25
InternBDB:
InternKon:
SerienBem:
Zwhead_Deu:
Zwhead_Eng:
? 507 025 98 Nut 24
EnglischBem:
DeutschBem:
DeutschDesc: Mutter
InternBDB:
InternKon:
SerienBem:
Zwhead_Deu:
Zwhead_Eng:
? 654 130 40 Protection cap 28
EnglischBem:
DeutschBem:
DeutschDesc: Schutzkappe
InternBDB:
InternKon:
SerienBem:
Zwhead_Deu:
Zwhead_Eng:
? 534 009 99 Weld on plate 2
EnglischBem:
DeutschBem:
DeutschDesc: AnschweiЯplatte
InternBDB:
InternKon:
SerienBem:
Zwhead_Deu:
Zwhead_Eng:
? 534 008 99 Cover plate 2
EnglischBem:
DeutschBem:
DeutschDesc: Deckplatte
InternBDB:
InternKon:
SerienBem:
Zwhead_Deu:
Zwhead_Eng:
? 502 625 98 Grommet 2
EnglischBem:
DeutschBem:
DeutschDesc: Gummieinsatz
InternBDB:
InternKon:
SerienBem:
Zwhead_Deu:
Zwhead_Eng:
? 308 613 99 Bolt 4
EnglischBem:
DeutschBem:
DeutschDesc: Schraube
InternBDB:
InternKon:
SerienBem:
Zwhead_Deu:
Zwhead_Eng:
? 515 027 40 Hose connection straight 2
EnglischBem:
DeutschBem:
DeutschDesc: Schlauchstutzen gerade
InternBDB:
InternKon:
SerienBem:
Zwhead_Deu:
Zwhead_Eng:
? 898 511 40 Pipe Ш 25 1
EnglischBem:
DeutschBem:
DeutschDesc: Rohrleitung Ш 25
InternBDB:
InternKon:
SerienBem:
Zwhead_Deu:
Zwhead_Eng:
? 372 415 99 Union 1
EnglischBem:
DeutschBem:
DeutschDesc: Verschraubung
InternBDB:
InternKon:
SerienBem:
Zwhead_Deu:
Zwhead_Eng:
? 906 347 40 Olive 11
EnglischBem:
DeutschBem:
DeutschDesc: Schneidring
InternBDB:
InternKon:
SerienBem:
Zwhead_Deu:
Zwhead_Eng:
? 371 264 99 Union nut 3
EnglischBem:
DeutschBem:
DeutschDesc: Ьberwurfmutter
InternBDB:
InternKon:
SerienBem:
Zwhead_Deu:
Zwhead_Eng:
? 906 868 40 Olive 3
EnglischBem:
DeutschBem:
DeutschDesc: Schneidring
InternBDB:
InternKon:
SerienBem:
Zwhead_Deu:
Zwhead_Eng:

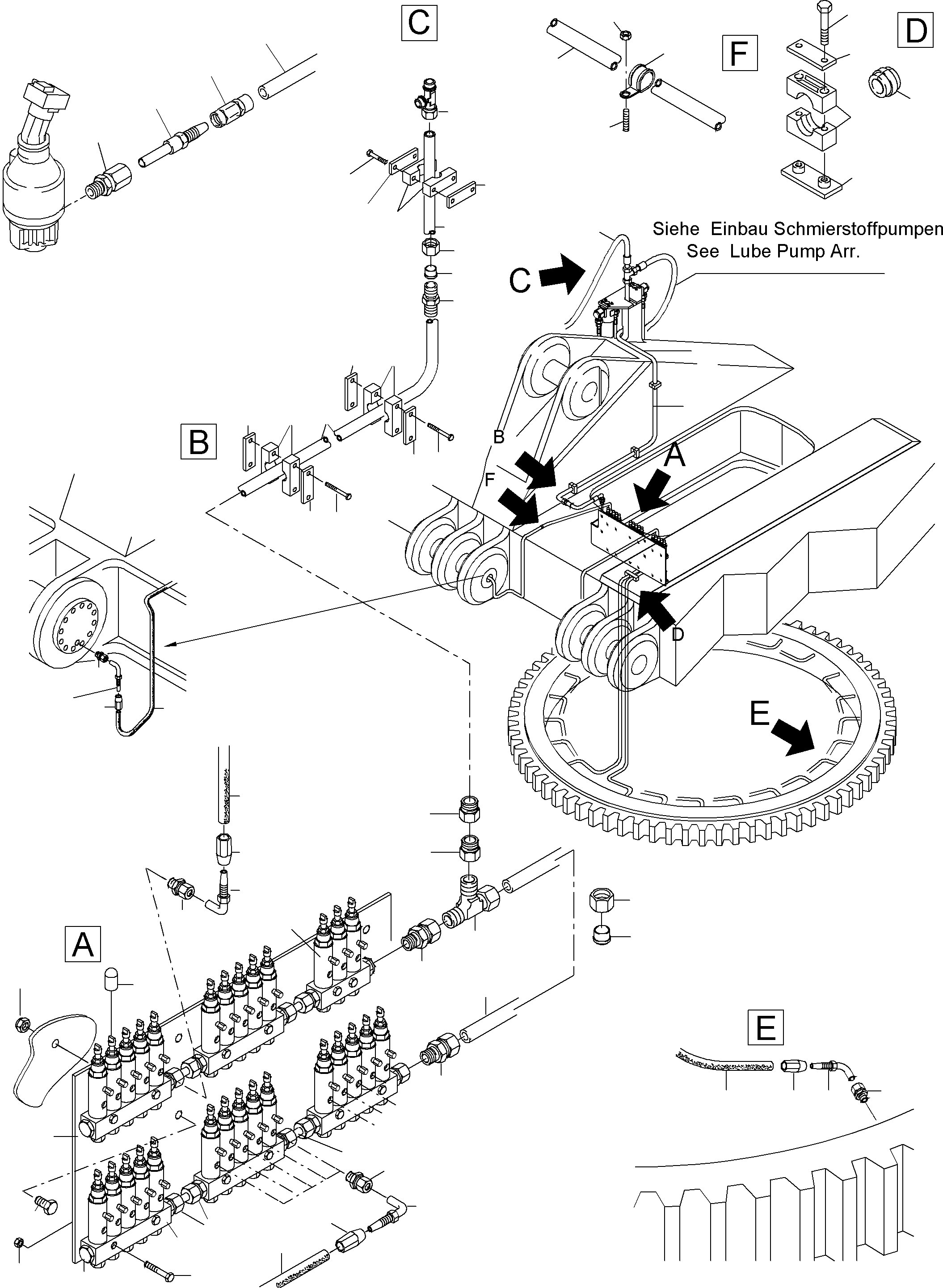
Excavators Mining Komatsu / PC4000-6 S/N 08179(g08179) / Lube Distributor Slew Ring(355-2320a : 355-2320a)
?
?
?
?
?
?
?
?
?
?
?
?
?
?
?
?
?
?
?
?
?
?
?
?
?
?
?
?
?
?
?
?
?
?
?
?
?
?
?
?
?
?
?
?
?
?
?
?
?
?
?
?
?
?
?
?
?
?
?
?
?
?
?
?
?
?
?
?
?