k-part
Номер на схеме Каталожный номер Название Количество Детали
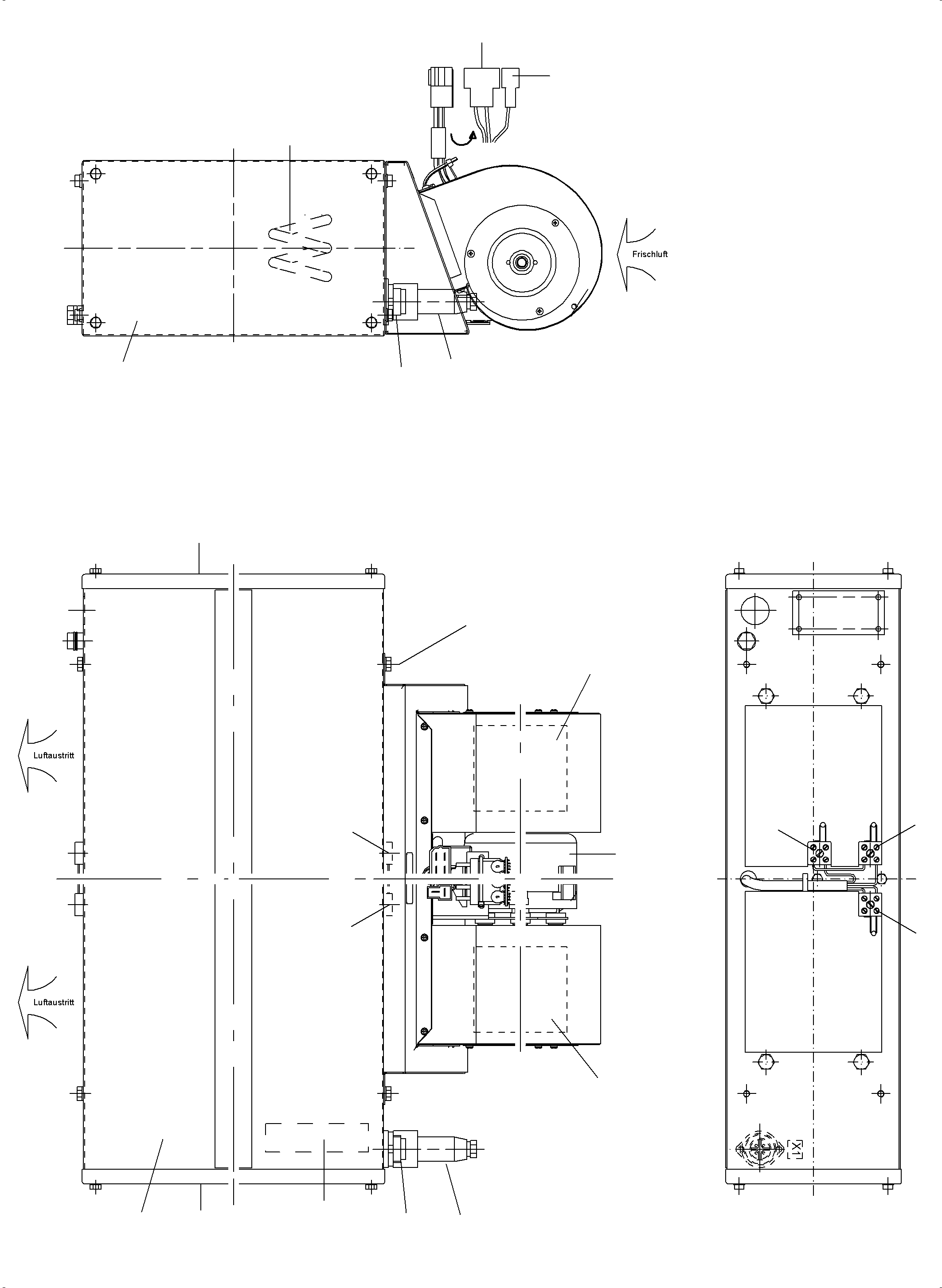
? 941 331 40 Electric heater 1
EnglischBem:
DeutschBem:
DeutschDesc: E-Heizung
InternBDB:
InternKon:
SerienBem:
Zwhead_Deu:
Zwhead_Eng:
? 796 190 73 Heating unit (exist. of pos.03-10) A/R
EnglischBem:
DeutschBem:
DeutschDesc: Heizeinheit (best. aus Pos. 03-10)
InternBDB:
InternKon:
SerienBem:
Zwhead_Deu:
Zwhead_Eng:
? 769 519 73 Heating element assy. 230V (inclusive pos.04) 1
EnglischBem:
DeutschBem:
DeutschDesc: Heizeinsatz 230V kpl. (inklusive Pos.04)
InternBDB:
InternKon:
SerienBem:
Zwhead_Deu:
Zwhead_Eng:
? 769 520 73 Pipe radiator 115V /1000W 6
EnglischBem:
DeutschBem:
DeutschDesc: Rohrheizkцrper 115V /1000W
InternBDB:
InternKon:
SerienBem:
Zwhead_Deu:
Zwhead_Eng:
? 797 191 73 Control plate 24V 1
EnglischBem:
DeutschBem:
DeutschDesc: Steuerplatine 24V
InternBDB:
InternKon:
SerienBem:
Zwhead_Deu:
Zwhead_Eng:
? 769 523 73 Sensor 60° 2
EnglischBem:
DeutschBem:
DeutschDesc: Temperaturfьhler 60°
InternBDB:
InternKon:
SerienBem:
Zwhead_Deu:
Zwhead_Eng:
? 769 522 73 Sensor 70° 1
EnglischBem:
DeutschBem:
DeutschDesc: Temperaturfьhler 70°
InternBDB:
InternKon:
SerienBem:
Zwhead_Deu:
Zwhead_Eng:
? 769 521 73 Sensor 100° 2
EnglischBem:
DeutschBem:
DeutschDesc: Temperaturfьhler 100°
InternBDB:
InternKon:
SerienBem:
Zwhead_Deu:
Zwhead_Eng:
? 796 191 73 Cap, left h. 1
EnglischBem:
DeutschBem:
DeutschDesc: Abdeckkappe, links
InternBDB:
InternKon:
SerienBem:
Zwhead_Deu:
Zwhead_Eng:
? 796 192 73 Cap, right h. 1
EnglischBem:
DeutschBem:
DeutschDesc: Abdeckkappe, rechts
InternBDB:
InternKon:
SerienBem:
Zwhead_Deu:
Zwhead_Eng:
? 796 281 73 Blower assy. 24V (incl. 12+13) 1
EnglischBem:
DeutschBem:
DeutschDesc: Geblдseeinheit 24V kpl. (inkl. 12+13)
InternBDB:
InternKon:
SerienBem:
Zwhead_Deu:
Zwhead_Eng:
? 966 908 Impeller r.h. 1
EnglischBem:
DeutschBem:
DeutschDesc: Schaufelrad rechts
InternBDB:
InternKon:
SerienBem:
Zwhead_Deu:
Zwhead_Eng:
? 966 909 Impeller l.h. 1
EnglischBem:
DeutschBem:
DeutschDesc: Schaufelrad links
InternBDB:
InternKon:
SerienBem:
Zwhead_Deu:
Zwhead_Eng:
? 769 527 73 Plug 4-poles 1
EnglischBem:
DeutschBem:
DeutschDesc: Gerдtestecker 4-polig
InternBDB:
InternKon:
SerienBem:
Zwhead_Deu:
Zwhead_Eng:
? 796 193 73 Cable socket 1
EnglischBem:
DeutschBem:
DeutschDesc: Kabeldose
InternBDB:
InternKon:
SerienBem:
Zwhead_Deu:
Zwhead_Eng:
? 307 727 99 Bolt 4
EnglischBem:
DeutschBem:
DeutschDesc: Schraube
InternBDB:
InternKon:
SerienBem:
Zwhead_Deu:
Zwhead_Eng:
? 340 405 99 Lock washer 4
EnglischBem:
DeutschBem:
DeutschDesc: Federring
InternBDB:
InternKon:
SerienBem:
Zwhead_Deu:
Zwhead_Eng:
? 697 215 73 Tab 1
EnglischBem:
DeutschBem:
DeutschDesc: Flachstecker
InternBDB:
InternKon:
SerienBem:
Zwhead_Deu:
Zwhead_Eng:
? 796 194 73 Tab 1
EnglischBem:
DeutschBem:
DeutschDesc: Flachstecker
InternBDB:
InternKon:
SerienBem:
Zwhead_Deu:
Zwhead_Eng:

Excavators Mining Komatsu / PC3000-6E S/N 46231(G46231) / Electric Heater (collectorless)(991-0847 : 991-0847)
?
?
?
?
?
?
?
?
?
?
?
?
?
?
?
?
?
?
?
?
?
?
?