| Наименование | Страница | Код страницы |
|---|---|---|
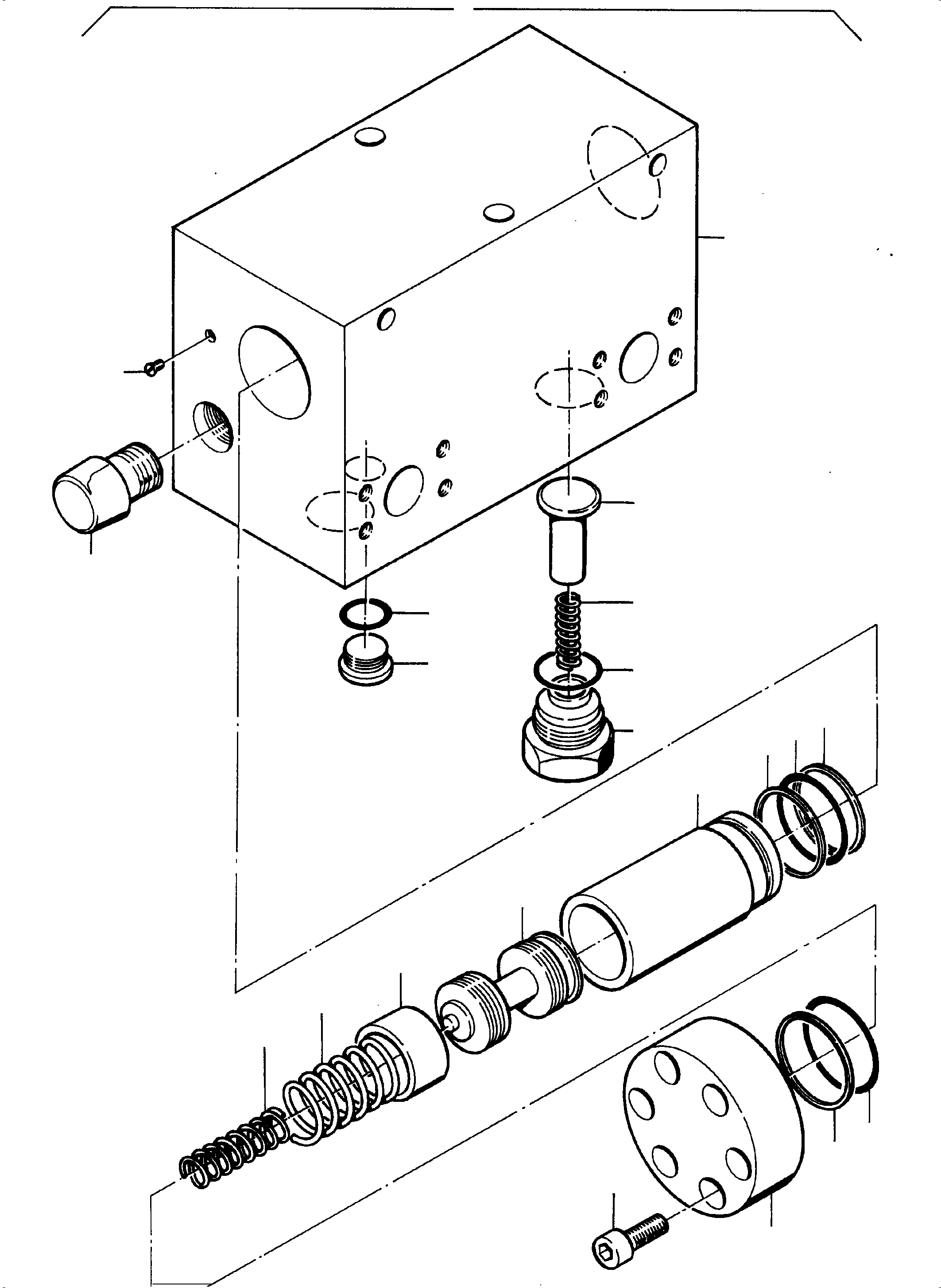
| Pressure Relief Valve | 090-0186 | 090-0186 |
| Номер на схеме | Каталожный номер | Название | Количество | Детали | |||
|---|---|---|---|---|---|---|---|
| ? | 358 617 40 | Brake valve assy. 265 bar | 1 | EnglischBem: DeutschBem: DeutschDesc: Bremsventil, kpl. 265 bar InternBDB: InternKon: SerienBem: Zwhead_Deu: Zwhead_Eng: |
|||
| ? | 414 788 40 | Brake valve assy. 290 bar | 1 | EnglischBem: DeutschBem: DeutschDesc: Bremsventil, kpl. 290 bar InternBDB: InternKon: SerienBem: Zwhead_Deu: Zwhead_Eng: |
|||
| ? | Housing | 1 | EnglischBem: DeutschBem: DeutschDesc: Gehдuse InternBDB: InternKon: SerienBem: Zwhead_Deu: Zwhead_Eng: |
||||
| ? | 754 587 | Safety plug | 6 | EnglischBem: DeutschBem: DeutschDesc: AbreiЯstopfen InternBDB: InternKon: SerienBem: Zwhead_Deu: Zwhead_Eng: |
|||
| ? | 319 442 99 | Screw | 12 | EnglischBem: DeutschBem: DeutschDesc: Schraube InternBDB: InternKon: SerienBem: Zwhead_Deu: Zwhead_Eng: |
|||
| ? | 694 134 | Cover | 2 | EnglischBem: DeutschBem: DeutschDesc: Deckel InternBDB: InternKon: SerienBem: Zwhead_Deu: Zwhead_Eng: |
|||
| ? | 997 792 | Support ring | 2 | EnglischBem: DeutschBem: DeutschDesc: Stьtzring InternBDB: InternKon: SerienBem: Zwhead_Deu: Zwhead_Eng: |
|||
| ? | 101 537 64 | O-ring | 2 | EnglischBem: DeutschBem: DeutschDesc: O-Ring InternBDB: InternKon: SerienBem: Zwhead_Deu: Zwhead_Eng: |
|||
| ? | 994 837 | Spring | 2 | EnglischBem: DeutschBem: DeutschDesc: Feder InternBDB: InternKon: SerienBem: Zwhead_Deu: Zwhead_Eng: |
|||
| ? | 994 838 | Spring | 2 | EnglischBem: DeutschBem: DeutschDesc: Feder InternBDB: InternKon: SerienBem: Zwhead_Deu: Zwhead_Eng: |
|||
| ? | 754 588 | Spacer block | 2 | EnglischBem: DeutschBem: DeutschDesc: Distanzstьck InternBDB: InternKon: SerienBem: Zwhead_Deu: Zwhead_Eng: |
|||
| ? | Piston | 2 | EnglischBem: DeutschBem: DeutschDesc: Kolben InternBDB: InternKon: SerienBem: Zwhead_Deu: Zwhead_Eng: |
||||
| ? | Bush | 2 | EnglischBem: DeutschBem: DeutschDesc: Buchse InternBDB: InternKon: SerienBem: Zwhead_Deu: Zwhead_Eng: |
||||
| ? | 797 697 73 | Set out of pos. 12+13, piston and bush | A/R | EnglischBem: DeutschBem: DeutschDesc: Satz aus Pos.12+13, Kolben mit Buchse InternBDB: InternKon: SerienBem: Zwhead_Deu: Zwhead_Eng: |
|||
| ? | 997 791 | Support ring | 4 | EnglischBem: DeutschBem: DeutschDesc: Stьtzring InternBDB: InternKon: SerienBem: Zwhead_Deu: Zwhead_Eng: |
|||
| ? | 912 829 | O-ring | 2 | EnglischBem: DeutschBem: DeutschDesc: O-Ring InternBDB: InternKon: SerienBem: Zwhead_Deu: Zwhead_Eng: |
|||
| ? | 754 591 | Plug | 2 | EnglischBem: DeutschBem: DeutschDesc: VerschluЯschraube InternBDB: InternKon: SerienBem: Zwhead_Deu: Zwhead_Eng: |
|||
| ? | 500 580 98 | O-ring | 2 | EnglischBem: DeutschBem: DeutschDesc: O-Ring InternBDB: InternKon: SerienBem: Zwhead_Deu: Zwhead_Eng: |
|||
| ? | 255 012 40 | Spring | 2 | EnglischBem: DeutschBem: DeutschDesc: Feder InternBDB: InternKon: SerienBem: Zwhead_Deu: Zwhead_Eng: |
|||
| ? | 255 011 40 | Taper | 2 | EnglischBem: DeutschBem: DeutschDesc: Kegel InternBDB: InternKon: SerienBem: Zwhead_Deu: Zwhead_Eng: |
|||
| ? | 994 826 | Plug | 2 | EnglischBem: DeutschBem: DeutschDesc: VerschluЯschraube InternBDB: InternKon: SerienBem: Zwhead_Deu: Zwhead_Eng: |
|||
| ? | 501 275 98 | O-ring | 2 | EnglischBem: DeutschBem: DeutschDesc: O-Ring InternBDB: InternKon: SerienBem: Zwhead_Deu: Zwhead_Eng: |
|||
| ? | 994 836 | Seal kit, assy. fig-nos: 07,08,14,15,17,21 | A/R | EnglischBem: DeutschBem: DeutschDesc: Dichtsatz, kpl. Bild-Nr. 07,08,14,15,17,21 InternBDB: InternKon: SerienBem: Zwhead_Deu: Zwhead_Eng: |