| Наименование | Страница | Код страницы |
|---|---|---|
| Travelling Gear Brake Valve | 090-0392 | 090-0392 |
| Номер на схеме | Каталожный номер | Название | Количество | Детали | |||
|---|---|---|---|---|---|---|---|
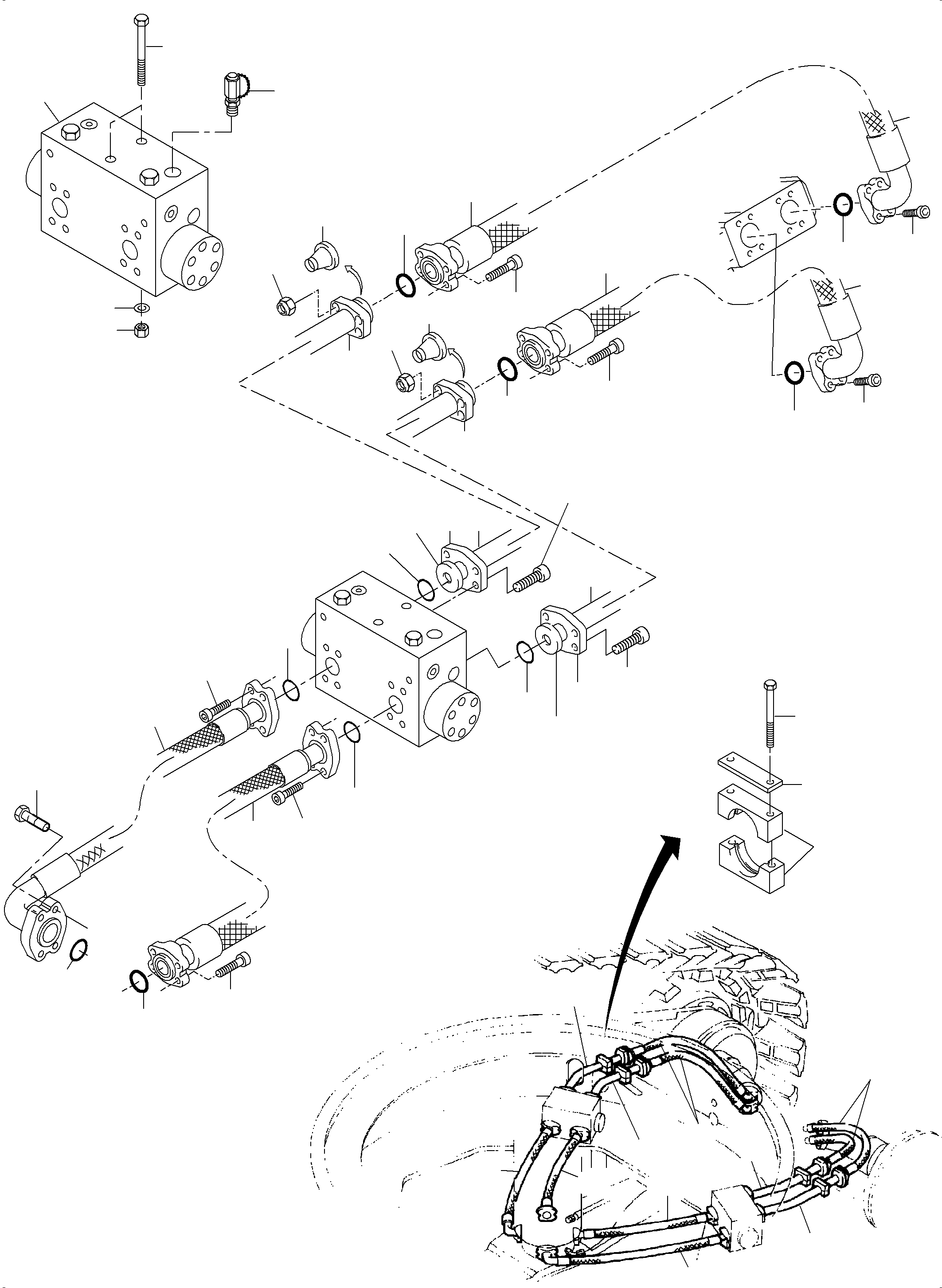
| ? | 515 906 98 | Hose assy. DN 40x940 | 2 | EnglischBem: DeutschBem: DeutschDesc: Schlauchleitung DN 40x940 InternBDB: InternKon: SerienBem: Zwhead_Deu: Zwhead_Eng: |
|||
| ? | 515 907 98 | Hose assy. DN 40x730 | 2 | EnglischBem: DeutschBem: DeutschDesc: Schlauchleitung DN 40x730 InternBDB: InternKon: SerienBem: Zwhead_Deu: Zwhead_Eng: |
|||
| ? | 517 695 98 | Hose assy. | 4 | EnglischBem: DeutschBem: DeutschDesc: Schlauchleitung InternBDB: InternKon: SerienBem: Zwhead_Deu: Zwhead_Eng: |
|||
| ? | 795 692 73 | Pipe assy. | 2 | EnglischBem: DeutschBem: DeutschDesc: Rohrleitung ш50 kpl. InternBDB: InternKon: SerienBem: Zwhead_Deu: Zwhead_Eng: |
|||
| ? | 319 188 99 | Bolt | 64 | EnglischBem: DeutschBem: DeutschDesc: Schraube InternBDB: InternKon: SerienBem: Zwhead_Deu: Zwhead_Eng: |
|||
| ? | 356 209 40 | Flange seal | 20 | EnglischBem: DeutschBem: DeutschDesc: Flanschdichtung InternBDB: InternKon: SerienBem: Zwhead_Deu: Zwhead_Eng: |
|||
| ? | 502 977 98 | Pair of clamps | 4 | EnglischBem: DeutschBem: DeutschDesc: Klemmenpaar InternBDB: InternKon: SerienBem: Zwhead_Deu: Zwhead_Eng: |
|||
| ? | 795 693 73 | Pipe assy. | 1 | EnglischBem: DeutschBem: DeutschDesc: Rohrleitung ш50 kpl. InternBDB: InternKon: SerienBem: Zwhead_Deu: Zwhead_Eng: |
|||
| ? | 534 008 99 | Cover plate | 6 | EnglischBem: DeutschBem: DeutschDesc: Deckplatte InternBDB: InternKon: SerienBem: Zwhead_Deu: Zwhead_Eng: |
|||
| ? | 308 614 99 | Bolt | 8 | EnglischBem: DeutschBem: DeutschDesc: Schraube InternBDB: InternKon: SerienBem: Zwhead_Deu: Zwhead_Eng: |
|||
| ? | 308 333 99 | Bolt | 4 | EnglischBem: DeutschBem: DeutschDesc: Schraube InternBDB: InternKon: SerienBem: Zwhead_Deu: Zwhead_Eng: |
|||
| ? | 517 124 98 | Lock washer | 8 | EnglischBem: DeutschBem: DeutschDesc: Sicherungsscheibe InternBDB: InternKon: SerienBem: Zwhead_Deu: Zwhead_Eng: |
|||
| ? | 515 812 98 | Coupling | 2 | EnglischBem: DeutschBem: DeutschDesc: Kupplung InternBDB: InternKon: SerienBem: Zwhead_Deu: Zwhead_Eng: |
|||
| ? | 795 694 73 | Pipe assy. | 1 | EnglischBem: DeutschBem: DeutschDesc: Rohrleitung ш50 kpl. InternBDB: InternKon: SerienBem: Zwhead_Deu: Zwhead_Eng: |
|||
| ? | 500 127 98 | Flange | 8 | EnglischBem: DeutschBem: DeutschDesc: Flansch InternBDB: InternKon: SerienBem: Zwhead_Deu: Zwhead_Eng: |
|||
| ? | 319 292 99 | Bolt | 16 | EnglischBem: DeutschBem: DeutschDesc: Schraube InternBDB: InternKon: SerienBem: Zwhead_Deu: Zwhead_Eng: |
|||
| ? | 500 203 98 | Collar ring | 4 | EnglischBem: DeutschBem: DeutschDesc: Kragenring InternBDB: InternKon: SerienBem: Zwhead_Deu: Zwhead_Eng: |
|||
| ? | 501 898 98 | Collar ring | 4 | EnglischBem: DeutschBem: DeutschDesc: Kragenring InternBDB: InternKon: SerienBem: Zwhead_Deu: Zwhead_Eng: |
|||
| ? | 332 355 99 | Nut | 16 | EnglischBem: DeutschBem: DeutschDesc: Mutter InternBDB: InternKon: SerienBem: Zwhead_Deu: Zwhead_Eng: |
|||
| ? | 332 338 99 | Nut | 4 | EnglischBem: DeutschBem: DeutschDesc: Mutter InternBDB: InternKon: SerienBem: Zwhead_Deu: Zwhead_Eng: |
|||
| ? | A/R | EnglischBem: DeutschBem: DeutschDesc: InternBDB: InternKon: SerienBem: Zwhead_Deu: Zwhead_Eng: |