k-part
Наименование Страница Код страницы
Pressure Relief Valve 090-0186 090-0186

Номер на схеме Каталожный номер Название Количество Детали
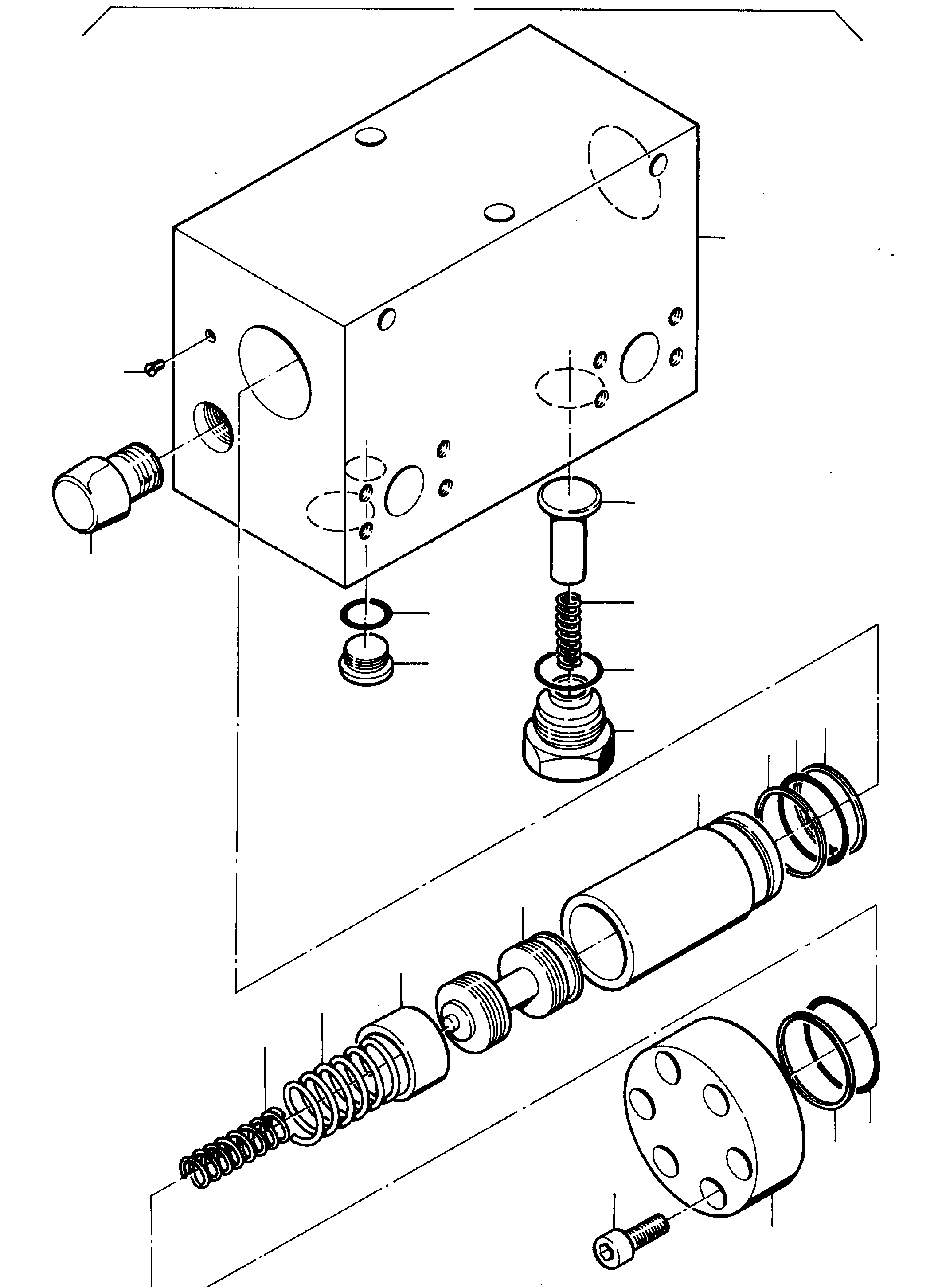
? 358 617 40 Brake valve assy. 265 bar 1
EnglischBem:
DeutschBem:
DeutschDesc: Bremsventil, kpl. 265 bar
InternBDB:
InternKon:
SerienBem:
Zwhead_Deu:
Zwhead_Eng:
? 414 788 40 Brake valve assy. 290 bar 1
EnglischBem:
DeutschBem:
DeutschDesc: Bremsventil, kpl. 290 bar
InternBDB:
InternKon:
SerienBem:
Zwhead_Deu:
Zwhead_Eng:
? Housing 1
EnglischBem:
DeutschBem:
DeutschDesc: Gehдuse
InternBDB:
InternKon:
SerienBem:
Zwhead_Deu:
Zwhead_Eng:
? 754 587 Safety plug 6
EnglischBem:
DeutschBem:
DeutschDesc: AbreiЯstopfen
InternBDB:
InternKon:
SerienBem:
Zwhead_Deu:
Zwhead_Eng:
? 319 442 99 Screw 12
EnglischBem:
DeutschBem:
DeutschDesc: Schraube
InternBDB:
InternKon:
SerienBem:
Zwhead_Deu:
Zwhead_Eng:
? 694 134 Cover 2
EnglischBem:
DeutschBem:
DeutschDesc: Deckel
InternBDB:
InternKon:
SerienBem:
Zwhead_Deu:
Zwhead_Eng:
? 997 792 Support ring 2
EnglischBem:
DeutschBem:
DeutschDesc: Stьtzring
InternBDB:
InternKon:
SerienBem:
Zwhead_Deu:
Zwhead_Eng:
? 101 537 64 O-ring 2
EnglischBem:
DeutschBem:
DeutschDesc: O-Ring
InternBDB:
InternKon:
SerienBem:
Zwhead_Deu:
Zwhead_Eng:
? 994 837 Spring 2
EnglischBem:
DeutschBem:
DeutschDesc: Feder
InternBDB:
InternKon:
SerienBem:
Zwhead_Deu:
Zwhead_Eng:
? 994 838 Spring 2
EnglischBem:
DeutschBem:
DeutschDesc: Feder
InternBDB:
InternKon:
SerienBem:
Zwhead_Deu:
Zwhead_Eng:
? 754 588 Spacer block 2
EnglischBem:
DeutschBem:
DeutschDesc: Distanzstьck
InternBDB:
InternKon:
SerienBem:
Zwhead_Deu:
Zwhead_Eng:
? Piston 2
EnglischBem:
DeutschBem:
DeutschDesc: Kolben
InternBDB:
InternKon:
SerienBem:
Zwhead_Deu:
Zwhead_Eng:
? Bush 2
EnglischBem:
DeutschBem:
DeutschDesc: Buchse
InternBDB:
InternKon:
SerienBem:
Zwhead_Deu:
Zwhead_Eng:
? 997 791 Support ring 4
EnglischBem:
DeutschBem:
DeutschDesc: Stьtzring
InternBDB:
InternKon:
SerienBem:
Zwhead_Deu:
Zwhead_Eng:
? 912 829 O-ring 2
EnglischBem:
DeutschBem:
DeutschDesc: O-Ring
InternBDB:
InternKon:
SerienBem:
Zwhead_Deu:
Zwhead_Eng:
? 754 591 Plug 2
EnglischBem:
DeutschBem:
DeutschDesc: VerschluЯschraube
InternBDB:
InternKon:
SerienBem:
Zwhead_Deu:
Zwhead_Eng:
? 500 580 98 O-ring 2
EnglischBem:
DeutschBem:
DeutschDesc: O-Ring
InternBDB:
InternKon:
SerienBem:
Zwhead_Deu:
Zwhead_Eng:
? 255 012 40 Spring 2
EnglischBem:
DeutschBem:
DeutschDesc: Feder
InternBDB:
InternKon:
SerienBem:
Zwhead_Deu:
Zwhead_Eng:
? 255 011 40 Taper 2
EnglischBem:
DeutschBem:
DeutschDesc: Kegel
InternBDB:
InternKon:
SerienBem:
Zwhead_Deu:
Zwhead_Eng:
? 994 826 Plug 2
EnglischBem:
DeutschBem:
DeutschDesc: VerschluЯschraube
InternBDB:
InternKon:
SerienBem:
Zwhead_Deu:
Zwhead_Eng:
? 501 275 98 O-ring 2
EnglischBem:
DeutschBem:
DeutschDesc: O-Ring
InternBDB:
InternKon:
SerienBem:
Zwhead_Deu:
Zwhead_Eng:
? 994 836 Seal kit, assy. fig-nos: 07,08,14,15,17,21 A/R
EnglischBem:
DeutschBem:
DeutschDesc: Dichtsatz, kpl. Bild-Nr. 07,08,14,15,17,21
InternBDB:
InternKon:
SerienBem:
Zwhead_Deu:
Zwhead_Eng:

Excavators Mining Komatsu / PC3000-6 S/N 46206(G46206) / Travelling Gear Brake Valve(090-0392 : 090-0392)
?
?
?
?
?
?
?
?
?
?
?
?
?
?
?
?
?
?
?
?
?
?