| Номер на схеме | Каталожный номер | Название | Количество | Детали | |||
|---|---|---|---|---|---|---|---|
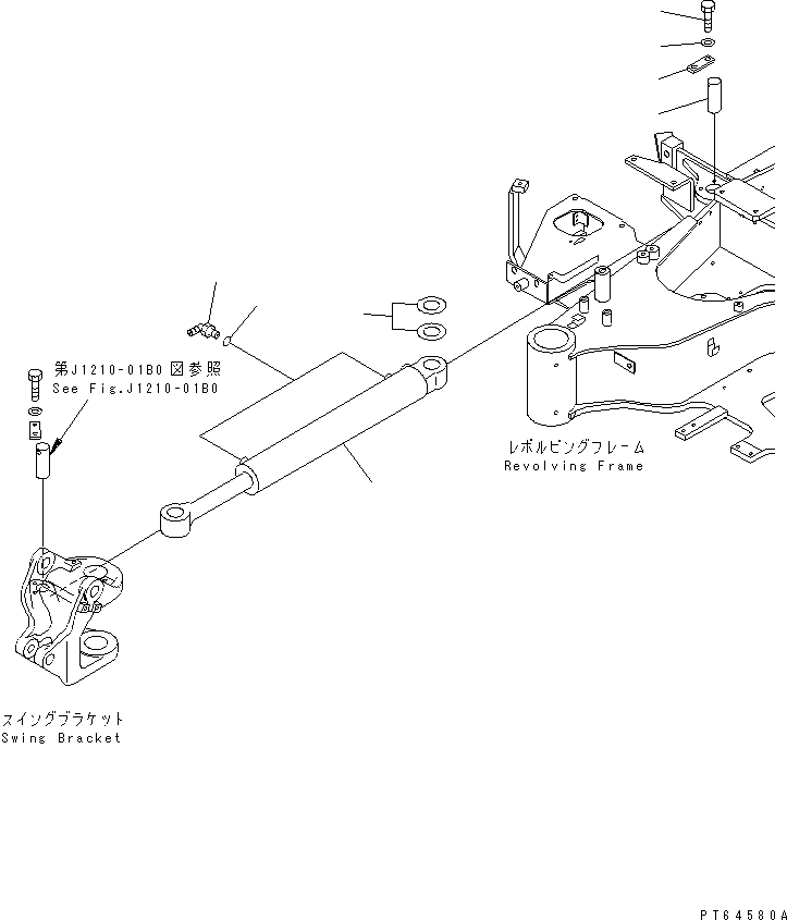
| ? | 721-00-70591 | CYLINDER ASS'Y,BOOM SWING | 1 | SN: 13091- KIT-FLAG: _- SERIALNO: 13091- |
|||
| ? | (721-00-70590) | CYLINDER ASS'Y,BOOM SWING | 1 | SN: 10001-13090 KIT-FLAG: _- SERIALNO: 10001-13090 |
|||
| ? | 22K-70-11490 | PIN | 1 | SN: 10001- KIT-FLAG: _- SERIALNO: 10001- |
|||
| ? | 04082-00212 | LOCK | 1 | SN: 10001- KIT-FLAG: _- SERIALNO: 10001- |
|||
| ? | 01010-81225 | BOLT | 2 | SN: 10001- KIT-FLAG: _- SERIALNO: 10001- |
|||
| ? | 01643-31232 | WASHER | 2 | SN: 10001- KIT-FLAG: _- SERIALNO: 10001- |
|||
| ? | 21U-70-11740 | SPACER, 1.0MM | 2 | SN: 10001- KIT-FLAG: _- SERIALNO: 10001- |
|||
| ? | 07235-10210 | ELBOW | 2 | SN: 10001- KIT-FLAG: _- SERIALNO: 10001- |
|||
| ? | 07002-11423 | O-RING | 2 | SN: 10001- KIT-FLAG: _- SERIALNO: 10001- |