k-part
Номер на схеме Каталожный номер Название Количество Детали
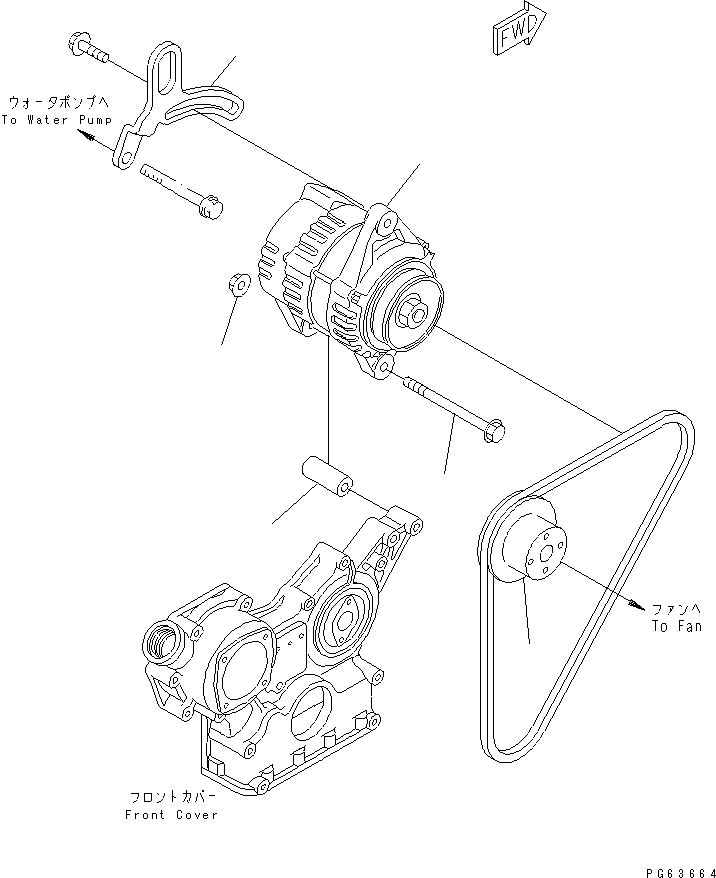
? YM119836-77200 ALTERNATOR A. (40A) 1
SN: 10001-
KIT-FLAG: _-
SERIALNO: 10001-
? YM129136-77250 BOLT 1
SN: 10001-
KIT-FLAG: _-
SERIALNO: 10001-
? YM119820-77340 SPACER 1
SN: 10001-
KIT-FLAG: _-
SERIALNO: 10001-
? YM26366-080002 NUT 1
SN: 10001-
KIT-FLAG: _-
SERIALNO: 10001-
? YM119810-77330 PLATE,ADJUST 1
SN: 10001-
KIT-FLAG: _-
SERIALNO: 10001-
? YM129155-42350 PULLEY 1
SN: 10001-
KIT-FLAG: _-
SERIALNO: 10001-

Excavators Komatsu / PC27R-8 S/N 10001-UP(pc27r-8c) / ALTERNATOR AND RELATED PARTS (WITH AIR CONDITIONER)(030030 : A6010-01A0)
?
?
?
?
?
?