| Номер на схеме | Каталожный номер | Название | Количество | Детали | |||
|---|---|---|---|---|---|---|---|
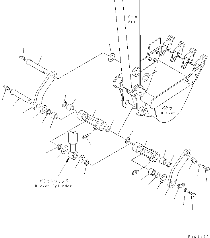
| ? | 22L-70-12510 | LINK,L.H. | 1 | SN: 10001- KIT-FLAG: _- SERIALNO: 10001- |
|||
| ? | 22L-70-12520 | LINK,R.H. | 1 | SN: 10001- KIT-FLAG: _- SERIALNO: 10001- |
|||
| ? | 22L-70-12060 | LINK ASS'Y,L.H. | 1 | SN: 10001- KIT-FLAG: _- SERIALNO: 10001- |
|||
| ? | 22L-70-12700 | • LINK | 1 | SN: 10001- KIT-FLAG: _- SERIALNO: 10001- |
|||
| ? | ☆ | • • LINK | 1 | SN: 10001- KIT-FLAG: _- SERIALNO: 10001- |
|||
| ? | 07144-10304 | • • BUSHING | 2 | SN: 10001- KIT-FLAG: _- SERIALNO: 10001- |
|||
| ? | 07145-00035 | • SEAL,DUST | 4 | SN: 10001- KIT-FLAG: _- SERIALNO: 10001- |
|||
| ? | 07020-00000 | • FITTING,GREASE | 1 | SN: 10001- KIT-FLAG: _- SERIALNO: 10001- |
|||
| ? | 22L-70-12070 | LINK ASS'Y,R.H. | 1 | SN: 10001- KIT-FLAG: _- SERIALNO: 10001- |
|||
| ? | 22L-70-12800 | • LINK | 1 | SN: 10001- KIT-FLAG: _- SERIALNO: 10001- |
|||
| ? | ☆ | • • LINK | 1 | SN: 10001- KIT-FLAG: _- SERIALNO: 10001- |
|||
| ? | 07144-10304 | • • BUSHING | 2 | SN: 10001- KIT-FLAG: _- SERIALNO: 10001- |
|||
| ? | 07145-00035 | • SEAL,DUST | 4 | SN: 10001- KIT-FLAG: _- SERIALNO: 10001- |
|||
| ? | 07020-00000 | • FITTING,GREASE | 1 | SN: 10001- KIT-FLAG: _- SERIALNO: 10001- |
|||
| ? | 21U-70-30620 | PIN ASS'Y | 2 | SN: 10001- KIT-FLAG: _- SERIALNO: 10001- |
|||
| ? | 21U-70-34820 | • PIN | 1 | SN: 10001- KIT-FLAG: _- SERIALNO: 10001- |
|||
| ? | 07020-00000 | • FITTING,GREASE | 1 | SN: 10001- KIT-FLAG: _- SERIALNO: 10001- |
|||
| ? | 04082-00212 | LOCK | 2 | SN: 10001- KIT-FLAG: _- SERIALNO: 10001- |
|||
| ? | 01010-81225 | BOLT | 4 | SN: 10001- KIT-FLAG: _- SERIALNO: 10001- |
|||
| ? | 01643-31232 | WASHER | 4 | SN: 10001- KIT-FLAG: _- SERIALNO: 10001- |
|||
| ? | 20N-70-41270 | SPACER, 1.0MM | 7 | SN: 10001- KIT-FLAG: _- SERIALNO: 10001- |