| Номер на схеме | Каталожный номер | Название | Количество | Детали | |||
|---|---|---|---|---|---|---|---|
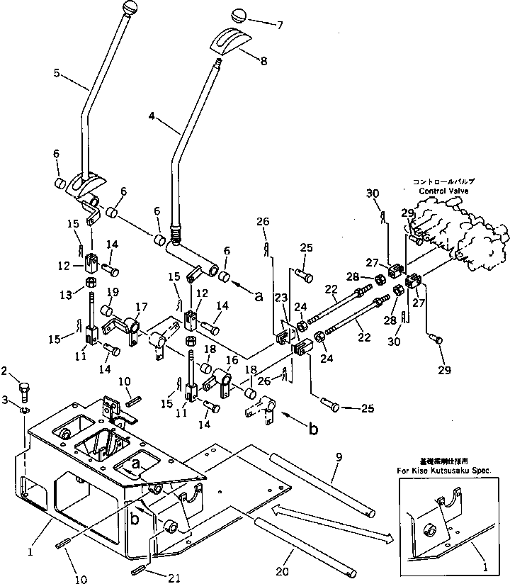
| ? | 21U-43-11111 | BRACKET | 1 | SN: 1001- |
|||
| ? | 21U-43-16110 | BRACKET,(KISO KUTSUSAKU SPEC.) | 1 | SN: 5336- |
|||
| ? | 01010-51025 | BOLT | 6 | SN: 1001- |
|||
| ? | 01602-21030 | WASHER,SPRING | 6 | SN: 1001- |
|||
| ? | 21U-43-11411 | LEVER,L.H. | 1 | SN: 2358- |
|||
| ? | 21U-43-11410 | LEVER,L.H. | 1 | SN: 1001-2357 |
|||
| ? | 21U-43-11451 | LEVER,R.H. | 1 | SN: 2358- |
|||
| ? | 21U-43-11450 | LEVER,R.H. | 1 | SN: 1001-2357 |
|||
| ? | 09350-02520 | BUSHING | 4 | SN: 1001- |
|||
| ? | 203-43-41910 | KNOB | 2 | SN: 1001- |
|||
| ? | 20S-43-11230 | COVER | 2 | SN: 1001- |
|||
| ? | 21U-43-11121 | SHAFT | 1 | SN: 1001- |
|||
| ? | 04025-00640 | PIN,SPRING | 1 | SN: 1001- |
|||
| ? | 04244-41012 | ROD | 2 | SN: 1001- |
|||
| ? | 04210-21040 | YOKE | 2 | SN: 1001- |
|||
| ? | 01582-11008 | NUT | 2 | SN: 1001- |
|||
| ? | 04205-11026 | PIN | 4 | SN: 1001- |
|||
| ? | 04052-11038 | PIN,SNAP | 4 | SN: 1001- |
|||
| ? | 21U-43-11420 | LEVER | 1 | SN: 1001- |
|||
| ? | 21U-43-11460 | LEVER | 1 | SN: 1001- |
|||
| ? | 09350-02520 | BUSHING | 2 | SN: 1001- |
|||
| ? | 09350-02530 | BUSHING | 1 | SN: 1001- |
|||
| ? | 21U-43-11130 | SHAFT | 1 | SN: 1001- |
|||
| ? | 04025-00640 | PIN,SPRING | 1 | SN: 1001- |
|||
| ? | 04248-31026 | ROD | 2 | SN: 1001- |
|||
| ? | 04220-21040 | YOKE,L.H. THREAD | 2 | SN: 1001- |
|||
| ? | 01508-41006 | NUT,L.H. THREAD | 2 | SN: 1001- |
|||
| ? | 04205-11026 | PIN | 2 | SN: 1001- |
|||
| ? | 04052-11038 | PIN,SNAP | 2 | SN: 1001- |
|||
| ? | 20S-43-21570 | YOKE | 2 | SN: 1001- |
|||
| ? | 01582-11008 | NUT | 2 | SN: 1001- |
|||
| ? | 04205-10520 | PIN | 2 | SN: 1001- |
|||
| ? | 04052-10530 | PIN,SNAP | 2 | SN: 1001- |
