| Номер на схеме | Каталожный номер | Название | Количество | Детали | |||
|---|---|---|---|---|---|---|---|
| ? | (705-86-14080) | PUMP ASS'Y,(LBR10+10+8) | 1 | SN: 1001-3652 KIT-FLAG: _- SERIALNO: 1001-3652 |
|||
| ? | THIS ASSEMBLY CONSISTS OF ALL PARTS SHOWN IN FIGS.6101 TO 6103. | SERIALNO: |
|||||
| ? | 705-72-20530 | • PUMP ASS'Y,(LBR8) | 1 | SN: 1001-3652 KIT-FLAG: _- SERIALNO: 1001-3652 |
|||
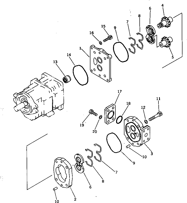
| ? | (★705-67-01510) | • • BRACKET ASS'Y | 1 | SN: 1001-3652 KIT-FLAG: _- SERIALNO: 1001-3652 |
|||
| ? | (★705-67-01350) | • • • BUSHING,PLANE | 2 | SN: 1001-3652 KIT-FLAG: _- SERIALNO: 1001-3652 |
|||
| ? | (★705-67-20110) | • • CASE,GEAR | 1 | SN: 1001-3652 KIT-FLAG: _- SERIALNO: 1001-3652 |
|||
| ? | (★705-68-01110) | • • COVER | 1 | SN: 1001-3652 KIT-FLAG: _- SERIALNO: 1001-3652 |
|||
| ? | (★705-67-01350) | • • • BUSHING,PLANE | 2 | SN: 1001-3652 KIT-FLAG: _- SERIALNO: 1001-3652 |
|||
| ? | (★705-67-20450) | • • GEAR,DRIVE | 1 | SN: 1001-3652 KIT-FLAG: _- SERIALNO: 1001-3652 |
|||
| ? | (★705-67-20510) | • • GEAR,DRIVEN | 1 | SN: 1001-3652 KIT-FLAG: _- SERIALNO: 1001-3652 |
|||
| ? | (★705-67-01610) | • • PLATE,SIDE | 2 | SN: 1001-3652 KIT-FLAG: _- SERIALNO: 1001-3652 |
|||
| ? | (★705-67-01440) | • • RING,BACK-UP | 2 | SN: 1001-3652 KIT-FLAG: _- SERIALNO: 1001-3652 |
|||
| ? | (★705-17-01470) | • • SEAL,RING | 2 | SN: 1001-3652 KIT-FLAG: _- SERIALNO: 1001-3652 |
|||
| ? | (★705-17-01381) | • • O-RING | 2 | SN: 1001-3652 KIT-FLAG: _- SERIALNO: 1001-3652 |
|||
| ? | (★04020-00820) | • • PIN,DOWEL | 4 | SN: 1001-3652 KIT-FLAG: _- SERIALNO: 1001-3652 |
|||
| ? | (★01252-31060) | • • BOLT | 4 | SN: 1001-3652 KIT-FLAG: _- SERIALNO: 1001-3652 |
|||
| ? | (★01643-51032) | • • WASHER | 4 | SN: .-3652 KIT-FLAG: _- SERIALNO: .-3652 |
|||
| ? | ♦01602-21030 | • • WASHER,SPRING | 4 | SN: 1001-. KIT-FLAG: _- SERIALNO: 1001-. |
|||
| ? | 705-67-01330 | • COUPLING ASS'Y | 1 | SN: 1001-@ KIT-FLAG: _- SERIALNO: 1001-@ |
|||
| ? | 705-17-01381 | • O-RING | 1 | SN: 1001-3652 KIT-FLAG: _- SERIALNO: 1001-3652 |
|||
| ? | 01252-30830 | • BOLT | 4 | SN: 1001-3652 KIT-FLAG: _- SERIALNO: 1001-3652 |
|||
| ? | 01643-50823 | • WASHER | 4 | SN: .-@ KIT-FLAG: _- SERIALNO: .-@ |
|||
| ? | ♦01602-20825 | • WASHER,SPRING | 4 | SN: 1001-. KIT-FLAG: _- SERIALNO: 1001-. |
|||
| ? | 705-17-01880 | • PLATE | 1 | SN: 1001-3652 KIT-FLAG: _- SERIALNO: 1001-3652 |
|||
| ? | 07000-03032 | • O-RING | 1 | SN: 1001-3652 KIT-FLAG: _- SERIALNO: 1001-3652 |
|||
| ? | 01010-51025 | • BOLT | 4 | SN: 1001-3652 KIT-FLAG: _- SERIALNO: 1001-3652 |
|||
| ? | 01643-51032 | • WASHER | 4 | SN: .-3652 KIT-FLAG: _- SERIALNO: .-3652 |
|||
| ? | ♦01602-21030 | • WASHER,SPRING | 4 | SN: 1001-. KIT-FLAG: _- SERIALNO: 1001-. |
