| Номер на схеме | Каталожный номер | Название | Количество | Детали | |||
|---|---|---|---|---|---|---|---|
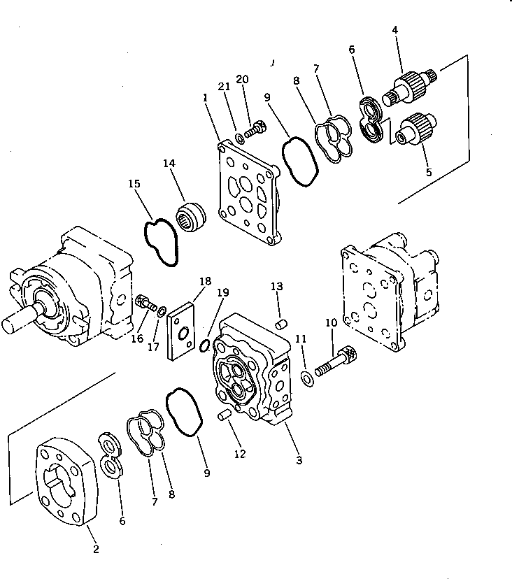
| ? | (705-41-08050) | PUMP ASS'Y,(SBR10+10+8) | 1 | SN: 3653- KIT-FLAG: _- SERIALNO: 3653- |
|||
| ? | THIS ASSEMBLY CONSISTS OF ALL PARTS SHOWN IN FIGS.6101A TO 6103A. | SERIALNO: |
|||||
| ? | 705-41-04001 | • PUMP ASS'Y,(SBR10) | 1 | SN: 3653- KIT-FLAG: _- SERIALNO: 3653- |
|||
| ? | (★705-40-80511) | • • BRACKET | 1 | SN: 3653- KIT-FLAG: _- SERIALNO: 3653- |
|||
| ? | (★705-40-80620) | • • • BUSHING,PLANE (DRIVE SIDE) | 1 | SN: 3653- KIT-FLAG: _- SERIALNO: 3653- |
|||
| ? | (★705-40-80610) | • • • BUSHING,PLANE (DRIVEN SIDE) | 1 | SN: 3653- KIT-FLAG: _- SERIALNO: 3653- |
|||
| ? | (★705-40-22011) | • • CASE,GEAR | 1 | SN: 3653- KIT-FLAG: _- SERIALNO: 3653- |
|||
| ? | (★705-40-80311) | • • CARRIER ASS'Y | 1 | SN: 3653- KIT-FLAG: _- SERIALNO: 3653- |
|||
| ? | (★705-40-80610) | • • • BUSHING,PLANE (DRIVE SIDE) | 1 | SN: 3653- KIT-FLAG: _- SERIALNO: 3653- |
|||
| ? | (★705-40-80620) | • • • BUSHING,PLANE (DRIVEN SIDE) | 1 | SN: 3653- KIT-FLAG: _- SERIALNO: 3653- |
|||
| ? | (★705-40-22462) | • • GEAR,DRIVE | 1 | SN: 3653- KIT-FLAG: _- SERIALNO: 3653- |
|||
| ? | (★705-40-22511) | • • GEAR,DRIVEN | 1 | SN: 3653- KIT-FLAG: _- SERIALNO: 3653- |
|||
| ? | (★705-40-80710) | • • PLATE,SIDE | 2 | SN: 3653- KIT-FLAG: _- SERIALNO: 3653- |
|||
| ? | (★705-40-80730) | • • RING,BACK-UP | 2 | SN: 3653- KIT-FLAG: _- SERIALNO: 3653- |
|||
| ? | (★705-40-80740) | • • RING,SEAL | 2 | SN: 3653- KIT-FLAG: _- SERIALNO: 3653- |
|||
| ? | (★705-40-80630) | • • RING,SEAL | 2 | SN: 3653- KIT-FLAG: _- SERIALNO: 3653- |
|||
| ? | (★01252-31270) | • • BOLT | 4 | SN: 3653- KIT-FLAG: _- SERIALNO: 3653- |
|||
| ? | (★01643-51232) | • • WASHER | 4 | SN: 3653- KIT-FLAG: _- SERIALNO: 3653- |
|||
| ? | (★04020-00820) | • • PIN,DOWEL | 4 | SN: 1001- KIT-FLAG: _- SERIALNO: 1001- |
|||
| ? | (★705-67-01230) | • • PIN,DOWEL | 2 | SN: 1001- KIT-FLAG: _- SERIALNO: 1001- |
|||
| ? | 705-67-01330 | • COUPLING ASS'Y | 1 | SN: 1001- KIT-FLAG: _- SERIALNO: 1001- |
|||
| ? | 705-40-80660 | • SEAL,RING | 1 | SN: 3653- KIT-FLAG: _- SERIALNO: 3653- |
|||
| ? | 705-41-80750 | • BOLT | 2 | SN: 3653- KIT-FLAG: _- SERIALNO: 3653- |
|||
| ? | 01643-50823 | • WASHER | 2 | SN: 3653- KIT-FLAG: _- SERIALNO: 3653- |
|||
| ? | 705-40-80941 | • PLATE | 1 | SN: 3653- KIT-FLAG: _- SERIALNO: 3653- |
|||
| ? | 07000-02021 | • O-RING | 1 | SN: 3653- KIT-FLAG: _- SERIALNO: 3653- |
|||
| ? | 705-41-80750 | • BOLT | 4 | SN: 3653- KIT-FLAG: _- SERIALNO: 3653- |
|||
| ? | 01643-50823 | • WASHER | 4 | SN: 3653- KIT-FLAG: _- SERIALNO: 3653- |
