| Номер на схеме | Каталожный номер | Название | Количество | Детали | |||
|---|---|---|---|---|---|---|---|
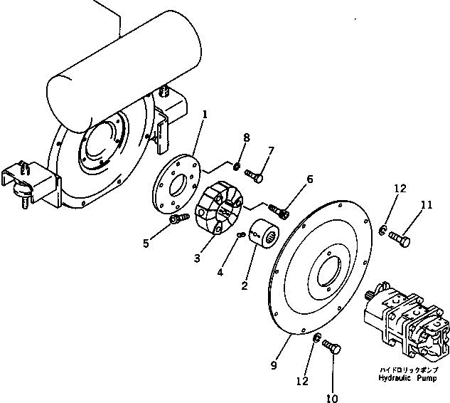
| ? | 20N-01-43200 | COUPLING ASS'Y | 1 | SN: 1001-3652 KIT-FLAG: _- SERIALNO: 1001-3652 |
|||
| ? | 20N-01-43210 | • PLATE | 1 | SN: 1001-3652 KIT-FLAG: _- SERIALNO: 1001-3652 |
|||
| ? | 20R-01-28200 | • COUPLING ASS'Y | 1 | SN: 1001-3652 KIT-FLAG: _- SERIALNO: 1001-3652 |
|||
| ? | 20N-01-12160 | • • BOSS | 1 | SN: 1001-3652 KIT-FLAG: _- SERIALNO: 1001-3652 |
|||
| ? | 20R-01-11210 | • • RUBBER | 1 | SN: 1001-@ KIT-FLAG: _- SERIALNO: 1001-@ |
|||
| ? | 04025-00408 | • • PIN,SPRING | 6 | SN: 1001-@ KIT-FLAG: _- SERIALNO: 1001-@ |
|||
| ? | 20M-01-16630 | • • BOLT | 3 | SN: 1001-@ KIT-FLAG: _- SERIALNO: 1001-@ |
|||
| ? | 20N-01-43251 | • BOLT | 3 | SN: 1001-@ KIT-FLAG: _- SERIALNO: 1001-@ |
|||
| ? | 01010-50825 | BOLT | 6 | SN: 1001-@ KIT-FLAG: _- SERIALNO: 1001-@ |
|||
| ? | 01602-20825 | WASHER,SPRING | 6 | SN: 1001-3652 KIT-FLAG: _- SERIALNO: 1001-3652 |
|||
| ? | 20N-01-43110 | COVER | 1 | SN: 1001-3652 KIT-FLAG: _- SERIALNO: 1001-3652 |
|||
| ? | 01010-51020 | BOLT | 4 | SN: 1001-@ KIT-FLAG: _- SERIALNO: 1001-@ |
|||
| ? | 01010-51025 | BOLT | 4 | SN: 1001-@ KIT-FLAG: _- SERIALNO: 1001-@ |
|||
| ? | 01602-21030 | WASHER,SPRING | 8 | SN: 1001-3652 KIT-FLAG: _- SERIALNO: 1001-3652 |
