k-part
Номер на схеме Каталожный номер Название Количество Детали
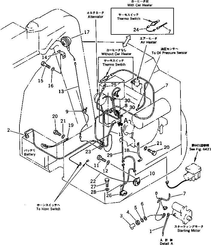
? 21U-06-11315 WIRE 1
SN: 5336-
KIT-FLAG: _-
SERIALNO: 5336-
? 08036-32009 • CAP 1
SN: 5336-
KIT-FLAG: _-
SERIALNO: 5336-
? 08038-02027 • CAP 1
SN: 5336-
KIT-FLAG: _-
SERIALNO: 5336-
? 01580-10806 NUT 1
SN: 5336-
KIT-FLAG: _-
SERIALNO: 5336-
? 01602-20825 WASHER,SPRING 1
SN: 5336-
KIT-FLAG: _-
SERIALNO: 5336-
? 01640-20816 WASHER 1
SN: 5336-
KIT-FLAG: _-
SERIALNO: 5336-
? 21U-06-11225 WIRE ASS'Y 1
SN: 5336-
KIT-FLAG: _-
SERIALNO: 5336-
? 08037-05016 GROMMET 1
SN: 5336-
KIT-FLAG: _-
SERIALNO: 5336-
? 08034-00310 BAND 1
SN: 5336-
KIT-FLAG: _-
SERIALNO: 5336-
? 20N-06-41590 HORN 1
SN: 5336-
KIT-FLAG: _-
SERIALNO: 5336-
? 01010-50816 BOLT 2
SN: 5336-
KIT-FLAG: _-
SERIALNO: 5336-
? 01602-20825 WASHER,SPRING 2
SN: 5336-
KIT-FLAG: _-
SERIALNO: 5336-
? 20N-06-22150 WIRE ASS'Y 1
SN: 5336-
KIT-FLAG: _-
SERIALNO: 5336-
? 20N-06-11222 BRACKET 1
SN: 5336-
KIT-FLAG: _-
SERIALNO: 5336-
? 01010-51225 BOLT 1
SN: 5336-
KIT-FLAG: _-
SERIALNO: 5336-
? 01602-21236 WASHER,SPRING 1
SN: 5336-
KIT-FLAG: _-
SERIALNO: 5336-
? 08125-01200 LAMP ASS'Y 1
SN: 5336-
KIT-FLAG: _-
SERIALNO: 5336-
? 08107-01260 • BULB, 60W 1
SN: 5336-
KIT-FLAG: _-
SERIALNO: 5336-
? 08125-00006 • LENS 1
SN: 5336-
KIT-FLAG: _-
SERIALNO: 5336-
? 20N-06-41330 WIRE 1
SN: 5336-
KIT-FLAG: _-
SERIALNO: 5336-
? 21U-06-11320 WIRE 1
SN: 5336-
KIT-FLAG: _-
SERIALNO: 5336-
? 01010-51020 BOLT 2
SN: 5336-
KIT-FLAG: _-
SERIALNO: 5336-
? 01602-21030 WASHER,SPRING 2
SN: 5336-
KIT-FLAG: _-
SERIALNO: 5336-
? 21U-06-11230 WIRE 1
SN: 5336-
KIT-FLAG: _-
SERIALNO: 5336-
? 08034-00536 BAND 1
SN: 5336-
KIT-FLAG: _-
SERIALNO: 5336-
? 21U-06-17170 WIRE,(WITH CAR HEATER) 1
SN: 5336-
KIT-FLAG: _-
SERIALNO: 5336-
? 203-06-57241 FUSIBLE LINK 1
SN: 5336-
KIT-FLAG: _-
SERIALNO: 5336-
? 203-06-56210 SWITCH 1
SN: 5336-
KIT-FLAG: _-
SERIALNO: 5336-
? 01010-50825 BOLT 2
SN: 5336-
KIT-FLAG: _-
SERIALNO: 5336-
? 01602-20825 WASHER,SPRING 2
SN: 5336-
KIT-FLAG: _-
SERIALNO: 5336-
? 21U-06-14110 WIRE 1
SN: 5336-
KIT-FLAG: _-
SERIALNO: 5336-
? 08034-00536 BAND 2
SN: 5336-
KIT-FLAG: _-
SERIALNO: 5336-

Excavators Komatsu / PC28UU-1 S/N 1001-UP(pc28uu0c) / ELECTRICAL SYSTEM (CHASSIS SIDE) (KISO KUTSUSAKU SPEC.)(#5336-)(030120 : 1423)