| Номер на схеме | Каталожный номер | Название | Количество | Детали | |||
|---|---|---|---|---|---|---|---|
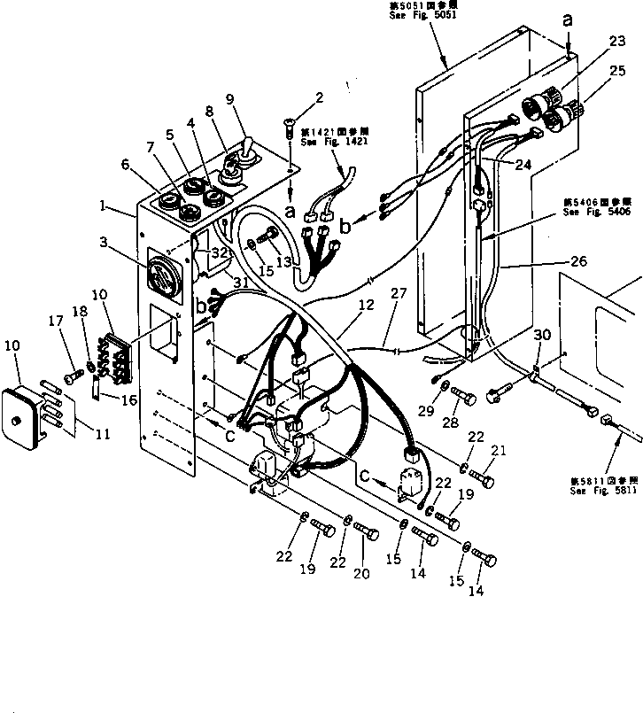
| ? | 21U-06-11115 | PANEL | 1 | SN: 3653- KIT-FLAG: _- SERIALNO: 3653- |
|||
| ? | 21U-06-11111 | PANEL | 1 | SN: 1001-3652 KIT-FLAG: _- SERIALNO: 1001-3652 |
|||
| ? | 20N-06-41130 | SCREW | 6 | SN: 1001- KIT-FLAG: _- SERIALNO: 1001- |
|||
| ? | 20N-06-41580 | METER,SERVICE | 1 | SN: 3653- KIT-FLAG: _- SERIALNO: 3653- |
|||
| ? | 08687-21203 | METER,SERVICE | 1 | SN: 1001-3652 KIT-FLAG: _- SERIALNO: 1001-3652 |
|||
| ? | 08147-41212 | LAMP,WATER TEMPERATURE | 1 | SN: 1001- KIT-FLAG: _- SERIALNO: 1001- |
|||
| ? | 08111-01230 | • BULB, 4W | 1 | SN: 1001- KIT-FLAG: _- SERIALNO: 1001- |
|||
| ? | 20S-06-14130 | LAMP,ENGINE AIR HEATER | 1 | SN: 1001- KIT-FLAG: _- SERIALNO: 1001- |
|||
| ? | 08111-01230 | • BULB, 4W | 1 | SN: 1001- KIT-FLAG: _- SERIALNO: 1001- |
|||
| ? | 10E-06-22150 | LAMP,BATTERY CHARGE | 1 | SN: 1001- KIT-FLAG: _- SERIALNO: 1001- |
|||
| ? | 08111-01230 | • BULB, 4W | 1 | SN: 1001- KIT-FLAG: _- SERIALNO: 1001- |
|||
| ? | 10E-06-22140 | LAMP,OIL PRESSURE | 1 | SN: 1001- KIT-FLAG: _- SERIALNO: 1001- |
|||
| ? | 08111-01230 | • BULB, 4W | 1 | SN: 1001- KIT-FLAG: _- SERIALNO: 1001- |
|||
| ? | 20S-06-31130 | STARTING SWITCH,STARTING | 1 | SN: 3653- KIT-FLAG: _- SERIALNO: 3653- |
|||
| ? | 08086-20000 | SWITCH,STARTING | 1 | SN: 1001-3652 KIT-FLAG: _- SERIALNO: 1001-3652 |
|||
| ? | 20N-06-11120 | SWITCH,WORK LAMP | 1 | SN: 1001- KIT-FLAG: _- SERIALNO: 1001- |
|||
| ? | 20C-06-11150 | BOX,FUSE | 1 | SN: 3653- KIT-FLAG: _- SERIALNO: 3653- |
|||
| ? | 20R-06-22210 | BOX,FUSE | 1 | SN: 1001-3652 KIT-FLAG: _- SERIALNO: 1001-3652 |
|||
| ? | 08040-02000 | FUSE, 20A | 4 | SN: 1001- KIT-FLAG: _- SERIALNO: 1001- |
|||
| ? | 21U-06-11215 | WIRE ASS'Y | 1 | SN: 3653- KIT-FLAG: _- SERIALNO: 3653- |
|||
| ? | 21U-06-11211 | WIRE ASS'Y | 1 | SN: 1001-3652 KIT-FLAG: _- SERIALNO: 1001-3652 |
|||
| ? | 01010-50610 | BOLT | 1 | SN: 1001- KIT-FLAG: _- SERIALNO: 1001- |
|||
| ? | 01010-50616 | BOLT | 1 | SN: 1001- KIT-FLAG: _- SERIALNO: 1001- |
|||
| ? | 01643-30623 | WASHER | 2 | SN: 1001- KIT-FLAG: _- SERIALNO: 1001- |
|||
| ? | 150-06-14290 | TERMINAL | 1 | SN: 1001- KIT-FLAG: _- SERIALNO: 1001- |
|||
| ? | 01220-40520 | SCREW | 2 | SN: 1001- KIT-FLAG: _- SERIALNO: 1001- |
|||
| ? | 01601-20513 | WASHER,SPRING | 2 | SN: 1001- KIT-FLAG: _- SERIALNO: 1001- |
|||
| ? | 01010-50612 | BOLT | 2 | SN: 3653- KIT-FLAG: _- SERIALNO: 3653- |
|||
| ? | 01010-50612 | BOLT | 1 | SN: 1001-3652 KIT-FLAG: _- SERIALNO: 1001-3652 |
|||
| ? | 01010-50616 | BOLT | 2 | SN: 1001- KIT-FLAG: _- SERIALNO: 1001- |
|||
| ? | 01010-50626 | BOLT | 2 | SN: 1001- KIT-FLAG: _- SERIALNO: 1001- |
|||
| ? | 01602-20619 | WASHER,SPRING | 6 | SN: 3653- KIT-FLAG: _- SERIALNO: 3653- |
|||
| ? | 01602-20619 | WASHER,SPRING | 5 | SN: 1001-3652 KIT-FLAG: _- SERIALNO: 1001-3652 |
|||
| ? | 205-06-71341 | SWITCH,WIPER | 1 | SN: 1001- KIT-FLAG: _- SERIALNO: 1001- |
|||
| ? | 21U-06-16110 | WIRE ASS'Y | 1 | SN: 1001- KIT-FLAG: _- SERIALNO: 1001- |
|||
| ? | 205-06-71321 | SWITCH,HEATER | 1 | SN: 1001- KIT-FLAG: _- SERIALNO: 1001- |
|||
| ? | 21U-06-17110 | WIRE ASS'Y | 1 | SN: 1001- KIT-FLAG: _- SERIALNO: 1001- |
|||
| ? | 21U-06-16120 | WIRE ASS'Y | 1 | SN: 1001- KIT-FLAG: _- SERIALNO: 1001- |
|||
| ? | 01010-50610 | BOLT | 1 | SN: 1001- KIT-FLAG: _- SERIALNO: 1001- |
|||
| ? | 01643-30623 | WASHER | 1 | SN: 1001- KIT-FLAG: _- SERIALNO: 1001- |
|||
| ? | 08036-11214 | CLIP | 1 | SN: 1001- KIT-FLAG: _- SERIALNO: 1001- |
|||
| ? | 20C-06-11280 | CABLE | 1 | SN: 3653- KIT-FLAG: _- SERIALNO: 3653- |
|||
| ? | 20C-06-11290 | CABLE | 1 | SN: 3653- KIT-FLAG: _- SERIALNO: 3653- |
