k-part
Номер на схеме Каталожный номер Название Количество Детали
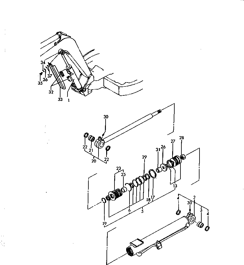
? YM17217572100K CYLINDER,BOOM
SN: 10001-
? YM17217572110K • TUBE
SN: 10001-
? YM172168-72400 • • BUSHING
SN: 10001-
? YM172168-81410 • • SEAL,DUST
SN: 10001-
? YM172142-99340 • CYLINDER KIT,BOOM
SN: 10001-
? YM172142-72900 • • SEAL SET,HEAD
SN: 10001-
? YM172142-72911 • • SEAL SET,PISTON
SN: 10001-
? YM172142-72260 • • WASHER
SN: 10001-
? YM22252-000561 • • CLIP
SN: 10001-
? YM933111-26600 • • RING,SPRING
SN: 10001-
? YM172175-72180 • ROD ASS'Y,BOOM
SN: 10001-
? YM172168-72400 • • BUSHING
SN: 10001-
? YM172168-81410 • • SEAL,DUST
SN: 10001-
? YM172142-72210 • HEAD
SN: 10001-
? YM933135-14600 • • BUSHING,ROD
SN: 10001-
? YM172142-72232 • PISTON
SN: 10001-
? YM172142-72242 • PISTON
SN: 10001-
? YM172141-72250 • U-NUT
SN: 10001-
? YM172137-72730 • RING,CUSHION
SN: 10001-
? YM24761-020000 • FITTING,GREASE
SN: 10001-
? YM933127-27102 • PLUNGER,CUSHION
SN: 10001-
? YM172162-61770 GUIDE,SLIDE
SN: 10001-
? YM17214272341K COVER
SN: 10001-
? YM22217-100000 WASHER
SN: 10001-
? YM26116-100162 BOLT
SN: 10001-
? YM933147-03400 WASHER
SN: 10001-
? YM933168-14170 SPRING
SN: 10001-

Excavators Komatsu / PC30FR-1 S/N 10001-UP(pc30fr-r) / BOOM CYLINDER (FOR CANOPY)(180030 : 7043-42)