| Номер на схеме | Каталожный номер | Название | Количество | Детали | |||
|---|---|---|---|---|---|---|---|
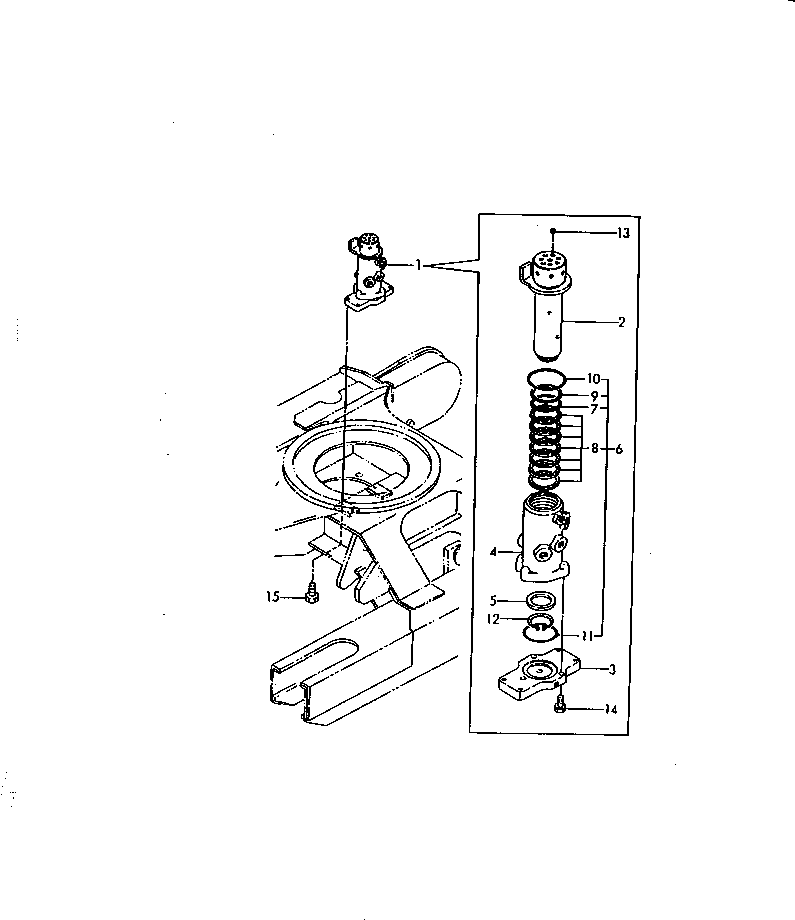
| ? | YM172148-73800 | JOINT,SWIVEL | 1 | SN: 10001- |
|||
| ? | YM172148-73810 | • SHAFT,SWIVEL | 1 | SN: 10001- |
|||
| ? | YM172148-73830 | • FLANGE,SWIVEL | 1 | SN: 10001- |
|||
| ? | YM172148-73840 | • HUB,SWIVEL | 1 | SN: 10001- |
|||
| ? | YM172137-73860 | • SPACER,SWIVEL | 1 | SN: 10001- |
|||
| ? | YM172148-73880 | • SEAL KIT,SWIVEL | 1 | SN: 10001- |
|||
| ? | YM172142-73800 | • • O-RING | 1 | SN: 10001- |
|||
| ? | YM172148-73860 | • • SEAL | 7 | SN: 10001- |
|||
| ? | YM172148-73870 | • • RING,BACK UP | 1 | SN: 10001- |
|||
| ? | YM24311-000750 | • • O-RING | 1 | SN: 10001- |
|||
| ? | YM24321-000700 | • • O-RING | 1 | SN: 10001- |
|||
| ? | YM22242-000451 | • CLIP | 1 | SN: 10001- |
|||
| ? | YM23871-020000 | • PLUG,SCREW | 7 | SN: 10001- |
|||
| ? | YM26013-100352 | • BOLT | 3 | SN: 10001- |
|||
| ? | YM26013-100302 | BOLT | 4 | SN: 10001- |
