| Номер на схеме | Каталожный номер | Название | Количество | Детали | |||
|---|---|---|---|---|---|---|---|
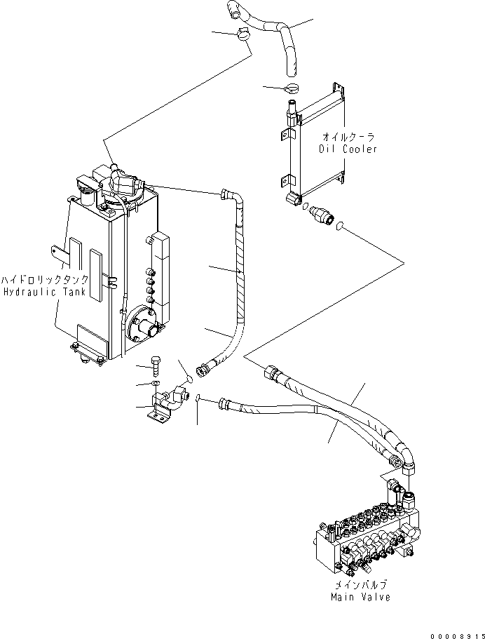
| ? | 22L-62-22331 | HOSE | 1 | SN: 20001- |
|||
| ? | 22L-62-22371 | HOSE | 1 | SN: 20001- |
|||
| ? | 07289-00035 | CLAMP | 2 | SN: 20001- |
|||
| ? | 02762-005A7 | HOSE | 1 | SN: 20001- |
|||
| ? | 22L-62-22311 | TUBE | 1 | SN: 20001- |
|||
| ? | 02896-11015 | O-RING | 2 | SN: 20001- |
|||
| ? | 01010-81020 | BOLT | 2 | SN: 20001- |
|||
| ? | 01643-31032 | WASHER | 2 | SN: 20001- |
|||
| ? | 22L-62-22351 | HOSE | 1 | SN: 20001- |
|||
| ? | 08017-32860 | CONDUIT | 1 | SN: 20001- |