| Номер на схеме | Каталожный номер | Название | Количество | Детали | |||
|---|---|---|---|---|---|---|---|
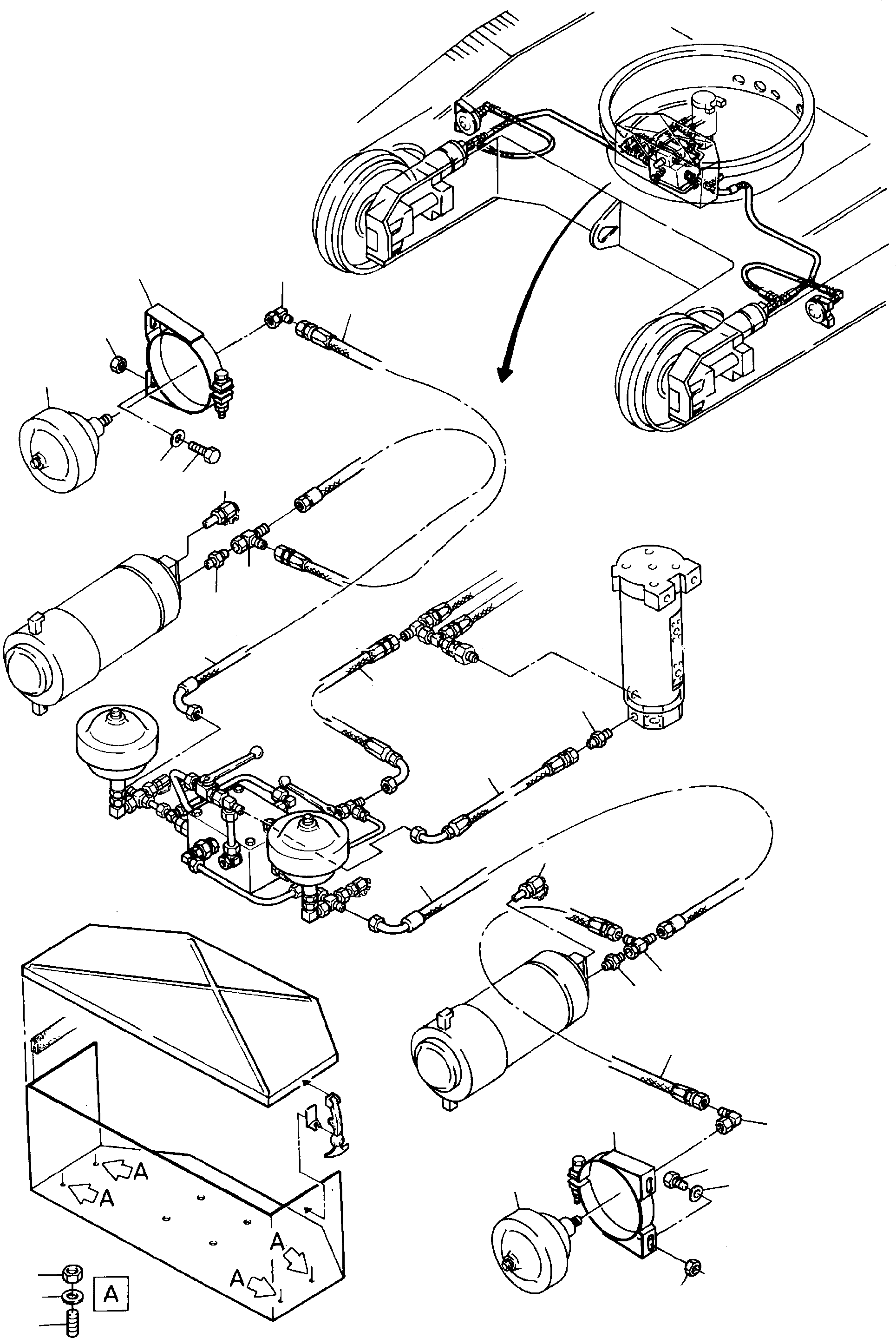
| ? | Graphic 1 | EnglischBem: DeutschBem: DeutschDesc: Bild 1 InternBDB: InternKon: SerienBem: Zwhead_Deu: Zwhead_Eng: |
|||||
| ? | 551 229 40 | Hose assy. NW 12x550 | 1 | EnglischBem: DeutschBem: DeutschDesc: Schlauchleitung NW 12x550 InternBDB: FC 310 DKOL/DKOL-90 ? InternKon: 506 420 40 / 69 SerienBem: Zwhead_Deu: Zwhead_Eng: |
|||
| ? | 374 735 40 | Hose assy. NW 16x600 | 1 | EnglischBem: DeutschBem: DeutschDesc: Schlauchleitung NW 16x600 InternBDB: Typ 422 DKO/DKO-90 ? InternKon: 506 420 40 / 73 SerienBem: Zwhead_Deu: Zwhead_Eng: |
|||
| ? | 604 344 40 | Hose assy. NW 12x2500 | 2 | EnglischBem: DeutschBem: DeutschDesc: Schlauchleitung NW 12x2500 InternBDB: DOS 16/ DOS 16-90 WN 341 951 40 InternKon: 506 420 40 / 77 SerienBem: Zwhead_Deu: Zwhead_Eng: |
|||
| ? | 374 413 99 | Socket | 1 | EnglischBem: DeutschBem: DeutschDesc: Stutzen InternBDB: S 20 B-M / 3901 InternKon: 506 420 40 / 71 SerienBem: Zwhead_Deu: Zwhead_Eng: |
|||
| ? | 374 423 99 | Socket | 2 | EnglischBem: DeutschBem: DeutschDesc: Stutzen InternBDB: S 16 B-M / 3901 InternKon: 506 420 40 / 86 SerienBem: Zwhead_Deu: Zwhead_Eng: |
|||
| ? | 153 646 40 | Coupling | 2 | EnglischBem: DeutschBem: DeutschDesc: Kupplung InternBDB: AR 1/4 InternKon: 506 420 40 / 88 SerienBem: Zwhead_Deu: Zwhead_Eng: |
|||
| ? | 372 184 99 | Union | 2 | EnglischBem: DeutschBem: DeutschDesc: Verschraubung InternBDB: DDS 16 InternKon: 506 420 40 / 89 SerienBem: Zwhead_Deu: Zwhead_Eng: |
|||
| ? | 371 976 99 | Union | 2 | EnglischBem: DeutschBem: DeutschDesc: Verschraubung InternBDB: FFS 16 InternKon: 506 420 40 / 90 SerienBem: Zwhead_Deu: Zwhead_Eng: |
|||
| ? | 551 973 40 | Clamp with console | 2 | EnglischBem: DeutschBem: DeutschDesc: Schelle mit Konsole InternBDB: Forma 181 6011 114 InternKon: 506 420 40 / 91 SerienBem: Zwhead_Deu: Zwhead_Eng: |
|||
| ? | 324 299 40 | Hose assy. NW 12x750 | 2 | EnglischBem: DeutschBem: DeutschDesc: Schlauchleitung NW 12x750 InternBDB: 422 DKOS/DKOS InternKon: 506 420 40 / 92 SerienBem: Zwhead_Deu: Zwhead_Eng: |
|||
| ? | 307 597 99 | Bolt | 4 | EnglischBem: DeutschBem: DeutschDesc: Schraube InternBDB: M8x25 /933- 10.9 InternKon: 506 420 40 / 93 SerienBem: Zwhead_Deu: Zwhead_Eng: |
|||
| ? | 340 464 99 | Washer | 4 | EnglischBem: DeutschBem: DeutschDesc: Scheibe InternBDB: B 8,4 /125 InternKon: 506 420 40 / 94 SerienBem: Zwhead_Deu: Zwhead_Eng: |
|||
| ? | 334 599 99 | Nut | 4 | EnglischBem: DeutschBem: DeutschDesc: Mutter InternBDB: M 8 /985 InternKon: 506 420 40 / 95 SerienBem: Zwhead_Deu: Zwhead_Eng: |
|||
| ? | 507 286 98 | Thread pin | 4 | EnglischBem: DeutschBem: DeutschDesc: Gewindebolzen InternBDB: PM 12x50 InternKon: 506 420 40 / 78 SerienBem: Zwhead_Deu: Zwhead_Eng: |
|||
| ? | 334 600 99 | Nut | 4 | EnglischBem: DeutschBem: DeutschDesc: Mutter InternBDB: M 12 /985 InternKon: 506 420 40 / 78 SerienBem: Zwhead_Deu: Zwhead_Eng: |
|||
| ? | 340 111 99 | Washer | 4 | EnglischBem: DeutschBem: DeutschDesc: Scheibe InternBDB: A 14 /7989 InternKon: 506 420 40 / 80 SerienBem: Zwhead_Deu: Zwhead_Eng: |
|||
| ? | Diaphragm-type pressure accumulator acc. to regional prescription, observe deviation of machine record | A/R | EnglischBem: DeutschBem: DeutschDesc: Membranspeicher
gemдЯ Lдndervorschrift
s. Abweichung BK InternBDB: InternKon: SerienBem: Zwhead_Deu: Zwhead_Eng: |
||||
| ? | Graphic 2 | EnglischBem: DeutschBem: DeutschDesc: Bild 2 InternBDB: InternKon: SerienBem: Zwhead_Deu: Zwhead_Eng: |
|||||
| ? | 567 501 40 | Housing assy. consist. of fig-nos: 31-34 | 1 | EnglischBem: DeutschBem: DeutschDesc: Gehдuse kpl.
best. aus Bild-Nr. 31-34 InternBDB: InternKon: 622 870 40 / 1 SerienBem: Zwhead_Deu: Zwhead_Eng: |
|||
| ? | 510 829 40 | Housing | 1 | EnglischBem: DeutschBem: DeutschDesc: Gehдuse InternBDB: InternKon: 510 923 40 / 1 SerienBem: Zwhead_Deu: Zwhead_Eng: |
|||
| ? | 510 833 40 | Cover | 1 | EnglischBem: DeutschBem: DeutschDesc: Deckel InternBDB: InternKon: 510 923 40 / 3 SerienBem: Zwhead_Deu: Zwhead_Eng: |
|||
| ? | 081 474 40 | Hood fastener | 2 | EnglischBem: DeutschBem: DeutschDesc: Haubenhalter InternBDB: GHE 602 0023 InternKon: 510 923 40 / 6 SerienBem: Zwhead_Deu: Zwhead_Eng: |
|||
| ? | 166 575 40 | Profiled joint 1 Bulk ware, state length required | 1 | EnglischBem: DeutschBem: DeutschDesc: Dichtungsprofil 1
Meterware, bei Bestellung
Lдnge angeben InternBDB: GHE 461 0048 InternKon: 510 923 40 / 7 SerienBem: Zwhead_Deu: Zwhead_Eng: |
|||
| ? | 448 999 40 | Valve block | 1 | EnglischBem: DeutschBem: DeutschDesc: Ventilblock InternBDB: InternKon: 622 870 40 / 2 SerienBem: Zwhead_Deu: Zwhead_Eng: |
|||
| ? | 566 512 40 | Visor | 1 | EnglischBem: DeutschBem: DeutschDesc: Blende InternBDB: InternKon: 622 870 40 / 3 SerienBem: Zwhead_Deu: Zwhead_Eng: |
|||
| ? | 764 203 73 | Pressure sequence stage | 1 | EnglischBem: DeutschBem: DeutschDesc: Druckzuschaltstufe InternBDB: E-ST M07010 Rex.Nr. 583 485 InternKon: 622 870 40 / 4 SerienBem: Zwhead_Deu: Zwhead_Eng: |
|||
| ? | 508 124 98 | Valve | 2 | EnglischBem: DeutschBem: DeutschDesc: Ventil InternBDB: RHV 16-PSM- ed InternKon: 622 870 40 / 5 SerienBem: Zwhead_Deu: Zwhead_Eng: |
|||
| ? | 502 762 98 | Valve | 2 | EnglischBem: DeutschBem: DeutschDesc: Ventil InternBDB: RHZ 16-PSM- ed InternKon: 622 870 40 / 6 SerienBem: Zwhead_Deu: Zwhead_Eng: |
|||
| ? | 461 133 40 | Ball cock | 1 | EnglischBem: DeutschBem: DeutschDesc: Blockkugelhahn InternBDB: BK 3021-0016- 594 250 InternKon: 622 870 40 / 7 SerienBem: Zwhead_Deu: Zwhead_Eng: |
|||
| ? | 308 616 99 | Bolt | 4 | EnglischBem: DeutschBem: DeutschDesc: Schraube InternBDB: M12x140 /931 InternKon: 622 870 40 / 8 SerienBem: Zwhead_Deu: Zwhead_Eng: |
|||
| ? | 340 467 99 | Washer | 4 | EnglischBem: DeutschBem: DeutschDesc: Scheibe InternBDB: B13 /125 InternKon: 622 870 40 / 9 SerienBem: Zwhead_Deu: Zwhead_Eng: |
|||
| ? | 372 426 99 | Union | 2 | EnglischBem: DeutschBem: DeutschDesc: Verschraubung InternBDB: CL 15 /2353 InternKon: 622 870 40 / 10 SerienBem: Zwhead_Deu: Zwhead_Eng: |
|||
| ? | 370 506 99 | Union | 1 | EnglischBem: DeutschBem: DeutschDesc: Verschraubung InternBDB: CS 20 /2353 InternKon: 622 870 40 / 11 SerienBem: Zwhead_Deu: Zwhead_Eng: |
|||
| ? | 371 977 99 | Union | 1 | EnglischBem: DeutschBem: DeutschDesc: Verschraubung InternBDB: FFS 20 /2353 InternKon: 622 870 40 / 12 SerienBem: Zwhead_Deu: Zwhead_Eng: |
|||
| ? | 004 131 98 | Socket | 2 | EnglischBem: DeutschBem: DeutschDesc: Stutzen InternBDB: B16-S InternKon: 622 870 40 / 13 SerienBem: Zwhead_Deu: Zwhead_Eng: |
|||
| ? | 448 994 40 | Pipe assy. Ш 16 | 1 | EnglischBem: DeutschBem: DeutschDesc: Rohrleitung Ш 16 InternBDB: 16x2 /2391 InternKon: 622 870 40 / 14 SerienBem: Zwhead_Deu: Zwhead_Eng: |
|||
| ? | 448 995 40 | Pipe assy. Ш 16 | 1 | EnglischBem: DeutschBem: DeutschDesc: Rohrleitung Ш 16 InternBDB: 16x2 /2391 InternKon: 622 870 40 / 15 SerienBem: Zwhead_Deu: Zwhead_Eng: |
|||
| ? | 448 996 40 | Pipe assy. Ш 16 | 1 | EnglischBem: DeutschBem: DeutschDesc: Rohrleitung Ш 16 InternBDB: 16x2 /2391 InternKon: 622 870 40 / 16 SerienBem: Zwhead_Deu: Zwhead_Eng: |
|||
| ? | 448 997 40 | Pipe assy. Ш 16 | 1 | EnglischBem: DeutschBem: DeutschDesc: Rohrleitung Ш 16 InternBDB: 16x2 /2391 InternKon: 622 870 40 / 17 SerienBem: Zwhead_Deu: Zwhead_Eng: |
|||
| ? | 502 167 99 | Plastic pipe Ш 10 Bulk ware, state length required | 1 | EnglischBem: DeutschBem: DeutschDesc: Kunststoffrohrleitung Ш 10
Meterware, bei Bestellung
Lдnge angeb InternBDB: 10x2 /73378 InternKon: 622 870 40 / 26 SerienBem: Zwhead_Deu: Zwhead_Eng: |
|||
| ? | 215 811 99 | Pipe Ш 15x50 lg. Bulk ware, state length required | 1 | EnglischBem: DeutschBem: DeutschDesc: Rohr Ш 15x50 lg.
Meterware, bei Bestellung
Lдnge angeben InternBDB: 15x1,5 /2391 InternKon: 622 870 40 / 27 SerienBem: Zwhead_Deu: Zwhead_Eng: |
|||
| ? | 371 260 99 | Union nut | A/R | EnglischBem: DeutschBem: DeutschDesc: Ьberwurfmutter InternBDB: AS 20 /3870 InternKon: 622 870 40 / 18 SerienBem: Zwhead_Deu: Zwhead_Eng: |
|||
| ? | 371 233 99 | Olive | A/R | EnglischBem: DeutschBem: DeutschDesc: Schneidring InternBDB: S 20 /3861 InternKon: 622 870 40 / 19 SerienBem: Zwhead_Deu: Zwhead_Eng: |
|||
| ? | 006 891 98 | Union | 1 | EnglischBem: DeutschBem: DeutschDesc: Verschraubung InternBDB: Voss 20-SM InternKon: 622 870 40 / 20 SerienBem: Zwhead_Deu: Zwhead_Eng: |
|||
| ? | 371 954 99 | Union | 1 | EnglischBem: DeutschBem: DeutschDesc: Verschraubung InternBDB: FFL 15 /2353 InternKon: 622 870 40 / 21 SerienBem: Zwhead_Deu: Zwhead_Eng: |
|||
| ? | 372 184 99 | Union | 2 | EnglischBem: DeutschBem: DeutschDesc: Verschraubung InternBDB: DDS 16 /2353 InternKon: 622 870 40 / 22 SerienBem: Zwhead_Deu: Zwhead_Eng: |
|||
| ? | 371 976 99 | Union | 2 | EnglischBem: DeutschBem: DeutschDesc: Verschraubung InternBDB: FFS 16 /2353 InternKon: 622 870 40 / 23 SerienBem: Zwhead_Deu: Zwhead_Eng: |
|||
| ? | 372 898 99 | Union | 1 | EnglischBem: DeutschBem: DeutschDesc: Verschraubung InternBDB: KOR 15 /10-L /2353 InternKon: 622 870 40 / 24 SerienBem: Zwhead_Deu: Zwhead_Eng: |
|||
| ? | 372 171 99 | Union | 1 | EnglischBem: DeutschBem: DeutschDesc: Verschraubung InternBDB: DDL 10 /2353 InternKon: 622 870 40 / 25 SerienBem: Zwhead_Deu: Zwhead_Eng: |
|||
| ? | 087 232 40 | Ball cock NW 13 | 1 | EnglischBem: DeutschBem: DeutschDesc: Blockkugelhahn NW 13 InternBDB: BK 3021-0013-594180 InternKon: 622 870 40 / 28 SerienBem: Zwhead_Deu: Zwhead_Eng: |
|||
| ? | 502 000 98 | Socket | 1 | EnglischBem: DeutschBem: DeutschDesc: Stutzen InternBDB: EVGE 10-PL R-ED InternKon: 622 870 40 / 29 SerienBem: Zwhead_Deu: Zwhead_Eng: |
|||
| ? | 560 359 40 | Retainer | 2 | EnglischBem: DeutschBem: DeutschDesc: Halter InternBDB: InternKon: 622 870 40 / 30 SerienBem: Zwhead_Deu: Zwhead_Eng: |
|||
| ? | 215 629 99 | Pipe 16x70 Bulk ware, state length required | 1 | EnglischBem: DeutschBem: DeutschDesc: Rohr 16x70
Meterware, bei Bestellung
Lдnge angeben InternBDB: InternKon: 622 870 40 / 31 SerienBem: Zwhead_Deu: Zwhead_Eng: |
|||
| ? | 215 629 99 | Pipe 16x130 Bulk ware, state length required | 1 | EnglischBem: DeutschBem: DeutschDesc: Rohr 16x130
Meterware, bei Bestellung
Lдnge angeben InternBDB: InternKon: 622 870 40 / 32 SerienBem: Zwhead_Deu: Zwhead_Eng: |
|||
| ? | 372 509 99 | Union | 2 | EnglischBem: DeutschBem: DeutschDesc: Verschraubung InternBDB: ZS 16 /2353 InternKon: 622 870 40 / 33 SerienBem: Zwhead_Deu: Zwhead_Eng: |
|||
| ? | 372 184 99 | Union | 2 | EnglischBem: DeutschBem: DeutschDesc: Verschraubung InternBDB: DDS 16 /2353 InternKon: 622 870 40 / 34 SerienBem: Zwhead_Deu: Zwhead_Eng: |
|||
| ? | 500 238 98 | Socket | 2 | EnglischBem: DeutschBem: DeutschDesc: Stutzen InternBDB: EVGE 16 PS /R 3/4-ED InternKon: 622 870 40 / 35 SerienBem: Zwhead_Deu: Zwhead_Eng: |
|||
| ? | 307 805 99 | Bolt | 4 | EnglischBem: DeutschBem: DeutschDesc: Schraube InternBDB: M12x35 /933 InternKon: 622 870 40 / 36 SerienBem: Zwhead_Deu: Zwhead_Eng: |
|||
| ? | 334 600 99 | Nut | 4 | EnglischBem: DeutschBem: DeutschDesc: Mutter InternBDB: M 12 /985 InternKon: 622 870 40 / 37 SerienBem: Zwhead_Deu: Zwhead_Eng: |
|||
| ? | 500 623 98 | Bolt | 8 | EnglischBem: DeutschBem: DeutschDesc: Schraube InternBDB: M8x12 /933 InternKon: 622 870 40 / 38 SerienBem: Zwhead_Deu: Zwhead_Eng: |
|||
| ? | 340 464 99 | Washer | 8 | EnglischBem: DeutschBem: DeutschDesc: Scheibe InternBDB: 8,4 /125 InternKon: 622 870 40 / 39 SerienBem: Zwhead_Deu: Zwhead_Eng: |
|||
| ? | Diaphragm-type pressure accumulator acc. to regional prescription, observe deviation of machine record | 2 | EnglischBem: DeutschBem: DeutschDesc: Membranspeicher
gemдЯ Lдndervorschrift
s. Abweichung BK InternBDB: InternKon: SerienBem: Zwhead_Deu: Zwhead_Eng: |