k-part
Наименование Страница Код страницы
Tandem Cooler 090-3203 090-3203

Номер на схеме Каталожный номер Название Количество Детали
? 269 103 40 Hose NW 50x950 lg. Bulk ware, state length required 1
EnglischBem:
DeutschBem:
DeutschDesc: Schlauch NW 50x950 lg. Meterware, bei Bestellung Lдnge angeben
InternBDB: 2651-32
InternKon:
SerienBem:
Zwhead_Deu:
Zwhead_Eng:
? 576 195 40 Hose assy. NW 70x1040 lg. 1
EnglischBem:
DeutschBem:
DeutschDesc: Schlauch NW 70x1040 lg.
InternBDB: FC 318-48/ SFL 3"-3/ SFL 3"-90-3
InternKon:
SerienBem:
Zwhead_Deu:
Zwhead_Eng:
? 269 103 40 Hose NW 50x5000 lg. Bulk ware, state length required 1
EnglischBem:
DeutschBem:
DeutschDesc: Schlauch NW 50x5000 lg. Meterware, bei Bestellung Lдnge angeben
InternBDB: 2651-32
InternKon:
SerienBem:
Zwhead_Deu:
Zwhead_Eng:
? 323 634 40 Hose NW 16x6200 lg. Bulk ware, state length required 1
EnglischBem:
DeutschBem:
DeutschDesc: Schlauch NW 16x6200 lg. Meterware, bei Bestellung Lдnge angeben
InternBDB: 2651-12
InternKon:
SerienBem:
Zwhead_Deu:
Zwhead_Eng:
? 323 634 40 Hose NW 16x4700 lg. Bulk ware, state length required 1
EnglischBem:
DeutschBem:
DeutschDesc: Schlauch NW 16x4700 lg. Meterware, bei Bestellung Lдnge angeben
InternBDB: 2651-12
InternKon:
SerienBem:
Zwhead_Deu:
Zwhead_Eng:
? 551 195 40 Hose assy. NW 16x1400 lg. 1
EnglischBem:
DeutschBem:
DeutschDesc: Schlauch NW 16x1400 lg.
InternBDB: GH 663/ DKOL/ DOKL
InternKon:
SerienBem:
Zwhead_Deu:
Zwhead_Eng:
? 604 321 40 Hose assy. NW 16x600 lg. 1
EnglischBem:
DeutschBem:
DeutschDesc: Schlauch NW 16x600 lg.
InternBDB: DKOL/ DOKL-90 ?
InternKon:
SerienBem:
Zwhead_Deu:
Zwhead_Eng:
? 501 542 98 Half flange 4
EnglischBem:
DeutschBem:
DeutschDesc: Flanschhдlfte
InternBDB: 75/210
InternKon:
SerienBem:
Zwhead_Deu:
Zwhead_Eng:
? 501 543 98 O-ring 2
EnglischBem:
DeutschBem:
DeutschDesc: O-Ring
InternBDB: 85,32x5,53 B-NB80
InternKon:
SerienBem:
Zwhead_Deu:
Zwhead_Eng:
? 319 186 99 Bolt 8
EnglischBem:
DeutschBem:
DeutschDesc: Schraube
InternBDB: M16x35/ 912
InternKon:
SerienBem:
Zwhead_Deu:
Zwhead_Eng:
? 006 917 98 Union 2
EnglischBem:
DeutschBem:
DeutschDesc: Verschraubung
InternBDB: VOSS-18 LM
InternKon:
SerienBem:
Zwhead_Deu:
Zwhead_Eng:
? 374 408 99 Socket 2
EnglischBem:
DeutschBem:
DeutschDesc: Stutzen
InternBDB: L 18 B-M /3901
InternKon:
SerienBem:
Zwhead_Deu:
Zwhead_Eng:
? 374 415 99 Socket 1
EnglischBem:
DeutschBem:
DeutschDesc: Stutzen
InternBDB: L 42 B-M /3901
InternKon:
SerienBem:
Zwhead_Deu:
Zwhead_Eng:
? 500 141 98 Union 1
EnglischBem:
DeutschBem:
DeutschDesc: Verschraubung
InternBDB: GE 18-PLR/ ED
InternKon:
SerienBem:
Zwhead_Deu:
Zwhead_Eng:
? 211 245 99 Plastic pipe Ш 15 Bulk ware, state length required A/R
EnglischBem:
DeutschBem:
DeutschDesc: Kunststoffrohrleitung Ш 15 Meterware, bei Bestellung Lдnge angeb
InternBDB: 15x2,5/ 733 78
InternKon:
SerienBem:
Zwhead_Deu:
Zwhead_Eng:
? 374 436 99 Socket 1
EnglischBem:
DeutschBem:
DeutschDesc: Stutzen
InternBDB: L 15 A-G 1/2 /3901
InternKon:
SerienBem:
Zwhead_Deu:
Zwhead_Eng:
? 159 966 40 Clamping ring 2
EnglischBem:
DeutschBem:
DeutschDesc: Klemmring
InternBDB: 022 065
InternKon:
SerienBem:
Zwhead_Deu:
Zwhead_Eng:
? 501 539 98 Sleeve 2
EnglischBem:
DeutschBem:
DeutschDesc: Hьlse
InternBDB: E 8/10 WN 011 830 99
InternKon:
SerienBem:
Zwhead_Deu:
Zwhead_Eng:
? 374 438 99 Socket 2
EnglischBem:
DeutschBem:
DeutschDesc: Stutzen
InternBDB: L 22-R 3/4 /3901
InternKon:
SerienBem:
Zwhead_Deu:
Zwhead_Eng:
? 372 910 99 Union 2
EnglischBem:
DeutschBem:
DeutschDesc: Verschraubung
InternBDB: KOR 22/18-L
InternKon:
SerienBem:
Zwhead_Deu:
Zwhead_Eng:
? 371 955 99 Union 1
EnglischBem:
DeutschBem:
DeutschDesc: Verschraubung
InternBDB: FFL 18 /2353
InternKon:
SerienBem:
Zwhead_Deu:
Zwhead_Eng:
? 372 903 99 Union 1
EnglischBem:
DeutschBem:
DeutschDesc: Verschraubung
InternBDB: KOR 18/12-L
InternKon:
SerienBem:
Zwhead_Deu:
Zwhead_Eng:
? 372 172 99 Union 2
EnglischBem:
DeutschBem:
DeutschDesc: Verschraubung
InternBDB: DDL 12 /2353
InternKon:
SerienBem:
Zwhead_Deu:
Zwhead_Eng:
? 371 452 99 Union 1
EnglischBem:
DeutschBem:
DeutschDesc: Verschraubung
InternBDB: GE 12-L-R 1/4
InternKon:
SerienBem:
Zwhead_Deu:
Zwhead_Eng:
? 211 301 99 Plastic pipe Ш 12 Bulk ware, state length required A/R
EnglischBem:
DeutschBem:
DeutschDesc: Kunststoffrohrleitung Ш 12 Meterware, bei Bestellung Lдnge angeb
InternBDB: 12x2/ 733 78
InternKon:
SerienBem:
Zwhead_Deu:
Zwhead_Eng:
? 159 967 40 Support ring 2
EnglischBem:
DeutschBem:
DeutschDesc: Stьtzring
InternBDB:
InternKon:
SerienBem:
Zwhead_Deu:
Zwhead_Eng:
? 159 965 40 Clamping ring 2
EnglischBem:
DeutschBem:
DeutschDesc: Klemmring
InternBDB:
InternKon:
SerienBem:
Zwhead_Deu:
Zwhead_Eng:
? 007 137 98 Union 1
EnglischBem:
DeutschBem:
DeutschDesc: Verschraubung
InternBDB: Voss 42 L-M
InternKon:
SerienBem:
Zwhead_Deu:
Zwhead_Eng:
? 269 468 40 Hose fittings 2
EnglischBem:
DeutschBem:
DeutschDesc: Schlaucharmatur
InternBDB: 07.031-13-10
InternKon:
SerienBem:
Zwhead_Deu:
Zwhead_Eng:
? 255 924 40 Hose fittings 2
EnglischBem:
DeutschBem:
DeutschDesc: Schlaucharmatur
InternBDB: 07.002-13-10
InternKon:
SerienBem:
Zwhead_Deu:
Zwhead_Eng:
? 180 681 40 Hose fittings 1
EnglischBem:
DeutschBem:
DeutschDesc: Schlaucharmatur
InternBDB: 07.031-42-32
InternKon:
SerienBem:
Zwhead_Deu:
Zwhead_Eng:
? Hose fittings 2
EnglischBem:
DeutschBem:
DeutschDesc: Schlaucharmatur
InternBDB: 07.030-42-32
InternKon:
SerienBem:
Zwhead_Deu:
Zwhead_Eng:
? 210 963 40 Hose fittings 1
EnglischBem:
DeutschBem:
DeutschDesc: Schlaucharmatur
InternBDB: 07.002-42-32
InternKon:
SerienBem:
Zwhead_Deu:
Zwhead_Eng:

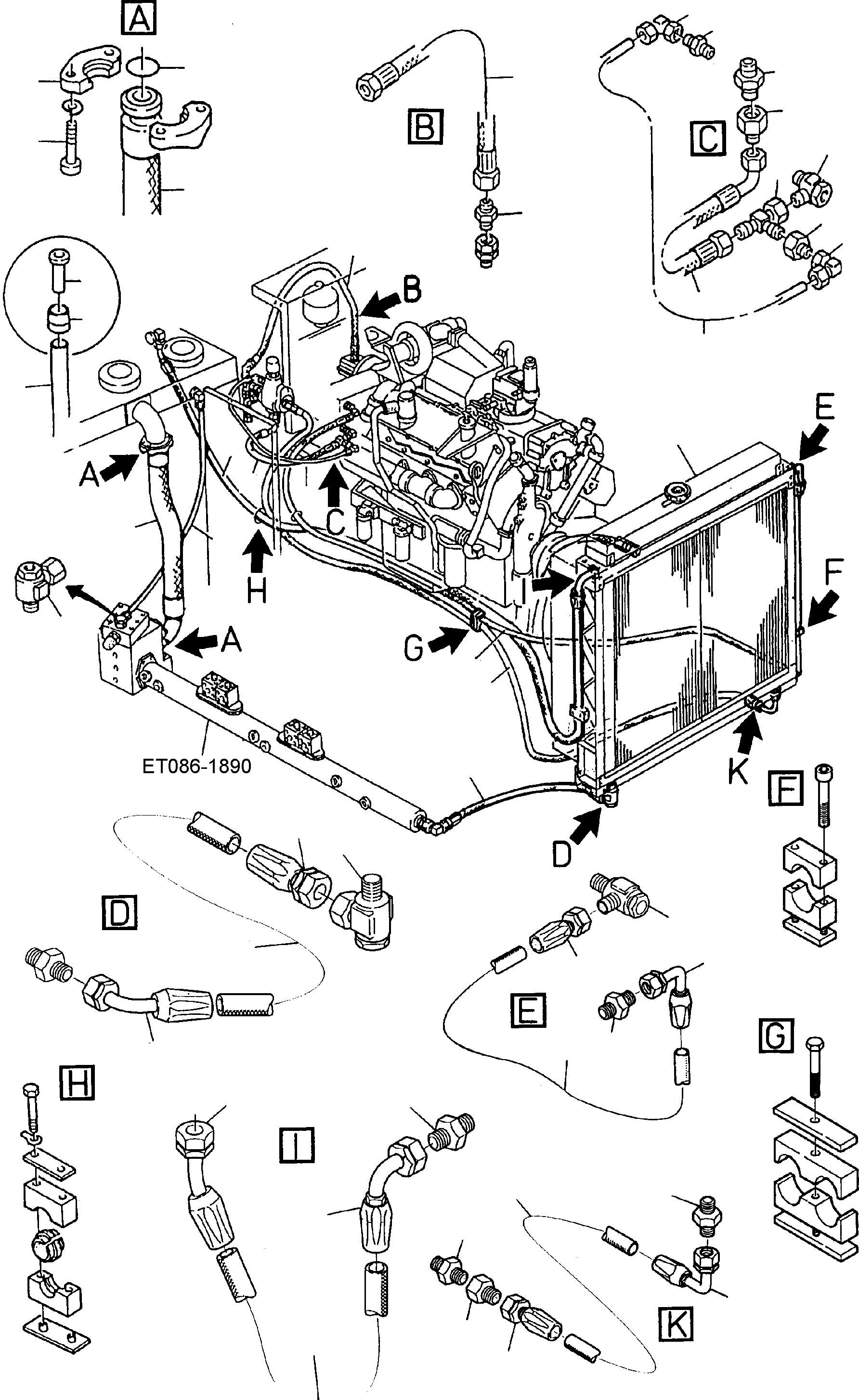
Excavators Mining Komatsu / H95 S/N 86052(g86052) / Hydr. Lines Oil Coolerand Transmission Oil Lube(086-1875a1 : 086-1875a1)
?
?
?
?
?
?
?
?
?
?
?
?
?
?
?
?
?
?
?
?
?
?
?
?
?
?
?
?
?
?
?
?
?
?
?
?
?
?
?
?
?
?
?
?
?
?
?
?
?
?