| Номер на схеме | Каталожный номер | Название | Количество | Детали | |||
|---|---|---|---|---|---|---|---|
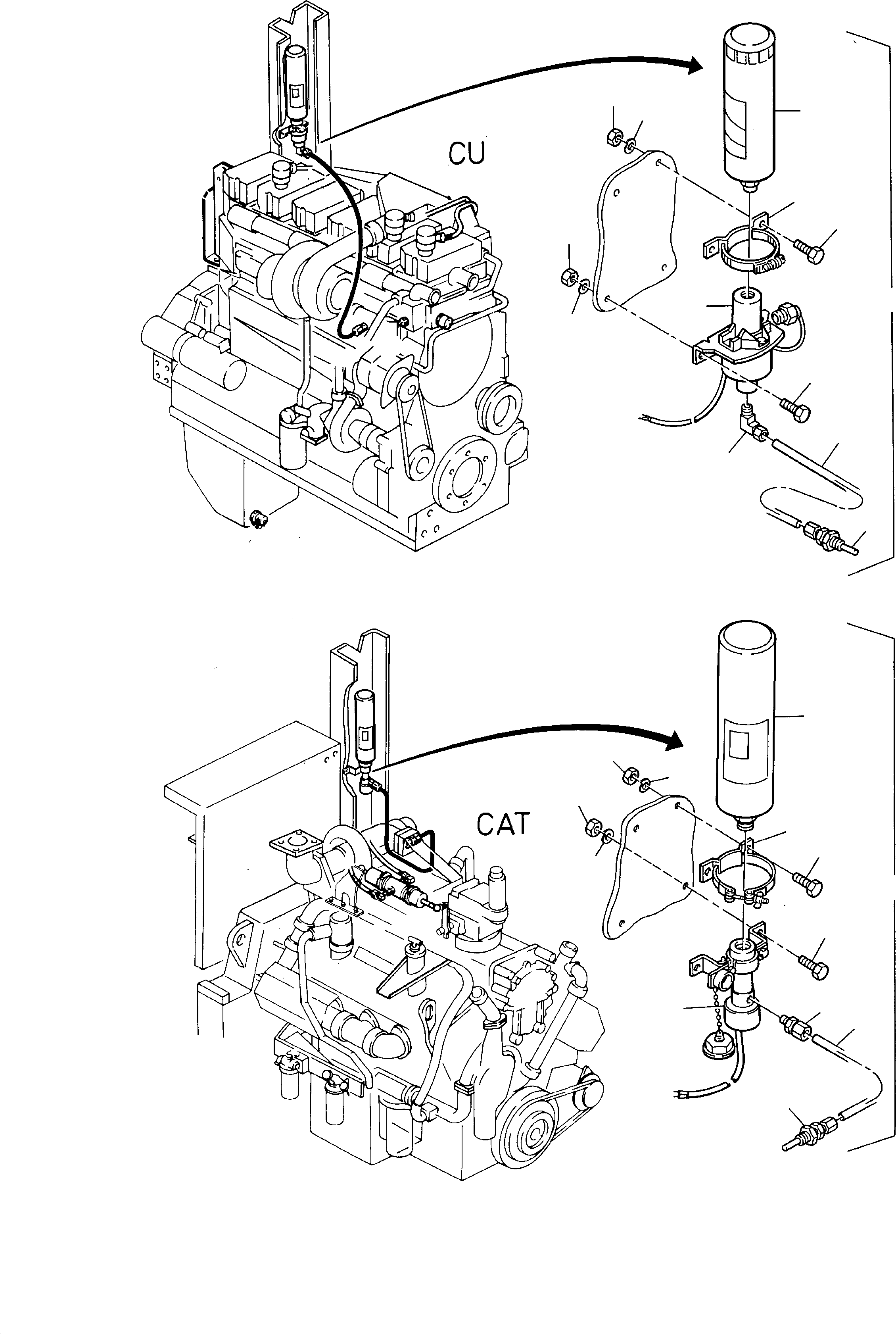
| ? | 332 111 99 | Nut | 8 | EnglischBem: DeutschBem: DeutschDesc: Mutter InternBDB: M8/934 InternKon: SerienBem: Zwhead_Deu: Zwhead_Eng: |
|||
| ? | 346 510 99 | Lock washer | 8 | EnglischBem: DeutschBem: DeutschDesc: Federring InternBDB: B8/128 InternKon: SerienBem: Zwhead_Deu: Zwhead_Eng: |
|||
| ? | 307 299 99 | Screw | 8 | EnglischBem: DeutschBem: DeutschDesc: Schraube InternBDB: M8x10/933 InternKon: SerienBem: Zwhead_Deu: Zwhead_Eng: |
|||
| ? | 697 005 73 | Valve | 1 | EnglischBem: DeutschBem: DeutschDesc: Ventil InternBDB: 259 367 InternKon: SerienBem: Zwhead_Deu: Zwhead_Eng: |
|||
| ? | 693 905 | Union | 1 | EnglischBem: DeutschBem: DeutschDesc: Verschraubung InternBDB: 330 2700 InternKon: SerienBem: Zwhead_Deu: Zwhead_Eng: |
|||
| ? | 692 409 | Plastic pipe 1/8 | A/R | EnglischBem: DeutschBem: DeutschDesc: Kunststoffrohrleitung 1/8 InternBDB: 259 369 1/8"x48"
aus 259 369 InternKon: SerienBem: Zwhead_Deu: Zwhead_Eng: |
- | ||
| ? | 697 006 73 | Clamp | 1 | EnglischBem: DeutschBem: DeutschDesc: Schelle InternBDB: 331 3275 InternKon: SerienBem: Zwhead_Deu: Zwhead_Eng: |
|||
| ? | 697 007 73 | Atomizer | 1 | EnglischBem: DeutschBem: DeutschDesc: Einspritzdьse InternBDB: 259 350 InternKon: SerienBem: Zwhead_Deu: Zwhead_Eng: |
|||
| ? | 963 526 | Starting fluid cylinder | A/R | EnglischBem: DeutschBem: DeutschDesc: Fьllflasche InternBDB: 259 345 InternKon: SerienBem: Zwhead_Deu: Zwhead_Eng: |
|||
| ? | 694 261 | Clamp | 1 | EnglischBem: DeutschBem: DeutschDesc: Schelle InternBDB: 7N-2059 InternKon: SerienBem: Zwhead_Deu: Zwhead_Eng: |
|||
| ? | 6N7 674 | Valve | 1 | EnglischBem: DeutschBem: DeutschDesc: Ventil InternBDB: InternKon: SerienBem: Zwhead_Deu: Zwhead_Eng: |
|||
| ? | 694 263 | Union | 1 | EnglischBem: DeutschBem: DeutschDesc: AnschluЯverschraubung InternBDB: 5P-2948 InternKon: SerienBem: Zwhead_Deu: Zwhead_Eng: |
|||
| ? | 6N7 672 | Jet nozzle | 1 | EnglischBem: DeutschBem: DeutschDesc: Einspritzdьse InternBDB: InternKon: SerienBem: Zwhead_Deu: Zwhead_Eng: |
|||
| ? | 697 004 73 | Cold start system | A/R | EnglischBem: DeutschBem: DeutschDesc: Kaltstartanlage CU InternBDB: 259 370 InternKon: SerienBem: Zwhead_Deu: Zwhead_Eng: |
|||
| ? | 8N0 621 | Cold start system | A/R | EnglischBem: DeutschBem: DeutschDesc: Kaltstartanlage CAT InternBDB: InternKon: SerienBem: Zwhead_Deu: Zwhead_Eng: |