| Номер на схеме | Каталожный номер | Название | Количество | Детали | |||
|---|---|---|---|---|---|---|---|
| ? | Graphic 1 | A/R | EnglischBem: DeutschBem: DeutschDesc: Bild 1 InternBDB: InternKon: SerienBem: Zwhead_Deu: Zwhead_Eng: |
||||
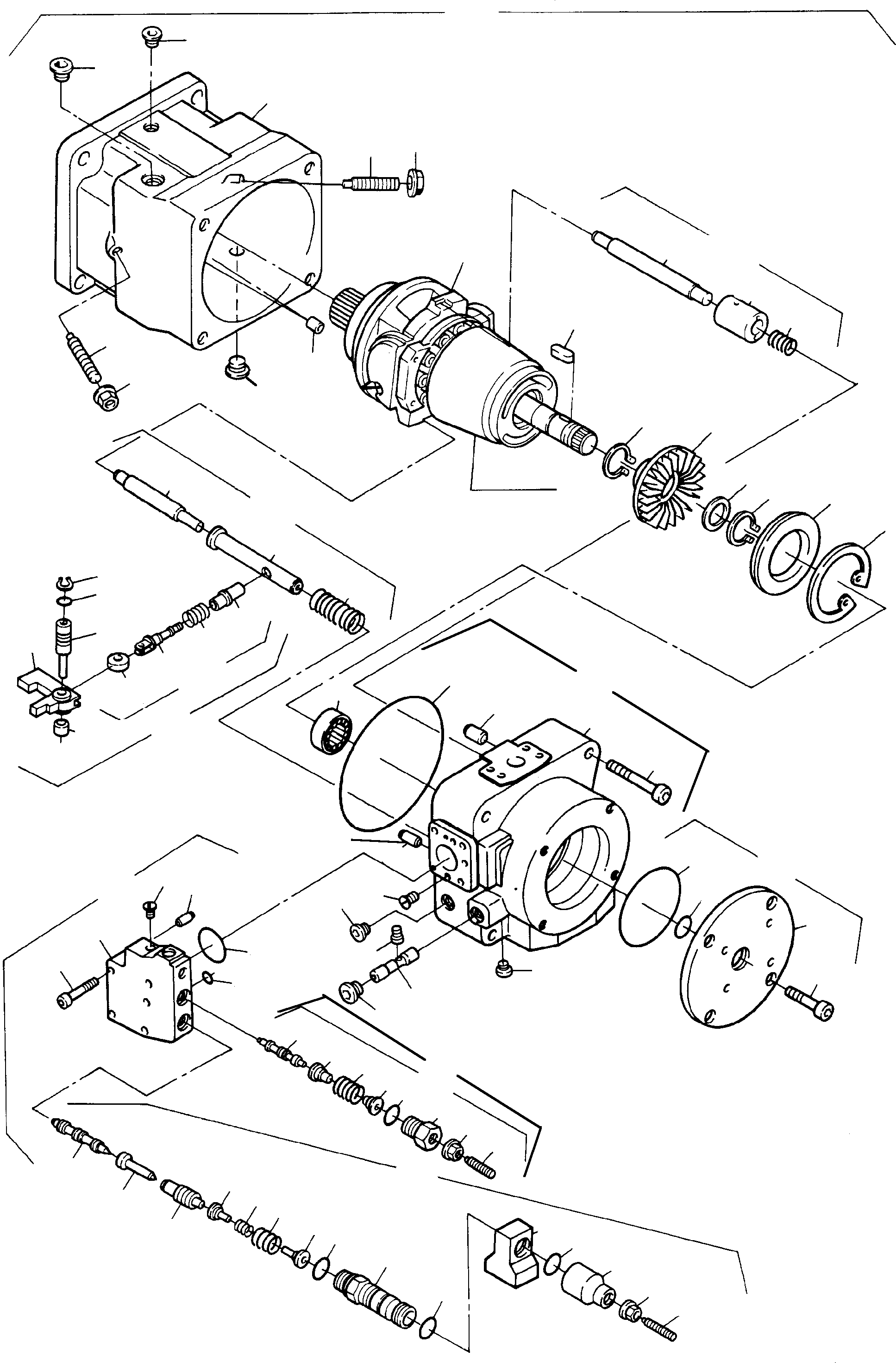
| ? | Housing | 1 | EnglischBem: DeutschBem: DeutschDesc: Gehдuse InternBDB: 439 062 InternKon: 248.32.53.02 / 10 SerienBem: Zwhead_Deu: Zwhead_Eng: |
||||
| ? | 964 767 | Flanged nut | 2 | EnglischBem: DeutschBem: DeutschDesc: Bundmutter InternBDB: 152 459 InternKon: 248.32.53.02 / 22 SerienBem: Zwhead_Deu: Zwhead_Eng: |
|||
| ? | 502 593 98 | Thread pin | 1 | EnglischBem: DeutschBem: DeutschDesc: Gewindestift InternBDB: M12x80 /915 10.9 InternKon: 248.32.53.02 / 21 SerienBem: Zwhead_Deu: Zwhead_Eng: |
|||
| ? | 347 404 99 | Thread pin | 1 | EnglischBem: DeutschBem: DeutschDesc: Gewindestift InternBDB: M12x70 /915 10.9 InternKon: 248.32.53.02 / 20 SerienBem: Zwhead_Deu: Zwhead_Eng: |
|||
| ? | 964 768 | Plug | 2 | EnglischBem: DeutschBem: DeutschDesc: VerschluЯschraube InternBDB: M33x3 InternKon: 248.32.53.02 / 24 SerienBem: Zwhead_Deu: Zwhead_Eng: |
|||
| ? | 202 970 40 | Plug | 1 | EnglischBem: DeutschBem: DeutschDesc: VerschluЯschraube InternBDB: M16x1,5 InternKon: 248.32.53.02 / 33 SerienBem: Zwhead_Deu: Zwhead_Eng: |
|||
| ? | 345 629 99 | Pin | 1 | EnglischBem: DeutschBem: DeutschDesc: Stift InternBDB: 10 M6x20/6325 830 241 InternKon: 248.32.53.02 / 23 SerienBem: Zwhead_Deu: Zwhead_Eng: |
|||
| ? | 757 643 73 | Carrier, pump assy. consist. of fig-nos: 20-23 | 1 | EnglischBem: DeutschBem: DeutschDesc: Pumpentrдger, kpl.
best. aus Bild-Nr. 20-23 InternBDB: 433 916 InternKon: 248.32.53.02 / 09 SerienBem: Zwhead_Deu: Zwhead_Eng: |
|||
| ? | 342 677 99 | Circlip | 1 | EnglischBem: DeutschBem: DeutschDesc: Sicherungsring InternBDB: 135x4 /472 InternKon: 248.32.53.02 / 28 SerienBem: Zwhead_Deu: Zwhead_Eng: |
|||
| ? | 757 644 73 | Packing | 1 | EnglischBem: DeutschBem: DeutschDesc: Dichtscheibe InternBDB: 432 481 InternKon: 248.32.53.02 / 13 SerienBem: Zwhead_Deu: Zwhead_Eng: |
|||
| ? | 342 542 99 | Circlip | 2 | EnglischBem: DeutschBem: DeutschDesc: Sicherungsring InternBDB: 42x1,75 /471 InternKon: 248.32.53.02 / 29 SerienBem: Zwhead_Deu: Zwhead_Eng: |
|||
| ? | 341 447 99 | Shim ring | 1 | EnglischBem: DeutschBem: DeutschDesc: PaЯscheibe InternBDB: 42x52x1 /988 InternKon: 248.32.53.02 / 31 SerienBem: Zwhead_Deu: Zwhead_Eng: |
|||
| ? | 757 645 73 | Idler | 1 | EnglischBem: DeutschBem: DeutschDesc: Laufrad InternBDB: 439 721 linkslauf InternKon: 248.32.53.02 / 12 SerienBem: Zwhead_Deu: Zwhead_Eng: |
|||
| ? | 354 273 99 | Feather key | 1 | EnglischBem: DeutschBem: DeutschDesc: PaЯfeder InternBDB: AS8x7x25 /6885 InternKon: 248.32.53.02 / 30 SerienBem: Zwhead_Deu: Zwhead_Eng: |
|||
| ? | 757 646 73 | Governor assy. consist. of fig-nos: 40-53 | 1 | EnglischBem: DeutschBem: DeutschDesc: Regler, kpl.
best. aus Bild-Nr. 40-53 InternBDB: 442 018 InternKon: 248.32.53.02 / 03 SerienBem: Zwhead_Deu: Zwhead_Eng: |
|||
| ? | 757 647 73 | Connector plate assy. consist. of fig-nos: 25-36 | 1 | EnglischBem: DeutschBem: DeutschDesc: AnschluЯplatte, kpl.
best. aus Bild-Nr. 25-36 InternBDB: 438 408 InternKon: 248.32.53.02 / 02 SerienBem: Zwhead_Deu: Zwhead_Eng: |
|||
| ? | 757 648 73 | Adjustment assy. consist. of fig-nos: 90-92 | 1 | EnglischBem: DeutschBem: DeutschDesc: Verstellung, kpl.
best. aus Bild-Nr. 90-92 InternBDB: 434 665 InternKon: 248.32.53.02 / 04 SerienBem: Zwhead_Deu: Zwhead_Eng: |
|||
| ? | 757 649 73 | Adjustment assy. consist. of fig-nos: 95-97 | 1 | EnglischBem: DeutschBem: DeutschDesc: Verstellung, kpl.
best. aus Bild-Nr. 95-97 InternBDB: 433 430 InternKon: 248.32.53.02 / 05 SerienBem: Zwhead_Deu: Zwhead_Eng: |
|||
| ? | 757 650 73 | Transmission assy. consist. of fig-nos: 100-121 | 1 | EnglischBem: DeutschBem: DeutschDesc: Triebwerk, kpl.
best. aus Bild-Nr. 100-121 InternBDB: 441 442 InternKon: 248.32.53.02 / 01 SerienBem: Zwhead_Deu: Zwhead_Eng: |
|||
| ? | Bolt | 4 | EnglischBem: DeutschBem: DeutschDesc: Schraube InternBDB: M16x35 /6912 InternKon: 556.32.00.01 / 06 SerienBem: Zwhead_Deu: Zwhead_Eng: |
||||
| ? | 757 651 73 | Carrier, pump | 1 | EnglischBem: DeutschBem: DeutschDesc: Pumpentrдger InternBDB: 440 496 InternKon: 556.32.00.01 / 01 SerienBem: Zwhead_Deu: Zwhead_Eng: |
|||
| ? | 506 998 98 | O-ring | 1 | EnglischBem: DeutschBem: DeutschDesc: O-Ring InternBDB: 37,82x1,78 90 Sh InternKon: 556.32.00.01 / 03 SerienBem: Zwhead_Deu: Zwhead_Eng: |
|||
| ? | 510 059 98 | O-ring | 1 | EnglischBem: DeutschBem: DeutschDesc: O-Ring InternBDB: 136,12x3,53 70 Sh InternKon: 556.32.00.01 / 04 SerienBem: Zwhead_Deu: Zwhead_Eng: |
|||
| ? | 319 342 99 | Bolt | 4 | EnglischBem: DeutschBem: DeutschDesc: Schraube InternBDB: M24x110 /912 10.9 InternKon: 232.32.94.50 / 14 SerienBem: Zwhead_Deu: Zwhead_Eng: |
|||
| ? | 757 652 73 | Connector plate | 1 | EnglischBem: DeutschBem: DeutschDesc: AnschluЯplatte InternBDB: 439 720 linkslauf InternKon: 232.32.94.50 / 05 SerienBem: Zwhead_Deu: Zwhead_Eng: |
|||
| ? | 510 060 98 | O-ring | 1 | EnglischBem: DeutschBem: DeutschDesc: O-Ring InternBDB: 253,59x3,53 70 Sh InternKon: 232.32.94.50 / 11 SerienBem: Zwhead_Deu: Zwhead_Eng: |
|||
| ? | 345 648 99 | Pin | 2 | EnglischBem: DeutschBem: DeutschDesc: Stift InternBDB: 12 M6x24 / 6325 InternKon: 232.32.94.50 / 12 SerienBem: Zwhead_Deu: Zwhead_Eng: |
|||
| ? | 345 669 99 | Pin | 1 | EnglischBem: DeutschBem: DeutschDesc: Stift InternBDB: 8 M6x14 / 6325 InternKon: 232.32.94.50 / 13 SerienBem: Zwhead_Deu: Zwhead_Eng: |
|||
| ? | 757 653 73 | Roller bearing | 1 | EnglischBem: DeutschBem: DeutschDesc: Rollenlager InternBDB: 156 665 InternKon: 232.32.94.50 / 10 SerienBem: Zwhead_Deu: Zwhead_Eng: |
|||
| ? | 757 654 73 | Bushing | 1 | EnglischBem: DeutschBem: DeutschDesc: Ventilbuchse InternBDB: 431 495 InternKon: 232.32.94.50 / 06 SerienBem: Zwhead_Deu: Zwhead_Eng: |
|||
| ? | 270 996 40 | Plug | 2 | EnglischBem: DeutschBem: DeutschDesc: VerschluЯschraube InternBDB: M8x1 InternKon: 232.32.94.50 / 17 SerienBem: Zwhead_Deu: Zwhead_Eng: |
|||
| ? | 757 655 73 | Nozzle | 1 | EnglischBem: DeutschBem: DeutschDesc: Dьse InternBDB: 156 495 Gr. 1,4 InternKon: 232.32.94.50 / 18 SerienBem: Zwhead_Deu: Zwhead_Eng: |
|||
| ? | 255 679 40 | Plug | 2 | EnglischBem: DeutschBem: DeutschDesc: VerschluЯschraube InternBDB: M12x1,5 InternKon: 232.32.94.50 / 16 SerienBem: Zwhead_Deu: Zwhead_Eng: |
|||
| ? | 255 985 40 | Plug | 1 | EnglischBem: DeutschBem: DeutschDesc: VerschluЯschraube InternBDB: M14x1,5 InternKon: 232.32.94.50 / 19 SerienBem: Zwhead_Deu: Zwhead_Eng: |
|||
| ? | 964 736 | Breaking plug | 5 | EnglischBem: DeutschBem: DeutschDesc: AbreiЯstopfen InternBDB: 153 880 InternKon: 232.32.94.50 / 15 SerienBem: Zwhead_Deu: Zwhead_Eng: |
|||
| ? | 757 656 73 | Governor element assy. consist. of fig-nos: 60-73 | 1 | EnglischBem: DeutschBem: DeutschDesc: Reglerelement LR, kpl.
best. aus Bild-Nr. 60-73 InternBDB: 442 019 InternKon: 422.32.22.53 / 01 SerienBem: Zwhead_Deu: Zwhead_Eng: |
|||
| ? | 757 657 73 | Governor element assy. consist. of fig-nos: 60,68,75-79 | 1 | EnglischBem: DeutschBem: DeutschDesc: Reglerelement DR, kpl.
best. aus Bild-Nr. 60,68,75-79 InternBDB: 437 750 InternKon: 422.32.22.53 / 02 SerienBem: Zwhead_Deu: Zwhead_Eng: |
|||
| ? | 757 658 73 | Metering piston assy. consist. of fig-nos: 80-83 | 1 | EnglischBem: DeutschBem: DeutschDesc: MeЯkolben, kpl.
best. aus Bild-Nr. 80-83 InternBDB: 442 040 InternKon: 422.32.22.53 / 07 SerienBem: Zwhead_Deu: Zwhead_Eng: |
|||
| ? | 319 423 99 | Screw | 5 | EnglischBem: DeutschBem: DeutschDesc: Schraube InternBDB: M8x50 /912 InternKon: 422.32.22.53 / 15 SerienBem: Zwhead_Deu: Zwhead_Eng: |
|||
| ? | 757 659 73 | Housing | 1 | EnglischBem: DeutschBem: DeutschDesc: Gehдuse InternBDB: 443 707 InternKon: 422.32.22.53 / 03 SerienBem: Zwhead_Deu: Zwhead_Eng: |
|||
| ? | 506 465 98 | O-ring | 3 | EnglischBem: DeutschBem: DeutschDesc: O-Ring InternBDB: 6,02x2,62 108-7509 InternKon: 422.32.22.53 / 18 SerienBem: Zwhead_Deu: Zwhead_Eng: |
|||
| ? | 973 051 | O-ring | 1 | EnglischBem: DeutschBem: DeutschDesc: O-Ring InternBDB: 52,07x2,62 137-7507 InternKon: 422.32.22.53 / 19 SerienBem: Zwhead_Deu: Zwhead_Eng: |
|||
| ? | 505 169 98 | Dowel pin | 2 | EnglischBem: DeutschBem: DeutschDesc: Spannstift InternBDB: 6x16 /7346 InternKon: 422.32.22.53 / 16 SerienBem: Zwhead_Deu: Zwhead_Eng: |
|||
| ? | 964 737 | Breaking plug | 5 | EnglischBem: DeutschBem: DeutschDesc: AbreiЯstopfen InternBDB: 153 879 M6 InternKon: 422.32.22.53 / 17 SerienBem: Zwhead_Deu: Zwhead_Eng: |
|||
| ? | 757 660 73 | Angle lever | 1 | EnglischBem: DeutschBem: DeutschDesc: Winkelhebel InternBDB: 443 706 InternKon: 422.32.22.53 / 04 SerienBem: Zwhead_Deu: Zwhead_Eng: |
|||
| ? | 757 661 73 | Pin | 1 | EnglischBem: DeutschBem: DeutschDesc: Lagerbolzen InternBDB: 431 281 InternKon: 422.32.22.53 / 05 SerienBem: Zwhead_Deu: Zwhead_Eng: |
|||
| ? | 757 662 73 | Bearing bush | 1 | EnglischBem: DeutschBem: DeutschDesc: Lagerbuchse InternBDB: 431 286 InternKon: 422.32.22.53 / 06 SerienBem: Zwhead_Deu: Zwhead_Eng: |
|||
| ? | 969 043 | O-ring | 1 | EnglischBem: DeutschBem: DeutschDesc: O-Ring InternBDB: 6,07x1,78 010-7507 InternKon: 422.32.22.53 / 22 SerienBem: Zwhead_Deu: Zwhead_Eng: |
|||
| ? | 342 610 99 | Circlip | 1 | EnglischBem: DeutschBem: DeutschDesc: Sicherungsring InternBDB: 10x1 /472 InternKon: 422.32.22.53 / 21 SerienBem: Zwhead_Deu: Zwhead_Eng: |
|||
| ? | 964 739 | Flanged nut | 2 | EnglischBem: DeutschBem: DeutschDesc: Bundmutter InternBDB: 152 707 M 8 InternKon: 423.32.23.53 / 18 SerienBem: Zwhead_Deu: Zwhead_Eng: |
|||
| ? | 757 663 73 | Threaded pin | 1 | EnglischBem: DeutschBem: DeutschDesc: Gewindestift InternBDB: 440 424 InternKon: 423.32.23.53 / 10 SerienBem: Zwhead_Deu: Zwhead_Eng: |
|||
| ? | 757 664 73 | Plug | 1 | EnglischBem: DeutschBem: DeutschDesc: VerschluЯschraube InternBDB: 440 422 InternKon: 423.32.23.53 / 09 SerienBem: Zwhead_Deu: Zwhead_Eng: |
|||
| ? | 757 524 73 | Spring bolt | 2 | EnglischBem: DeutschBem: DeutschDesc: Federbolzen InternBDB: 440 567 InternKon: 423.32.23.53 / 05 SerienBem: Zwhead_Deu: Zwhead_Eng: |
|||
| ? | 757 525 73 | Compression spring | 1 | EnglischBem: DeutschBem: DeutschDesc: Druckfeder InternBDB: 436 795 InternKon: 423.32.23.53 / 07 SerienBem: Zwhead_Deu: Zwhead_Eng: |
|||
| ? | 757 526 73 | Compression spring | 1 | EnglischBem: DeutschBem: DeutschDesc: Druckfeder InternBDB: 436 395 InternKon: 423.32.23.53 / 06 SerienBem: Zwhead_Deu: Zwhead_Eng: |
|||
| ? | 757 665 73 | Piston control | 1 | EnglischBem: DeutschBem: DeutschDesc: Ansteuerkolben InternBDB: 443 891 InternKon: 423.32.23.53 / 04 SerienBem: Zwhead_Deu: Zwhead_Eng: |
|||
| ? | 757 666 73 | Plug | 1 | EnglischBem: DeutschBem: DeutschDesc: VerschluЯschraube InternBDB: 440 420 InternKon: 423.32.23.53 / 01 SerienBem: Zwhead_Deu: Zwhead_Eng: |
|||
| ? | 972 104 | O-ring | 2 | EnglischBem: DeutschBem: DeutschDesc: O-Ring InternBDB: 18,72x2,62 116-7509 InternKon: 423.32.23.53 / 15 SerienBem: Zwhead_Deu: Zwhead_Eng: |
|||
| ? | 757 667 73 | Pin | 1 | EnglischBem: DeutschBem: DeutschDesc: Bolzen InternBDB: 443 708 InternKon: 423.32.23.53 / 03 SerienBem: Zwhead_Deu: Zwhead_Eng: |
|||
| ? | 757 668 73 | Piston valve | 1 | EnglischBem: DeutschBem: DeutschDesc: Steuerkolben, LR InternBDB: 432 439 InternKon: 423.32.23.53 / 02 SerienBem: Zwhead_Deu: Zwhead_Eng: |
|||
| ? | 501 378 98 | O-ring | 1 | EnglischBem: DeutschBem: DeutschDesc: O-Ring InternBDB: 20,35x1,78 019-7509 InternKon: 423.32.23.53 / 16 SerienBem: Zwhead_Deu: Zwhead_Eng: |
|||
| ? | 501 795 98 | O-ring | 1 | EnglischBem: DeutschBem: DeutschDesc: O-Ring InternBDB: 25,12x1,78 022-7509 InternKon: 423.32.23.53 / 17 SerienBem: Zwhead_Deu: Zwhead_Eng: |
|||
| ? | 757 669 73 | Adapter | 1 | EnglischBem: DeutschBem: DeutschDesc: AnschluЯstьck InternBDB: 440 421 InternKon: 423.32.23.53 / 08 SerienBem: Zwhead_Deu: Zwhead_Eng: |
|||
| ? | 757 670 73 | Threaded pin | 1 | EnglischBem: DeutschBem: DeutschDesc: Gewindestift InternBDB: 439 097 InternKon: 423.30.62.50 / 10 SerienBem: Zwhead_Deu: Zwhead_Eng: |
|||
| ? | 757 523 73 | Plug | 1 | EnglischBem: DeutschBem: DeutschDesc: VerschluЯschraube InternBDB: 439 843 InternKon: 423.30.62.50 / 01 SerienBem: Zwhead_Deu: Zwhead_Eng: |
|||
| ? | 757 671 73 | Spring bolt | 2 | EnglischBem: DeutschBem: DeutschDesc: Federbolzen InternBDB: 436 991 InternKon: 423.30.62.50 / 03 SerienBem: Zwhead_Deu: Zwhead_Eng: |
|||
| ? | 757 672 73 | Compression spring | 1 | EnglischBem: DeutschBem: DeutschDesc: Druckfeder InternBDB: 431 384 InternKon: 423.30.62.50 / 05 SerienBem: Zwhead_Deu: Zwhead_Eng: |
|||
| ? | 757 673 73 | Piston valve | 1 | EnglischBem: DeutschBem: DeutschDesc: Steuerkolben, DR InternBDB: 431 323 InternKon: 423.30.62.50 / 02 SerienBem: Zwhead_Deu: Zwhead_Eng: |
|||
| ? | 757 674 73 | Roller | 1 | EnglischBem: DeutschBem: DeutschDesc: Rolle InternBDB: 443 705 InternKon: 422.30.23.51 / 10 SerienBem: Zwhead_Deu: Zwhead_Eng: |
|||
| ? | 757 675 73 | Metering piston | 1 | EnglischBem: DeutschBem: DeutschDesc: MeЯkolben InternBDB: 443 704 InternKon: 422.30.23.51 / 01 SerienBem: Zwhead_Deu: Zwhead_Eng: |
|||
| ? | 757 676 73 | Compression spring | 1 | EnglischBem: DeutschBem: DeutschDesc: Druckfeder InternBDB: 436 733 InternKon: 422.30.23.51 / 04 SerienBem: Zwhead_Deu: Zwhead_Eng: |
|||
| ? | 757 677 73 | Setting bush | 1 | EnglischBem: DeutschBem: DeutschDesc: Stellbuchse InternBDB: 436 732 InternKon: 422.30.23.51 / 02 SerienBem: Zwhead_Deu: Zwhead_Eng: |
|||
| ? | 757 678 73 | Rod | 1 | EnglischBem: DeutschBem: DeutschDesc: Stellstange InternBDB: 431 567 InternKon: 452.30.50.00 / 02 SerienBem: Zwhead_Deu: Zwhead_Eng: |
|||
| ? | 757 679 73 | Piston | 1 | EnglischBem: DeutschBem: DeutschDesc: Stellkolben InternBDB: 436 738 InternKon: 452.30.50.00 / 01 SerienBem: Zwhead_Deu: Zwhead_Eng: |
|||
| ? | 757 680 73 | Compression spring | 1 | EnglischBem: DeutschBem: DeutschDesc: Druckfeder InternBDB: 436 737 InternKon: 452.30.50.00 / 03 SerienBem: Zwhead_Deu: Zwhead_Eng: |
|||
| ? | 757 681 73 | Rod for resetting | 1 | EnglischBem: DeutschBem: DeutschDesc: Rьckstellstange InternBDB: 431 566 InternKon: 452.30.51.00 / 02 SerienBem: Zwhead_Deu: Zwhead_Eng: |
|||
| ? | 757 682 73 | Piston for resetting | 1 | EnglischBem: DeutschBem: DeutschDesc: Rьckstellkolben InternBDB: 435 972 InternKon: 452.30.51.00 / 01 SerienBem: Zwhead_Deu: Zwhead_Eng: |
|||
| ? | 757 683 73 | Compression spring | 1 | EnglischBem: DeutschBem: DeutschDesc: Druckfeder InternBDB: 432 464 InternKon: 452.30.51.00 / 03 SerienBem: Zwhead_Deu: Zwhead_Eng: |
|||
| ? | Graphic 2 | EnglischBem: DeutschBem: DeutschDesc: Bild 2 InternBDB: InternKon: SerienBem: Zwhead_Deu: Zwhead_Eng: |
|||||
| ? | 757 684 73 | Cylinder with control plate | 1 | EnglischBem: DeutschBem: DeutschDesc: Zylinder mit Steuerplatte InternBDB: 443 283 InternKon: 216.32.30.10 / 01 SerienBem: Zwhead_Deu: Zwhead_Eng: |
|||
| ? | 757 685 73 | Guide shoe | 9 | EnglischBem: DeutschBem: DeutschDesc: Kolben-Gleitschuh InternBDB: 436 292 InternKon: 216.32.30.10 / 02 SerienBem: Zwhead_Deu: Zwhead_Eng: |
|||
| ? | 757 686 73 | Shim ring | 1 | EnglischBem: DeutschBem: DeutschDesc: PaЯscheibe InternBDB: 431 475 InternKon: 216.32.30.10 / 20 SerienBem: Zwhead_Deu: Zwhead_Eng: |
|||
| ? | 757 687 73 | Cup spring package | 1 | EnglischBem: DeutschBem: DeutschDesc: Tellerfeder-Sдule InternBDB: 431 527 InternKon: 216.32.30.10 / 11 SerienBem: Zwhead_Deu: Zwhead_Eng: |
|||
| ? | 757 688 73 | Withdrawal ball | 1 | EnglischBem: DeutschBem: DeutschDesc: Rьckzugkugel InternBDB: 431 396 InternKon: 216.32.30.10 / 25 SerienBem: Zwhead_Deu: Zwhead_Eng: |
|||
| ? | 757 689 73 | Retainer | 2 | EnglischBem: DeutschBem: DeutschDesc: Haltesegment InternBDB: 431 641 InternKon: 216.32.30.10 / 30 SerienBem: Zwhead_Deu: Zwhead_Eng: |
|||
| ? | 319 133 99 | Screw | 4 | EnglischBem: DeutschBem: DeutschDesc: Schraube InternBDB: M6x30 /912 InternKon: 216.32.30.10 / 47 SerienBem: Zwhead_Deu: Zwhead_Eng: |
|||
| ? | 757 690 73 | Withdrawal plate | 1 | EnglischBem: DeutschBem: DeutschDesc: Rьckzugplatte InternBDB: 436 295 InternKon: 216.32.30.10 / 24 SerienBem: Zwhead_Deu: Zwhead_Eng: |
|||
| ? | 757 691 73 | Balancer | 1 | EnglischBem: DeutschBem: DeutschDesc: Wiege InternBDB: 443 285 InternKon: 216.32.30.10 / 12 SerienBem: Zwhead_Deu: Zwhead_Eng: |
|||
| ? | 804 973 73 | Hinge pin | 2 | EnglischBem: DeutschBem: DeutschDesc: Gelenkstift InternBDB: 076 231 InternKon: 216.32.30.10 / 18 SerienBem: Zwhead_Deu: Zwhead_Eng: |
|||
| ? | 345 397 99 | Dowel sleeve | 2 | EnglischBem: DeutschBem: DeutschDesc: Spannhьlse InternBDB: 7x12 /7346 InternKon: 216.32.30.10 / 46 SerienBem: Zwhead_Deu: Zwhead_Eng: |
|||
| ? | 757 692 73 | Wire | 2 | EnglischBem: DeutschBem: DeutschDesc: Draht InternBDB: 403 549 InternKon: 216.32.30.10 / 17 SerienBem: Zwhead_Deu: Zwhead_Eng: |
|||
| ? | 757 693 73 | Cage - paire | 1 | EnglischBem: DeutschBem: DeutschDesc: Kдfig-Paar InternBDB: 157 981 InternKon: 216.32.30.10 / 32 SerienBem: Zwhead_Deu: Zwhead_Eng: |
|||
| ? | 342 554 99 | Circlip | 1 | EnglischBem: DeutschBem: DeutschDesc: Sicherungsring InternBDB: 58x2 /471 InternKon: 216.32.30.10 / 36 SerienBem: Zwhead_Deu: Zwhead_Eng: |
|||
| ? | 757 694 73 | Roller bearing | 1 | EnglischBem: DeutschBem: DeutschDesc: Rollenlager InternBDB: 157 450 InternKon: 216.32.30.10 / 31 SerienBem: Zwhead_Deu: Zwhead_Eng: |
|||
| ? | 757 695 73 | Drive shaft | 1 | EnglischBem: DeutschBem: DeutschDesc: Triebwelle InternBDB: 432 119 InternKon: 216.32.30.10 / 14 SerienBem: Zwhead_Deu: Zwhead_Eng: |
|||
| ? | 757 696 73 | Bearing flange | 1 | EnglischBem: DeutschBem: DeutschDesc: Lagerflansch InternBDB: 440 158 InternKon: 216.32.30.10 / 15 SerienBem: Zwhead_Deu: Zwhead_Eng: |
|||
| ? | 504 808 98 | O-ring | 1 | EnglischBem: DeutschBem: DeutschDesc: O-Ring InternBDB: 145,64x3,53 256-7507 InternKon: 216.32.30.10 / 40 SerienBem: Zwhead_Deu: Zwhead_Eng: |
|||
| ? | 504 216 98 | Shaft seal | 1 | EnglischBem: DeutschBem: DeutschDesc: Wellendichtring InternBDB: 70x90x7 BABSL 1 InternKon: 216.32.30.10 / 38 SerienBem: Zwhead_Deu: Zwhead_Eng: |
|||
| ? | 509 529 98 | O-ring | 1 | EnglischBem: DeutschBem: DeutschDesc: O-Ring InternBDB: 123,42x3,53 249-7507 InternKon: 216.32.30.10 / 39 SerienBem: Zwhead_Deu: Zwhead_Eng: |
|||
| ? | 757 697 73 | Cover | 1 | EnglischBem: DeutschBem: DeutschDesc: VerschluЯring InternBDB: 432 127 InternKon: 216.32.30.10 / 16 SerienBem: Zwhead_Deu: Zwhead_Eng: |
|||
| ? | 342 676 99 | Circlip | 1 | EnglischBem: DeutschBem: DeutschDesc: Sicherungsring InternBDB: 130x4 InternKon: 216.32.30.10 / 37 SerienBem: Zwhead_Deu: Zwhead_Eng: |
|||
| ? | 898 102 40 | Hydr. pump assy. | A/R | EnglischBem: DeutschBem: DeutschDesc: Hydr.-Pumpe, kpl. InternBDB: InternKon: SerienBem: Zwhead_Deu: Zwhead_Eng: |