| Номер на схеме | Каталожный номер | Название | Количество | Детали | |||
|---|---|---|---|---|---|---|---|
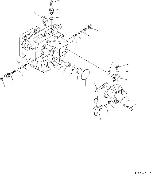
| ? | (708-3S-00210) | PUMP ASS'Y | 1 | SN: 1001-3239 |
|||
| ? | THIS ASSEMBLY CONSISTS OF ALL PARTS SHOWN IN FIGS.Y1600-01A0 T0 Y1600-06A0. | ||||||
| ? | 708-1T-19210 | • COUPLING | 1 | SN: 1001-@ |
|||
| ? | 700-30-63140 | • RING,SNAP | 1 | SN: 1001-@ |
|||
| ? | 708-1T-19230 | • RING | 1 | SN: 1001-@ |
|||
| ? | 07000-11006 | • O-RING | 1 | SN: 1001-3239 |
|||
| ? | 07000-02060 | • O-RING | 1 | SN: 1001-3239 |
|||
| ? | 01010-80820 | • BOLT | 2 | SN: 1001-3239 |
|||
| ? | 01643-30823 | • WASHER | 2 | SN: 1001-3239 |
|||
| ? | 708-1T-19140 | • TEE | 1 | SN: 1001-3239 |
|||
| ? | 708-3S-19120 | • ORIFICE | 1 | SN: 1001-3239 |
|||
| ? | 07002-11823 | • O-RING | 1 | SN: 1001-3239 |
|||
| ? | 708-3S-19510 | • ELBOW | 1 | SN: 1001-3239 |
|||
| ? | 07002-11423 | • O-RING | 1 | SN: 1001-3239 |
|||
| ? | 708-8E-16150 | • PLUG | 1 | SN: 1001-3239 |
|||
| ? | 07002-11023 | • O-RING | 1 | SN: 1001-3239 |
|||
| ? | 708-1T-19440 | • TUBE | 1 | SN: 1001-3239 |
|||
| ? | 708-3S-15910 | • PLUG | 1 | SN: 1001-3239 |
|||
| ? | 706-86-51180 | • PLUG | 1 | SN: 1001-3239 |
|||
| ? | 07002-11023 | • O-RING | 1 | SN: 1001-3239 |
|||
| ? | 07000-11004 | • O-RING | 1 | SN: 1001-3239 |
|||
| ? | 07001-01004 | • RING | 2 | SN: 1001-3239 |
|||
| ? | 708-3S-15810 | • PLUG | 2 | SN: 1001-@ |
|||
| ? | 708-3S-15820 | • NUT | 2 | SN: 1001-@ |
|||
| ? | 07000-11003 | • O-RING | 2 | SN: 1001-@ |
|||
| ? | 07001-01003 | • RING,BACK-UP | 2 | SN: 1001-@ |
|||
| ? | 04530-11018 | • BOLT,EYE | 1 | SN: 1001-3239 |
|||
| ? | 708-1T-19541 | • PLUG | 1 | SN: 1001-3239 |
|||
| ? | 07002-11423 | • O-RING | 1 | SN: 1001-3239 |
|||
| ? | 20B-27-11210 | • BLEEDER | 1 | SN: 1001-@ |