| Номер на схеме | Каталожный номер | Название | Количество | Детали | |||
|---|---|---|---|---|---|---|---|
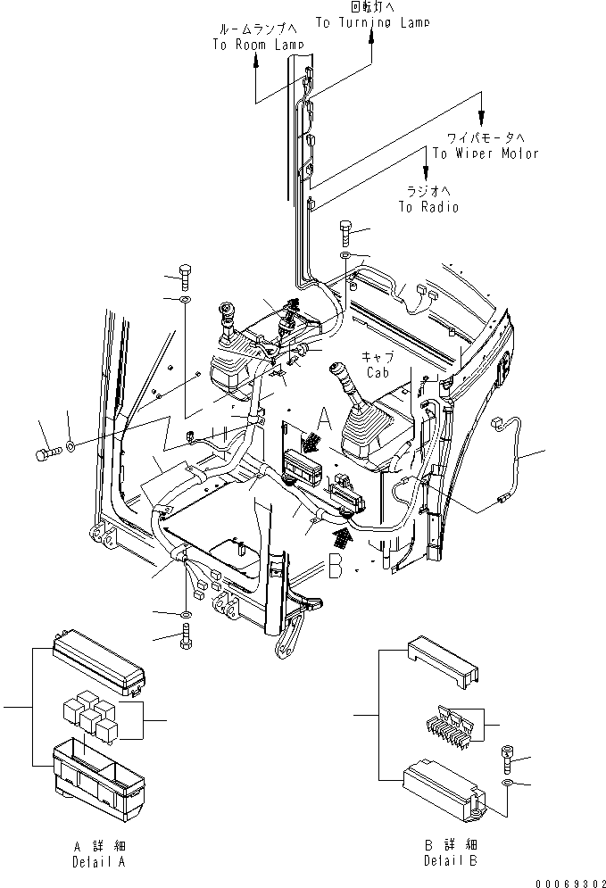
| ? | 22F-06-33211 | WIRING HARNESS | 1 | SN: 15001- KIT-FLAG: _- SERIALNO: 15001- |
|||
| ? | 22M-06-24260 | • BOX,RELAY | 1 | SN: 15001- KIT-FLAG: _- SERIALNO: 15001- |
|||
| ? | 20U-06-42520 | • RELAY, 5-TERMINAL | 5 | SN: 15001- KIT-FLAG: _- SERIALNO: 15001- |
|||
| ? | 08044-01000 | • FUSE BOX | 1 | SN: 15001- KIT-FLAG: _- SERIALNO: 15001- |
|||
| ? | 08041-01000 | • FUSE, 10A | 5 | SN: 15001- KIT-FLAG: _- SERIALNO: 15001- |
|||
| ? | 08041-02000 | • FUSE, 20A | 4 | SN: 15001- KIT-FLAG: _- SERIALNO: 15001- |
|||
| ? | 08041-03000 | • FUSE, 30A | 2 | SN: 15001- KIT-FLAG: _- SERIALNO: 15001- |
|||
| ? | 22F-06-33220 | WIRING HARNESS | 1 | SN: 15001- KIT-FLAG: _- SERIALNO: 15001- |
|||
| ? | 04434-52712 | CLIP | 6 | SN: 15001- KIT-FLAG: _- SERIALNO: 15001- |
|||
| ? | 01010-81020 | BOLT | 6 | SN: 15001- KIT-FLAG: _- SERIALNO: 15001- |
|||
| ? | 01643-31032 | WASHER | 6 | SN: 15001- KIT-FLAG: _- SERIALNO: 15001- |
|||
| ? | 08053-01510 | CLIP | 1 | SN: 15001- KIT-FLAG: _- SERIALNO: 15001- |
|||
| ? | 01010-81020 | BOLT | 1 | SN: 15001- KIT-FLAG: _- SERIALNO: 15001- |
|||
| ? | 01643-31032 | WASHER | 1 | SN: 15001- KIT-FLAG: _- SERIALNO: 15001- |
|||
| ? | 21Y-06-11260 | BUZZER ASS'Y | 1 | SN: 15001- KIT-FLAG: _- SERIALNO: 15001- |
|||
| ? | 21Y-06-11270 | PLATE | 1 | SN: 15001- KIT-FLAG: _- SERIALNO: 15001- |
|||
| ? | 01010-80612 | BOLT | 1 | SN: 15001- KIT-FLAG: _- SERIALNO: 15001- |
|||
| ? | 01643-30623 | WASHER | 1 | SN: 15001- KIT-FLAG: _- SERIALNO: 15001- |
|||
| ? | 01252-80620 | BOLT | 2 | SN: 15001- KIT-FLAG: _- SERIALNO: 15001- |
|||
| ? | 01643-70623 | WASHER | 2 | SN: 15001- KIT-FLAG: _- SERIALNO: 15001- |
|||
| ? | 20S-06-31130 | STARTING SWITCH,STARTING | 1 | SN: 15001- KIT-FLAG: _- SERIALNO: 15001- |
|||
| ? | 08034-40521 | BAND | 2 | SN: 15001- KIT-FLAG: _- SERIALNO: 15001- |
|||
| ? | 08193-21012 | CLIP | 1 | SN: 15001- KIT-FLAG: _- SERIALNO: 15001- |
|||
| ? | 01010-81020 | BOLT | 1 | SN: 15001- KIT-FLAG: _- SERIALNO: 15001- |
|||
| ? | 01643-31032 | WASHER | 1 | SN: 15001- KIT-FLAG: _- SERIALNO: 15001- |