| Номер на схеме | Каталожный номер | Название | Количество | Детали | |||
|---|---|---|---|---|---|---|---|
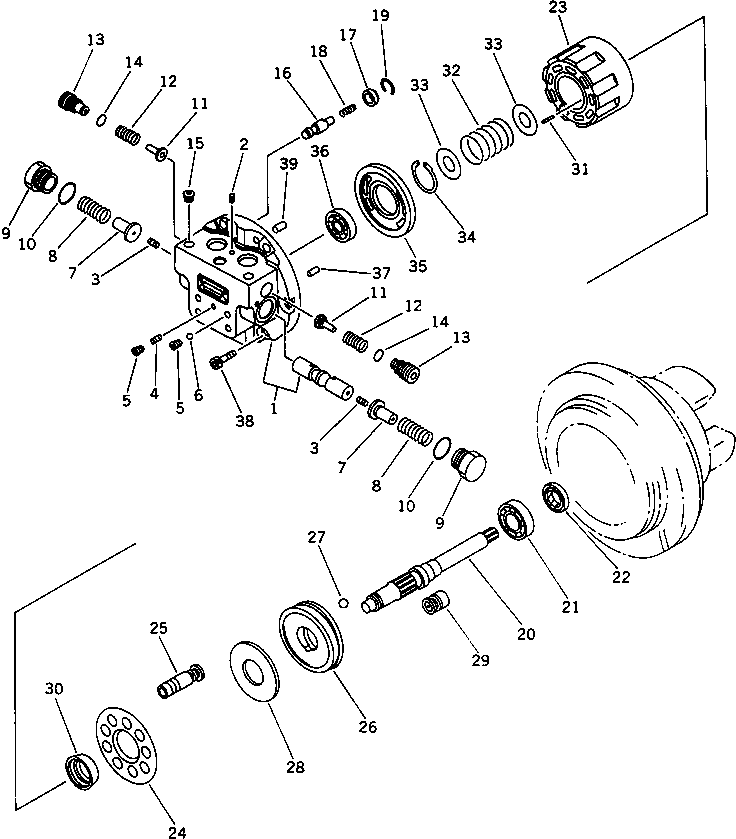
| ? | 20T-60-42100 | TRAVEL MOTOR ASS'Y | 2 | SN: 1001-1059 |
|||
| ? | THIS ASSEMBLY CONSISTS OF ALL PARTS SHOWN IN FIGS.6301 AND 6302. | ||||||
| ? | TZ312B210101-A | • REAR FLANGE KIT | 1 | SN: 1001-1059 |
|||
| ? | TZMB700-060 | • • PLUG | 3 | SN: 1001-1059 |
|||
| ? | TZ300B2044-00 | • • ORIFICE | 2 | SN: 1001-1059 |
|||
| ? | TZ121F2070-00 | • • ORIFICE | 1 | SN: 1001-1059 |
|||
| ? | TZGM1-8 | • • PLUG | 5 | SN: 1001-1059 |
|||
| ? | 04260-00793 | • BALL | 2 | SN: 1001-1059 |
|||
| ? | TZ300A2052-00 | • STOPPER | 2 | SN: 1001-1059 |
|||
| ? | TZ300A2056-00 | • SPRING | 2 | SN: 1001-1059 |
|||
| ? | TZ300A2051-00 | • PLUG | 2 | SN: 1001-1059 |
|||
| ? | TZJB2401-P22-9 | • O-RING (KIT) | 2 | SN: 1001-1059 |
|||
| ? | TZ300A2054-00 | • VALVE | 2 | SN: 1001-1059 |
|||
| ? | TZ300A2055-00 | • SPRING | 2 | SN: 1001-1059 |
|||
| ? | TZ300A2053-00 | • PLUG | 2 | SN: 1001-1059 |
|||
| ? | 07000-12012 | • O-RING (KIT) | 2 | SN: 1001-1059 |
|||
| ? | TZGM1-4 | • PLUG | 1 | SN: 1001-1059 |
|||
| ? | TZ200B2073-00 | • VALVE | 1 | SN: 1001-1059 |
|||
| ? | TZ300B2039-00 | • STOPPER | 1 | SN: 1001-1059 |
|||
| ? | TZ300B2043-01 | • SPRING | 1 | SN: 1001-1059 |
|||
| ? | TZ300B2042-00 | • RING | 1 | SN: 1001-1059 |
|||
| ? | TZ310B2002-00 | • SHAFT | 1 | SN: 1001-1059 |
|||
| ? | 06000-06203 | • BEARING,BALL | 1 | SN: 1001-1059 |
|||
| ? | TZ15Z-17-35-8 | • SEAL,OIL (KIT) | 1 | SN: 1001-1059 |
|||
| ? | TZ312B2004-00 | • BLOCK,CYLINDER | 1 | SN: 1001-1059 |
|||
| ? | TZ310B2007-00 | • PLATE,RETAINER | 1 | SN: 1001-1059 |
|||
| ? | (★TZ300B2105-00) | • PISTON KIT,(9PIS) | 1 | SN: 1001-1059 |
|||
| ? | TZ310B200301-A | • PLATE,SWASH | 1 | SN: 1001-1059 |
|||
| ? | TZJB1501-18 | • BALL | 2 | SN: 1001-1059 |
|||
| ? | TZ310B2032-00 | • PLATE,THRUST | 1 | SN: 1001-1059 |
|||
| ? | TZ310B2070-01 | • PISTON ASS'Y | 1 | SN: 1001-1059 |
|||
| ? | TZ310B2008-00 | • BOWL,THRUST | 1 | SN: 1001-1059 |
|||
| ? | TZJB1506-2-208 | • PIN | 3 | SN: 1001-1059 |
|||
| ? | TZ550A2014-01 | • SPRING | 1 | SN: 1001-1059 |
|||
| ? | TZ310B2010-00 | • WASHER | 2 | SN: 1001-1059 |
|||
| ? | TZIRTW-32 | • RING,SNAP | 1 | SN: 1001-1059 |
|||
| ? | TZ550A2009-00 | • PLATE,TIMING | 1 | SN: 1001-1059 |
|||
| ? | 06000-06201 | • BEARING,BALL | 1 | SN: 1001-1059 |
|||
| ? | TZJB1354-4-10 | • PIN | 2 | SN: 1001-1059 |
|||
| ? | 01252-30820 | • BOLT | 6 | SN: 1001-1059 |
|||
| ? | TZJB1354-8-16 | • PIN | 2 | SN: 1001-1059 |
