| Номер на схеме | Каталожный номер | Название | Количество | Детали | |||
|---|---|---|---|---|---|---|---|
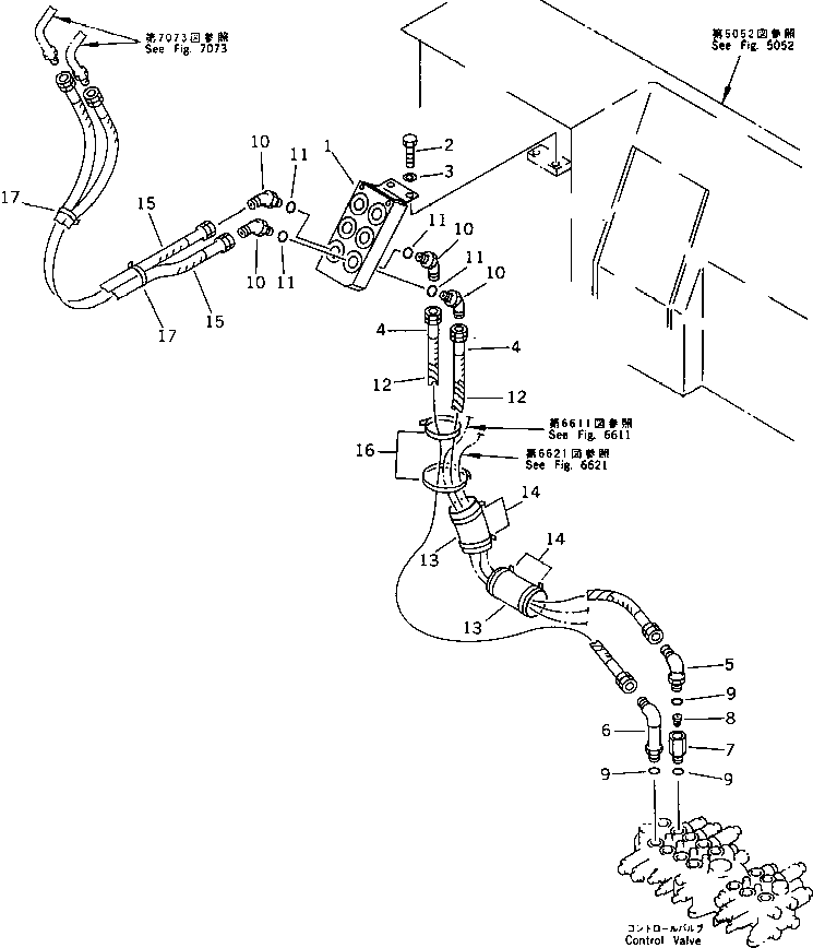
| ? | 21X-62-11441 | BLOCK | 1 | SN: 1400- |
|||
| ? | 21X-62-11440 | BLOCK | 1 | SN: 1001-1399 |
|||
| ? | 01010-51230 | BOLT | 2 | SN: 1001- |
|||
| ? | 01643-31232 | WASHER | 2 | SN: 1001- |
|||
| ? | 20T-62-61780 | HOSE | 2 | SN: 1001- |
|||
| ? | 20R-62-21141 | ELBOW | 1 | SN: 1001- |
|||
| ? | 20T-62-61441 | ELBOW | 1 | SN: 1001- |
|||
| ? | 21X-62-11640 | UNION | 1 | SN: 1001- |
|||
| ? | 20S-62-31440 | PLUG | 1 | SN: 1001- |
|||
| ? | 07002-11823 | O-RING | 3 | SN: 1001- |
|||
| ? | 07236-10315 | ELBOW | 4 | SN: 1001- |
|||
| ? | 07002-02034 | O-RING | 4 | SN: 1001- |
|||
| ? | 203-62-32450 | COVER | 2 | SN: 1001- |
|||
| ? | 20U-62-11760 | VINYL | 2 | SN: 1001- |
|||
| ? | 08034-00536 | BAND | 4 | SN: 1001- |
|||
| ? | 21X-62-11470 | HOSE | 2 | SN: 1001- |
|||
| ? | 08034-00536 | BAND | 2 | SN: 1001- |
|||
| ? | 20T-62-57690 | BAND | 2 | SN: 1001- |
