| Номер на схеме | Каталожный номер | Название | Количество | Детали | |||
|---|---|---|---|---|---|---|---|
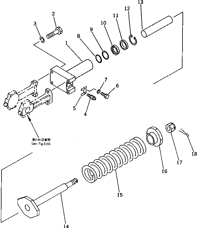
| ? | (☉20T-30-X1200) | FRONT IDLER GROUP | 1 | SN: 8501- KIT-FLAG: _- SERIALNO: 8501- |
|||
| ? | ==================== | SERIALNO: |
|||||
| ? | 20R-30-21511 | CYLINDER | 2 | SN: 8501- KIT-FLAG: _- SERIALNO: 8501- |
|||
| ? | 01010-51270 | BOLT | 8 | SN: 8501- KIT-FLAG: _- SERIALNO: 8501- |
|||
| ? | 01602-21236 | WASHER,SPRING | 8 | SN: 8501- KIT-FLAG: _- SERIALNO: 8501- |
|||
| ? | 07959-20001 | VALVE | 2 | SN: 10001- KIT-FLAG: _- SERIALNO: 10001- |
|||
| ? | 07959-20000 | VALVE | 2 | SN: 8501-10000 KIT-FLAG: _- SERIALNO: 8501-10000 |
|||
| ? | 20R-30-21530 | PLATE | 2 | SN: 8501- KIT-FLAG: _- SERIALNO: 8501- |
|||
| ? | 01010-50816 | BOLT | 4 | SN: 8501- KIT-FLAG: _- SERIALNO: 8501- |
|||
| ? | 01602-20825 | WASHER,SPRING | 4 | SN: 8501- KIT-FLAG: _- SERIALNO: 8501- |
|||
| ? | 07000-13040 | O-RING | 2 | SN: 8501- KIT-FLAG: _- SERIALNO: 8501- |
|||
| ? | 20R-30-21550 | RING,BACK-UP | 2 | SN: 8501- KIT-FLAG: _- SERIALNO: 8501- |
|||
| ? | 07016-00407 | SEAL,DUST | 2 | SN: 8501- KIT-FLAG: _- SERIALNO: 8501- |
|||
| ? | 201-30-24170 | SPACER | 2 | SN: 8501- KIT-FLAG: _- SERIALNO: 8501- |
|||
| ? | 04065-05220 | RING,SNAP | 2 | SN: 8501- KIT-FLAG: _- SERIALNO: 8501- |
|||
| ? | 20R-30-21521 | ROD | 2 | SN: 8501- KIT-FLAG: _- SERIALNO: 8501- |
|||
| ? | 20T-30-31410 | ROD | 2 | SN: 8501- KIT-FLAG: _- SERIALNO: 8501- |
|||
| ? | 20T-30-31210 | SPRING | 2 | SN: 8501- KIT-FLAG: _- SERIALNO: 8501- |
|||
| ? | 20T-30-31420 | BRACKET | 2 | SN: 8501- KIT-FLAG: _- SERIALNO: 8501- |
|||
| ? | 01590-12427 | NUT | 2 | SN: 8501- KIT-FLAG: _- SERIALNO: 8501- |
|||
| ? | 04050-15045 | PIN,COTTER | 2 | SN: 8501- KIT-FLAG: _- SERIALNO: 8501- |
|||
| ? | ==================== | SERIALNO: |
