k-part
Номер на схеме Каталожный номер Название Количество Детали
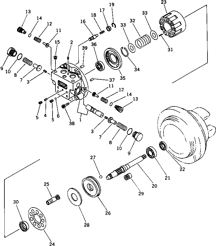
? 20T-60-42100 TRAVEL MOTOR ASS'Y 2
SN: 10001-11898
? TZ312B210101-A • REAR FLANGE KIT,REAR 1
SN: 10001-11898
? TZMB700-060 • • PLUG 3
SN: 10001-11898
? TZ300B2044-00 • • ORIFICE 2
SN: 10001-11898
? TZ121F2070-00 • • ORIFICE 1
SN: 10001-11898
? TZGM1-8 • • PLUG 5
SN: 10001-11898
? 04260-00793 • BALL 2
SN: 10001-11898
? TZ300A2052-00 • STOPPER 2
SN: 10001-11898
? TZ300A2056-00 • SPRING 2
SN: 10001-11898
? TZ300A2051-00 • PLUG 2
SN: 10001-11898
? TZJB2401-P22-9 • O-RING (KIT) 2
SN: 10001-11898
? TZ300A2054-00 • VALVE 2
SN: 10001-11899
? TZ300A2055-00 • SPRING 2
SN: 10001-11899
? TZ300A2053-00 • PLUG 2
SN: 10001-11899
? 07000-12012 • O-RING (KIT) 2
SN: 10001-11899
? TZGM1-4 • PLUG 1
SN: 10001-11898
? TZ200B2073-00 • VALVE 1
SN: 10001-11898
? TZ300B2039-00 • STOPPER 1
SN: 10001-11898
? TZ300B2043-01 • SPRING 1
SN: 10001-11898
? TZ300B2042-00 • RING 1
SN: 10001-11898
? TZ310B2002-00 • SHAFT 1
SN: 10001-11898
? 06000-06203 • BEARING,BALL 1
SN: 10001-11898
? TZ15Z-17-35-8 • SEAL,OIL (KIT) 1
SN: 10001-11898
? TZ312B2004-00 • BLOCK,CYLINDER 1
SN: 10001-11898
? TZ310B2007-00 • PLATE,RETAINER 1
SN: 10001-11898
? (★TZ300B2105-00) • PISTON KIT (9PIS) 1
SN: 10001-11898
? TZ310B200301-A • PLATE,SWASH 1
SN: 10001-11898
? TZJB1501-18 • BALL 2
SN: 10001-11898
? TZ310B2032-00 • PLATE,THRUST 1
SN: 10001-11898
? TZ310B2070-01 • PISTON ASS'Y 1
SN: 10001-11898
? TZ310B2008-00 • BOWL,THRUST 1
SN: 10001-11898
? TZJB1506-2-208 • PIN 3
SN: 10001-11898
? TZ550A2014-01 • SPRING 1
SN: 10001-11898
? TZ310B2010-00 • WASHER 2
SN: 10001-11898
? TZIRTW-32 • RING,SNAP 1
SN: 10001-11898
? TZ550A2009-00 • PLATE,TIMING 1
SN: 10001-11898
? 06000-06201 • BEARING,BALL 1
SN: 10001-11898
? TZJB1354-4-10 • PIN 2
SN: 10001-11898
? 01252-30820 • BOLT 6
SN: 10001-11898
? TZJB1354-8-16 • PIN 2
SN: 10001-11898

Excavators Komatsu / PC40-6 S/N 10001-UP(pc40-6r) / TRAVEL MOTOR (1/2)(#10001-11898)(180180 : 6431)