| Наименование | Страница | Код страницы |
|---|---|---|
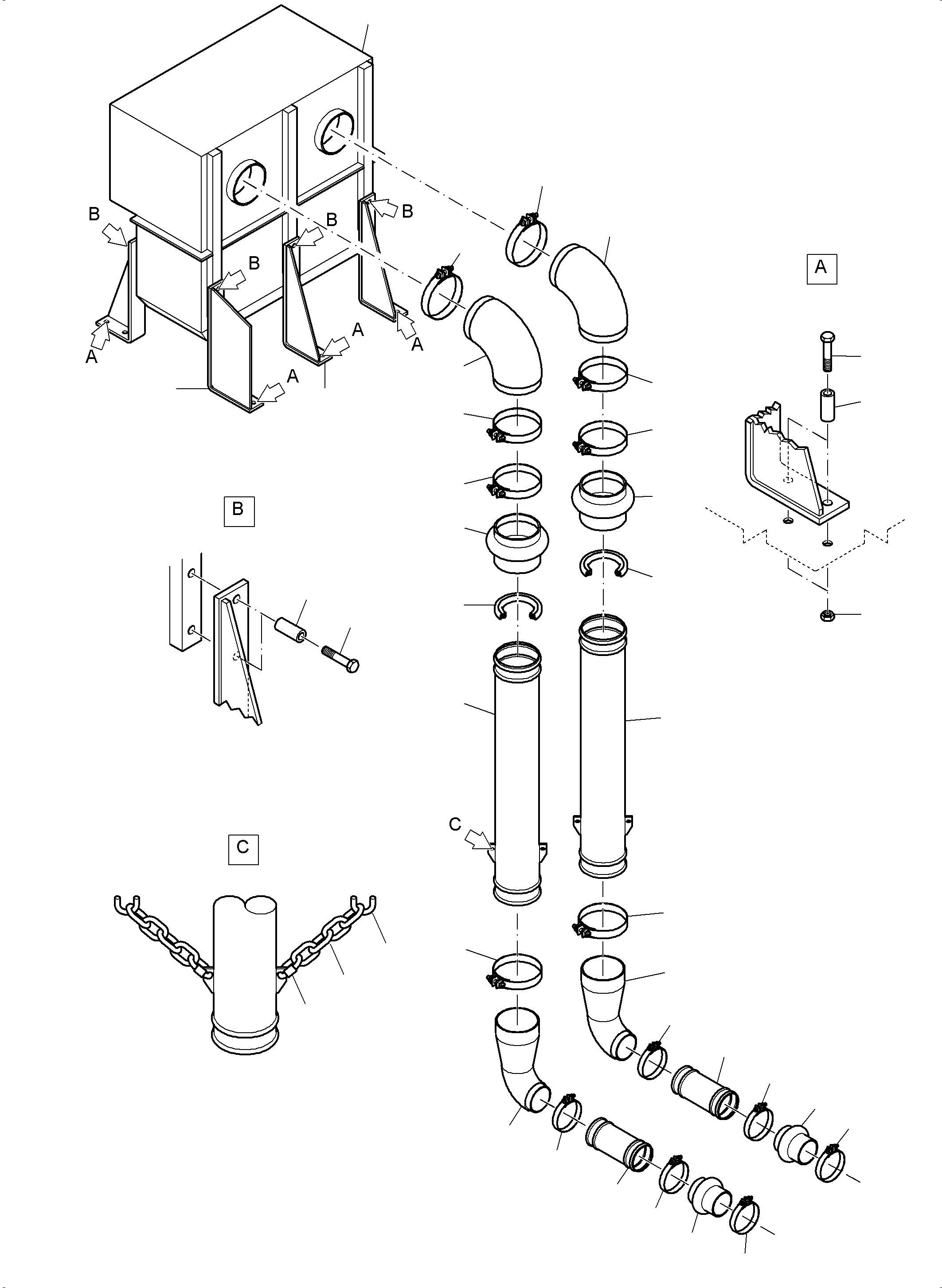
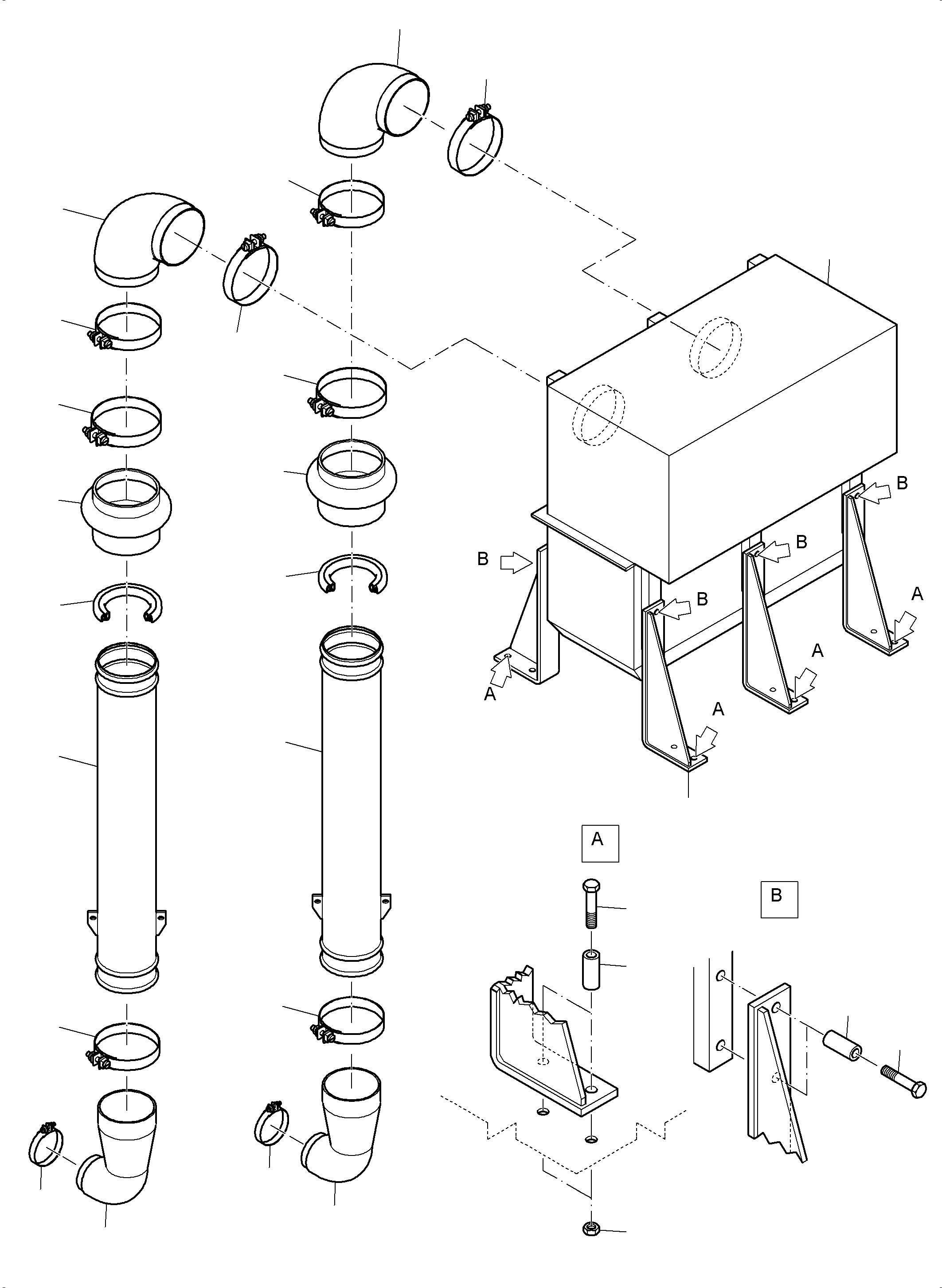
| Air Cleaner | 090-5581a | 090-5581a |
| Номер на схеме | Каталожный номер | Название | Количество | Детали | |||
|---|---|---|---|---|---|---|---|
| ? | 872 808 40 | Console | 11 | EnglischBem: DeutschBem: DeutschDesc: Konsole InternBDB: InternKon: SerienBem: Zwhead_Deu: Zwhead_Eng: |
|||
| ? | 931 445 40 | Console | 1 | EnglischBem: DeutschBem: DeutschDesc: Konsole InternBDB: InternKon: SerienBem: Zwhead_Deu: Zwhead_Eng: |
|||
| ? | 945 933 40 | Air intake pipe | 2 | EnglischBem: DeutschBem: DeutschDesc: Luftansaugrohr InternBDB: InternKon: SerienBem: Zwhead_Deu: Zwhead_Eng: |
|||
| ? | 226 985 40 | Elbow | 4 | EnglischBem: DeutschBem: DeutschDesc: Krьmmer InternBDB: InternKon: SerienBem: Zwhead_Deu: Zwhead_Eng: |
|||
| ? | 940 720 40 | Elbow | 4 | EnglischBem: DeutschBem: DeutschDesc: Krьmmer InternBDB: InternKon: SerienBem: Zwhead_Deu: Zwhead_Eng: |
|||
| ? | 621 129 40 | Hose | 4 | EnglischBem: DeutschBem: DeutschDesc: Schlauch InternBDB: InternKon: SerienBem: Zwhead_Deu: Zwhead_Eng: |
|||
| ? | 906 912 40 | Hose clip | 12 | EnglischBem: DeutschBem: DeutschDesc: Schlauchschelle InternBDB: InternKon: SerienBem: Zwhead_Deu: Zwhead_Eng: |
|||
| ? | 907 681 40 | Clamp | 8 | EnglischBem: DeutschBem: DeutschDesc: Schelle InternBDB: InternKon: SerienBem: Zwhead_Deu: Zwhead_Eng: |
|||
| ? | 945 934 40 | Air intake pipe | 1 | EnglischBem: DeutschBem: DeutschDesc: Luftansaugrohr InternBDB: InternKon: SerienBem: Zwhead_Deu: Zwhead_Eng: |
|||
| ? | 210 983 40 | Seal 5,8m | A/R | EnglischBem: DeutschBem: DeutschDesc: Dichtung 5,8m InternBDB: InternKon: SerienBem: Zwhead_Deu: Zwhead_Eng: |
|||
| ? | 935 099 40 | Air intake pipe | 2 | EnglischBem: DeutschBem: DeutschDesc: Luftansaugrohr InternBDB: InternKon: SerienBem: Zwhead_Deu: Zwhead_Eng: |
|||
| ? | 940 832 40 | Hose | 2 | EnglischBem: DeutschBem: DeutschDesc: Schlauch InternBDB: InternKon: SerienBem: Zwhead_Deu: Zwhead_Eng: |
|||
| ? | 191 538 40 | Shackle | 4 | EnglischBem: DeutschBem: DeutschDesc: Lasche InternBDB: InternKon: SerienBem: Zwhead_Deu: Zwhead_Eng: |
|||
| ? | 472 509 99 | Chain assy. 4m | A/R | EnglischBem: DeutschBem: DeutschDesc: Kette kpl. 4m InternBDB: InternKon: SerienBem: Zwhead_Deu: Zwhead_Eng: |
|||
| ? | 341 271 99 | Hook | 4 | EnglischBem: DeutschBem: DeutschDesc: Karabiner-Haken InternBDB: InternKon: SerienBem: Zwhead_Deu: Zwhead_Eng: |
|||
| ? | 502 434 98 | Bolt | 24 | EnglischBem: DeutschBem: DeutschDesc: Schraube InternBDB: InternKon: SerienBem: Zwhead_Deu: Zwhead_Eng: |
|||
| ? | 506 256 98 | Bolt | 24 | EnglischBem: DeutschBem: DeutschDesc: Schraube InternBDB: InternKon: SerienBem: Zwhead_Deu: Zwhead_Eng: |
|||
| ? | 510 733 98 | Resilient sleeve | 48 | EnglischBem: DeutschBem: DeutschDesc: Dehnhьlse InternBDB: InternKon: SerienBem: Zwhead_Deu: Zwhead_Eng: |
|||
| ? | 332 355 99 | Nut | 24 | EnglischBem: DeutschBem: DeutschDesc: Mutter InternBDB: InternKon: SerienBem: Zwhead_Deu: Zwhead_Eng: |
|||
| ? | 269 336 40 | Felt disc | 2 | EnglischBem: DeutschBem: DeutschDesc: Filzscheibe InternBDB: InternKon: SerienBem: Zwhead_Deu: Zwhead_Eng: |
|||
| ? | 945 935 40 | Air intake pipe | 1 | EnglischBem: DeutschBem: DeutschDesc: Luftansaugrohr InternBDB: InternKon: SerienBem: Zwhead_Deu: Zwhead_Eng: |
|||
| ? | 255 985 40 | Locking plug | 1 | EnglischBem: DeutschBem: DeutschDesc: Verschlussschraube InternBDB: InternKon: SerienBem: Zwhead_Deu: Zwhead_Eng: |
|||
| ? | 551 149 40 | Clamp | 4 | EnglischBem: DeutschBem: DeutschDesc: Schelle InternBDB: InternKon: SerienBem: Zwhead_Deu: Zwhead_Eng: |