k-part
Номер на схеме Каталожный номер Название Количество Детали
? 517 645 98 Hose assy. DN10x11400 1
EnglischBem:
DeutschBem:
DeutschDesc: Schlauchleitung DN10x11400
InternBDB:
InternKon:
SerienBem:
Zwhead_Deu:
Zwhead_Eng:
? 517 761 98 Hose assy. DN16x11400 1
EnglischBem:
DeutschBem:
DeutschDesc: Schlauchleitung DN16x11400
InternBDB:
InternKon:
SerienBem:
Zwhead_Deu:
Zwhead_Eng:
? 517 646 98 Hose assy. DN10x11400 1
EnglischBem:
DeutschBem:
DeutschDesc: Schlauchleitung DN10x11400
InternBDB:
InternKon:
SerienBem:
Zwhead_Deu:
Zwhead_Eng:
? 517 651 98 Hose assy. DN10x7700 2
EnglischBem:
DeutschBem:
DeutschDesc: Schlauchleitung DN10x7700
InternBDB:
InternKon:
SerienBem:
Zwhead_Deu:
Zwhead_Eng:
? 517 647 98 Hose assy. DN10x7200 3
EnglischBem:
DeutschBem:
DeutschDesc: Schlauchleitung DN10x7200
InternBDB:
InternKon:
SerienBem:
Zwhead_Deu:
Zwhead_Eng:
? 517 648 98 Hose assy. DN10x7000 9
EnglischBem:
DeutschBem:
DeutschDesc: Schlauchleitung DN10x7000
InternBDB:
InternKon:
SerienBem:
Zwhead_Deu:
Zwhead_Eng:
? 516 507 98 Hose assy. DN10x6700 1
EnglischBem:
DeutschBem:
DeutschDesc: Schlauchleitung DN10x6700
InternBDB:
InternKon:
SerienBem:
Zwhead_Deu:
Zwhead_Eng:
? 517 650 98 Hose assy. DN10x7200 1
EnglischBem:
DeutschBem:
DeutschDesc: Schlauchleitung DN10x7200
InternBDB:
InternKon:
SerienBem:
Zwhead_Deu:
Zwhead_Eng:
? 515 526 98 Hose assy. DN10x7500 2
EnglischBem:
DeutschBem:
DeutschDesc: Schlauchleitung DN10x7500
InternBDB:
InternKon:
SerienBem:
Zwhead_Deu:
Zwhead_Eng:
? 515 525 98 Hose assy. DN10x8000 4
EnglischBem:
DeutschBem:
DeutschDesc: Schlauchleitung DN10x8000
InternBDB:
InternKon:
SerienBem:
Zwhead_Deu:
Zwhead_Eng:
? 510 926 98 Hose assy. DN10x1200 1
EnglischBem:
DeutschBem:
DeutschDesc: Schlauchleitung DN10x1200
InternBDB:
InternKon:
SerienBem:
Zwhead_Deu:
Zwhead_Eng:
? 516 167 98 Socket 2
EnglischBem:
DeutschBem:
DeutschDesc: Stutzen
InternBDB:
InternKon:
SerienBem:
Zwhead_Deu:
Zwhead_Eng:
? 909 101 40 Orifice 4
EnglischBem:
DeutschBem:
DeutschDesc: Blende
InternBDB:
InternKon:
SerienBem:
Zwhead_Deu:
Zwhead_Eng:
? 371 459 99 Union 3
EnglischBem:
DeutschBem:
DeutschDesc: Verschraubung
InternBDB:
InternKon:
SerienBem:
Zwhead_Deu:
Zwhead_Eng:
? 517 117 98 Union 15
EnglischBem:
DeutschBem:
DeutschDesc: Verschraubung
InternBDB:
InternKon:
SerienBem:
Zwhead_Deu:
Zwhead_Eng:
? 516 157 98 Socket 4
EnglischBem:
DeutschBem:
DeutschDesc: Stutzen
InternBDB:
InternKon:
SerienBem:
Zwhead_Deu:
Zwhead_Eng:
? 906 983 40 Union 1
EnglischBem:
DeutschBem:
DeutschDesc: Verschraubung
InternBDB:
InternKon:
SerienBem:
Zwhead_Deu:
Zwhead_Eng:
? 604 499 40 Union 1
EnglischBem:
DeutschBem:
DeutschDesc: Verschraubung
InternBDB:
InternKon:
SerienBem:
Zwhead_Deu:
Zwhead_Eng:
? 516 159 98 Union 1
EnglischBem:
DeutschBem:
DeutschDesc: Verschraubung
InternBDB:
InternKon:
SerienBem:
Zwhead_Deu:
Zwhead_Eng:
? 515 865 98 Socket 1
EnglischBem:
DeutschBem:
DeutschDesc: Stutzen
InternBDB:
InternKon:
SerienBem:
Zwhead_Deu:
Zwhead_Eng:
? 516 174 98 Socket 1
EnglischBem:
DeutschBem:
DeutschDesc: Stutzen
InternBDB:
InternKon:
SerienBem:
Zwhead_Deu:
Zwhead_Eng:
? 502 752 98 Coupling 22
EnglischBem:
DeutschBem:
DeutschDesc: Kupplung
InternBDB:
InternKon:
SerienBem:
Zwhead_Deu:
Zwhead_Eng:
? 308 583 99 Bolt 1
EnglischBem:
DeutschBem:
DeutschDesc: Schraube
InternBDB:
InternKon:
SerienBem:
Zwhead_Deu:
Zwhead_Eng:
? 340 467 99 Washer 1
EnglischBem:
DeutschBem:
DeutschDesc: Scheibe
InternBDB:
InternKon:
SerienBem:
Zwhead_Deu:
Zwhead_Eng:
? 443451610 Clip 1
EnglischBem:
DeutschBem:
DeutschDesc: Clip
InternBDB:
InternKon:
SerienBem:
Zwhead_Deu:
Zwhead_Eng:
? 307 779 99 Bolt 5
EnglischBem:
DeutschBem:
DeutschDesc: Schraube
InternBDB:
InternKon:
SerienBem:
Zwhead_Deu:
Zwhead_Eng:
? 507 037 98 Nut 15
EnglischBem:
DeutschBem:
DeutschDesc: Mutter
InternBDB:
InternKon:
SerienBem:
Zwhead_Deu:
Zwhead_Eng:
? 340 465 99 Washer 16
EnglischBem:
DeutschBem:
DeutschDesc: Scheibe
InternBDB:
InternKon:
SerienBem:
Zwhead_Deu:
Zwhead_Eng:
? 510 741 98 Resilient sleeve 3
EnglischBem:
DeutschBem:
DeutschDesc: Dehnhьlse
InternBDB:
InternKon:
SerienBem:
Zwhead_Deu:
Zwhead_Eng:
? 510 745 98 Resilient sleeve 1
EnglischBem:
DeutschBem:
DeutschDesc: Dehnhьlse
InternBDB:
InternKon:
SerienBem:
Zwhead_Deu:
Zwhead_Eng:
? 443451510 Clip 25
EnglischBem:
DeutschBem:
DeutschDesc: Clip
InternBDB:
InternKon:
SerienBem:
Zwhead_Deu:
Zwhead_Eng:
? 443452310 Clip 7
EnglischBem:
DeutschBem:
DeutschDesc: Clip
InternBDB:
InternKon:
SerienBem:
Zwhead_Deu:
Zwhead_Eng:
? 443551510 Clip 2
EnglischBem:
DeutschBem:
DeutschDesc: Clip
InternBDB:
InternKon:
SerienBem:
Zwhead_Deu:
Zwhead_Eng:

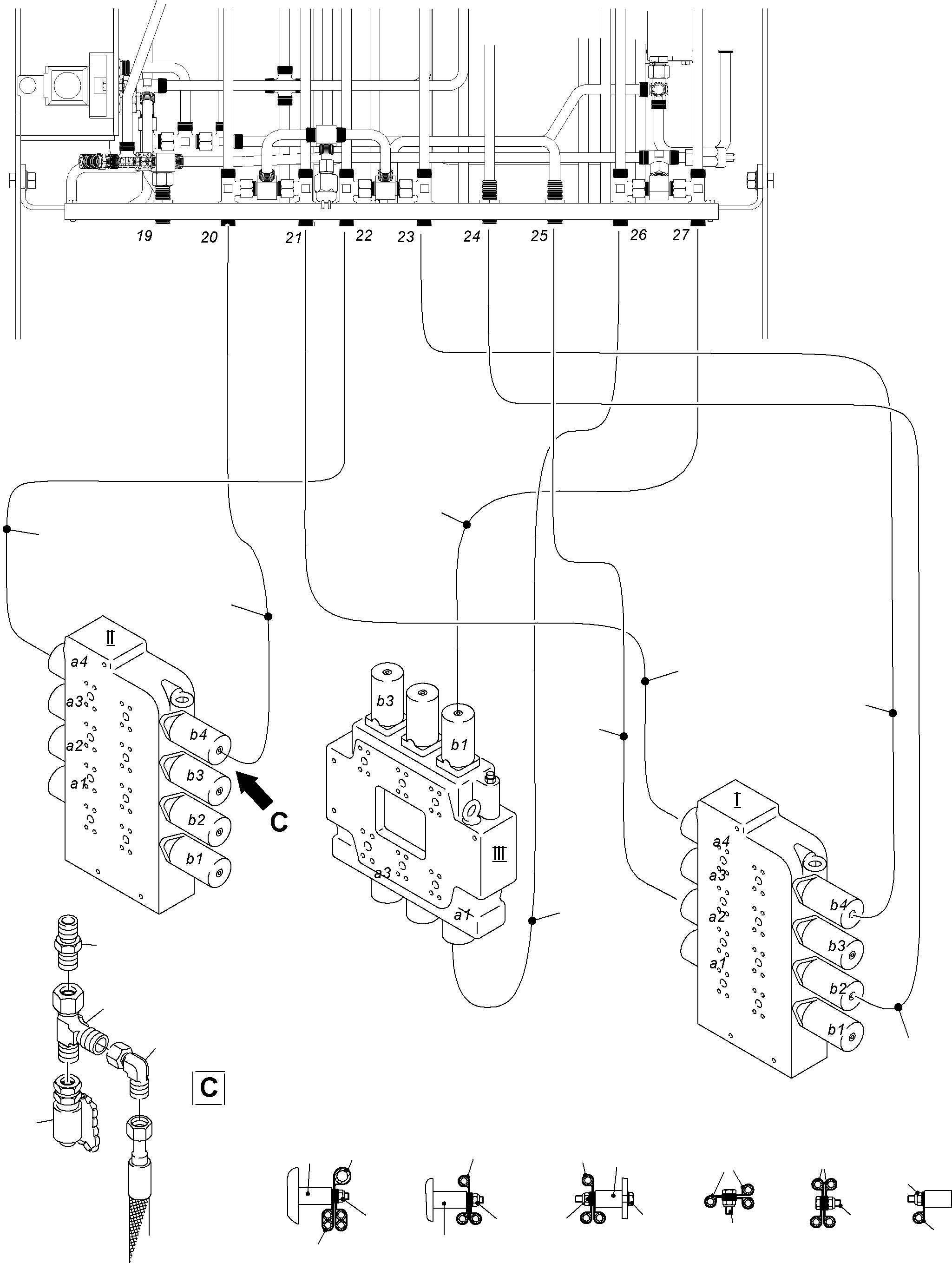
Excavators Mining Komatsu / PC3000-6 S/N 46152(g46152) / Control Lines Control Blocks - Pilot Control Plate (BE)(485-1889c : 485-1889c)
?
?
?
?
?
?
?
?
?
?
?
?
?
?
?
?
?
?
?
?
?
Excavators Mining Komatsu / PC3000-6 S/N 46152(g46152) / Control Lines Control Blocks - Pilot Control Plate (BE)(485-1889c : 485-1889c)
?
?
?
?
?
?
?
?
?
?
?
?
?
?
?
?
?
?
?
?
?
?
?
?
?
?
?
?
?
?
?
?
?
?
?
?
?
?
?
Excavators Mining Komatsu / PC3000-6 S/N 46152(g46152) / Control Lines Control Blocks - Pilot Control Plate (BE)(485-1889c : 485-1889c)
?
?
?
?
?
?
?