| Наименование | Страница | Код страницы |
|---|---|---|
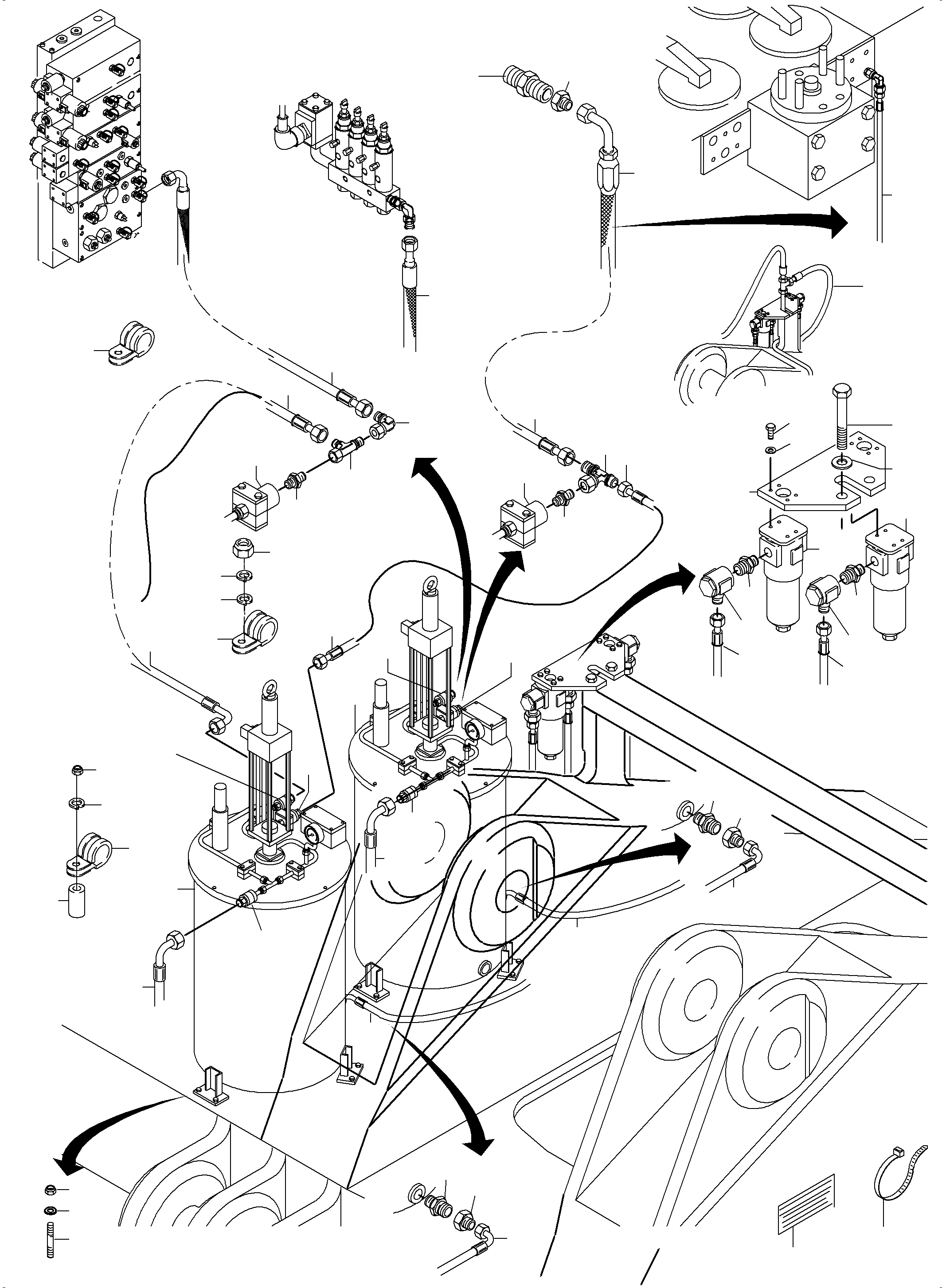
| Lube Pump Station, Filling Connection | 991-0548e | 991-0548e |
| Pressure Filter | 991-0839 | 991-0839 |
| Номер на схеме | Каталожный номер | Название | Количество | Детали | |||
|---|---|---|---|---|---|---|---|
| ? | 515 999 98 | Hose assy. DN 20x1550 | 1 | EnglischBem: DeutschBem: DeutschDesc: Schlauchleitung DN 20x1550 InternBDB: InternKon: SerienBem: Zwhead_Deu: Zwhead_Eng: |
|||
| ? | 516 616 98 | Socket | 4 | EnglischBem: DeutschBem: DeutschDesc: Stutzen InternBDB: InternKon: SerienBem: Zwhead_Deu: Zwhead_Eng: |
|||
| ? | 907 051 40 | Union | 4 | EnglischBem: DeutschBem: DeutschDesc: Verschraubung InternBDB: InternKon: SerienBem: Zwhead_Deu: Zwhead_Eng: |
|||
| ? | 374 438 99 | Socket | 2 | EnglischBem: DeutschBem: DeutschDesc: Stutzen InternBDB: InternKon: SerienBem: Zwhead_Deu: Zwhead_Eng: |
|||
| ? | 518 349 98 | Hose assy. DN 20x1350 | 1 | EnglischBem: DeutschBem: DeutschDesc: Schlauchleitung DN 20x1350 InternBDB: InternKon: SerienBem: Zwhead_Deu: Zwhead_Eng: |
|||
| ? | 374 431 99 | Socket | 1 | EnglischBem: DeutschBem: DeutschDesc: Stutzen InternBDB: InternKon: SerienBem: Zwhead_Deu: Zwhead_Eng: |
|||
| ? | 551 345 40 | Union | 1 | EnglischBem: DeutschBem: DeutschDesc: Verschraubung InternBDB: InternKon: SerienBem: Zwhead_Deu: Zwhead_Eng: |
|||
| ? | 514 748 98 | Hose assy. DN 8x1610 | 1 | EnglischBem: DeutschBem: DeutschDesc: Schlauchleitung DN 8x1610 InternBDB: InternKon: SerienBem: Zwhead_Deu: Zwhead_Eng: |
|||
| ? | 514 749 98 | Hose assy. DN 12x1350 | 1 | EnglischBem: DeutschBem: DeutschDesc: Schlauchleitung DN 12x1350 InternBDB: InternKon: SerienBem: Zwhead_Deu: Zwhead_Eng: |
|||
| ? | 514 360 98 | Hose assy. DN 20x4900 | 1 | EnglischBem: DeutschBem: DeutschDesc: Schlauchleitung DN 20x4900 InternBDB: InternKon: SerienBem: Zwhead_Deu: Zwhead_Eng: |
|||
| ? | 518 350 98 | Hose assy. DN 10x5850 | 1 | EnglischBem: DeutschBem: DeutschDesc: Schlauchleitung DN 10x5850 InternBDB: InternKon: SerienBem: Zwhead_Deu: Zwhead_Eng: |
|||
| ? | 518 351 98 | Hose assy. DN 20x2650 | 1 | EnglischBem: DeutschBem: DeutschDesc: Schlauchleitung DN 20x2650 InternBDB: InternKon: SerienBem: Zwhead_Deu: Zwhead_Eng: |
|||
| ? | 518 352 98 | Hose assy. DN 20x2250 | 1 | EnglischBem: DeutschBem: DeutschDesc: Schlauchleitung DN 20x2250 InternBDB: InternKon: SerienBem: Zwhead_Deu: Zwhead_Eng: |
|||
| ? | 621 772 40 | Union | 1 | EnglischBem: DeutschBem: DeutschDesc: Verschraubung InternBDB: InternKon: SerienBem: Zwhead_Deu: Zwhead_Eng: |
|||
| ? | 634 483 40 | Union | 1 | EnglischBem: DeutschBem: DeutschDesc: Verschraubung InternBDB: InternKon: SerienBem: Zwhead_Deu: Zwhead_Eng: |
|||
| ? | 208 897 40 | Protective plug | 2 | EnglischBem: DeutschBem: DeutschDesc: Schutzstopfen InternBDB: InternKon: SerienBem: Zwhead_Deu: Zwhead_Eng: |
|||
| ? | 208 894 40 | Coupler plug | 2 | EnglischBem: DeutschBem: DeutschDesc: Kupplungsstecker InternBDB: InternKon: SerienBem: Zwhead_Deu: Zwhead_Eng: |
|||
| ? | 323 064 40 | Coupler plug | 2 | EnglischBem: DeutschBem: DeutschDesc: Kupplungsstecker InternBDB: InternKon: SerienBem: Zwhead_Deu: Zwhead_Eng: |
|||
| ? | 368 236 40 | Protective plug | 2 | EnglischBem: DeutschBem: DeutschDesc: Schutzstopfen InternBDB: InternKon: SerienBem: Zwhead_Deu: Zwhead_Eng: |
|||
| ? | 208 893 40 | Protective plug | 2 | EnglischBem: DeutschBem: DeutschDesc: Schutzstopfen InternBDB: InternKon: SerienBem: Zwhead_Deu: Zwhead_Eng: |
|||
| ? | 883 763 40 | Plate | 1 | EnglischBem: DeutschBem: DeutschDesc: Blech InternBDB: InternKon: SerienBem: Zwhead_Deu: Zwhead_Eng: |
|||
| ? | 507 656 98 | Bolt | 2 | EnglischBem: DeutschBem: DeutschDesc: Schraube InternBDB: InternKon: SerienBem: Zwhead_Deu: Zwhead_Eng: |
|||
| ? | 340 470 99 | Washer | 2 | EnglischBem: DeutschBem: DeutschDesc: Scheibe InternBDB: InternKon: SerienBem: Zwhead_Deu: Zwhead_Eng: |
|||
| ? | 307 780 99 | Bolt | 8 | EnglischBem: DeutschBem: DeutschDesc: Schraube InternBDB: InternKon: SerienBem: Zwhead_Deu: Zwhead_Eng: |
|||
| ? | 340 465 99 | Washer | 8 | EnglischBem: DeutschBem: DeutschDesc: Scheibe InternBDB: InternKon: SerienBem: Zwhead_Deu: Zwhead_Eng: |
|||
| ? | 509 857 98 | Thread pin | 12 | EnglischBem: DeutschBem: DeutschDesc: Gewindebolzen InternBDB: InternKon: SerienBem: Zwhead_Deu: Zwhead_Eng: |
|||
| ? | 340 467 99 | Washer | 12 | EnglischBem: DeutschBem: DeutschDesc: Scheibe InternBDB: InternKon: SerienBem: Zwhead_Deu: Zwhead_Eng: |
|||
| ? | 334 600 99 | Nut | 12 | EnglischBem: DeutschBem: DeutschDesc: Mutter InternBDB: InternKon: SerienBem: Zwhead_Deu: Zwhead_Eng: |
|||
| ? | 515 862 98 | Socket | 1 | EnglischBem: DeutschBem: DeutschDesc: Stutzen InternBDB: InternKon: SerienBem: Zwhead_Deu: Zwhead_Eng: |
|||
| ? | 516 617 98 | Socket | 2 | EnglischBem: DeutschBem: DeutschDesc: Stutzen InternBDB: InternKon: SerienBem: Zwhead_Deu: Zwhead_Eng: |
|||
| ? | 516 156 98 | Socket | 1 | EnglischBem: DeutschBem: DeutschDesc: Stutzen InternBDB: InternKon: SerienBem: Zwhead_Deu: Zwhead_Eng: |
|||
| ? | 515 286 98 | Union | 1 | EnglischBem: DeutschBem: DeutschDesc: Verschraubung InternBDB: InternKon: SerienBem: Zwhead_Deu: Zwhead_Eng: |
|||
| ? | 0443453211 | Clip NW 32 | 2 | EnglischBem: DeutschBem: DeutschDesc: Clip NW 32 InternBDB: InternKon: SerienBem: Zwhead_Deu: Zwhead_Eng: |
|||
| ? | 507 037 98 | Nut | 2 | EnglischBem: DeutschBem: DeutschDesc: Mutter InternBDB: InternKon: SerienBem: Zwhead_Deu: Zwhead_Eng: |
|||
| ? | 0443452711 | Clip NW 27 | 3 | EnglischBem: DeutschBem: DeutschDesc: Clip NW 27 InternBDB: InternKon: SerienBem: Zwhead_Deu: Zwhead_Eng: |
|||
| ? | 907 963 40 | Hose protection | 2 | EnglischBem: DeutschBem: DeutschDesc: Schlauchschutz InternBDB: InternKon: SerienBem: Zwhead_Deu: Zwhead_Eng: |
|||
| ? | 510 741 98 | Resilient sleeve | 1 | EnglischBem: DeutschBem: DeutschDesc: Dehnhьlse InternBDB: InternKon: SerienBem: Zwhead_Deu: Zwhead_Eng: |
|||
| ? | 928 882 40 | Rubber plate | 2 | EnglischBem: DeutschBem: DeutschDesc: Gummimatte InternBDB: InternKon: SerienBem: Zwhead_Deu: Zwhead_Eng: |
|||
| ? | 170 427 40 | Cable strap | 4 | EnglischBem: DeutschBem: DeutschDesc: Kabelband InternBDB: InternKon: SerienBem: Zwhead_Deu: Zwhead_Eng: |
|||
| ? | Bulk ware,state lenght required | A/R | EnglischBem: DeutschBem: DeutschDesc: Meterware,bei Bestellung Lдnge angeben InternBDB: InternKon: SerienBem: Zwhead_Deu: Zwhead_Eng: |