| Наименование | Страница | Код страницы |
|---|---|---|
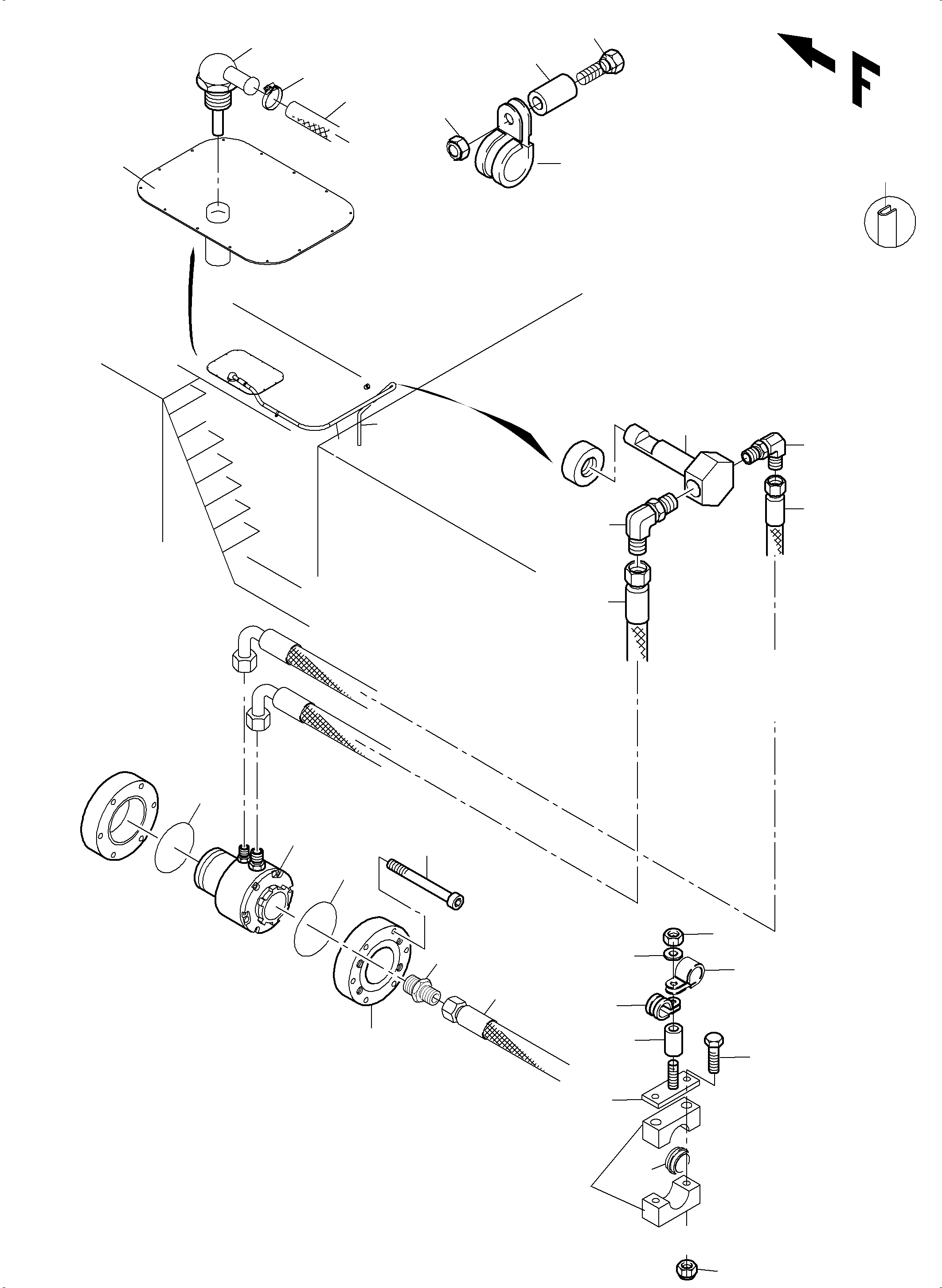
| Hydraulic Cylinder | 991-0471 | 991-0471 |
| Номер на схеме | Каталожный номер | Название | Количество | Детали | |||
|---|---|---|---|---|---|---|---|
| ? | 953 217 40 | Plate | 1 | EnglischBem: DeutschBem: DeutschDesc: Deckplatte InternBDB: InternKon: SerienBem: Zwhead_Deu: Zwhead_Eng: |
|||
| ? | 948 709 40 | Flange | 1 | EnglischBem: DeutschBem: DeutschDesc: Flansch InternBDB: InternKon: SerienBem: Zwhead_Deu: Zwhead_Eng: |
|||
| ? | 518 516 98 | Hose assy. DN 40x2900 | 1 | EnglischBem: DeutschBem: DeutschDesc: Schlauchleitung kpl. DN 40x2900 InternBDB: InternKon: SerienBem: Zwhead_Deu: Zwhead_Eng: |
|||
| ? | 517 833 98 | Hose assy. DN 20x3500 | 1 | EnglischBem: DeutschBem: DeutschDesc: Schlauchleitung kpl. DN 20x3500 InternBDB: InternKon: SerienBem: Zwhead_Deu: Zwhead_Eng: |
|||
| ? | 517 834 98 | Hose assy. DN 20x6000 | 1 | EnglischBem: DeutschBem: DeutschDesc: Schlauchleitung kpl. DN 20x6000 InternBDB: InternKon: SerienBem: Zwhead_Deu: Zwhead_Eng: |
|||
| ? | 517 835 98 | Hose assy. DN 20x6100 | 1 | EnglischBem: DeutschBem: DeutschDesc: Schlauchleitung kpl. DN 20x6100 InternBDB: InternKon: SerienBem: Zwhead_Deu: Zwhead_Eng: |
|||
| ? | 517 836 98 | Hose assy. DN 20x3100 | 1 | EnglischBem: DeutschBem: DeutschDesc: Schlauchleitung kpl. DN 20x3100 InternBDB: InternKon: SerienBem: Zwhead_Deu: Zwhead_Eng: |
|||
| ? | 518 517 98 | Hose assy. DN 12x2600 | 1 | EnglischBem: DeutschBem: DeutschDesc: Schlauchleitung kpl. DN 12x2600 InternBDB: InternKon: SerienBem: Zwhead_Deu: Zwhead_Eng: |
|||
| ? | 518 518 98 | Hose assy. DN 06x2600 | 1 | EnglischBem: DeutschBem: DeutschDesc: Schlauchleitung kpl. DN 06x2600 InternBDB: InternKon: SerienBem: Zwhead_Deu: Zwhead_Eng: |
|||
| ? | 941 866 40 | Suction hose | 1 | EnglischBem: DeutschBem: DeutschDesc: Saugschlauch InternBDB: InternKon: SerienBem: Zwhead_Deu: Zwhead_Eng: |
|||
| ? | 655 294 40 | Union | 1 | EnglischBem: DeutschBem: DeutschDesc: Verschraubung InternBDB: InternKon: SerienBem: Zwhead_Deu: Zwhead_Eng: |
|||
| ? | 516 160 98 | Socket | 1 | EnglischBem: DeutschBem: DeutschDesc: Stutzen InternBDB: InternKon: SerienBem: Zwhead_Deu: Zwhead_Eng: |
|||
| ? | 324 571 40 | Adapter | 1 | EnglischBem: DeutschBem: DeutschDesc: Adapter InternBDB: InternKon: SerienBem: Zwhead_Deu: Zwhead_Eng: |
|||
| ? | 324 572 40 | Washer | 1 | EnglischBem: DeutschBem: DeutschDesc: Scheibe InternBDB: InternKon: SerienBem: Zwhead_Deu: Zwhead_Eng: |
|||
| ? | 506 371 98 | Clamp set | 1 | EnglischBem: DeutschBem: DeutschDesc: Klemmpaar InternBDB: InternKon: SerienBem: Zwhead_Deu: Zwhead_Eng: |
|||
| ? | 517 819 98 | Pair of clamps | 2 | EnglischBem: DeutschBem: DeutschDesc: Klemmenpaar InternBDB: InternKon: SerienBem: Zwhead_Deu: Zwhead_Eng: |
|||
| ? | 502 626 98 | Grommet | 1 | EnglischBem: DeutschBem: DeutschDesc: Gummieinsatz InternBDB: InternKon: SerienBem: Zwhead_Deu: Zwhead_Eng: |
|||
| ? | 534 008 99 | Cover plate | 1 | EnglischBem: DeutschBem: DeutschDesc: Deckplatte InternBDB: InternKon: SerienBem: Zwhead_Deu: Zwhead_Eng: |
|||
| ? | 518 200 98 | Lock washer | 2 | EnglischBem: DeutschBem: DeutschDesc: Sicherungsscheibe InternBDB: InternKon: SerienBem: Zwhead_Deu: Zwhead_Eng: |
|||
| ? | 0443453411 | Clip D 34 | 1 | EnglischBem: DeutschBem: DeutschDesc: Clip D 34 InternBDB: InternKon: SerienBem: Zwhead_Deu: Zwhead_Eng: |
|||
| ? | 0443452711 | Clip D 27 | 7 | EnglischBem: DeutschBem: DeutschDesc: Clip D 27 InternBDB: InternKon: SerienBem: Zwhead_Deu: Zwhead_Eng: |
|||
| ? | 0443451910 | Clip D 19 | 4 | EnglischBem: DeutschBem: DeutschDesc: Clip D 19 InternBDB: InternKon: SerienBem: Zwhead_Deu: Zwhead_Eng: |
|||
| ? | 0443451410 | Clip D 14 | 4 | EnglischBem: DeutschBem: DeutschDesc: Clip D 14 InternBDB: InternKon: SerienBem: Zwhead_Deu: Zwhead_Eng: |
|||
| ? | 518 557 98 | Clamp | 4 | EnglischBem: DeutschBem: DeutschDesc: Schelle InternBDB: InternKon: SerienBem: Zwhead_Deu: Zwhead_Eng: |
|||
| ? | 518 580 98 | Hose clamp | 3 | EnglischBem: DeutschBem: DeutschDesc: Schlauchschelle InternBDB: InternKon: SerienBem: Zwhead_Deu: Zwhead_Eng: |
|||
| ? | 308 423 99 | Bolt | 2 | EnglischBem: DeutschBem: DeutschDesc: Schraube InternBDB: InternKon: SerienBem: Zwhead_Deu: Zwhead_Eng: |
|||
| ? | 308 426 99 | Bolt | 2 | EnglischBem: DeutschBem: DeutschDesc: Schraube InternBDB: InternKon: SerienBem: Zwhead_Deu: Zwhead_Eng: |
|||
| ? | 502 879 98 | Bolt | 2 | EnglischBem: DeutschBem: DeutschDesc: Schraube InternBDB: InternKon: SerienBem: Zwhead_Deu: Zwhead_Eng: |
|||
| ? | 308 612 99 | Bolt | 2 | EnglischBem: DeutschBem: DeutschDesc: Schraube InternBDB: InternKon: SerienBem: Zwhead_Deu: Zwhead_Eng: |
|||
| ? | 308 577 99 | Bolt | 1 | EnglischBem: DeutschBem: DeutschDesc: Schraube InternBDB: InternKon: SerienBem: Zwhead_Deu: Zwhead_Eng: |
|||
| ? | 307 779 99 | Bolt | 2 | EnglischBem: DeutschBem: DeutschDesc: Schraube InternBDB: InternKon: SerienBem: Zwhead_Deu: Zwhead_Eng: |
|||
| ? | 319 133 99 | Screw | 6 | EnglischBem: DeutschBem: DeutschDesc: Schraube InternBDB: InternKon: SerienBem: Zwhead_Deu: Zwhead_Eng: |
|||
| ? | 341 419 99 | Screw | 6 | EnglischBem: DeutschBem: DeutschDesc: Schraube InternBDB: InternKon: SerienBem: Zwhead_Deu: Zwhead_Eng: |
|||
| ? | 334 601 99 | Nut | 4 | EnglischBem: DeutschBem: DeutschDesc: Mutter InternBDB: InternKon: SerienBem: Zwhead_Deu: Zwhead_Eng: |
|||
| ? | 334 600 99 | Nut | 2 | EnglischBem: DeutschBem: DeutschDesc: Mutter InternBDB: InternKon: SerienBem: Zwhead_Deu: Zwhead_Eng: |
|||
| ? | 507 037 98 | Nut | 8 | EnglischBem: DeutschBem: DeutschDesc: Mutter InternBDB: InternKon: SerienBem: Zwhead_Deu: Zwhead_Eng: |
|||
| ? | 516 092 98 | Resilient sleeve | 1 | EnglischBem: DeutschBem: DeutschDesc: Dehnhьlse InternBDB: InternKon: SerienBem: Zwhead_Deu: Zwhead_Eng: |
|||
| ? | 510 741 98 | Resilient sleeve | 2 | EnglischBem: DeutschBem: DeutschDesc: Dehnhьlse InternBDB: InternKon: SerienBem: Zwhead_Deu: Zwhead_Eng: |
|||
| ? | 516 142 98 | Resilient sleeve | 1 | EnglischBem: DeutschBem: DeutschDesc: Dehnhьlse InternBDB: InternKon: SerienBem: Zwhead_Deu: Zwhead_Eng: |
|||
| ? | 340 469 99 | Washer | 8 | EnglischBem: DeutschBem: DeutschDesc: Scheibe InternBDB: InternKon: SerienBem: Zwhead_Deu: Zwhead_Eng: |
|||
| ? | 340 465 99 | Washer | 9 | EnglischBem: DeutschBem: DeutschDesc: Scheibe InternBDB: InternKon: SerienBem: Zwhead_Deu: Zwhead_Eng: |
|||
| ? | 952 896 40 | Rubber plate | 1 | EnglischBem: DeutschBem: DeutschDesc: Gummimatte InternBDB: InternKon: SerienBem: Zwhead_Deu: Zwhead_Eng: |
|||
| ? | 952 898 40 | Rubber plate | 2 | EnglischBem: DeutschBem: DeutschDesc: Gummimatte InternBDB: InternKon: SerienBem: Zwhead_Deu: Zwhead_Eng: |
|||
| ? | 170 427 40 | Cable strap | 6 | EnglischBem: DeutschBem: DeutschDesc: Kabelband InternBDB: InternKon: SerienBem: Zwhead_Deu: Zwhead_Eng: |
|||
| ? | 518 391 98 | O-ring | 1 | EnglischBem: DeutschBem: DeutschDesc: O-RING InternBDB: InternKon: SerienBem: Zwhead_Deu: Zwhead_Eng: |
|||
| ? | 896 748 40 | Filler neck (fuel) | 1 | EnglischBem: DeutschBem: DeutschDesc: Einfьllstutzen fьr Kraftstoff InternBDB: InternKon: SerienBem: Zwhead_Deu: Zwhead_Eng: |
|||
| ? | 941 280 40 | Fuel receiver | 1 | EnglischBem: DeutschBem: DeutschDesc: Kraftstoff-Receiver InternBDB: InternKon: SerienBem: Zwhead_Deu: Zwhead_Eng: |
|||
| ? | 324 436 40 | Cap | 1 | EnglischBem: DeutschBem: DeutschDesc: Kappe InternBDB: InternKon: SerienBem: Zwhead_Deu: Zwhead_Eng: |
|||
| ? | 953 235 40 | Bleeder pipe | 1 | EnglischBem: DeutschBem: DeutschDesc: Entlьftungsrohr InternBDB: InternKon: SerienBem: Zwhead_Deu: Zwhead_Eng: |
|||
| ? | 941 867 40 | Suction hose | 1 | EnglischBem: DeutschBem: DeutschDesc: Saugschlauch InternBDB: InternKon: SerienBem: Zwhead_Deu: Zwhead_Eng: |
|||
| ? | 167 693 40 | Flex. Header | A/R | EnglischBem: DeutschBem: DeutschDesc: Flexibler Kantenschutz InternBDB: InternKon: SerienBem: Zwhead_Deu: Zwhead_Eng: |
|||
| ? | 952 857 40 | Supporting beam | 1 | EnglischBem: DeutschBem: DeutschDesc: Tragarm InternBDB: InternKon: SerienBem: Zwhead_Deu: Zwhead_Eng: |
|||
| ? | 953 214 40 | Lifting beam | 1 | EnglischBem: DeutschBem: DeutschDesc: Traverse InternBDB: InternKon: SerienBem: Zwhead_Deu: Zwhead_Eng: |
|||
| ? | 948 284 40 | Plate | 1 | EnglischBem: DeutschBem: DeutschDesc: Betankungsblech InternBDB: InternKon: SerienBem: Zwhead_Deu: Zwhead_Eng: |
|||
| ? | 952 851 40 | Plate | 1 | EnglischBem: DeutschBem: DeutschDesc: Blech InternBDB: InternKon: SerienBem: Zwhead_Deu: Zwhead_Eng: |
|||
| ? | 903 221 40 | Pin | 1 | EnglischBem: DeutschBem: DeutschDesc: Bolzen InternBDB: InternKon: SerienBem: Zwhead_Deu: Zwhead_Eng: |
|||
| ? | 515 827 98 | Pin | 2 | EnglischBem: DeutschBem: DeutschDesc: Bolzen InternBDB: InternKon: SerienBem: Zwhead_Deu: Zwhead_Eng: |
|||
| ? | 953 209 40 | Hose DN 51 | 1 | EnglischBem: DeutschBem: DeutschDesc: Schlauch DN 51 InternBDB: InternKon: SerienBem: Zwhead_Deu: Zwhead_Eng: |
|||
| ? | 898 136 40 | Hose D 20 | 3 | EnglischBem: DeutschBem: DeutschDesc: Schlauch D 20 InternBDB: InternKon: SerienBem: Zwhead_Deu: Zwhead_Eng: |
|||
| ? | 953 212 40 | Hose DN 20 | 1 | EnglischBem: DeutschBem: DeutschDesc: Schlauch DN 20 InternBDB: InternKon: SerienBem: Zwhead_Deu: Zwhead_Eng: |
|||
| ? | 903 224 40 | Hose D 20 | 1 | EnglischBem: DeutschBem: DeutschDesc: Schlauch D 20 InternBDB: InternKon: SerienBem: Zwhead_Deu: Zwhead_Eng: |
|||
| ? | 516 039 98 | Hose assy. DN 10x600 | 2 | EnglischBem: DeutschBem: DeutschDesc: Schlauchleitung kpl. DN 10x600 InternBDB: InternKon: SerienBem: Zwhead_Deu: Zwhead_Eng: |
|||
| ? | 907 804 40 | Hose protection | A/R | EnglischBem: DeutschBem: DeutschDesc: Schlauchschutz InternBDB: InternKon: SerienBem: Zwhead_Deu: Zwhead_Eng: |
|||
| ? | 907 753 40 | Hose protection | A/R | EnglischBem: DeutschBem: DeutschDesc: Schlauchschutz InternBDB: InternKon: SerienBem: Zwhead_Deu: Zwhead_Eng: |
|||
| ? | 341 711 40 | Filler neck | 1 | EnglischBem: DeutschBem: DeutschDesc: Einfьllstutzen InternBDB: InternKon: SerienBem: Zwhead_Deu: Zwhead_Eng: |
|||
| ? | 360 856 40 | Cap | 1 | EnglischBem: DeutschBem: DeutschDesc: Schutzkappe InternBDB: InternKon: SerienBem: Zwhead_Deu: Zwhead_Eng: |
|||
| ? | 341 710 40 | Filler neck | 1 | EnglischBem: DeutschBem: DeutschDesc: Einfьllstutzen InternBDB: InternKon: SerienBem: Zwhead_Deu: Zwhead_Eng: |
|||
| ? | 270 861 40 | Filler, hydr.-oil | 1 | EnglischBem: DeutschBem: DeutschDesc: Einfьllstutzen fьr Hydr.-Цl InternBDB: InternKon: SerienBem: Zwhead_Deu: Zwhead_Eng: |
|||
| ? | 270 862 40 | Cap | 1 | EnglischBem: DeutschBem: DeutschDesc: Kappe InternBDB: InternKon: SerienBem: Zwhead_Deu: Zwhead_Eng: |
|||
| ? | 323 905 40 | Filler, engine oil | 1 | EnglischBem: DeutschBem: DeutschDesc: Einfьllstutzen fьr Motorцl InternBDB: InternKon: SerienBem: Zwhead_Deu: Zwhead_Eng: |
|||
| ? | 324 437 40 | Cap | 1 | EnglischBem: DeutschBem: DeutschDesc: Kappe InternBDB: InternKon: SerienBem: Zwhead_Deu: Zwhead_Eng: |
|||
| ? | 323 906 40 | Filler neck (water) | 1 | EnglischBem: DeutschBem: DeutschDesc: Einfьllstutzen (Wasser) InternBDB: InternKon: SerienBem: Zwhead_Deu: Zwhead_Eng: |
|||
| ? | 324 438 40 | Cap | 1 | EnglischBem: DeutschBem: DeutschDesc: Kappe InternBDB: InternKon: SerienBem: Zwhead_Deu: Zwhead_Eng: |
|||
| ? | 515 877 98 | Graphical symbol (hydraulic oil) | 2 | EnglischBem: DeutschBem: DeutschDesc: Bildzeichen (Hydraulikцl) InternBDB: InternKon: SerienBem: Zwhead_Deu: Zwhead_Eng: |
|||
| ? | 515 872 98 | Graphical symbol (fuel) | 2 | EnglischBem: DeutschBem: DeutschDesc: Bildzeichen (Kraftstoff) InternBDB: InternKon: SerienBem: Zwhead_Deu: Zwhead_Eng: |
|||
| ? | 515 875 98 | Graphical symbol (cooling water) | 2 | EnglischBem: DeutschBem: DeutschDesc: Bildzeichen (Motorkьhlwasser) InternBDB: InternKon: SerienBem: Zwhead_Deu: Zwhead_Eng: |
|||
| ? | 515 873 98 | Graphical symbol (engine oil) | 1 | EnglischBem: DeutschBem: DeutschDesc: Bildzeichen (Motorцl) InternBDB: InternKon: SerienBem: Zwhead_Deu: Zwhead_Eng: |
|||
| ? | 515 878 98 | Graphical symbol (greasing) | 2 | EnglischBem: DeutschBem: DeutschDesc: Bildzeichen (Schmierung) InternBDB: InternKon: SerienBem: Zwhead_Deu: Zwhead_Eng: |
|||
| ? | 515 879 98 | Graphical symbol (pinion greasing) | 2 | EnglischBem: DeutschBem: DeutschDesc: Bildzeichen (Ritzelschmierung) InternBDB: InternKon: SerienBem: Zwhead_Deu: Zwhead_Eng: |
|||
| ? | 374 415 99 | Socket | 1 | EnglischBem: DeutschBem: DeutschDesc: Stutzen InternBDB: InternKon: SerienBem: Zwhead_Deu: Zwhead_Eng: |
|||
| ? | 374 409 99 | Socket | 5 | EnglischBem: DeutschBem: DeutschDesc: Stutzen InternBDB: InternKon: SerienBem: Zwhead_Deu: Zwhead_Eng: |
|||
| ? | 517 290 98 | Union | 2 | EnglischBem: DeutschBem: DeutschDesc: Verschraubung InternBDB: InternKon: SerienBem: Zwhead_Deu: Zwhead_Eng: |
|||
| ? | 517 820 98 | Socket | 1 | EnglischBem: DeutschBem: DeutschDesc: Stutzen InternBDB: InternKon: SerienBem: Zwhead_Deu: Zwhead_Eng: |
|||
| ? | 516 618 98 | Union | 4 | EnglischBem: DeutschBem: DeutschDesc: Verschraubung InternBDB: InternKon: SerienBem: Zwhead_Deu: Zwhead_Eng: |
|||
| ? | 516 962 98 | Union | 2 | EnglischBem: DeutschBem: DeutschDesc: Verschraubung InternBDB: InternKon: SerienBem: Zwhead_Deu: Zwhead_Eng: |
|||
| ? | 516 163 98 | Socket | 1 | EnglischBem: DeutschBem: DeutschDesc: Stutzen InternBDB: InternKon: SerienBem: Zwhead_Deu: Zwhead_Eng: |
|||
| ? | 360 873 40 | Plug | 2 | EnglischBem: DeutschBem: DeutschDesc: VerschluЯschraube InternBDB: InternKon: SerienBem: Zwhead_Deu: Zwhead_Eng: |
|||
| ? | 324 550 40 | Plug | 1 | EnglischBem: DeutschBem: DeutschDesc: VerschluЯschraube InternBDB: InternKon: SerienBem: Zwhead_Deu: Zwhead_Eng: |
|||
| ? | 940 877 40 | Locking plug | 1 | EnglischBem: DeutschBem: DeutschDesc: VerschluЯschraube InternBDB: InternKon: SerienBem: Zwhead_Deu: Zwhead_Eng: |
|||
| ? | 941 678 40 | Clamp | 2 | EnglischBem: DeutschBem: DeutschDesc: Schelle InternBDB: InternKon: SerienBem: Zwhead_Deu: Zwhead_Eng: |
|||
| ? | 517 819 98 | Pair of clamps | 2 | EnglischBem: DeutschBem: DeutschDesc: Klemmenpaar InternBDB: InternKon: SerienBem: Zwhead_Deu: Zwhead_Eng: |
|||
| ? | 534 008 99 | Cover plate | 4 | EnglischBem: DeutschBem: DeutschDesc: Deckplatte InternBDB: InternKon: SerienBem: Zwhead_Deu: Zwhead_Eng: |
|||
| ? | 517 118 98 | Locking plate | 6 | EnglischBem: DeutschBem: DeutschDesc: Sicherungsblech InternBDB: InternKon: SerienBem: Zwhead_Deu: Zwhead_Eng: |
|||
| ? | 0443452511 | Clip D 25,5 | 2 | EnglischBem: DeutschBem: DeutschDesc: Clip D 25,5 InternBDB: InternKon: SerienBem: Zwhead_Deu: Zwhead_Eng: |
|||
| ? | 507 558 98 | Nut | 1 | EnglischBem: DeutschBem: DeutschDesc: Mutter InternBDB: InternKon: SerienBem: Zwhead_Deu: Zwhead_Eng: |
|||
| ? | 506 954 98 | Nut | 4 | EnglischBem: DeutschBem: DeutschDesc: Mutter InternBDB: InternKon: SerienBem: Zwhead_Deu: Zwhead_Eng: |
|||
| ? | 509 267 98 | Nut | 2 | EnglischBem: DeutschBem: DeutschDesc: Mutter InternBDB: InternKon: SerienBem: Zwhead_Deu: Zwhead_Eng: |
|||
| ? | 307 824 99 | Bolt | 4 | EnglischBem: DeutschBem: DeutschDesc: Schraube InternBDB: InternKon: SerienBem: Zwhead_Deu: Zwhead_Eng: |
|||
| ? | 502 879 98 | Bolt | 2 | EnglischBem: DeutschBem: DeutschDesc: Schraube InternBDB: InternKon: SerienBem: Zwhead_Deu: Zwhead_Eng: |
|||
| ? | 308 612 99 | Bolt | 6 | EnglischBem: DeutschBem: DeutschDesc: Schraube InternBDB: InternKon: SerienBem: Zwhead_Deu: Zwhead_Eng: |
|||
| ? | 334 601 99 | Nut | 4 | EnglischBem: DeutschBem: DeutschDesc: Mutter InternBDB: InternKon: SerienBem: Zwhead_Deu: Zwhead_Eng: |
|||
| ? | 334 600 99 | Nut | 2 | EnglischBem: DeutschBem: DeutschDesc: Mutter InternBDB: InternKon: SerienBem: Zwhead_Deu: Zwhead_Eng: |
|||
| ? | 507 037 98 | Nut | 5 | EnglischBem: DeutschBem: DeutschDesc: Mutter InternBDB: InternKon: SerienBem: Zwhead_Deu: Zwhead_Eng: |
|||
| ? | 500 995 98 | Washer | 4 | EnglischBem: DeutschBem: DeutschDesc: Scheibe InternBDB: InternKon: SerienBem: Zwhead_Deu: Zwhead_Eng: |
|||
| ? | 340 469 99 | Washer | 4 | EnglischBem: DeutschBem: DeutschDesc: Scheibe InternBDB: InternKon: SerienBem: Zwhead_Deu: Zwhead_Eng: |
|||
| ? | 340 467 99 | Washer | 1 | EnglischBem: DeutschBem: DeutschDesc: Scheibe InternBDB: InternKon: SerienBem: Zwhead_Deu: Zwhead_Eng: |
|||
| ? | 340 465 99 | Washer | 6 | EnglischBem: DeutschBem: DeutschDesc: Scheibe InternBDB: InternKon: SerienBem: Zwhead_Deu: Zwhead_Eng: |
|||
| ? | 342 125 99 | Cotter pin | 4 | EnglischBem: DeutschBem: DeutschDesc: Splint InternBDB: InternKon: SerienBem: Zwhead_Deu: Zwhead_Eng: |
|||
| ? | 170 427 40 | Cable strap | 13 | EnglischBem: DeutschBem: DeutschDesc: Kabelband InternBDB: InternKon: SerienBem: Zwhead_Deu: Zwhead_Eng: |
|||
| ? | 952 894 40 | Rubber plate | 5 | EnglischBem: DeutschBem: DeutschDesc: Gummiplatte InternBDB: InternKon: SerienBem: Zwhead_Deu: Zwhead_Eng: |
|||
| ? | 516 235 98 | Socket | 1 | EnglischBem: DeutschBem: DeutschDesc: Stutzen InternBDB: InternKon: SerienBem: Zwhead_Deu: Zwhead_Eng: |
|||
| ? | 906 930 40 | Union | 1 | EnglischBem: DeutschBem: DeutschDesc: Verschraubung InternBDB: InternKon: SerienBem: Zwhead_Deu: Zwhead_Eng: |
|||
| ? | 516 160 98 | Socket | 1 | EnglischBem: DeutschBem: DeutschDesc: Stutzen InternBDB: InternKon: SerienBem: Zwhead_Deu: Zwhead_Eng: |
|||
| ? | 516 281 98 | Socket | 1 | EnglischBem: DeutschBem: DeutschDesc: Stutzen InternBDB: InternKon: SerienBem: Zwhead_Deu: Zwhead_Eng: |
|||
| ? | 515 882 98 | Union | 1 | EnglischBem: DeutschBem: DeutschDesc: Verschraubung InternBDB: InternKon: SerienBem: Zwhead_Deu: Zwhead_Eng: |
|||
| ? | 654 458 40 | Valve | 2 | EnglischBem: DeutschBem: DeutschDesc: Ventil InternBDB: InternKon: SerienBem: Zwhead_Deu: Zwhead_Eng: |
|||
| ? | 551 345 40 | Union | 1 | EnglischBem: DeutschBem: DeutschDesc: Verschraubung InternBDB: InternKon: SerienBem: Zwhead_Deu: Zwhead_Eng: |
|||
| ? | 518 123 98 | Hose assy. DN 20x3100 | 1 | EnglischBem: DeutschBem: DeutschDesc: Schlauchleitung kpl. DN 20x3100 InternBDB: InternKon: SerienBem: Zwhead_Deu: Zwhead_Eng: |
|||
| ? | 374 438 99 | Socket | 2 | EnglischBem: DeutschBem: DeutschDesc: Stutzen InternBDB: InternKon: SerienBem: Zwhead_Deu: Zwhead_Eng: |
|||
| ? | 654 892 40 | Union | 2 | EnglischBem: DeutschBem: DeutschDesc: Verschraubung InternBDB: InternKon: SerienBem: Zwhead_Deu: Zwhead_Eng: |
|||
| ? | 517 056 98 | Union | 1 | EnglischBem: DeutschBem: DeutschDesc: Verschraubung InternBDB: InternKon: SerienBem: Zwhead_Deu: Zwhead_Eng: |
|||
| ? | 516 159 98 | Socket | 1 | EnglischBem: DeutschBem: DeutschDesc: Stutzen InternBDB: InternKon: SerienBem: Zwhead_Deu: Zwhead_Eng: |
|||
| ? | 515 866 98 | Union | 1 | EnglischBem: DeutschBem: DeutschDesc: Verschraubung InternBDB: InternKon: SerienBem: Zwhead_Deu: Zwhead_Eng: |
|||
| ? | 551 404 40 | Union | 2 | EnglischBem: DeutschBem: DeutschDesc: Verschraubung InternBDB: InternKon: SerienBem: Zwhead_Deu: Zwhead_Eng: |
|||
| ? | 305 992 99 | Ball cock | 1 | EnglischBem: DeutschBem: DeutschDesc: Kugelhahn InternBDB: InternKon: SerienBem: Zwhead_Deu: Zwhead_Eng: |
|||
| ? | 517 808 98 | Hose assy. DN 16x210 | 1 | EnglischBem: DeutschBem: DeutschDesc: Schlauchleitung kpl. DN 16x210 InternBDB: InternKon: SerienBem: Zwhead_Deu: Zwhead_Eng: |
|||
| ? | 948 270 40 | Cover | 1 | EnglischBem: DeutschBem: DeutschDesc: Deckel InternBDB: InternKon: SerienBem: Zwhead_Deu: Zwhead_Eng: |
|||
| ? | 948 277 40 | Flange | 1 | EnglischBem: DeutschBem: DeutschDesc: Flansch InternBDB: InternKon: SerienBem: Zwhead_Deu: Zwhead_Eng: |
|||
| ? | 941 281 40 | Fuel receiver | 1 | EnglischBem: DeutschBem: DeutschDesc: Kraftstoff-Receiver InternBDB: InternKon: SerienBem: Zwhead_Deu: Zwhead_Eng: |
|||
| ? | 941 283 40 | Sensor | 1 | EnglischBem: DeutschBem: DeutschDesc: Sensor InternBDB: InternKon: SerienBem: Zwhead_Deu: Zwhead_Eng: |
|||
| ? | 941 282 40 | Bleeder valve | 1 | EnglischBem: DeutschBem: DeutschDesc: Entlueftungsventil InternBDB: InternKon: SerienBem: Zwhead_Deu: Zwhead_Eng: |
|||
| ? | 518 391 98 | O-ring | 1 | EnglischBem: DeutschBem: DeutschDesc: O-RING InternBDB: InternKon: SerienBem: Zwhead_Deu: Zwhead_Eng: |
|||
| ? | 504 190 98 | O-ring | 1 | EnglischBem: DeutschBem: DeutschDesc: O-Ring InternBDB: InternKon: SerienBem: Zwhead_Deu: Zwhead_Eng: |
|||
| ? | 518 393 98 | Union | 1 | EnglischBem: DeutschBem: DeutschDesc: Verschraubung InternBDB: InternKon: SerienBem: Zwhead_Deu: Zwhead_Eng: |
|||
| ? | 518 392 98 | Union | 1 | EnglischBem: DeutschBem: DeutschDesc: Verschraubung InternBDB: InternKon: SerienBem: Zwhead_Deu: Zwhead_Eng: |
|||
| ? | 374 415 99 | Socket | 1 | EnglischBem: DeutschBem: DeutschDesc: Stutzen InternBDB: InternKon: SerienBem: Zwhead_Deu: Zwhead_Eng: |
|||
| ? | 308 941 99 | Bolt | 6 | EnglischBem: DeutschBem: DeutschDesc: Schraube InternBDB: InternKon: SerienBem: Zwhead_Deu: Zwhead_Eng: |
|||
| ? | 517 773 98 | Hose assy. DN 10 x 5100 | 1 | EnglischBem: DeutschBem: DeutschDesc: Schlauchleitung kpl. DN 10 x 5100 InternBDB: InternKon: SerienBem: Zwhead_Deu: Zwhead_Eng: |
|||
| ? | 516 393 98 | Hose assy. DN 10 x 5300 | 1 | EnglischBem: DeutschBem: DeutschDesc: Schlauchleitung kpl. DN 10 x 5300 InternBDB: InternKon: SerienBem: Zwhead_Deu: Zwhead_Eng: |
|||
| ? | 517 269 98 | Socket | 2 | EnglischBem: DeutschBem: DeutschDesc: Stutzen InternBDB: InternKon: SerienBem: Zwhead_Deu: Zwhead_Eng: |
|||
| ? | 504 369 98 | Union | 2 | EnglischBem: DeutschBem: DeutschDesc: Verschraubung InternBDB: InternKon: SerienBem: Zwhead_Deu: Zwhead_Eng: |
|||
| ? | 044 355 15 10 | Clip | 1 | EnglischBem: DeutschBem: DeutschDesc: Clip InternBDB: InternKon: SerienBem: Zwhead_Deu: Zwhead_Eng: |