| Наименование | Страница | Код страницы |
|---|---|---|
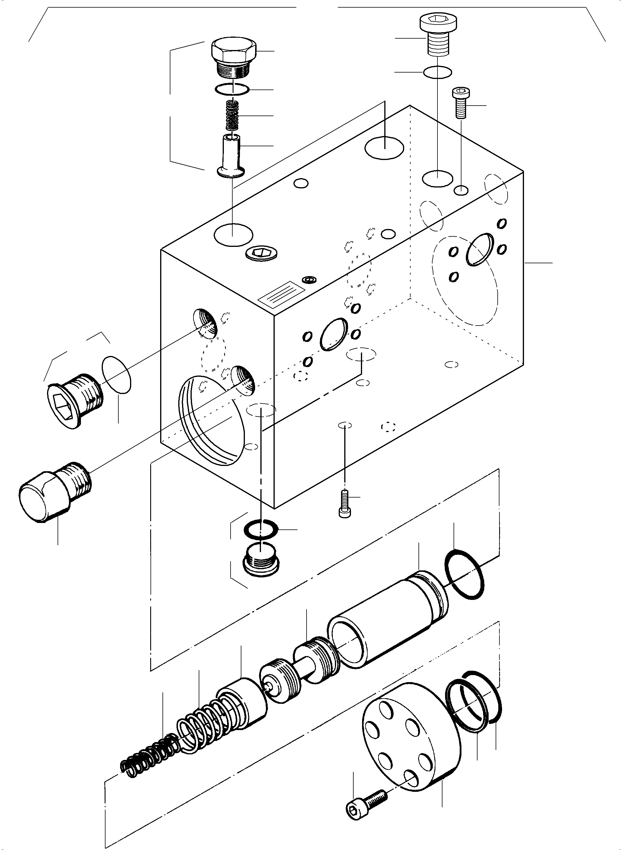
| Pressure Relief Valve | 090-0186 | 090-0186 |
| Номер на схеме | Каталожный номер | Название | Количество | Детали | |||
|---|---|---|---|---|---|---|---|
| ? | 358 611 40 | Brake valve, assy. 265 bar | 1 | EnglischBem: DeutschBem: DeutschDesc: Bremsventil, kpl. 265 bar InternBDB: InternKon: SerienBem: Zwhead_Deu: Zwhead_Eng: |
|||
| ? | Housing | 1 | EnglischBem: DeutschBem: DeutschDesc: Gehдuse InternBDB: InternKon: SerienBem: Zwhead_Deu: Zwhead_Eng: |
||||
| ? | 767 027 73 | Plug | 6 | EnglischBem: DeutschBem: DeutschDesc: VerschluЯschraube InternBDB: InternKon: SerienBem: Zwhead_Deu: Zwhead_Eng: |
|||
| ? | 319 311 99 | Screw | 12 | EnglischBem: DeutschBem: DeutschDesc: Schraube InternBDB: InternKon: SerienBem: Zwhead_Deu: Zwhead_Eng: |
|||
| ? | 754 712 | Cover | 2 | EnglischBem: DeutschBem: DeutschDesc: Deckel InternBDB: InternKon: SerienBem: Zwhead_Deu: Zwhead_Eng: |
|||
| ? | 754 713 | Support ring | 2 | EnglischBem: DeutschBem: DeutschDesc: Stьtzring InternBDB: InternKon: SerienBem: Zwhead_Deu: Zwhead_Eng: |
|||
| ? | 006 740 98 | O-ring | 2 | EnglischBem: DeutschBem: DeutschDesc: O-Ring InternBDB: InternKon: SerienBem: Zwhead_Deu: Zwhead_Eng: |
|||
| ? | 754 714 | Spring | 2 | EnglischBem: DeutschBem: DeutschDesc: Feder InternBDB: InternKon: SerienBem: Zwhead_Deu: Zwhead_Eng: |
|||
| ? | 754 715 | Spring | 2 | EnglischBem: DeutschBem: DeutschDesc: Feder InternBDB: InternKon: SerienBem: Zwhead_Deu: Zwhead_Eng: |
|||
| ? | 754 716 | Spring plate | 2 | EnglischBem: DeutschBem: DeutschDesc: Federteller InternBDB: InternKon: SerienBem: Zwhead_Deu: Zwhead_Eng: |
|||
| ? | Piston | 2 | EnglischBem: DeutschBem: DeutschDesc: Kolben InternBDB: InternKon: SerienBem: Zwhead_Deu: Zwhead_Eng: |
||||
| ? | Bush | 2 | EnglischBem: DeutschBem: DeutschDesc: Buchse InternBDB: InternKon: SerienBem: Zwhead_Deu: Zwhead_Eng: |
||||
| ? | 000 193 98 | O-ring | 2 | EnglischBem: DeutschBem: DeutschDesc: O-Ring InternBDB: InternKon: SerienBem: Zwhead_Deu: Zwhead_Eng: |
|||
| ? | 754 711 | Plug | 2 | EnglischBem: DeutschBem: DeutschDesc: VerschluЯschraube InternBDB: InternKon: SerienBem: Zwhead_Deu: Zwhead_Eng: |
|||
| ? | 505 047 98 | O-ring | 2 | EnglischBem: DeutschBem: DeutschDesc: O-Ring InternBDB: InternKon: SerienBem: Zwhead_Deu: Zwhead_Eng: |
|||
| ? | 754 717 | Spring | 2 | EnglischBem: DeutschBem: DeutschDesc: Feder InternBDB: InternKon: SerienBem: Zwhead_Deu: Zwhead_Eng: |
|||
| ? | 754 718 | Taper | 2 | EnglischBem: DeutschBem: DeutschDesc: Kegel InternBDB: InternKon: SerienBem: Zwhead_Deu: Zwhead_Eng: |
|||
| ? | 767 028 73 | Plug assy. | 2 | EnglischBem: DeutschBem: DeutschDesc: Rьckschlagventil kpl. InternBDB: InternKon: SerienBem: Zwhead_Deu: Zwhead_Eng: |
|||
| ? | 767 029 73 | Plug with O-ring | 2 | EnglischBem: DeutschBem: DeutschDesc: VerschluЯschraube mit O-Ring InternBDB: InternKon: SerienBem: Zwhead_Deu: Zwhead_Eng: |
|||
| ? | 501 275 98 | O-ring | 2 | EnglischBem: DeutschBem: DeutschDesc: O-Ring InternBDB: InternKon: SerienBem: Zwhead_Deu: Zwhead_Eng: |
|||
| ? | 767 030 73 | Plug with O-ring | 4 | EnglischBem: DeutschBem: DeutschDesc: VerschluЯschraube mit O-Ring InternBDB: InternKon: SerienBem: Zwhead_Deu: Zwhead_Eng: |
|||
| ? | 006 700 98 | O-ring | 2 | EnglischBem: DeutschBem: DeutschDesc: O-Ring InternBDB: InternKon: SerienBem: Zwhead_Deu: Zwhead_Eng: |
|||
| ? | 767 031 73 | Plug | 2 | EnglischBem: DeutschBem: DeutschDesc: VerschluЯschraube InternBDB: InternKon: SerienBem: Zwhead_Deu: Zwhead_Eng: |
|||
| ? | 754 719 | Seal kit, assy. fig-nos: 07,08,14,16,21,23 | A/R | EnglischBem: DeutschBem: DeutschDesc: Dichtsatz, kpl. Bild-Nr. 07,08,14,16,21,23 InternBDB: InternKon: SerienBem: Zwhead_Deu: Zwhead_Eng: |