k-part
Номер на схеме Каталожный номер Название Количество Детали
? 517 645 98 Hose assy. DN10x11400 1
EnglischBem:
DeutschBem:
DeutschDesc: Schlauchleitung DN10x11400
InternBDB: 050 DOL12/DOL12
InternKon: 925 175 40 / 1
SerienBem:
Zwhead_Deu:
Zwhead_Eng:
? 517 761 98 Hose assy. DN16x11400 1
EnglischBem:
DeutschBem:
DeutschDesc: Schlauchleitung DN16x11400
InternBDB: 120 DOL18/DOL18
InternKon: 925 175 40 / 2
SerienBem:
Zwhead_Deu:
Zwhead_Eng:
? 517 646 98 Hose assy. DN10x11400 1
EnglischBem:
DeutschBem:
DeutschDesc: Schlauchleitung DN10x11400
InternBDB: 050 DOL12/DOL 90
InternKon: 925 175 40 / 3
SerienBem:
Zwhead_Deu:
Zwhead_Eng:
? 517 651 98 Hose assy. DN10x7700 2
EnglischBem:
DeutschBem:
DeutschDesc: Schlauchleitung DN10x7700
InternBDB: 050 DOL12/DOL12
InternKon:
SerienBem:
Zwhead_Deu:
Zwhead_Eng:
? 517 647 98 Hose assy. DN10x7200 3
EnglischBem:
DeutschBem:
DeutschDesc: Schlauchleitung DN10x7200
InternBDB: 050 DOL12/DOL12
InternKon:
SerienBem:
Zwhead_Deu:
Zwhead_Eng:
? 517 648 98 Hose assy. DN10x7000 9
EnglischBem:
DeutschBem:
DeutschDesc: Schlauchleitung DN10x7000
InternBDB: 050 DOL12/DOL12
InternKon:
SerienBem:
Zwhead_Deu:
Zwhead_Eng:
? 516 507 98 Hose assy. DN10x6700 1
EnglischBem:
DeutschBem:
DeutschDesc: Schlauchleitung DN10x6700
InternBDB: 050 DOL12/DOL12
InternKon: 925 175 40 / 8
SerienBem:
Zwhead_Deu:
Zwhead_Eng:
? 517 650 98 Hose assy. DN10x7200 1
EnglischBem:
DeutschBem:
DeutschDesc: Schlauchleitung DN10x7200
InternBDB: 050 DOL12/DOL12
InternKon: 925 175 40 / 16
SerienBem:
Zwhead_Deu:
Zwhead_Eng:
? 515 526 98 Hose assy. DN10x7500 2
EnglischBem:
DeutschBem:
DeutschDesc: Schlauchleitung DN10x7500
InternBDB: 050 DOL12/DOL12
InternKon: 925 175 40 / 19
SerienBem:
Zwhead_Deu:
Zwhead_Eng:
? 515 525 98 Hose assy. DN10x8000 4
EnglischBem:
DeutschBem:
DeutschDesc: Schlauchleitung DN10x8000
InternBDB: 050 DOL12/DOL12
InternKon: 925 175 40 / 20
SerienBem:
Zwhead_Deu:
Zwhead_Eng:
? 510 926 98 Hose assy. DN10x1200 1
EnglischBem:
DeutschBem:
DeutschDesc: Schlauchleitung DN10x1200
InternBDB: 240 DOL12/DOL12
InternKon: NUR TL / 23
SerienBem:
Zwhead_Deu:
Zwhead_Eng:
? 516 167 98 Socket 1
EnglischBem:
DeutschBem:
DeutschDesc: Stutzen
InternBDB: L12 / DIN 3934
InternKon: NUR TL / 60
SerienBem:
Zwhead_Deu:
Zwhead_Eng:
? 516 157 98 Socket 1
EnglischBem:
DeutschBem:
DeutschDesc: Stutzen
InternBDB: L12 / DIN 3932
InternKon: NUR TL / 67
SerienBem:
Zwhead_Deu:
Zwhead_Eng:
? 940 066 40 Orifice 4
EnglischBem:
DeutschBem:
DeutschDesc: Blende
InternBDB: D=1,0
InternKon: 925 175 40 / 26
SerienBem:
Zwhead_Deu:
Zwhead_Eng:
? 371 459 99 Union 3
EnglischBem:
DeutschBem:
DeutschDesc: Verschraubung
InternBDB: SDS-L12XG 3/8A
InternKon: 925 175 40 / 27
SerienBem:
Zwhead_Deu:
Zwhead_Eng:
? 517 117 98 Union 15
EnglischBem:
DeutschBem:
DeutschDesc: Verschraubung
InternBDB: 12 LR /OMD
InternKon: 925 175 40 / 28
SerienBem:
Zwhead_Deu:
Zwhead_Eng:
? 516 157 98 Socket 4
EnglischBem:
DeutschBem:
DeutschDesc: Stutzen
InternBDB: L 12 /3942
InternKon: 925 175 40 / 29
SerienBem:
Zwhead_Deu:
Zwhead_Eng:
? 516 186 98 Union 1
EnglischBem:
DeutschBem:
DeutschDesc: Verschraubung
InternBDB: SW SDS-L 15 XM 18x1,5 ISO 08434
InternKon: 925 175 40 / 30
SerienBem:
Zwhead_Deu:
Zwhead_Eng:
? 604 499 40 Union 1
EnglischBem:
DeutschBem:
DeutschDesc: Verschraubung
InternBDB: GR 18/15-L/OMD
InternKon: 925 175 40 / 34
SerienBem:
Zwhead_Deu:
Zwhead_Eng:
? 516 159 98 Union 1
EnglischBem:
DeutschBem:
DeutschDesc: Verschraubung
InternBDB: SWE-L 18
InternKon: 925 175 40 / 35
SerienBem:
Zwhead_Deu:
Zwhead_Eng:
? 515 865 98 Socket 1
EnglischBem:
DeutschBem:
DeutschDesc: Stutzen
InternBDB: GZR 18/12-PL
InternKon: 925 175 40 / 36
SerienBem:
Zwhead_Deu:
Zwhead_Eng:
? 516 174 98 Socket 1
EnglischBem:
DeutschBem:
DeutschDesc: Stutzen
InternBDB: L 12 /3944
InternKon: 925 175 40 / 37
SerienBem:
Zwhead_Deu:
Zwhead_Eng:
? 502 752 98 Coupling 22
EnglischBem:
DeutschBem:
DeutschDesc: Kupplung
InternBDB: 12-L
InternKon: 925 175 40 / 38
SerienBem:
Zwhead_Deu:
Zwhead_Eng:
? 308 583 99 Bolt 1
EnglischBem:
DeutschBem:
DeutschDesc: Schraube
InternBDB: M10x80 / DIN 931 8.8
InternKon: 925 175 40 / 62
SerienBem:
Zwhead_Deu:
Zwhead_Eng:
? 340 467 99 Washer 1
EnglischBem:
DeutschBem:
DeutschDesc: Scheibe
InternBDB: B 13 / DIN125
InternKon: NUR TL / 63
SerienBem:
Zwhead_Deu:
Zwhead_Eng:
? 443451610 Clip 1
EnglischBem:
DeutschBem:
DeutschDesc: Clip
InternBDB: KES 04434
InternKon: NUR TL / 61
SerienBem:
Zwhead_Deu:
Zwhead_Eng:
? 307 779 99 Bolt 5
EnglischBem:
DeutschBem:
DeutschDesc: Schraube
InternBDB: M10x30 / DIN 933 8.8
InternKon: 925 175 40 / 65
SerienBem:
Zwhead_Deu:
Zwhead_Eng:
? 507 037 98 Nut 15
EnglischBem:
DeutschBem:
DeutschDesc: Mutter
InternBDB: M 10 /985 8
InternKon: 925 175 40 / 66
SerienBem:
Zwhead_Deu:
Zwhead_Eng:
? 340 465 99 Washer 16
EnglischBem:
DeutschBem:
DeutschDesc: Scheibe
InternBDB: B 10,5 /125
InternKon: 925 175 40 / 68
SerienBem:
Zwhead_Deu:
Zwhead_Eng:
? 510 741 98 Resilient sleeve 3
EnglischBem:
DeutschBem:
DeutschDesc: Dehnhьlse
InternBDB: 13/25x50
InternKon: 925 175 40 / 69
SerienBem:
Zwhead_Deu:
Zwhead_Eng:
? 510 745 98 Resilient sleeve 1
EnglischBem:
DeutschBem:
DeutschDesc: Dehnhьlse
InternBDB: 13/25x40
InternKon: 925 175 40 / 70
SerienBem:
Zwhead_Deu:
Zwhead_Eng:
? 443451510 Clip 25
EnglischBem:
DeutschBem:
DeutschDesc: Clip
InternBDB: 77 KES 04434
InternKon: 925 175 40 / 76
SerienBem:
Zwhead_Deu:
Zwhead_Eng:
? 443452310 Clip 7
EnglischBem:
DeutschBem:
DeutschDesc: Clip
InternBDB: 77 KES 04434
InternKon: 925 175 40 / 77
SerienBem:
Zwhead_Deu:
Zwhead_Eng:
? 443551510 Clip 2
EnglischBem:
DeutschBem:
DeutschDesc: Clip
InternBDB: KES 04435
InternKon: 925 175 40 / 78
SerienBem:
Zwhead_Deu:
Zwhead_Eng:

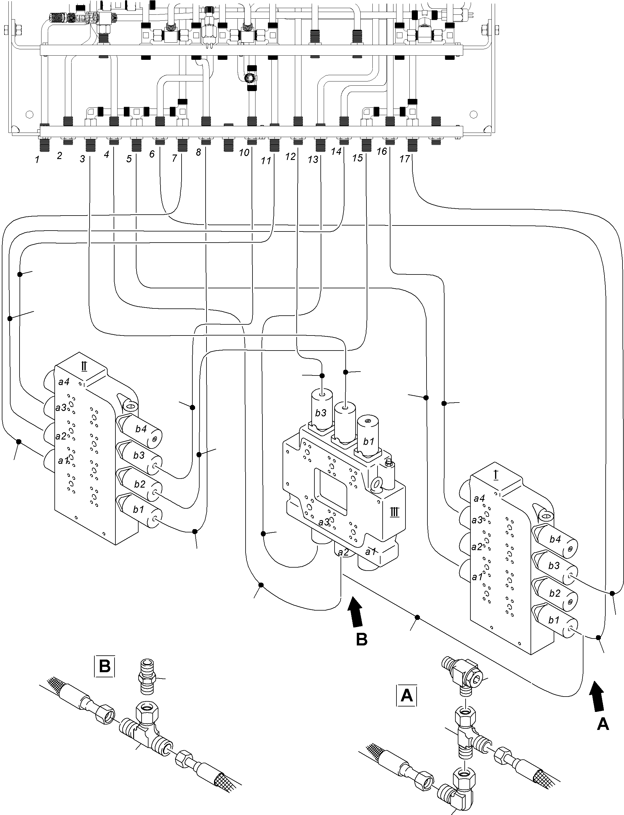
Excavators Mining Komatsu / PC3000-6 S/N 46185(G46185) / Control Lines Control Blocks - Pilot Control Plate(485-1889d : 485-1889d)
?
?
?
?
?
?
?
?
?
?
?
?
?
?
?
?
?
?
?
?
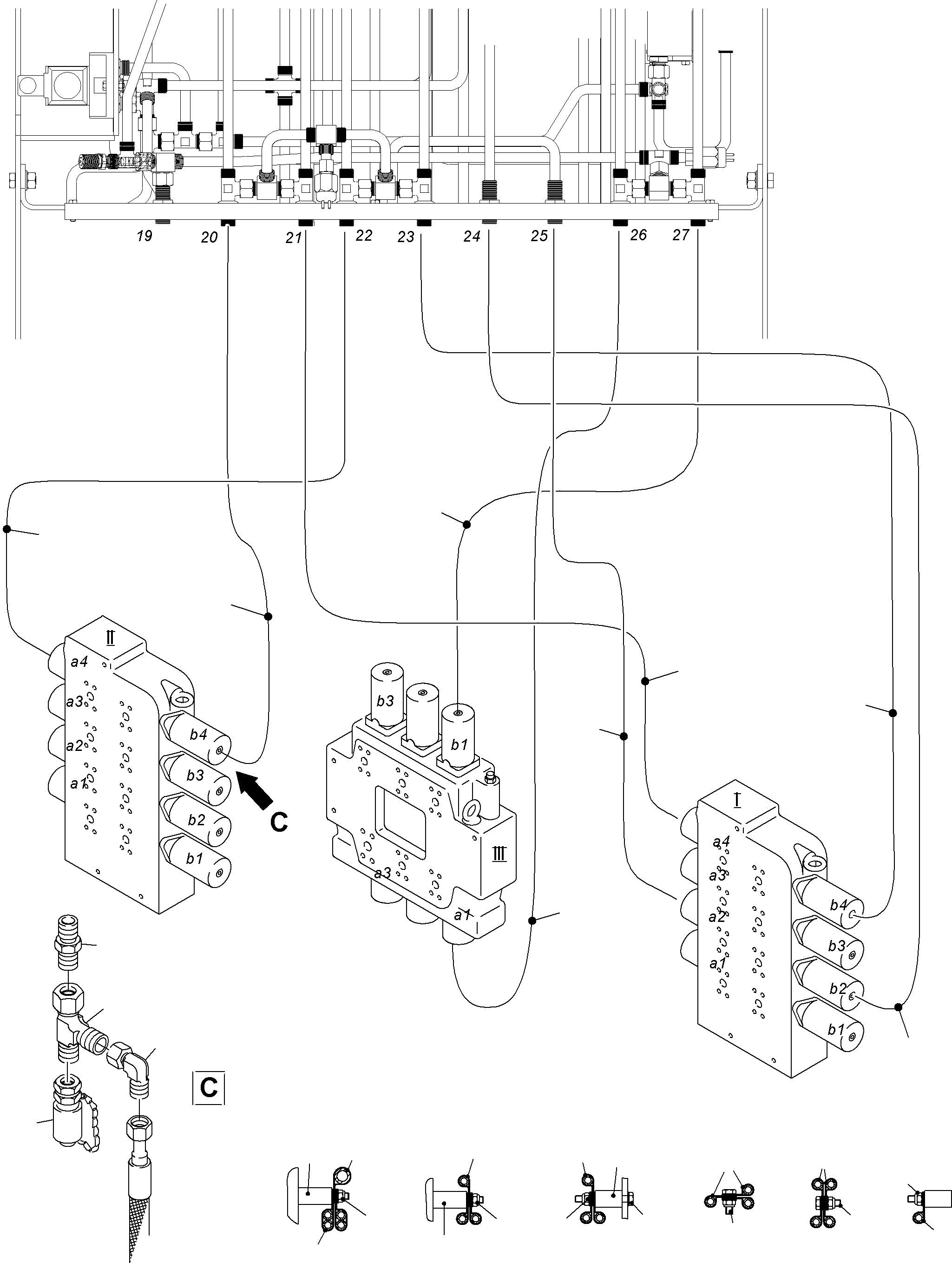
Excavators Mining Komatsu / PC3000-6 S/N 46185(G46185) / Control Lines Control Blocks - Pilot Control Plate(485-1889d : 485-1889d)
?
?
?
?
?
?
?
?
?
?
?
?
?
?
?
?
?
?
?
?
?
?
?
?
?
?
?
?
?
?
?
?
?
?
?
?
?
?
?
Excavators Mining Komatsu / PC3000-6 S/N 46185(G46185) / Control Lines Control Blocks - Pilot Control Plate(485-1889d : 485-1889d)
?
?
?
?
?
?
?