k-part
Номер на схеме Каталожный номер Название Количество Детали
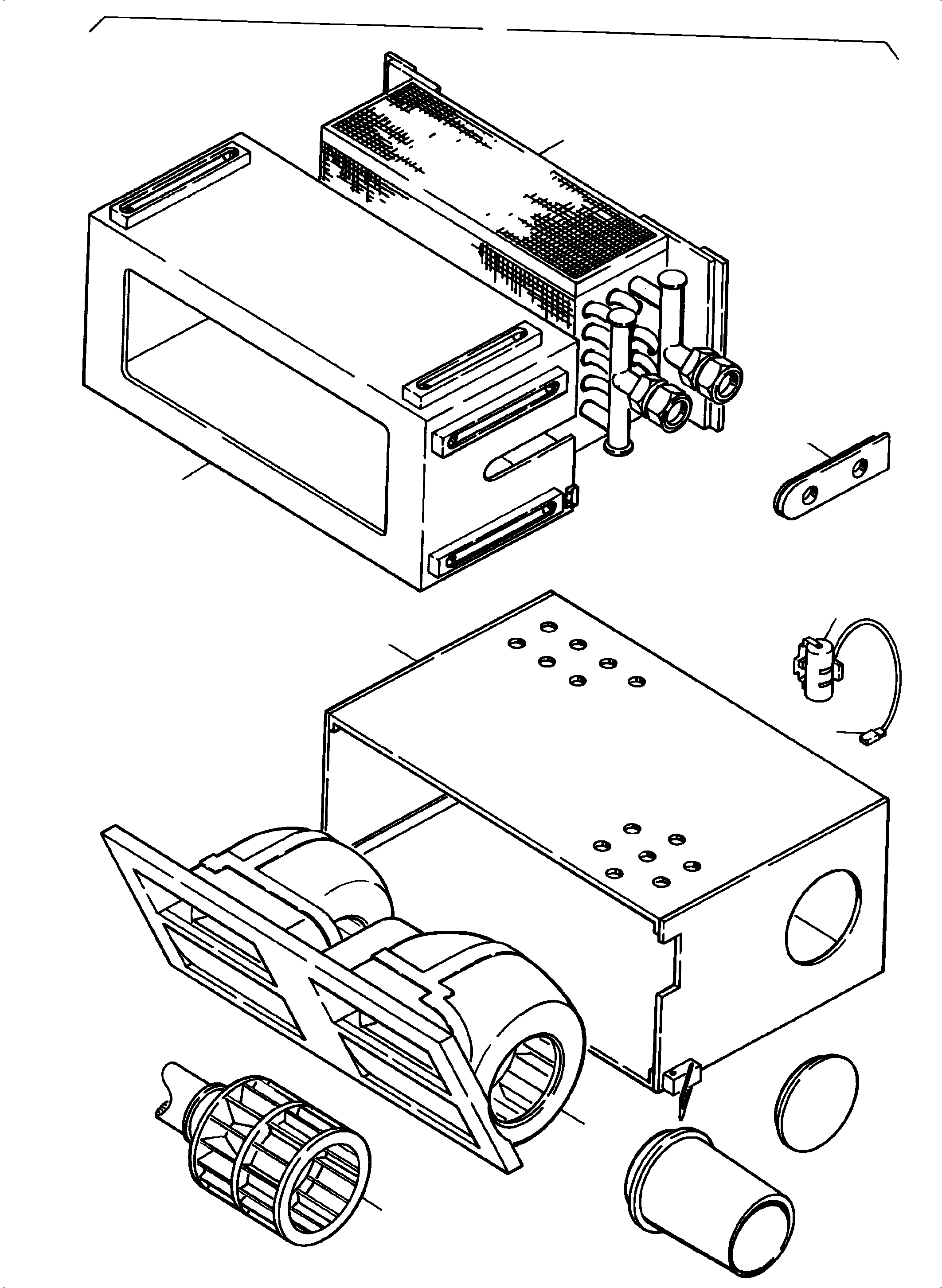
? 515 070 40 Heater consist. of fig-nos: 02-08 1
EnglischBem:
DeutschBem:
DeutschDesc: Heizung best. aus Bild-Nr. 02-08
InternBDB: Fa. Behr 92.786.10.000 /24 V Zeichng. 92.786.10.000
InternKon:
SerienBem:
Zwhead_Deu:
Zwhead_Eng:
? 698 039 73 Front housing 1
EnglischBem:
DeutschBem:
DeutschDesc: Gehдusevorderteil
InternBDB: 92.786.20.505
InternKon: 116-1931B / 1
SerienBem:
Zwhead_Deu:
Zwhead_Eng:
? 461 461 40 Radiator 1
EnglischBem:
DeutschBem:
DeutschDesc: Heizkцrper
InternBDB: 92.758.01.005
InternKon: 116-1931B / 2
SerienBem:
Zwhead_Deu:
Zwhead_Eng:
? 698 040 73 Fan 1
EnglischBem:
DeutschBem:
DeutschDesc: Geblдserad
InternBDB: 90.415.97.802
InternKon: 116-1931B / 4
SerienBem:
Zwhead_Deu:
Zwhead_Eng:
? 698 041 73 Rear housing 1
EnglischBem:
DeutschBem:
DeutschDesc: Gehдusehinterteil
InternBDB: 92.774.30.505
InternKon: 116-1931B / 5
SerienBem:
Zwhead_Deu:
Zwhead_Eng:
? 698 042 73 Spout 1
EnglischBem:
DeutschBem:
DeutschDesc: Tьlle
InternBDB: 92.758.30.001
InternKon: 116-1931B / 6
SerienBem:
Zwhead_Deu:
Zwhead_Eng:
? 698 043 73 Resistor 1
EnglischBem:
DeutschBem:
DeutschDesc: Widerstand
InternBDB: 90.926.08.299
InternKon: 116-1931B / 10
SerienBem:
Zwhead_Deu:
Zwhead_Eng:
? 697 215 73 Tab 1
EnglischBem:
DeutschBem:
DeutschDesc: Flachstecker
InternBDB: Fa. Amp.-Nr. 180 901
InternKon:
SerienBem:
Zwhead_Deu:
Zwhead_Eng:
? 698 044 73 Blower 1
EnglischBem:
DeutschBem:
DeutschDesc: Geblдse
InternBDB: 92.774.50.002
InternKon: 116-1931B / 3
SerienBem:
Zwhead_Deu:
Zwhead_Eng:

Excavators Mining Komatsu / PC3000-6 S/N 46185(G46185) / Heater(090-0759 : 090-0759)
?
?
?
?
?
?
?
?
?