k-part
Номер на схеме Каталожный номер Название Количество Детали
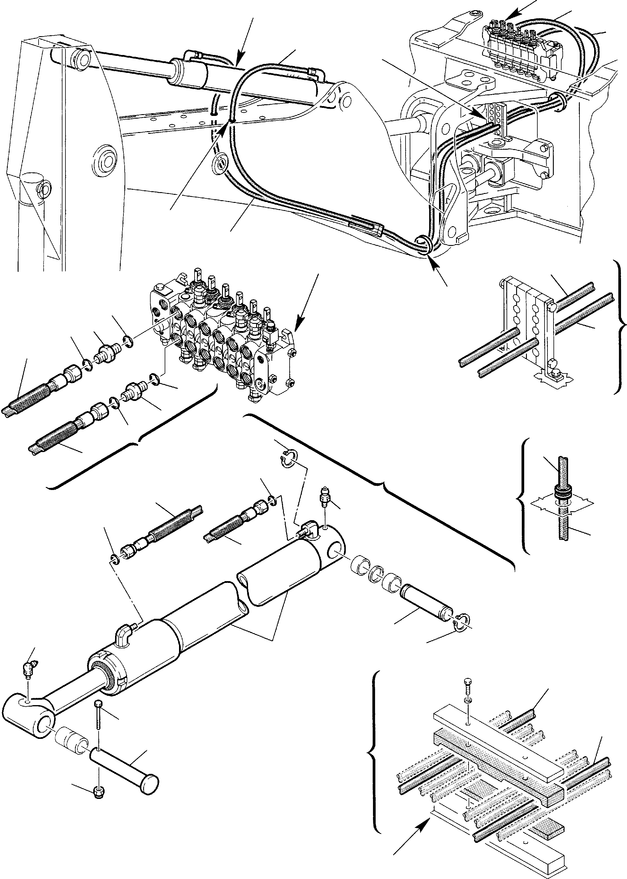
? 500380113 UNION 2
SN: 140F10001-
? 855051119 • O-RING 1
SN: 140F10001-
? 855051018 • O-RING 1
SN: 140F10001-
? 392860006 HOSE 1
SN: 140F10001-
? 392860005 HOSE 1
SN: 140F10001-
? 312708621 BUSHING 2
SN: 140F10001-
? 395002005 JACK ASSY 1
SN: 140F10001-
? 860030004 FITTING 1
SN: 140F10001-
? 860010007 FITTING 1
SN: 140F10001-
? 390597067 PIN 1
SN: 140F10001-
? 801015584 BOLT 1
SN: 140F10001-
? 801880212 SELF-LOCKING NUT 1
SN: 140F10001-
? 312708617 PIN 1
SN: 140F10001-
? 802270017 SNAP RING 2
SN: 140F10001-
? 855051018 O-RING 2
SN: 140F10001-
? SEE FIG. 6290 6290
? SEE FIG. 6720 6720

Backhoeloaders Komatsu / WB140-2 S/N 140F10001-Up(wb140_2) / HYDRAULIC PIPING (ARM CYLINDER LINE)(F-0500 : 6730)
?
?
?
?
?
?
?
?
?
?
?
?
?
?
?
?
?
?
?
?
?
?
?
?
?
?
?
?
?
?
?
?
?
?
?
?
?
?
?
?
?
?
?
?