k-part
Наименование Страница Код страницы
Coupling 991-0866 991-0866
Pump distributor gear 991-0867 991-0867

Номер на схеме Каталожный номер Название Количество Детали
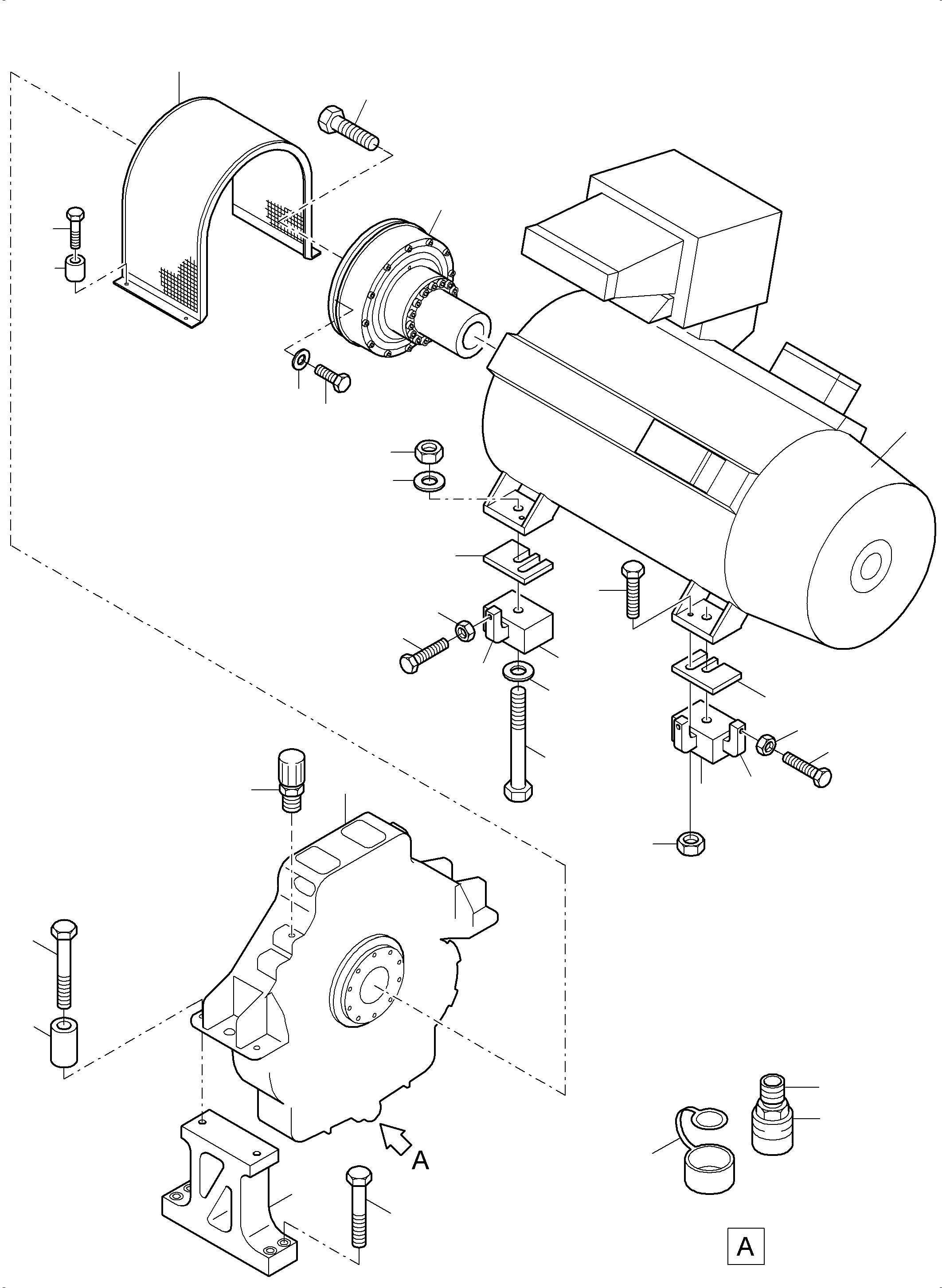
? 938 471 40 E-motor 1
EnglischBem:
DeutschBem:
DeutschDesc: E-Motor
InternBDB:
InternKon:
SerienBem:
Zwhead_Deu:
Zwhead_Eng:
? 946 046 40 Protection casing 1
EnglischBem:
DeutschBem:
DeutschDesc: Schutzkasten
InternBDB:
InternKon:
SerienBem:
Zwhead_Deu:
Zwhead_Eng:
? 946 049 40 Block 4
EnglischBem:
DeutschBem:
DeutschDesc: Klotz
InternBDB:
InternKon:
SerienBem:
Zwhead_Deu:
Zwhead_Eng:
? 946 048 40 Plate 4
EnglischBem:
DeutschBem:
DeutschDesc: Distanzplatte
InternBDB:
InternKon:
SerienBem:
Zwhead_Deu:
Zwhead_Eng:
? 890 757 40 Spanner 6
EnglischBem:
DeutschBem:
DeutschDesc: Spannstьck
InternBDB:
InternKon:
SerienBem:
Zwhead_Deu:
Zwhead_Eng:
? 937 820 40 Plate 4
EnglischBem:
DeutschBem:
DeutschDesc: Scheibe
InternBDB:
InternKon:
SerienBem:
Zwhead_Deu:
Zwhead_Eng:
? 946 059 40 Console PDG 2
EnglischBem:
DeutschBem:
DeutschDesc: Konsole PVG
InternBDB:
InternKon:
SerienBem:
Zwhead_Deu:
Zwhead_Eng:
? 302 659 99 Bolt 4
EnglischBem:
DeutschBem:
DeutschDesc: Schraube
InternBDB:
InternKon:
SerienBem:
Zwhead_Deu:
Zwhead_Eng:
? 518 382 98 Bolt 4
EnglischBem:
DeutschBem:
DeutschDesc: Schraube
InternBDB:
InternKon:
SerienBem:
Zwhead_Deu:
Zwhead_Eng:
? 308 352 99 Bolt 1
EnglischBem:
DeutschBem:
DeutschDesc: Schraube
InternBDB:
InternKon:
SerienBem:
Zwhead_Deu:
Zwhead_Eng:
? 304 306 99 Bolt 8
EnglischBem:
DeutschBem:
DeutschDesc: Schraube
InternBDB:
InternKon:
SerienBem:
Zwhead_Deu:
Zwhead_Eng:
? 511 747 98 Bolt Cold weather design 8
EnglischBem:
DeutschBem:
DeutschDesc: Schraube Tieftemperatur
InternBDB:
InternKon:
SerienBem:
Zwhead_Deu:
Zwhead_Eng:
? 504 859 98 Bolt 6
EnglischBem:
DeutschBem:
DeutschDesc: Schraube
InternBDB:
InternKon:
SerienBem:
Zwhead_Deu:
Zwhead_Eng:
? 308 395 99 Bolt 4
EnglischBem:
DeutschBem:
DeutschDesc: Schraube
InternBDB:
InternKon:
SerienBem:
Zwhead_Deu:
Zwhead_Eng:
? 516 587 98 Bolt (Cold weather design) 4
EnglischBem:
DeutschBem:
DeutschDesc: Schraube (Tieftemperatur)
InternBDB:
InternKon:
SerienBem:
Zwhead_Deu:
Zwhead_Eng:
? 308 079 99 Bolt 10
EnglischBem:
DeutschBem:
DeutschDesc: Schraube
InternBDB:
InternKon:
SerienBem:
Zwhead_Deu:
Zwhead_Eng:
? 308 605 99 Bolt 4
EnglischBem:
DeutschBem:
DeutschDesc: Schraube
InternBDB:
InternKon:
SerienBem:
Zwhead_Deu:
Zwhead_Eng:
? 515 390 98 Resilent Sleeve 4
EnglischBem:
DeutschBem:
DeutschDesc: Dehnhьlse
InternBDB:
InternKon:
SerienBem:
Zwhead_Deu:
Zwhead_Eng:
? 510 744 98 Resilient sleeve 4
EnglischBem:
DeutschBem:
DeutschDesc: Dehnhьlse
InternBDB:
InternKon:
SerienBem:
Zwhead_Deu:
Zwhead_Eng:
? 332 369 99 Nut 4
EnglischBem:
DeutschBem:
DeutschDesc: Mutter
InternBDB:
InternKon:
SerienBem:
Zwhead_Deu:
Zwhead_Eng:
? 501 124 98 Nut 4
EnglischBem:
DeutschBem:
DeutschDesc: Mutter
InternBDB:
InternKon:
SerienBem:
Zwhead_Deu:
Zwhead_Eng:
? 504 662 98 Nut 6
EnglischBem:
DeutschBem:
DeutschDesc: Mutter
InternBDB:
InternKon:
SerienBem:
Zwhead_Deu:
Zwhead_Eng:
? 255 056 40 Washer 4
EnglischBem:
DeutschBem:
DeutschDesc: Scheibe
InternBDB:
InternKon:
SerienBem:
Zwhead_Deu:
Zwhead_Eng:
? 507 012 98 Washer 10
EnglischBem:
DeutschBem:
DeutschDesc: Scheibe
InternBDB:
InternKon:
SerienBem:
Zwhead_Deu:
Zwhead_Eng:
? 501 711 98 Bolt 4
EnglischBem:
DeutschBem:
DeutschDesc: Schraube
InternBDB:
InternKon:
SerienBem:
Zwhead_Deu:
Zwhead_Eng:
? 081 496 40 Protection cap 1
EnglischBem:
DeutschBem:
DeutschDesc: Schutzkappe
InternBDB:
InternKon:
SerienBem:
Zwhead_Deu:
Zwhead_Eng:
? 081 495 40 Quick disconnect coupling 1
EnglischBem:
DeutschBem:
DeutschDesc: SchnellverschluЯkupplung
InternBDB:
InternKon:
SerienBem:
Zwhead_Deu:
Zwhead_Eng:
? 516 235 98 Socket 1
EnglischBem:
DeutschBem:
DeutschDesc: Stutzen
InternBDB:
InternKon:
SerienBem:
Zwhead_Deu:
Zwhead_Eng:
? 323 460 40 Bleeder valve 1
EnglischBem:
DeutschBem:
DeutschDesc: Entlьftungsventil
InternBDB:
InternKon:
SerienBem:
Zwhead_Deu:
Zwhead_Eng:
? 332 340 99 Nut 4
EnglischBem:
DeutschBem:
DeutschDesc: Mutter
InternBDB:
InternKon:
SerienBem:
Zwhead_Deu:
Zwhead_Eng:

Excavators Mining Komatsu / PC3000-6E S/N 06249(G06249) / Drive Arrangement(255-1218 : 255-1218)
?
?
?
?
?
?
?
?
?
?
?
?
?
?
?
?
?
?
?
?
?
?
?
?
?
?
?
?
?
?
?
?
?