| Номер на схеме | Каталожный номер | Название | Количество | Детали | |||
|---|---|---|---|---|---|---|---|
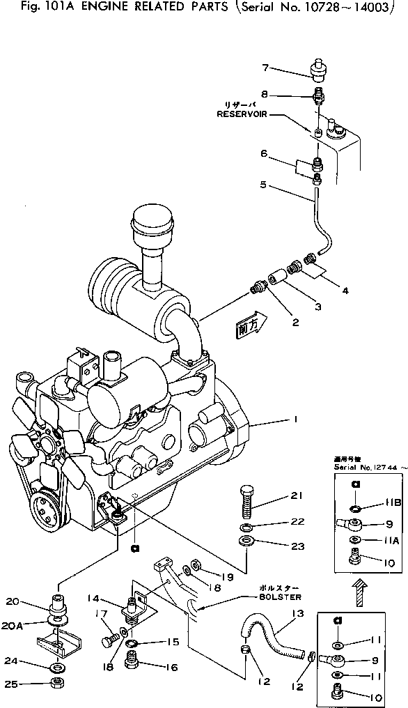
| ? | 385-11091681 | ENGINE ASS'Y | 1 | SN: 10728-14003 |
|||
| ? | 380-890337-1 | NIPPLE | 1 | SN: 10380-14003 |
|||
| ? | 380-107352-1 | COUPLING | 1 | SN: 10001-14003 |
|||
| ? | 380-175773-1 | CONNECTOR | 1 | SN: 10001-14003 |
|||
| ? | 385-11091362 | TUBE | 1 | SN: 12348-14003 |
|||
| ? | □385-11091361 | TUBE | 1 | SN: 10728-12347 |
|||
| ? | 380-175773-1 | CONNECTOR | 1 | SN: 10728-14003 |
|||
| ? | 381-366078-1 | INDICATOR | 1 | SN: 10001-@ |
|||
| ? | 381-971896-1 | NIPPLE | 1 | SN: 10728-14003 |
|||
| ? | 380-888737-2 | TUBE | 1 | SN: .-@ |
|||
| ? | □380-888737-1 | TUBE | 1 | SN: 10728-. |
|||
| ? | 385-10193721 | BOLT | 1 | SN: 12744-@ |
|||
| ? | 380-888736-1 | BOLT | 1 | SN: 10001-12743 |
|||
| ? | 385-11038371 | GASKET | 2 | SN: 10001-12743 |
|||
| ? | 07005-02416 | GASKET | 1 | SN: 12744-@ |
|||
| ? | 07002-02434 | O-RING | 1 | SN: 12744-14003 |
|||
| ? | 382-333710-1 | CLAMP | 2 | SN: 10001-14003 |
|||
| ? | 385-11038281 | HOSE | 1 | SN: 10001-14003 |
|||
| ? | 381-938655-1 | BRACKET | 1 | SN: 10728-14003 |
|||
| ? | 382-570828-1 | O-RING | 1 | SN: 10001-14003 |
|||
| ? | 384-9410359 | PLUG | 1 | SN: 10001-14003 |
|||
| ? | 382-025285-1 | BOLT | 1 | SN: 10728-14003 |
|||
| ? | 382-025536-1 | WASHER | 2 | SN: 10728-14003 |
|||
| ? | 384-9412230 | NUT | 1 | SN: 10001-@ 14003 |
|||
| ? | 381-938685-1 | CUSHION | 2 | SN: 10728-14003 |
|||
| ? | 385-11091351 | SPACER | 2 | SN: 10728-14003 |
|||
| ? | 382-024895-1 | BOLT | 2 | SN: 10728-14003 |
|||
| ? | 382-025538-1 | WASHER | 2 | SN: 10728-14003 |
|||
| ? | 380-167521-1 | WASHER | 2 | SN: 10728-14003 |
|||
| ? | 382-025557-1 | WASHER | 2 | SN: 10728-14003 |
|||
| ? | 384-9413983 | NUT | 2 | SN: 10728-14003 |
