| Номер на схеме | Каталожный номер | Название | Количество | Детали | |||
|---|---|---|---|---|---|---|---|
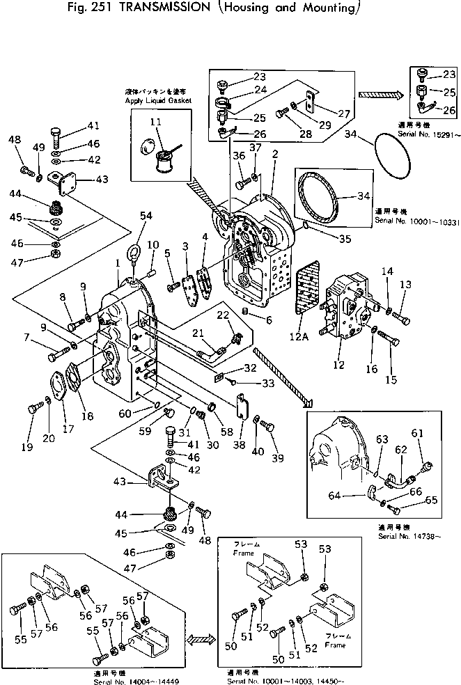
| ? | 385-11052463 | TRANSMISSION ASS'Y | 1 | SN: 16420- |
|||
| ? | □385-11052462 | TRANSMISSION ASS'Y | 1 | SN: 15002-16419 |
|||
| ? | □385-11052461 | TRANSMISSION ASS'Y | 1 | SN: 10001-15001 |
|||
| ? | 385-11106982 | • HOUSING,FRONT | 1 | SN: 14738- |
|||
| ? | 385-10253751 | • HOUSING,FRONT | 1 | SN: 14126-14737 |
|||
| ? | 381-935225-1 | • HOUSING,FRONT | 1 | SN: 10001-14125 |
|||
| ? | 385-11052061 | • HOUSING,REAR | 1 | SN: 10001- |
|||
| ? | 381-941419-1 | • • PLATE | 1 | SN: 10001- |
|||
| ? | 381-937074-1 | • • GASKET | 1 | SN: 10001- |
|||
| ? | 381-941418-1 | • • SCREW | 10 | SN: 10001- |
|||
| ? | 384-0444600 | • • PLUG | 1 | SN: 10001- |
|||
| ? | 381-941415-1 | • BOLT | 2 | SN: 10001- |
|||
| ? | 382-024862-1 | • BOLT | 12 | SN: 10001- |
|||
| ? | 382-025536-1 | • WASHER | 14 | SN: 10001- |
|||
| ? | 382-019904-1 | • PIN | 2 | SN: 10001- |
|||
| ? | 385-11092821 | • LOCKTITE ? 515 | 1 | SN: 13164- |
|||
| ? | □381-474517-1 | • LIQUID GASKET | 1 | SN: 10272-13163 |
|||
| ? | □382-347383-1 | • LIQUID GASKET | 1 | SN: 10001-10271 |
|||
| ? | (385-10211212) | • VALVE ASS'Y | 1 | SN: 16012- |
|||
| ? | □381-10211211 | • VALVE ASS'Y | 1 | SN: 12564-16011 |
|||
| ? | □381-706982-7 | • VALVE ASS'Y | 1 | SN: 12528-12563 |
|||
| ? | □381-706982-6 | • VALVE ASS'Y | 1 | SN: 10992-12527 |
|||
| ? | □381-706982-5 | • VALVE ASS'Y | 1 | SN: 10260-10991 |
|||
| ? | □381-706982-2 | • VALVE ASS'Y | 1 | SN: 10020-10259 |
|||
| ? | □381-706982-1 | • VALVE ASS'Y | 1 | SN: 10001-10019 |
|||
| ? | 381-707022-3 | • GASKET | 1 | SN: 10260- |
|||
| ? | □381-707022-2 | • GASKET | 1 | SN: 10020-10259 |
|||
| ? | □381-707022-1 | • GASKET | 1 | SN: 10001-10019 |
|||
| ? | 382-025500-1 | • BOLT | 11 | SN: 10001- |
|||
| ? | 382-025534-1 | • WASHER | 11 | SN: 10001- |
|||
| ? | 382-024846-1 | • BOLT | 4 | SN: 10001- |
|||
| ? | 382-025534-1 | • WASHER | 4 | SN: 10001- |
|||
| ? | 381-935039-2 | • COVER | 1 | SN: 10128- |
|||
| ? | □381-935039-1 | • COVER | 1 | SN: 10001-10127 |
|||
| ? | 381-935048-2 | • GASKET | 1 | SN: 10128- |
|||
| ? | □381-935048-1 | • GASKET | 1 | SN: 10001-10127 |
|||
| ? | 382-024860-1 | • BOLT | 2 | SN: 10001- |
|||
| ? | 384-0103323 | • WASHER | 2 | SN: 10001- |
|||
| ? | 385-11051911 | • FITTING | 1 | SN: 10001-14737 |
|||
| ? | 385-11055461 | • PLUG | 1 | SN: 10001- |
|||
| ? | 382-445682-1 | • BREATHER | 1 | SN: 10001- |
|||
| ? | 385-11088981 | • CLAMP | 1 | SN: 10001-15290 |
|||
| ? | 381-897627-1 | • ADAPTER | 1 | SN: 15291- |
|||
| ? | 385-11088931 | • ADAPTER | 1 | SN: 10001-15290 |
|||
| ? | 385-11051881 | • ELBOW | 1 | SN: 15291- |
|||
| ? | 385-11088991 | • BRACKET | 1 | SN: 10001-15290 |
|||
| ? | 382-024839-1 | • BOLT | 1 | SN: 10001-15290 |
|||
| ? | 382-025534-1 | • WASHER | 1 | SN: 10001-15290 |
|||
| ? | 381-941323-1 | • GAUGE,OIL | 1 | SN: 14306- |
|||
| ? | 381-941323-1 | • GAUGE,OIL | 2 | SN: 10001-14305 |
|||
| ? | 382-364879-1 | • O-RING | 1 | SN: 14306- |
|||
| ? | 382-364879-1 | • O-RING | 2 | SN: 10001-14305 |
|||
| ? | ☆ | • PLATE ? NAME | 1 | SN: 10001- |
|||
| ? | 384-0145372 | • SCREW,DRIVE | 2 | SN: .- |
|||
| ? | □380-123250-1 | • SCREW,DRIVE | 2 | SN: 10001-. |
|||
| ? | 385-10090911 | • O-RING | 1 | SN: 10332- |
|||
| ? | □380-222158-1 | • O-RING | 1 | SN: 10001-10331 |
|||
| ? | 382-355966-1 | O-RING | 1 | SN: 10001- |
|||
| ? | 380-140483H | BOLT | 12 | SN: 10001- |
|||
| ? | 382-025544-1 | WASHER | 12 | SN: 10001- |
|||
| ? | 385-11015622 | ANGLE | 1 | SN: 10001- |
|||
| ? | 382-024860-1 | BOLT | 2 | SN: .- |
|||
| ? | □382-024859-1 | BOLT | 2 | SN: 10001-. |
|||
| ? | 382-025536-1 | WASHER | 2 | SN: 10001- |
|||
| ? | 382-024894-1 | BOLT | 2 | SN: 10001- |
|||
| ? | 380-167521-1 | WASHER | 2 | SN: 10001- |
|||
| ? | 381-943879-2 | BASE | 2 | SN: 10001- |
|||
| ? | 381-938685-1 | CUSHION | 2 | SN: 10001- |
|||
| ? | 381-938356-1 | WASHER | 2 | SN: 10001- |
|||
| ? | 382-025538-1 | WASHER | 4 | SN: 10001- |
|||
| ? | 384-9413983 | NUT | 2 | SN: 10001- |
|||
| ? | 382-024874-1 | BOLT | 8 | SN: 10001- |
|||
| ? | 382-025537-1 | WASHER | 8 | SN: 10001- |
|||
| ? | 382-024861-1 | BOLT | 4 | SN: 10001- |
|||
| ? | 385-11050371 | WASHER | 8 | SN: 10001- |
|||
| ? | 382-025546-1 | WASHER | 4 | SN: 10001- |
|||
| ? | 382-025526-1 | NUT | 4 | SN: 10001- |
|||
| ? | 381-941324-1 | BOLT | 1 | SN: 10001- |
|||
| ? | 385-10246461 | BOLT | 4 | SN: 14004-14449 |
|||
| ? | 382-025536-1 | WASHER | 8 | SN: 14004-14449 |
|||
| ? | 382-025526-1 | NUT | 8 | SN: 14004-14449 |
|||
| ? | 385-10235121 | GAUGE,OIL | 1 | SN: 14306- |
|||
| ? | 384-9410359 | PLUG | 2 | SN: 14738- |
|||
| ? | 382-570828-1 | O-RING | 2 | SN: 14738- |
|||
| ? | 385-11111621 | CAP | 1 | SN: 14738- |
|||
| ? | 385-11110791 | TUBE | 1 | SN: 14738- |
|||
| ? | 382-708560-1 | O-RING | 1 | SN: 14738- |
|||
| ? | 381-877949-2 | FLANGE | 2 | SN: 14738- |
|||
| ? | 380-140483H | BOLT | 4 | SN: 14738- |
|||
| ? | 384-0131099 | WASHER | 4 | SN: 14738- |
